Files
hydraulic-obsidian-vault/一建实务/教材/2026一建《水利》电子教材(可搜索).md

1.5 MiB
Raw Permalink Blame History

2026年版全国一级建造师执业资格考试用书

水利水电工程管理与实务

第1篇水利水电工程技术

第1章 水利水电工程勘测与设计 1

  1. 水利水电工程勘测 1

1.2水利水电工程设计 12

第2章 水利水电工程施工水流控制与基础处理 52

2.1施工导流与截流 52

  1. 导流建筑物及基坑排水 58

2.3地基处理工程 64

第3章 土石方与土石坝工程 79

  1. 土石方工程 79
  2. 土石坝施工技术 89
  3. 面板堆石坝施工技术 96

第4章 混凝土与混凝土坝工程 103

4.1混凝土的生产与浇筑 103

  1. 模板与钢筋 114
  2. 混凝土坝的施工技术 123
  3. 碾压混凝土的施工技术 126

第5章 堤防与河湖疏浚工程 130

5.1堤防工程施工技术 130

  1. 河湖疏浚工程施工技术 134

第6章 水闸、泵站与水电站工程 138

6.1水闸施工技术 138

6.2泵站与水电站的布置及机组安装 152

第2篇 水利水电工程相关法规与标准

第7章相关法规 165

7.1水法与工程建设有关的规定 165 7.2防洪的有关法律规定 174

  1. 水土保持的有关法律规定 191

7.4大中型水利水电工程建设征地补偿和移民安置的有关规定 195 第8章相关标准 199

8.1工程建设标准体系 199

8.2与施工相关的标准 203

第9章 水利水电工程企业资质与施工组织 225

9.1水利水电工程企业资质 225

  1. 施工组织设计 229

9.3建设项目管理有关要求 238

9.4建设监理 274 第10章 工程招标投标与合同管理 290

10.1工程招标投标 290

10.2工程合同管理 313

第Ή章 施工进度管理 335

11.1工程建设程序 335

  1. 水利工程验收 343

11.3水力发电工程验收 372

第12章 施工质量管理 377

12.1水利水电工程质量职责与事故处理 377

  1. 施工质量检验 409

第13章 施工成本管理 444

13.1水利水电工程概预算 444

  1. 阶段成本控制 458

第14章 施工安全管理 470

14.1水利水电工程建设安全生产职责 470

14.2水利水电工程建设风险管控 507

第15章 绿色建造及施工现场环境管理 534

15.1绿色建造

534

540

15.2施工现场环境管理

1篇水利水电工程技术

1章水利水电工程勘测与设计

2026一建《水利》电子教材(可搜索)1.1水利水电工程勘测

1.1.1测量仪器的使用

  1. 常用测量仪器及其作用

水利水电工程施工常用的测量仪器有水准仪、经纬仪、电磁波测距仪、 全站仪、卫星定位系统、水准尺。

1水准仪分类及作用

水准仪按精度不同划分为4个等级分为普通水准仪DS3、DS10和精密水准仪

DS05、DSlo普通水准仪用于国家三、四等水准及普通水准测量工程测量中一般使 用DS3型微倾式普通水准仪精密水准仪用于国家一、二等精密水准测量。D、S分别 为“大地测量”和“水准仪”的汉语拼音的第一个字母数字表示该仪器精度如“3” 表示每公里往返测量高差中数的偶然中误差不超过±3mm。

水准仪主要部件有望远镜、管水准器(或补偿器)、垂直轴、基座、脚螺旋。按结 构分为微倾水准仪、自动安平水准仪、激光水准仪和数字水准仪(又称电子水准仪)。

水准仪用于水准测量,水准测量是利用水准仪提供的一条水平视线,借助于带有 分划的尺子(水准尺),测量出两地面点之间的高差,然后根据测得的高差和已知点的 高程,推算出另一个点的高程。

2 经纬仪分类及作用

经纬仪按精度从高到低分为DJ05, DJU DJ2、DJ6和DJ10等D、J分别为“大 地测量”和“经纬仪”的汉语拼音的第一个字母数字表示该仪器精度如“05”表示 一测回方向观测中误差不超过±0.5"。根据度盘刻度和读数方式的不同,分为游标经 纬仪、光学经纬仪和电子经纬仪。

经纬仪是进行角度测量的主要仪器,包括水平角测量和竖直角测量。另外,经纬 仪也可用于低精度测量中的视距测量。

3 电磁波测距仪分类及作用

电磁波测距仪按其所采用的载波可分为:用微波段的无线电波作为载波的微波测 距仪、用激光作为载波的激光测距仪、用红外光作为载波的红外测距仪。后两者又统称 为光电测距仪精度分为四级由高到低为I、n、m、iv。测距仪分为短程测距 L Si 3km 、中程3km <■ L15km )、远程**L >** 15km )。

电磁波测距仪是用电磁波(光波或微波)作为载波传输测距信号,以测量两点间距 离的,一般用于小地区控制测量、地形测量、地籍测量和工程测量等。

4 全站仪及其作用

全站仪Electronic Total Station )是全站型电子速测仪的简称,是电子经纬仪、光 电测距仪及微处理器相结合的光电仪器,是一种集自动测距、测角、计算和数据自动记 录及传输功能于一体的自动化、数字化及智能化的三维坐标测量与定位系统。

全站仪的功能是测量水平角、天顶距(竖直角)和距离(斜距、平距),借助于机 内固化的软件,可以组成多种测量功能,如可以计算并显示平距、高差以及镜站点的三 维坐标,进行偏心测量、悬高测量、对边测量、面积计算等。

5 卫星定位系统

卫星定位系统是具有在海、陆、空全方位实时三维导航与定位能力的系统。以全 天候、高精度、自动化、高效益等显著特点,在大地测量、建筑物变形测量、水下地 形测量等方面得到广泛的应用。目前投人使用的有中国北斗卫星导航系统Beidou Navigation Satellite System, BDS、美国全球定位系统GPS、俄罗斯格洛纳斯卫星导 航系统GLONASS ,欧盟伽利略定位系统GALILEO )。

6 水准尺

水准尺是水准测量使用的标尺。二等水准测量使用铟瓦水准尺。三、四等水准测 量或其他普通水准测量使用的水准尺是用干燥木料、铝合金或者玻璃纤维合成材料制 成,按其构造分为折尺、塔尺、直尺等数种,其横剖面成丁字形、槽形、工字形等。双 面水准尺尺长为3m,是以厘米为分划单位的区格式水准尺。一面分划黑白相间称为 黑面尺(也叫主尺),另一面分划红白相间称为红面尺(也叫辅尺)。测量中,两根为一 副黑面分划的起始数字为“0”而红面底部起始数字不是“0”一根4687mm, 另一根尺=4787mm,尺称为尺常数以此可以验核读数是否正确。尺面每隔lcm涂有 黑白或红白相间的分格,每分米有数字注记。为倒像望远镜观测方便,注字常倒写。水 准尺侧面一般装有圆水准器。

  1. 常用测量仪器的使用

1 )水准仪的使用

1 )微倾水准仪的使用步骤包括安置仪器和粗略整平(简称粗平)、调焦和照准、 精确整平(简称精平)和读数。

  1. 安置水准仪和粗平。先选好平坦、坚固的地面作为水准仪的安置点,然后张开 三脚架使之高度适中,架头大致水平,再用连接螺旋将水准仪固定在三脚架头上,将架 腿的脚尖踩实。调整三个脚螺旋,使圆水准气泡居中称为粗平。
  2. 调焦和照准。水准仪整平后,将望远镜对着明亮的背景,转动目镜调焦螺旋, 使十字丝清晰。用望远镜的准星和照门瞄准水准尺,然后旋紧制动螺旋固定望远镜,转 动物镜调焦螺旋,待水准尺成像清晰后,再转动水平微动螺旋,使十字丝竖丝照准水准 尺。瞄准目标后,眼睛可在目镜处做上下移动,如发现十字丝与目标影像有相对移动, 读数随眼睛的移动而改变,说明有视差。产生视差的原因是目标影像与十字丝分划板不 重合,它将影响读数的正确性。必须消除视差,办法是先调目镜调焦螺旋看清十字丝, 再继续仔细地转动物镜调焦螺旋,直至尺像与十字丝平面重合。
  3. 精平。转动微倾螺旋,同时察看水准管气泡观察窗,当符合水准管气泡成像吻 合时,表明已精确整平。
  4. 读数。当符合水准管气泡居中时,立即根据十字丝中丝在水准尺上读数。不论 使用的水准仪是正像或是倒像,读数总是由注记小的一端向大的一端读出。通常读数保 留四位数。
  5. 精密水准仪的操作程序。与一般DS3水准仪基本相同不同之处是精密水准 仪是采用光学测微器测出不足一个分格的数值。作业时,先转动微倾螺旋,使望远镜视 场左侧的符合水准管气泡两端的影像符合,保证视线水平,再转动测微轮,使十字丝上 楔形丝精确地夹住整分划,读取该分划线读数。
  6. 自动安平水准仪操作程序:粗平一照准一读数。
  7. 数字水准仪操作程序,与自动安平水准仪基本一样,但数字式水准仪能自动 观测和记录,并将测量结果以数字的形式显示出来。
  8. 经纬仪的使用

经纬仪的使用包括对中、整平、照准和读数四个操作步骤。

(1 )对中和整平

分为用垂球对中及经纬仪整平的方法、用光学对中器对中及经纬仪整平的方法。

  1. 用垂球对中及经纬仪整平的方法
  2. 垂球对中。先打开三脚架放在测站上脚架长度要适当以便于观测I。三脚架 架头应大致水平。把脚架上的连接螺旋放在架头中心位置,挂上垂球,移动脚]架使垂球 尖概略对准测站点,同时保持脚架头大致水平。从箱中取出仪器放到三脚架上,旋紧连 接螺旋使仪器与脚架连接。此时再细心观察垂球是否偏离标志中心,如偏离可略放松连 接螺旋,在架头上平移仪器,使垂球尖准确对准测站点,再旋紧连接螺旋。
  3. 整平。先转动仪器照准部,使水准管平行于任意两个脚螺旋连线,转动这两个 脚螺旋使气泡居中然后将仪器照准部旋转90。旋转第三个脚螺旋使气泡居中。按 上述方法反复进行几次,直到仪器转到任何位置时,气泡都居中为止。
  4. 用光学对中器对中及经纬仪整平的方法
  5. 目估初步对中,并使三脚架架头大致水平。
  6. 转动和推拉对中器目镜调焦,使地面标志点成像清晰,且分划板上中•心圆圈也 清晰可见。
  7. 转动仪器脚螺旋,使地面标志点影像位于圆圈中心。
  8. 伸缩调节三脚架架腿,使圆水准器气泡居中。
  9. 按用垂球安置仪器的整平方法进行精确整平。
  10. 检查光学对中器,此时若标志点位于圆圈中心则对中、整平完成,若仍有偏差, 可稍松动连接螺旋,在架头上移动仪器,使其准确对中,然后重新进行精确整平,直到 对中和整平均达到要求为止。
  11. 照准
  12. 目镜调焦:将望远镜对向明亮的背景,转动目镜调焦螺旋,使十字丝清晰。
  13. 粗瞄目标松开望远镜水平、竖直制动螺旋通过望远镜上的粗瞄器7寸准目标 然后拧紧制动螺旋。
  14. 物镜调焦:转动望远镜物镜调焦螺旋,使目标成像清晰。注意消除视差现象。
  15. 准确瞄准目标:转动水平微动及竖直微动螺旋,使十字丝竖丝与目标成像单线平分或双丝夹准,并且使十字丝交点部分对准目标的底部。
  16. 读数

打开反光镜,调整其位置,使读数窗内进光明亮均匀,然后进行读数显微镜调焦, 使读数窗内分划清晰,进行读数。电子经纬仪可在屏幕上直接读数。

  1. 电磁波测距仪的使用
  2. 为测量/、β两点的距离2),先在/点安置经纬仪,对中整平,然后将测距仪 安在经纬仪望远镜的上方。

(2 )在5点安置反射器。

(3 )瞄准反射器。

  1. 设置单位、棱镜类型以及将比例改正开关放在需要的位置。

(5 )距离测量。

(6)运用键盘除可以实现上述测距外,还可通过输人有关数据计算平距、高差和 坐标增量。

  1. 全站仪的使用

全站仪放样模式有两个功能,即测定放样点和利用内存中的已知坐标数据设置新 点,如果坐标数据未被存人内存,则也可从键盘输人坐标。放样步骤如下:

(1 )选择数据采集文件,使其所采集的数据存储在该文件中。

  1. 选择坐标数据文件,可进行测站坐标数据及后视坐标数据的调用。
  2. 在测站点上架设全站仪,在后视点上架设棱镜,分别对中整平,量取仪器高 与棱镜高。
  3. 设置测站点与定向点,操作仪器瞄准棱镜,进行仪器定向时需输人仪器高与 棱镜高,定向后应测量定向点坐标进行校核及避免误差。
  4. 调用内存中放样坐标或手工输人放样坐标,开始放样。

1.1.2水利水电工程施工测量的要求

  1. 基础知识
  2. 局程

地面点到高度起算面的垂直距离称为高程。高度起算面又称高程基准面。某点沿 铅垂线方向到大地水准面的距离,称为该点的绝对高程或海拔,简称高程,用//表示。 通常采用平均海平面代替大地水准面作为高程基准面。假定一个水准面作为高程基准 面,地面点至假定水准面的铅垂距离,称为相对高程或假定高程。两点高程之差称为 高差。

我国自1959年开始全国统一采用1956年黄海高程系。后来利用1952—1979年 期间青岛验潮站的验潮结果计算确定了新的黄海平均海面称为“1985国家髙程基准”。 我国自1988年1月1日起开始采用1985国家髙程基准作为高程起算的统一基准。

  1. 地图的比例尺及比例尺精度

地图上任一线段的长度与地面上相应线段水平距离之比,称为地图的比例尺。常 见比例尺表示形式有两种:数字比例尺和图示比例尺。

(1 )数字比例尺

以分子为1的分数形式表示的比例尺称为数字比例尺。设图上一条线段长为4相 应的实地水平距离为/),则该地图的比例尺为:

d/D = /M ( 1.1-1 )

式中,Λ/称为比例尺分母。比例尺的大小视分数值的大小而定。Μ越大,比例尺 越小Μ越小比例尺越大。数字比例尺也可以写成1 : 500. 1 : 1000、1 : 2000等 形式。

地形图比例尺分为三类1 : 500、1 : 1000、1 : 2000、1 : 5000、1 : 10000 为 大比例尺地形图1 : 25000、1 : 50000、1 : 100000为中比例尺地形图1 : 250000、 1 : 500000、1 : 1000000为小比例尺地形图。

  1. 图示比例尺

最常见的图示比例尺是直线比例尺。用一定长度的线段表示图上的实际长度,并 按图上比例尺计算出相应的地面上的水平距离注记在线段上,这种比例尺称为直线比例 尺。图1.1-1自上至下分别表示1 : 500、1 : 1000、1 : 2000三种直线比例尺。

10 hm 5

ττττ+πτπ
9 10 20 30

1 1
40m
20 Η—

10
0 37.3m

(a)

20
40 60 80m
40 20 0 (b)

40
80 120 160m

108.0m

(C)

图1.1-1直线比例尺

(a) 1:500; (b) 1:1000; (c) 1:2000

  1. 施工放样的基本工作
  2. 放样数据准备
  3. 放样前应根据设计图纸和有关数据及使用的控制点成果,计算放样数据,绘 制放样草图,所有数据、草图均应经两人独立计算与校核。
  4. 应将施工区域内的平面控制点、高程控制点、轴线点、测站点等测量成果,以 及设计图纸中工程部位的各种坐标(桩号)、方位、尺寸等几何数据编制成放样数据手 册,供放样人员使用。
  5. 现场放样所取得的测量数据,应记录在规定的放样手簿中。
  6. 平面位置放样方法的选择

平面位置放样应根据放样点位的精度要求、现场作业条件和拥有的仪器设备,选 择适用的放样方法。平面位置放样的基本方法有:直角交会法、极坐标法、角度交会 法、距离交会法等几种。

  1. 高程放样方法的选择
  2. 高程放样方法的选择,主要根据放样点高程精度要求和现场的作业条件。可 分别采用水准测量法、光电测距三角高程法、解析三角高程法和视距法等。
  3. 对于高程放样中误差要求不大于± 10mm的部位应采用水准测量法。
  4. 采用经纬仪代替水准仪进行工程放样时,应注意以下两点:
  5. 放样点离高程控制点不得大于50m。
  6. 必须用正倒镜置平法读数,并取正倒镜读数的平均值进行计算。
  7. 采用光电测距三角高程测设高程放样控制点时,注意加人地球曲率的修正,并 校核相邻点的高程。
  8. 仪器、工具的检验
  9. 施工放样使用的仪器,应定期按下列项目进行检验和校正:
  10. 经纬仪的三轴误差、指标差、光学对中误差,以及水准仪的ί角,应经常检验 和校正。
  11. 光电测距仪的照准误差(相位不均匀误差)、偏调误差(三轴平行性)及加常数、 乘常数,一般每年进行一次检验。
  12. 施工放样使用的工具应按下列项目进行检验:
  13. 钢带尺应通过检定,建立尺长方程式。
  14. 水准标尺应测定红黑面常数差和标尺零点差。标尺标称常数差与实测常数差超 过1.0mm时应采用实测常数差标尺的零点差超过0.5mm时,应进行尺底面的修理 或在高差中改正。
  15. 塔尺应检查底面及结合处误差。
  16. 垂球应检查垂球尖与吊线是否同轴。
  17. 开挖工程测量
  18. 开挖工程测量的内容

开挖工程测量应包括下列内容:开挖区原始地形图和原始断面图测量;开挖轮廓 点放样;开挖竣工地形、断面测量和工程量测算。

  1. 开挖工程细部放样
  2. 开挖工程细部放样,需在实地放出控制开挖轮廓的坡顶点、转角点或坡脚点, 并用醒目的标志加以标定。
  3. 开挖工程细部放样方法有极坐标法、测角前方交会法、后方交会法等,但基 本的方法主要是极坐标法和测角前方交会法。直接用后方交会法放样开挖轮廓点的情况 很少。采用测角前方交会法,宜用三个交会方向,以“半测回”标定即可。用极坐标法 放样开挖轮廓点时,测站点必须靠近放样点。
  4. 距离丈量可根据条件和精度要求从下列方法中选择:
  5. 用钢尺或经过比长的皮尺丈量,以不超过一尺段为宜。在高差较大地区,可丈 量斜距加倾斜改正。
  6. 用视距法测定其视距长度不应大于50m。预裂爆破放样不宜采用视距法。
  7. 用视差法测定端点法线长度不应大于70m。
  8. 细部点的高程放样,可采用支线水准法、光电测距三角高程法或经纬仪置平测 高法。
  9. 断面测量和工程量计算
  10. 开挖工程动工前,必须实测开挖区的原始断面图或地形图;开挖过程中,应 定期测量收方断面图或地形图;开挖工程结束后,必须实测竣工断面图或竣工地形图, 作为工程量结算的依据。
  11. 断面间距可根据用途、工程部位和地形复杂程度在5〜20m范围内选择。设计 有特殊要求的部位按设计要求执行。
  12. 断面图和地形图比例尺可根据用途、工程部位范围大小在1 : 200 — 1 : 1000 选择主要建筑物的开挖竣工地形图或断面图应选用1 : 200收方图以1 : 500或 1 : 200为宜大范围的土石覆盖层开挖收方可选用1 : 1000。
  13. 断面点间距应以能正确反映断面形状,满足面积计算精度要求为原则。一 般为图上1〜3cm施测一点。地形变化处应加密测点。断面宽度应超出开挖边线3〜 10mo
  14. 开挖施工过程中,应定期测算开挖完成量和工程剩余量。开挖工程量的结算 应以测量收方的成果为依据。开挖工程量的计算中面积计算方法可采用解析法或图解法 (求积仪)。

(6 )两次独立测量同一区域的开挖工程量其差值小于5% (岩石)和7% (土方)时, 可取中数作为最后值。

  1. 立模与填筑放样
  2. 立模和填筑放样的内容

立模和填筑放样应包括下列内容:测设各种建筑物的立模或填筑轮廓点;对已架 立的模板、预制(埋)件进行形体和位置的检查;测算填筑工程量等。

  1. 建筑物的细部放样

(1 )混凝土建筑物立模细部轮廓点的放样位置以距设计线0.2〜0.5m为宜。土石 坝填筑点,可按设计位置测设。

  1. 立模、填筑轮廓点,可直接由等级控制点测设,也可由测设的建筑物纵横轴 线点(或测设点)测设。
  2. 由轴线点或测站点放样细部轮廓点时,一般采用极坐标法。
  3. 在不便于丈量距离的部位进行放样时,宜采用短边(200m以内)前方交会法。
  4. 在有众多三角点作为交会方向的部位,也可采用后方交会法测定测姑点坐标, 然后再放样细部点。
  5. 在已经精确测定了轴线的部位进行细部放样时,也可采用轴线交会法。
  6. 在有条件的地方,细部点的精确放样,可采用边角前方交会法、边角后方交会 法或测边交会法等。
  7. 混凝土建筑物的高程放样,应区别情况采用不同的方法。
  8. 对于连续垂直上升的建筑物,除了有结构物的部位(如牛腿、廊道、门洞等) 外,高程放样的精度要求较低,主要应防止粗差的发生。
  9. 对于溢流面、斜坡面以及形体特殊的部位,其高程放样的精度,一般应与平面 位置放样的精度相一致。
  10. 对于混凝土抹面层,有金属结构及机电设备预埋件的部位,其高程放样的精度, 通常高于平面位置的放样精度,应采用水准测量方法并注意检核。
  11. 特殊部位的模板架设后,应利用测放的轮廓点进行检查。
  12. 建筑物立模放样点的检查
  13. 放样工作开始前,应认真阅读设计图纸,验证设计坐标或其几何尺寸。
  14. 对于放样的轮廓点,必须进行检核,检核方法可根据不同情况而异。检核结 果应记人放样资料中,外业检核以自检为主,放样与检核尽量同时进行。必要时,也可 另派小组进行检查。
  15. 选择放样方法时,应考虑检核条件。没有检核条件的方法(如极坐标法、两 点前方交会法、三方向后交法等),必须在放样后采用另外的方法进行检查。
  16. 建筑物基础块(第一层)轮廓点的放样,必须全部采用相互独立的方法进行 检核。放样和检核点位之差不应大于**m ( m**为轮廓点的测量放样中误差)。
  17. 填筑工程量测算

(1 )混凝土浇筑和土石料填筑工程量,必须从实测的断面(或平面)图上计算求得。

  1. 混凝土浇筑块体收方,基础部位应根据基础开挖竣工图计算;基础以上部位, 可直接根据水工设计图纸的几何尺寸及实测部位的平均高程进行计算。
  2. 土石料填筑量收方,应根据实测的各种填料分界线,分别计算各类填料方量。
  3. 两次独立测量同一工程其测算体积之较差在小于该体积的3%时,可取中 数作为最后值。
  4. 施工期间的外部变形监测

1 )施工期间外部变形监测的内容

施工期间外部变形监测应包括下列内容:施工区的滑坡监测;高边坡开挖稳定性 监测;围堰的水平位移和沉陷监测;临时性的基础沉陷(回弹)和裂缝监测等。

变形监测的基点,应尽量利用施工控制网中较为稳固可靠的控制点,也可建立独 立的、相对的控制点,其精度应不低于四等网的标准。

  1. 选点与埋设

(1 )工作基点的选择与埋设,应注意以下几点:

  1. 基点必须建立在变形区以外稳固的基岩上。在土质和地质不稳定地区设置基点 时应进行加固处理。基点应尽量靠近变形区,其位置的选择应注意使它们对测点构成有 利的作业条件。
  2. 工作基点一般应建造具有强制归心的混凝土观测墩。
  3. 垂直位移的基点,至少要布设一组,每组不少于三个固定点。

(2)测点的选择与埋设,应符合下列要求:

  1. 测点应与变形体牢固结合,并选在变形幅度、变形速率大的部位,且能控制变 形体的范围。
  2. 滑坡测点宜设在滑动量大、滑动速度快的轴线方向和滑坡前沿区等部位。
  3. 高边坡稳定监测点,宜呈断面形式布置在不同的高程面上,其标志应明显可见, 尽量做到无人立标。
  4. 采用视准线监测的围堰变形点其偏离视准线的距离不应大于20mm。垂直位移 测点宜与水平位移测点合用。围堰变形观测点的密度,应根据变形特征确定:险要地段 20〜30m布设一个测点一般地段50〜80m布设一个测点。
  5. 山体或建筑物裂缝观测点,应埋设在裂缝的两侧。标志的形式应专门设计。
  6. 监测方法的选择

一般情况下,滑坡、高边坡稳定监测采用交会法;水平位移监测采用视准线法(活动觇牌法和小角度法);垂直位移监测,宜采用水准监测法,也可采用满足精度要求的 光电测距三角高程法;地基回弹宜采用水准仪与悬挂钢尺相配合的监测方法。

4资料整理

1 监测资料整理应包括下列内容:

  1. 外业监测资料的检查,测站平差和平均值的计算。
  2. 平差计算,求得未知数的最或是值。
  3. 位移量计算,编制累计位移量一览表。
  4. 绘制位移量与相关因素的关系曲线图。

2 成果分析包括下列内容:

  1. 评定监测精度。
  2. 分析监测成果是否符合正常变化规律。
  3. 对异常监测值和异常变化,应认真分析原因,辨别真伪。
  4. 重点部位应与其他监测资料综合分析。
  5. 寻找影响位移的相关因素。
  6. 竣工测量

1 )竣工测量的内容和方法

1 )竣工测量包括下列主要项目:

  1. 主要水工建筑物基础开挖建基面的1 : 200-1 : 500地形图高程平面图或纵、 横断面图。
  2. 建筑物过流部位或隐蔽部位形体测量。
  3. 外部变形监测设备埋设安装竣工图。
  4. 建筑物的各种重要孔、洞的形体测量(如电梯井、倒垂孔等)。
  5. 视需要测绘施工区竣工平面图。

2 )竣工测量作业方法

  1. 随着施工的进程,按竣工测量的要求,逐渐积累竣工资料。
  2. 待单项工程完工后,进行一次性的测量。

对于隐蔽工程、水下工程以及垂直临空面的竣工测量,宜采用第一种作业方法。

2 开挖竣工测量

主体工程开挖到建基面时,应及时实测建基面地形图,亦可测绘高程平面图,比 例尺一般为1 : 200。图上应标有建筑物开挖设计边线。

3 填筑竣工测量

单项填筑工程竣工时,应测绘建筑物的高程平面图或纵横断面图,其比例尺不应 小于施工详图。

土、石坝在心墙、斜墙、坝壳填筑过程中,每上料两层,须进行一次边线测量并 绘成图表为竣工时备用。

4 过流部位的形体测量

1 )需要进行形体测量的部位有:溢洪道、泄水坝段的溢流面、机组的进水口、蜗 壳锥管、扩散段;闸孔的门槽附近,闸墩尾部,护坦曲线段、斜坡段,闸室底板及闸墩 (岸墙)等。

  1. 过流部位的形体测量,除断面测量外,也可采用光电测距极坐标法,测量散 点的三维坐标。散点的密度,可根据建筑物的形体特征确定,水平段可以稀一些,曲线 段、斜坡段宜加密。
  2. 竣工测量的成果,除了整理绘制成果表外,还必须按解析法的要求计算各测 点的三维坐标值。在提供成果时,除提供图纸外,还应提供坐标实测值。
  3. 测量误差
  4. 误差产生的原因

在实际工作中真值不易测定,一般把某一量的准确值与其近似值之差称为误差。 产生测量误差的原因,概括起来有以下三个方面:

  1. 人的原因。
  2. 仪器的原因。.
  3. 外界环境的影响。
  4. 误差的分类与处理原则

误差按其产生的原因和对观测结果影响性质的不同,可以分为系统误差、偶然误 差和粗差三类。

  1. 系统误差:在相同的观测条件下,对某一量进行一系列的观测,如果出现的误 差在符号和数值上都相同,或按一定的规律变化,这种误差称为“系统误差”。
  2. 偶然误差:在相同的观测条件下,对某一量进行一系列的观测,如果误差出现 的符号和数值大小都不相同,从表面上看没有任何规律性,这种误差称为“偶然误差”。
  3. 粗差:由于观测者粗心或者受到干扰所造成的错误。

误差处理原则:粗差是大于限差的误差,是由于观测者的粗心大意或受到干扰所 造成的错误。错误应该可以避免,包含有错误的观测值应该舍弃,并重新进行观测。

  1. 资料整编
  2. 竣工图的编绘,应与设计平面布置图相对应,图表应按竣工管理部门的统一 图幅规格选用,分类装订成册,并附必要的文字说明。
  3. 竣工地形图应该注明图幅的坐标系统、高程系统、测图方法、比例尺、制图 日期等基本数据。对于竣工纵、横断面图,必须注明断面桩号、断面中心桩坐标、断面 方向、比例尺,并附有断面位置示意图。

1.1.3水利水电工程地质与水文地质条件及分析

  1. 地质构造及地震

地质构造指由于地球内部动力引起组成岩石圈物质机械运动而遗留下来的形态, 是构造运动在岩石圈中留下的行迹。地质构造按构造形态可分为倾斜构造、褶皱构造和 断裂构造三种类型。

  1. 经构造变动,水平状态岩层与水平面成一定角度的倾斜岩层,称为倾斜构造。 当这种变形极微弱时,岩层往往保留了原始的水平状态,也称为水平构造,一般发育于 地壳运动影响轻微,大面积均匀隆起或凹陷的地区。
  2. 褶皱构造指组成地壳的岩层受构造应力作用,使岩层形成一系列波状弯曲而 未丧失其连续性的构造,其基本类型包括背斜和向斜两种。

3断裂构造指岩层在构造应力作用下岩层沿着一定方向产生机械破裂失去 连续性和完整性,可分为节理、劈理、断层三类。

地震一般可分为天然地震、人工地震两类。对于天然地震按成因可分为构造地震、 火山地震、陷落地震;人工地震指由人类活动诱发的地面震动,如爆破、巨石盛落、水 库蓄水等。据目前统计全世界因蓄水诱发地震的水库有110多座。因此在工程的可行 性研究阶段预测可能发生水库诱发地震时,应对可能性较大的地段进行工程地质和地震 地质论证,校核可能发震库段的诱震条件,预测发震地段、类型和强度,并对工程建筑 物的影响作出评价。

  1. 边坡的工程地质条件分析

1 边坡变形破坏的类型和特征

常见的边坡变形破坏主要有松弛张裂、蠕变、崩塌、滑坡四种类型。此夕卜尚有坍 滑、错落、倾倒等过渡类型,另外泥石流也是一种边坡变形破坏的类型。

松弛张裂:是指由于临谷部位的岩体被冲刷侵蚀或人工开挖,使边坡岩体失去约 束,应力重新调整分布,从而使岸坡岩体发生向临空面方向的回弹变形及产生近平行于 边坡的拉张裂隙,一般称为边坡卸荷裂隙。

蠕变:是指边坡岩(土)体主要在重力作用下向临空方向发生长期缓慢的塑性变形 的现象,有表层蠕动和深层蠕动两种类型。

崩塌:是指较陡边坡上的岩(土)体在重力作用下突然脱离母体崩落、滚动堆积于 坡脚的地质现象。在坚硬岩体中发生的崩塌也称岩崩,而在土体中发生的则称土崩。

滑坡:是指边坡岩(土)体主要在重力作用下沿贯通的剪切破坏面发生滑动破坏 的现象。在边坡的破坏形式中,滑坡是分布最广、危害最大的一种。它在坚硬或松软岩 层、陡倾或缓倾岩层以及陡坡或缓坡地形中均可发生。

2 影晌边坡稳定的因素

地形地貌条件的影响;岩土类型和性质的影响;地质构造和岩体结构的影响;水 的影响;其他因素的影响,包括风化因素、人工挖掘、振动、地震等。

  1. 土质基坑工程地质问题分析

1 土质基坑工程地质问题主要包括两个方面:边坡稳定和基坑降排水。

2 在基坑施工中,为防止边坡失稳,保证施工安全,采取的措施有:设置合理坡 度,设置边坡护面、基坑支护,降低地下水位等。

3 基坑降排水的目的主要有:增加边坡的稳定性;对于细砂和粉砂土层的边坡, 防止流砂和管涌的发生;对下卧承压含水层的黏性土基坑,防止基坑底部隆起;保持基 坑土体干燥,方便施工。

4 基坑开挖的降排水一般有两种途径:明排法和人工降水。其中,人工降水经常 采用轻型井点或管井井点降水方式。

1 )明排法的适用条件

  1. 不易产生流砂、流土、潜蚀、管涌、淘空、塌陷等现象的黏性土、砂土、碎石 土的地层。
  2. 基坑地下水位超出基础底板或洞底标高不大于2.0m。

2 )轻型井点降水的适用条件

  1. 黏土、粉质黏土、粉土的地层。
  2. 基坑边坡不稳,易产生流土、流砂、管涌等现象。
  3. 地下水位埋藏小于6.0m,宜用单级真空井点当大于6.0m时,场地条件有限 宜用喷射井点、接力井点;场地条件允许宜用多级井点。

3 )管井井点降水适用条件

  1. 第四系含水层厚度大于5.0m。
  2. 含水层渗透系数**K**宜大于1.0m/d。

1.2水利水电工程设计

1.2.1水利水电工程等级划分及工程特征水位

  1. 水利水电工程等别划分

根据《水利水电工程等级划分及洪水标准》SL 252—2017的规定水利水电工程 的等别根据其工程规模、效益和在经济社会中的重要性划分为I、Π、ΙΠ、IV、V五 等,适用于不同地区、不同条件下建设的防洪、治涝、灌溉、供水和发电等水利水电工 程按表1.2-1确定。

表1.2-1水利水电工程分等指标

工程规模 水库 总库容

108m3
防洪 治涝 灌溉 供水 发电
保护 人口 104 人) 保护农

田面积

104 亩)
保护区

当量经 济规模 104 人)
治涝面积 104 亩) 灌溉 面积 104 亩) 供水对象 重要性 年引水毋 108m3 发电装

机容量

MW
I 1 >10 彡150 彡500 彡300 彡200 彡150 特别重要 ^10 彡 1200
Π 2 <10,

^1.0
<150,

^50
< 500, 彡100 <300,

彡100
<200,

^60
<150,

^50
重要 <10,

^3
<1200,

彡300
中型 <1.0,

彡 0.10
<50,

^20
<100,

^30
<100,

^40
<60,

多15
<50,

^5
比较重要 <3, <300,

^50
IV 1 <0.1,

^0.01
<20,

>5
<30,

多5
<40,

^10
<15,

多3
<5, ^0.5 -般 <1,

^0.3
< 50, >10
V 2 < 0.01,

0.001
<5 <5 <10 <3 <0.5 <0.3 <10

I.水库总库容指水库最髙水位以下的静库容;治涝面积指设计治涝面积;灌溉面积指设计灌溉面积;

年引水世指供水工程渠首设计年均引(取)水量。

  1. 保护区当世经济规模指标仅限于城市保护区防洪、供水中的多项满足1项即可。
  2. 按供水对象的重要性确定工程等别时,该工程应为供水对象的主要水源。

水利水电工程等别的划分主要依据水库总库容、防洪、治涝、灌溉、供水、发电 等指标确定。对于综合利用的水利水电工程,如按各综合利用项目的分等指标确定的等 别不同时,其工程等別应按其中的最高等别确定。

对拦河水闸、灌排泵站作为水利水电工程中的一个组成部分或单个建筑物时不再 单独确定工程等别,作为独立项目立项建设时,其工程等别按照承担的工程任务、规模确定。

  1. 水工建筑物级别划分

1永久性水工建筑物级别

1水库及水电站工程的永久性水工建筑物级别

水库及水电站工程的永久性水工建筑物的级别,根据工程的等别或永久性水工建 筑物的分级指标划分为五级按表1.2-2确定。

表1.2-2永久性水工建筑物级别

工程等别 主要建筑物 次要建筑物 工程等别 主要建筑物 次要建筑物
I 1 3 IV 4 5
Π 2 3 V 5 5
m 3 4

水利枢纽工程水库大坝按表1.2-2规定为2级、3级的永久性水工建筑物如坝高 超过表1.2-3指标其级别可提高一级但洪水标准可不提高。

表1.2-3水库大坝堤级指标

级别 坝型 坝高m
2 土石坝 90
混凝土坝、浆砌石坝 130
3 土石坝 70
混凝土坝、浆砌石坝 100

水库工程中最大高度超过200m的大坝建筑物其级别应为1级其设计标准应专 门研究论证,并报上级主管部门审查批准。

2拦河闸永久性水工建筑物级别

拦河闸永久性水工建筑物的级别应根据其所属工程的等别按表1.2-2确定。按 表1.2-2规定为2级、3级其校核洪水过闸流量分别大于5000m7s, 1000m3/s时其 建筑物级别可提高一级,但洪水标准可不提高。

2堤防工程级别

防洪工程中堤防永久性水工建筑物的级别应根据其保护对象的防洪标准按表1.2-4 确定。当经批准的流域、区域防洪规划另有规定时,应按其规定执行。

表1.2-4堤防工程的级别

防洪标准[重现期(年)] 彡100 <100,且彡 50 < 50,且彡30 <30,且彡20 <20,且彡10
堤防工程级别 1 2 3 4 5

分洪道(渠)、分洪与退洪控制闸永久性水工建筑物级别,应不低于所在堤防永久 性水工建筑物级别。

3临时性水工建筑物级别

水利水电工程施工期使用的临时性挡水和泄水建筑物的级别应根据保护对象的重要性、失事造成的后果、使用年限和临时性建筑物的规模按表1.2-5确定。

当临时性水工建筑物根据表1.2-5指标同时分属于不同级别时其级别应按照其中 最高级别确定。但对于3级临时性水工建筑物符合该级别规定的指标不得少于两项。

表1.2-5临时性水工建筑物级别

级别 保护对象 失事后果 使用年限 (年) 临时性水工建筑物规模
高度m 库容(108m3)
3 有特殊要求的1级

永久性水工建筑物
淹没重要城镇、工矿企业、交通干线或推迟 总工期及第一台(批)机组发电,推迟工程 发挥效益,造成重大灾害和损失 > 3 > 50 >1.0
4 1、2级永久性 水工建筑物 淹没一般城镇、工矿企业、交通干线或影晌 总工期及第一台(批)机组发电,推迟工程 发挥效益,造成较大经济损失 3 〜1.5 50 〜15 1.0 〜0.1
5 3、4级永久性

水工建筑物
淹没基坑,但对总工期及第一台(批)机组 发电影响不大,对工程发挥效益影响不大, 经济损失较小 <1.5 <15 <0.1
  1. 水利水电工程洪水标准

1 一般规定

1 )洪水标准是指为维护水工建筑物自身安全所需要防御的洪水大小,一般以某 一频率或重现期洪水表示,分为设计洪水标准和校核洪水标准。各类水利水电工程的洪 水标准按《水利水电工程等级划分及洪水标准》SL 252—2017确定。

2 水利水电工程永久性水工建筑物的洪水标准,应按山区、丘陵区和平原、滨 海区两类分别确定。

3 当山区、丘陵地区的水利水电工程永久性水工建筑物的挡水高度低于15m,且 上下游最大水头差小于10m时其洪水标准宜按平原、滨海区标准确定。当平原、滨 海地区的水利水电工程永久性水工建筑物的挡水高度高于15m,且上下游最大水头差大 于10m时其洪水标准宜按山区、丘陵区标准确定。

4 江河采取梯级开发方式,在确定各梯级水利水电工程永久性水工建筑物的 设计洪水与校核洪水标准时,还应结合江河治理和开发利用规划,统筹研究,相互 协调。

5 堤防、渠道上的闸、涵、泵站及其他建筑物的洪水标准,不应低于堤防、渠 道的防洪标准,并应留有安全裕度。

2 水库及水电站工程永久性水工建筑物

山区、丘陵区水库工程永久性水工建筑物的洪水标准按表1.2-6确定。平原区、 滨海区水库工程永久性水工建筑物的洪水标准按表1.2-7确定。

挡水建筑物采用土石坝和混凝土坝混合坝型时,其洪水标准应采用土石坝的洪水 标准。

当水库大坝施工高程超过临时性挡水建筑物顶部高程时,坝体施工期临时度汛的 洪水标准应根据坝型及坝前拦洪库容按表1.2-8确定。根据失事后对下游的影响 其洪水标准可适当提高或降低。

表1.2-6山区、丘陵区水库工程永久性水工建筑物的洪水标准重现期

项目 水工建筑物级别
1 2 3 4 5
设计 1000-500 500〜100 100 〜50 50-30 30 〜20
校核 土石坝 可能最大洪水PMF或 10000-5000 5000-2000 200◦〜1000 1000-300 300-200
混凝土坝、 浆砌石坝 5000-2000 2000-1000 1000〜500 500-200 20◦〜100

表1.2-7平原区、滨海区水库工程永久性水工建筑物的洪水标准重现期

项目 永久性水工建筑物级别
1 2 3 4 5
水库工程 设计 300-100 100-50 50-20 20〜10 10
校核 2000-1000 1000-300 300〜100 100-50 50 〜20
拦河水闸 设计 10◦〜50 50 〜30 3◦〜20 20 〜10 10
校核 300-200 200-100 100-50 50-30 30 〜20

表1.2-8水库大坝施工期洪水标准重现期

坝型 拦洪库容108m[1] [2]
多10 <10^1.0 <1.0^0.1 < 0.1
土石坝 彡200 2◦◦〜100 1◦◦〜50 5◦〜20
混凝土坝、浆砌石坝 彡100 100-50 5◦〜20 2◦〜10

水库工程导流泄水建筑物封堵期间,进口临时挡水设施的洪水标准应与相应时段 的大坝施工期洪水标准一致。水库工程导流泄水建筑物封堵后,如永久泄洪建筑物尚未 具备设计泄洪能力坝体洪水标准应分析坝体施工和运行要求后按表1.2-9确定。

表1.2-9水库工程导流泄水建筑物封堵后坝体洪水标准重现期

坝型 大坝级别
1 2 3
混凝土坝、浆砌石坝 设计 200-100 1◦◦〜50 50 〜20
校核 500〜200 200-100 100—50
土石坝 设计 500-200 200〜100 100—50
校核 1000-500 500-200 200〜100

幅度内,合理选用。对失事后果严重的,应考虑遇超标准洪水的应急措施。

表1.2-10拦河闸、挡潮闸永久性水工建筑物洪水标准重现期

永久性水工建筑物级别 1 2 3 4 5
洪水标准 设计 100 〜50 50 〜30 30-20 20〜10 10
校核 300-200 200〜100 100-50 50 〜30 30 〜20
潮水标准 彡100 100-50 50 〜30 30 〜20 2◦〜10

表1.2-11临时性水工建筑物洪水标准重现期

临时性建筑物类型 临时性水工建筑物级别
3 4 5
土石结构 50 〜20 20 〜10 10〜5
混凝土、浆砌石结构 20 〜10 10〜5 5〜3
  1. 水利水电工程抗震设防标准

水工建筑物的工程抗震设防类别,应根据其重要性和工程场地地震基本烈度按 表1.2-12确定。

表1.2-12工程抗震设防类别

工程抗震设防类别 建筑物级别 场地地震基本烈度
1 (壅水和重要泄水) ^Vl
1 非壅水2 (壅水)
2 非壅水3 多VII
4, 5

注:重要泄水建筑物是指其失效可能危及壅水建筑物安全的泄水建筑物。

各类水工建筑物的抗震设防水准,应以平坦地表的设计烈度和水平向设计地震动 峰值加速度代表值表征,并按下列规定确定:

依据《中国地震动参数区划图》GB 18306—2015确定其设防水准的水工建筑物 对一般工程应取该图中其场址所在地区的地震动峰值加速度的分区值,按场地类别调整 后,作为设计水平向地震动峰值加速度代表值,将与之对应的地震基本烈度作为设计烈 度对其中工程抗震设防类别为甲类的水工建筑物应在基本烈度基础上提髙1度作为 设计烈度设计水平向地震动峰值加速度代表值相应增加1倍。

  1. 水库特征水位及特征库容

1水库特征水位

1 校核洪水位。指水库遇大坝的校核洪水时,在坝前达到的最髙水位。它是水 库在非常运用校核情况下允许临时达到的最高洪水位,是确定大坝顶高程及进行大坝安 全校核的主要依据。

2 设计洪水位。指水库遇大坝的设计洪水时,在坝前达到的最高水位。它是水库 在正常运用设计情况下允许达到的最高洪水位,也是挡水建筑物稳定计算的主要依据。

3 防洪髙水位。指水库遇下游保护对象的设计洪水时,在坝前达到的最高水位。

只有水库承担下游防洪任务时,才需确定这一水位。

  1. 防洪限制水位(汛前限制水位)。指水库在汛期允许兴利的上限水位,也是水 库汛期防洪运用时的起调水位。
  2. 正常蓄水位(正常高水位、设计蓄水位、兴利水位)。指水库在正常运用的情 况下,为满足设计的兴利要求在供水期开始时应蓄到的最高水位。它决定水库的规模、 效益和调节方式,在很大程度上决定水工建筑物的尺寸、形式和水库的淹没损失,是水 库最重要的一项特征参数,也是挡水建筑物稳定计算的主要依据。
  3. 死水位(设计低水位)。指水库在正常运用的情况下,允许消落到的最低水位。 水库正常蓄水位与死水位之间的变幅称为水库消落深度。
  4. 水库特征库容
  5. 静库容。指坝前某一特征水位水平面以下的水库容积。
  6. 总库容。指最高洪水位以下的水库静库容。它是一项表示水库工程规模的代 表性指标,可作为划分水库工程等别及建筑物级别,确定工程安全标准的重要依据。
  7. 防洪库容。指防洪高水位至防洪限制水位之间的水库容积。用以控制J洪水满 足水库下游防护对象的防护要求。
  8. 调洪库容。指校核洪水位至防洪限制水位之间的水库容积。用于保证下游防 洪安全(指其中的防洪库容部分)及对校核洪水调洪削峰,保证大坝安全。
  9. 兴利库容(有效库容、调节库容)。指正常蓄水位至死水位之间的水库容积。 用以调节径流,按兴利要求提供水库的供水量或水电站的流量。
  10. 重叠库容(共用库容、结合库容)。指防洪库容与兴利库容重叠部分的库容, 是正常蓄水位至防洪限制水位之间汛期用于蓄洪、非汛期用于兴利的水库容积。
  11. 死库容(垫底库容)。指死水位以下的水库容积。一般用于容纳水库淤沙,抬 高坝前水位和库区水深。在正常运用中不调节径流,也不放空。

水库特征水位和相应库容关系如图1.2-1所示。

2026一建《水利》电子教材(可搜索)2026一建《水利》电子教材(可搜索)2026一建《水利》电子教材(可搜索)

▽死水位

防洪高水位

正常蓄水位-

v校核洪水位

▽设计洪水位

V消落深度

引水口

天然河道枯水位线

防洪限制水位

闸门/

溢流堰顶

•換被,烟-

图1.2-1水库特征水位和相应库谷示Η

1.2.2水利水电工程合理使用年限及耐久性

《中华人民共和国建筑法》《建设工程质量管理条例》《建设工程勘察设计管理条例》

以及建设部《关于设计单位执行有关建设工程合理使用年限问题的通知》等文件中都规 定在设计文件中应注明工程或建筑物的合理使用年限。2014年水利部发布《水利水 电工程合理使用年限及耐久性设计规范》SL 654—2014,要求水利水电工程各设计阶段 的设计文件中应注明工程及其水工建筑物的合理使用年限。

水利水电工程及其水工建筑物合理使用年限是指,水利水电工程及其水工建筑物 建成投人运行后,在正常运行使用和规定的维修条件下,能按设计功能安全使用的最低 要求年限。

建筑物耐久性是指,在设计确定的环境作用和规定的维修、使用条件下,建筑物 在合理使用年限内保持其适用性和安全性的能力。

水利水电工程施工、运行管理应满足工程耐久性设计要求。

当水利水电工程及其水工建筑物达到合理使用年限后,如需继续使用,应进行全 面安全鉴定,必要时应采取补强加固措施,重新确定继续使用年限。

  1. 工程合理使用年限

水利水电工程合理使用年限应根据工程类别和等别按表1.2-13确定。对综合利 用的水利水电工程,当按各综合利用项目确定的合理使用年限不同时,其合理使用年限 应按其中最高的年限确定。

表1.2-13水利水电工程合理使用年限单位

工程等别 工程类别
水库 防洪 治涝 灌溉 供水 发电
I 150 100 50 50 100 100
Π 100 50 50 50 100 100
m 50 50 50 50 50 50
IV 50 30 30 30 30 30
V 50 30 30 30 30

注:工程类别中水库、防洪、治涝、灌溉、供水、发电分别表示按水库库容,保护目标重要性和保护农田

面积、治涝面积、灌溉面积、供水对象重要性、发电装机容来确定工程等别。

水利水电工程各类永久性水工建筑物的合理使用年限,应根据其所在工程的建筑 物类别和级别按表1.2-14的规定确定且不应超过工程的合理使用年限。当永久性水 工建筑物级别提高或降低时,其合理使用年限应不变。

表1.2-14水利水电工程各类永久性水工建筑物的合理使用年限单位

建筑物类别 建筑物级别
1 2 3 4 5
水库壅水建筑物 150 100 50 50 50
水库泄洪建筑物 150 100 50 50 50
调(输)水建筑物 100 100 50 30 30
发电建筑物 100 100 50 30 30
防洪(潮)、供水水闸 100 100 50 30 30

续表

建筑物类别 建筑物级别
1 2 3 4 5
供水泵站 100 100 50 30 30
堤防 100 50 50 30 20
灌排建筑物 50 50 50 30 30
灌溉渠道 50 50 50 30 20

1级、2级永久性水工建筑物中闸门的合理使用年限应为50年其他级织」的永久性 水工建筑物中闸门的合理使用年限应为30年。

  1. 耐久性设计要求

水利水电工程及其水工建筑物耐久性设计应包括下列内容:①明确工程及其水工 建筑物的合理使用年限;②确定建筑物所处的环境条件;③提出有利于咸轻环境影 响的结构构造措施及材料的耐久性要求;④明确钢筋的混凝土保护层厚度、混凝土裂 缝控制等要求;⑤提出结构的防冰冻、防腐烛等措施;⑥提出解决水库泥沙淤积的措 施;⑦提出耐久性所需的施工技术要求和施工质量验收要求;⑧提出正常运用原则和 管理过程中需要进行正常维修、检测的要求。

1 )水工建筑物所处的侵蚀环境条件

水工建筑物所处的侵蚀环境条件可按表1.2-15分为五个类别。

表1.2-15水工建筑物所处的侵蚀环境类别

环境类别 环境条件
室内正常环境
室内潮湿环境;露天环境;长期处于水下或地下的环境
淡水水位变化区;有轻度化学侵蚀性地下水的地下环境;海水水下区
海上大气区;轻度盐雾作用区;海水水位变化区;中度化学侵蚀性环境
使用除冰盐的环境;海水浪溅区;重度盐雾作用区;严重化学侵蚀性环境

1.海上大气区与浪溅区的分界线为设计最高水位加1.5m;浪溅区与水位变化区的分界线为设计最高水 位减1.0m;水位变化区与水下区的分界线为设计最低水位减1.0m;重度盐雾作用区为高涨潮岸线 50m内的陆上室外环境轻度盐雾作用区为离涨潮岸线50〜500m内的陆上室外环境。

  1. 冻融比较严重的二类、三类、四类环境条件下的建筑物,可将其环境类别分别提高为三类、四类、 五类。

2)混凝土保护层厚度的要求

保证水利水电工程结构耐久性的必要构造要求应包括下列措施:

  1. 隔绝或减轻环境因素对混凝土、钢结构、水工金属结构、土石结构等的作用。
  2. 控制混凝土结构、土石结构的裂缝和结构构造缝、间隙。
  3. 为钢筋提供足够厚度的混凝土保护层,为钢结构、水工金属结构提供足够厚 度的防腐层和合适的防腐烛措施。

混凝土结构在不同环境条件下钢筋主筋、箍筋和分布筋的混凝土保护厚度应满足钢筋防锈、耐火以及与混凝土之间粘结力传递的要求,且混凝土保护层厚度设计值不应 小于钢筋的公称直径同时也不应小于粗集料最大粒径的1.25倍钢筋的混凝土保护 层厚度是指,从混凝土表面到钢筋(包括纵向钢筋、箍筋和分布钢筋)公称直径外边缘 之间的最小距离;对后张法预应力筋,为套管或孔道外边缘到混凝土表面的距离。

合理使用年限为50年的水工结构钢筋的混凝土保护层厚度不应小于表1-2-16所 列值。合理使用年限为20年、30年时其保护层厚度应比表1.2-16所列值适当降低 合理使用年限为100年时其保护层厚度应比表1.2-16所列值适当增加合理使用年 限为150年时其保护层厚度应专门研究确定。

表1.2-16混凝土保护层最小厚度(单位mm)

2026一建《水利》电子教材(可搜索)

  1. 有抗冲耐磨要求的结构面层钢筋,保护层厚度应适当增大。
  2. 混凝土强度等级不低于C30且浇筑质量有保证的预制构件或薄板保护层厚度可按表中数值减小 5 mm ο
  3. 钢筋表面涂塑或结构外表面敷设永久性涂料或面层时,保护层厚度可适当减小。
  4. 严寒和寒冷地区受冰冻的部位,保护层厚度还应符合《水工建筑物抗冰冻设计标准》(2024年版) GB/T 50662—2011 的规定。
  5. 混凝土抗冻等级的要求

合理使用年限为50年的水工建筑物结构和构件的混凝土抗冻等级应根据气候分区、 冻融循环次数、表面局部小气候条件、水分饱和程度、结构构件重要性和检修条件等按 表1.2-17选定。在不利因素较多时其抗冻等级可提高一级。当合理使用年限大于或 小于50年时应根据水工结构的环境条件、混凝土强度等级、混凝土保护层厚度等因 素综合确定混凝土抗冻等级。

表1.2-17混凝土抗冻等级

项次 气候分区 严寒 寒冷 温和
年冻融循环次数(次) 彡100 <100 彡100 <100
1 结构重要、受冻严重且难于检修的部位:

1. 水电站尾水部位、闸门槽二期混凝土、轨道基础;
2. 坝厚小于混凝土最大冻深2倍的薄拱坝、不封闭支墩坝的 外露面、面板堆石坝水位变化区及其以上部位的面板和趾座;
3. 冬季通航或受电站尾水位影晌的不通航船闸的水位变化区 的构件、二期混凝土;
4. 流速大于25m/s、过冰、多沙或多推移质的溢流坝、深 孔或其他输水部位的过水面及二期混凝土;
5. 冬季有水的露天钢筋混凝土压力水管、渡槽、薄壁充水闸 门井
F400 F300 F300 F200 F100

续表

项次 气候分区 严寒 寒冷 温和
年冻融循环次数(次) 彡100 <100 彡100 <ΊΟΟ
2 受冻严重但有检修条件的部位:

1. 混凝土坝上游面冬季水位变化区;
2. 水电站或船闸的尾水渠,引航道的挡墙、护坡;
3. 流速小于25m/s的溢洪道、输水洞(孔)、引水系统的 过水面;
4. 易积雪、结霜或饱和的路面、平台栏杆、挑檐、墙、板、 梁、柱、墩、廊道或竖井的单薄墙壁
F300 F250 F200 F150 F50
3 受冻较重部位:

1. 混凝土坝外露的阴面部位;
2. 冬季有水或易长期积雪结冰的渠系建筑物
F250 F200 F150 F150 F50
4 受冻较轻部位:

1. 混凝土坝外露的阳面部位;
2. 冬季无水干燥的渠系建筑物;
3. 水下薄壁构件;
4. 水下流速大于25m/s的过水面
F200 F150 F100 F1O0 F50
5 表面不结冰和水下、土中、大体积内部的混凝土 F50

1.年冻融循环次数分别按一年内气温从+3Ϊ以上降至-3Ϊ以下然后回升到+ 3Ϊ以上的交替次数和 一年中日平均气温低于-3Ϊ期间设计预定水位的涨落次数统计并取其中的大值。

  1. 气候分区划分标准如下:

严寒地区一累年最冷月平均气温低于-10Ϊ的地区

寒冷地区——累年最冷月平均气温高于或等于-10Ϊ、低于或等于-3Ϊ的地区

温和地区一累年最冷月平均气温高于-3Χ的地区。

  1. 冬季水位变化区指运行期内可能遇到的冬季最低水位以下0.5~lm至冬季最高水位以上lm (阳面)、 2m (阴面)、4m (水电站尾水区)的区域。
  2. 阳面指冬季大多为晴天平均每天有4h阳光照射不受山体或建筑物遮挡的表面。当不满足条件时 均为阴面。
  3. 累年最冷月平均气温低于-25Ϊ地区的混凝土抗冻等级根据具体情况研究确定。
  4. 有关材料要求

水利水电工程建筑物材料应根据其所处的环境条件和合理使用年限确定。在满足 稳定、强度、变形、渗流等要求外,还应符合耐久性要求。

对于合理使用年限为50年的水工结构配筋混凝土耐久性的基本要求宜符合 表1-2—18的要求:。

表1.2-18配筋混凝土耐久性基本要求

环境类别 混凝土最低 强度等级 最小水泥用量 (kg/m3) 最大水胶比 最大氯离子含量 (%) 最大碱含量 (kg/m3)
C20 220 0.6 1 不限制
C25 260 0.55 0.3 3
C25 300 0.5 0.2 3

续表

环境类别 混凝土最低 强度等级 最小水泥用量 (kg/m3) 最大水胶比 最大氯离子含量 (%) 最大碱含量 (kg/m3)
C30 340 0.45 0.1 2.5
C35 360 0.4 0.06 2.5

1.配置钢丝、钢绞丝的预应力混凝土构件的混凝土最低强度等级不宜小于C40;最小水泥用量不宜少于

300kg/ m3o

  1. 当混凝土中加人优质活性掺合料或能提高耐久性的外加剂时,可适当减少最小水泥用量。
  2. 桥梁上部结构及处于露天环境的梁、柱构件混凝土强度等级不宜低于C25。
  3. 预应力混凝土构件中的氯离子含量不宜大于0.06%。
  4. 水工混凝土上结构的水下部分,不宜采用碱活性集料。
  5. 有抗冻要求的结构构件,混凝土的最大水胶比应按《水工建筑物抗冰冻设计标准》(2024年版)GB/T 50662—2011的规定执行。
  6. 炎热地区的海水水位变化区和浪溅区,混凝土的各项耐久性基本要求宜按表中的规定适当加严。

对于合理使用年限为100年的水工结构混凝土耐久性基本要求除应满足表1.2-18 的规定外,尚应符合下列要求:

(1 )混凝土强度等级宜按表1.2-18的规定提高一级并复核抗冻等级要求。

  1. 混凝土中的氯离子含量不应大于0.06%。
  2. 未经论证,混凝土不应采用碱活性集料。
  3. 在使用过程中,应定期维护。

合理使用年限为20年、30年的水工结构混凝土强度等级宜与合理使用年限为 50年的水工结构一致。合理使用年限为150年的水工结构混凝土强度等级应作专门 论证。

混凝土坝、碾压混凝土坝等大体积混凝土材料应满足下列要求:

  1. 应采用合适的混凝土原材料,提高混凝土的密实性,改善混凝土性能。应优 先选用中热硅酸盐水泥或发热量较低的硅酸盐水泥。
  2. 混凝土水胶比根据混凝土分区或部位宜按表1.2-19确定。碾压混凝土的水胶 比应小于0.70。

表1.2-19大坝混凝土水胶比

气候分区 大坝混凝土分区或部位
水上 水位变化区 水下 基础 抗冲
严寒和寒冷区 0.55 0.45 0.50 0.50 0.45
温和区 0.60 0.50 0.55 0.55 0.45
  1. 基础混凝土强度等级不应低于C15,过流表面混凝土强度等级不应低于C30。 碾压混凝土坝表层混凝土强度等级不应低于C18015,上游面防渗层混凝土强度等级不应 低于C18020且宜优先采用二级配碾压混凝土。

对可能发生碱集料反应的混凝土,宜采用掺加活性掺合料作为抑制措施。掺合料 的种类、掺量应通过抑制试验确定,宜采用大掺量矿物掺合料。单掺磨细矿渣粉的掺量 不宜少于50%,单掺粉煤灰掺量不宜少于20%,并应降低水泥和矿物掺合料中的碱含量和粉煤灰中的游离氧化钙含量。

1.2.3水工建筑物结构受力状况及主要设计方法

  1. 水工建筑物的分类

水工建筑物可按使用期限和功能进行分类。按使用期限可分为永久性水工建筑物 和临时性水工建筑物。按功能分为以下类型:

  1. 挡水建筑物:是用来拦截江河,形成水库或壅高水位的建筑物,如各种坝和 水闸以及堤防、海塘等。
  2. 泄水建筑物:是用于宣泄洪水、排放泥沙和冰凌,以及为了人防、检修而放空 水库、渠道等的建筑物,如各种溢流坝、坝身泄水孔、岸边溢洪道、水闸和泄水隧洞等。
  3. 输水建筑物:是为了发电、灌溉和供水的需要,从上游向下游输水用的建筑 物,如引水隧洞、引水涵管、渠道等。
  4. 取(进)水建筑物:是输水建筑物的首部建筑物,如引水隧洞的进水口段、灌 溉渠首和供水用的进水闸、抽水站等。
  5. 渠系建筑物:如渠道上的节制闸、分水闸、渡槽、倒虹吸、沉沙池、冲沙闸、 跌水、陡坡等。
  6. 河道整治建筑物:是用以改善河流的水流条件,调整河流水流对河床及河岸 的作用以及为防护水库、湖泊中的波浪和水流对岸坡冲刷的建筑物,如丁坝、]顺坝、导 流堤、护底和护岸等。
  7. 专门建筑物:用于发电、通航、过木、过鱼等单一目的的建筑物,如水电站、 船闸、升船机、鱼道、鱼闸、过木道(机)、筏道等。

有些水工建筑物的作用并不是单一的。例如溢流坝既起挡水作用,又起泄水作用; 水闸既可挡水,又能泄水,还可作为灌溉渠首或供水工程的取水建筑物等。

一项水利工程往往有几个不同作用的水工建筑物相互配合,协同运行,形成水工 建筑物综合体,称之为水利工程枢纽,它分为蓄水枢纽、取水枢纽(又称为引水枢纽、 渠首工程)和提水枢纽等。

永久性水工建筑物是指工程运行期间长期使用的水工建筑物。根据其重要性又分 为主要建筑物和次要建筑物。

  1. 主要建筑物:是指失事后造成下游灾害或严重影响工程效益的水工建筑物。例 如坝、泄水建筑物、输水建筑物及电站厂房等。
  2. 次要建筑物:是指失事后不致造成下游灾害,或工程效益影响不大,易于恢 复的水工建筑物。例如失事后不影响主要建筑物和设备运行的挡土墙、导流墙、工作桥 及护岸等。

临时性水工建筑物是指工程施工期间使用的建筑物,如围堰、导流隧洞、导流明 渠等。

  1. 水工建筑物结构荷载

根据《水工建筑物荷载设计规范》SL 744—2016,按荷载随时间的变异,水工建筑 物结构上的荷载分为永久荷载、可变荷载、偶然荷载。

  1. 在合理使用年限内其量值不随时间而变化,或其变化值与平均值比较可忽略

不计的荷载称永久荷载。永久荷载主要有建筑物结构自重、永久设备自重、地应力、围 岩压力、土压力、预应力锚固荷载、淤沙压力(有排沙设施时可列为偶然荷载)。

  1. 在合理使用年限内其量值随时间变化,且其变化值与平均值比较不可忽略不 计的荷载称可变荷载。可变荷载主要有静水压力、外水压力、扬压力、动水压力、风荷 载、雪荷载、冰压力、冻胀力、浪压力、楼面活荷载、平台活荷载、桥机荷载、闸门启 闭机荷载、温度作用、灌浆荷载、土壤孔隙水压力、系缆力、撞击力等。
  2. 在合理使用年限内出现的概率很小,一旦出现,其值很大且持续时间很短的 荷载称偶然荷载。偶然荷载主要有校核洪水时的静水压力、地震作用等。

水工建筑物设计时,首先要计算建筑物上所承受的荷载,然后再进行荷载组合, 以及进行抗滑稳定分析、应力分析、渗流计算、沉降计算、应力应变计算和抗震设 计等。

  1. 水工建筑物的基本设计方法
  2. 理论分析。针对水工建筑物的结构体系和水流状况,建立物理、力学模型,再 运用材料力学、结构力学、水力学、弹性力学、流体力学、有限元求解。
  3. 试验研究。针对边界和工作条件复杂的枢纽、建筑物整体或局部,进行水工 模型或结构模型试验,分析水工建筑物工作过程和破坏机理,了解其实际工作形态,解 决理论分析解决不了的问题。
  4. 原型观测。通过埋设在水工建筑物内的观测仪器,对建筑物的变位、变形、应 力、应变、渗流等进行观测分析,检验理论分析和模型试验成果是否正确。
  5. 工程类比。参照与本工程运行条件相似且正常运行的已建工程,选定建筑物 的基本尺寸和参数。
  6. 水工建筑物结构设计的基本方法

水工建筑物结构上各种荷载(作用)使结构产生的位移、变形、内力、应力等统称 为荷载效应(作用效应),而结构本身的承载能力称为结构抗力。结构设计的任务就是 将所设计结构受荷载产生的效应与该结构相应抗力作对比,看后者能否安全而又经济地 承担前者。目前在水工建筑物结构设计中,主要采用以下两种设计方法:单一安全系数 法、分项系数极限状态设计法。

1 )单一安全系数法

安全系数是考虑设计中有关因素的微小变动,为保证水工建筑物、结构或构件的 安全引人的大于1.0的系数,它是水工建筑物、结构或构件的抗破坏强度与设计荷载 效应组合的比值,是建筑物、结构或构件的安全储备的指标。

单一安全系数法要求5 R/K,其中尺为安全系数7?为结构抗力的取用值,S 作用效应的取用值。设计的结构经过验算如果AAS大于或等于规范给定的安全系数 **K,**即认为结构符合安全要求。规范给出的安全系数目标值(表1.2-20)是工程界根据 经验制定的,主要考虑了:

(1 )结构的安全级别;

(2)工作状况及作用效应组合;

(3 )结构和地基的受力特点及计算所使用的方程。

与此同时,还应配合材料抗力试验方法及取值规则、作用值的勘测试验方法及取值规则等有关标准。这些规定必须配套使用,才能满足安全控制要求。

表1.2-20混凝土结构构件的承载力安全系数

水工建筑物级别 1 2、 3 4、 5
荷载效应组合 基本组合 偶然组合 基本组合 偶然组合 基本组合 偶然组合
钢筋混凝土、预应力混凝土 1.35 1.15 1.20 1.00 1.15 1.00
素混 按受压承载力计算的受压构件、局部承压 1.45 1.25 1.30 1.10 1.25 1.05
凝土 按受拉承载力计算的受压、受弯构件 2.20 1.90 2.00 1.70 1.90 1.60

摘自《水工混凝土结构设计规范》SL 191—2008ο

单一安全系数法把作用荷载、结构尺寸、材料性能和强度等作为确定性量值计人, 最后用一个概略的系数尺来包容解决各不确定因素可能引起的安全问题。因Jit,加大 结构的安全系数,并不一定能按比例地增加结构的安全度。

按单一安全系数进行结构设计,在不同的材料、结构、荷载情况下,其取值不同, 不能清楚地反映结构的可靠性,只能在一定条件下起到度量可靠性的作用。

2分项系数极限状态设计法

《水利水电工程结构可靠性设计统一标准》GB 50199-2013,采用概率极β艮状态设 计原则,以分项系数极限状态为设计方法。分项系数极限状态设计方法,引人可靠性设 计理论,采用概率极限状态设计原则为基础,综合分项影响结构可靠性的各种因素的变 异性和不定性,推出一整套分项系数,作为在设计中衡量结构可靠性的尺子,比单一 的安全系数更接近工程实际。分项系数极限状态设计法,是以代表值和分项系数反映 极限状态方程中各基本变量的不定性和变异性,并与目标可靠指标相联系的结构设计 方法。

结构可靠性是结构在规定的时间内、规定的条件下具有预定功能的概率。结构的 极限状态是指结构或结构的一部分超过某一特定状态就不能满足设计规定的某一功能要 求此特定状态称为该功能的极限状态。水工混凝土结构的极限状态分为承载育g力极限 状态(对应于结构达到最大承载力或不适于继续承载的变形的状态)和正常使用极限状 态(对应于结构达到正常使用或耐久性能的某项规定限值的状态)两类。

  1. 典型水工建筑物结构受力分析

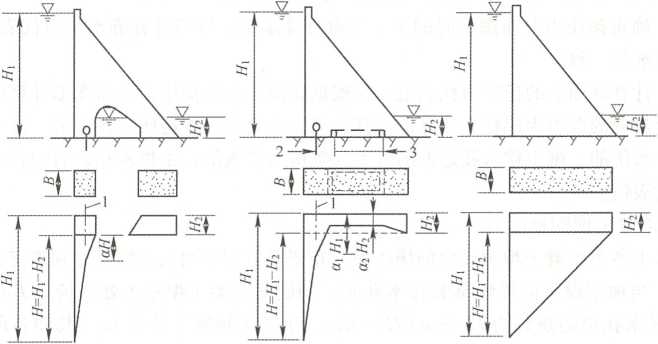
1 )重力坝

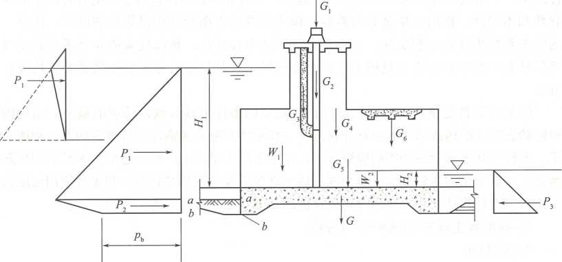
重力坝因主要依靠自重维持稳定而得名。所受主要荷载的方向和分布如图1.2-2 所示。

2 水闸

水闸是一种能调节水位、控制流量的低水头水工建筑物具有挡水和泄弓I水的 双重功能。所受主要荷载的方向和分布如图1.2-3所示。

3 水工挡土墙

水工挡土墙是水利水电工程中的承受土压力、防止土体坍塌的挡土建筑物。水工 挡土墙按断面结构形式,可分为重力式、半重力式、衡重式、悬臂式、扶壁式、空箱 式、板桩式、锚杆式和加筋式。悬臂式挡土墙所受主要荷载的方向和分布如图1.2-4 所示。

冰压力

2026一建《水利》电子教材(可搜索)2026一建《水利》电子教材(可搜索)2026一建《水利》电子教材(可搜索)2026一建《水利》电子教材(可搜索)

图1.2-3胸墙式闸室受力示意阁

P,、尸2、P,—水压力P,—波浪压力G—底板重**G「启**闭机:E; G—I.^·桥JR; G,—胸墙重; g4—闸墩重σ—iM门重作桥重tv,,尸厂浮托力ps—渗透汛力

**ps-b点渗透压力强度;pn-b点浮托力强度;p-b**点扬压力强度;

W,、W2_上、下游水位α—止水位6—闸底板上游齿墙极低点

?

2026一建《水利》电子教材(可搜索)2026一建《水利》电子教材(可搜索)

图1.2-4悬臂式挡土墙受力示意图

Λ、Λ-静水压力前趾上水重G—挡土墙重后踵上土重 一墙后主动土压力一墙顶水平面以上的荷载PF—浮托力Λ—渗透压力

  1. 水工建筑物抗滑稳定分析

在各种荷载组合情况下,水工建筑物都应保持其稳定。稳定分析是水工建筑物设 计的一项重要内容。目前水工建筑物的稳定分析采用整体宏观的半经验法。

重力坝失稳一般发生在坝底与基岩的接触面,因为此处受库水压力最大,坝底混 凝土与岩基不易完全接触好,或者混凝土凝固收缩和温度收缩时,接触面产生局部的微 小裂缝。在设计中,通常校核重力坝沿坝基面的抗滑稳定;如果岩基内有软弱夹层,则 要核算沿软弱夹层的抗滑稳定;对处于岸坡的坝段,当地形、地质条件不利于坝的稳定 时,也要对在三向荷载作用下的稳定问题进行研究。重力坝抗滑稳定计算受力简图如 图1.2-5所示。抗滑力与滑动力的比值反映了坝体稳定程度称为抗滑稳定安全系数 其公式见式(1.2-1): 式中**K**——抗滑稳定安全系数;

2026一建《水利》电子教材(可搜索)

图1.2-5重力坝抗滑稳定计算受力简图

ΣΡ—水压力;**YW—**自重π—扬压力Σ5—摩擦力

/( YW-U)

ΣΡ

(1.2-1 )

f—接触面间的摩擦系数。

水闸闸室抗滑稳定计算受力简图如图1.2-6所示。

2026一建《水利》电子教材(可搜索)

2026一建《水利》电子教材(可搜索)

图1.2-6水闸闸室抗滑稳定计算受力简图

Ρ—水压力;G、W—自重及水重;Gu—扬压力;PL—浪压力

  1. 水工建筑物应力分析

强度和稳定性是表示建筑物安全的两个重要方面。强度问题的研究,通常包括对 内力、应力、变形、位移和裂缝的研究。当应力不超过材料的强度,变形和位移不超过 建筑物正常工作状态的允许值,以及在混凝土内不出现裂缝或限制裂缝在允许范围以内 时,就认为建筑物处于正常运行状态。因此,应力分析是校核强度和稳定的前提。

重力坝应力分析的方法可归纳为理论分析法和模型试验两大类。理论分析法常用 的有材料力学法和有限元法。材料力学法分析重力坝坝体应力时,将坝体视为固结于地 基上的悬臂梁,各坝段独立工作,按平面问题考虑。拱坝应力分析的方法有理论分析 法、结构模型试验和原型观测三类。理论分析法主要有纯拱法、拱梁分载法、有限元法 和壳体理论法。目前常用的模型试验方法有偏光弹性试验、激光全息试验和脆性材料试 验。设计的坝体断面需满足规定的应力条件。在基本荷载组合下,重力坝坝基面的最大 垂直压应力应小于坝基容许压应力,最小垂直压应力应大于零;在地震情况下,坝基允 许出现不大的拉应力。对于坝体应力,在基本荷载组合下,下游面最大主压应力不应大 于混凝土允许压应力;上游面的最小主压应力应大于零。施工期,下游坝体和坝趾处坝 基允许存在一定的拉应力。

  1. 水工建筑物渗流分析

导致大坝灾难性破坏的原因及基本模式有五种:

(1 )溢洪道的泄洪能力不足,洪水漫过原来按不过水坝设计的坝顶溢流而下;

  1. 坝体连同部分地基沿软弱面发生滑移破坏;
  2. 坝体因扬压力过大而沿坝基面滑动;

4 坝体或坝基因管涌或流土而破坏;

5 坝的上、下边坡发生滑移破坏。

渗流在后四种模式中起着重要的作用。此外,水库水的过量渗漏、水库岸坡的稳 定性、水库诱发地震等,也都与渗流的作用密切相关。

根据大坝的结构特点和设计要求,进行三个方面的计算就可达到选取恰当的防渗 措施和校验建筑物在渗流作用下是否安全的目的。渗流分析计算三个方面是:确定渗透 压力;确定渗透坡降(或流速);确定渗流量。

对土石坝,还应确定浸润线的位置。

  1. 水工建筑物沉降计算

土石坝设计时要确定坝体和坝基在自重作用下的沉降量与时间的关系及完工后的 总沉降量。据此计算竣工后为抵消沉降而预留的坝顶超填,预测不均匀沉降量,判断坝 体产生裂缝的可能性和预防措施。常用分层总和法计算,即把坝体坝基分为若干层,根 据坝体和坝基土的压缩曲线计算时刻ί各层中心所受的竖向总应力、孔隙压力、有效应 力及相应沉降量;将各层沉降量叠加,得到时刻ί及完工后坝体和坝基的沉降量。

  1. 水工建筑物抗震设计

强烈的地震往往造成极大的破坏,水库的修建往往可以诱发地震。水库诱发地震 主要是指由于水库蓄水后,库水渗透到岩石中,使岩体孔隙水压力增大,导致断层面的 有效应力减小、抗剪强度降低,以致产生滑动。通过抗震计算使水工建筑物満足稳定要 求和强度要求。

地震震级是表示地震时释放能量大小的尺度。地震烈度是指某一地区地面和各类 建筑物遭受一次地震影响的强弱程度。一次地震只有一个震级,然而随震中距离的远 近,却可以有不同的烈度。

地震作用是大坝遭受地震时所承受的作用,包括地震惯性力、水平向地震动水压 力和地震动土压力等,其大小与建筑物所在地区的地震烈度有关。地震作用计算方法有 动力法和拟静力法两种。

抗震设计时常用到基本烈度和设计烈度。基本烈度是指建筑物所在地区在今后一 定时期内可能遭遇的最大地震烈度。作为抗震设计中实际采用的烈度,称为设计烈度。 对于重要建筑物其设计烈度可在基本烈度的基础上提高1度。

1.2.4水利水电工程建筑材料的应用

  1. 建筑材料的类型

建筑材料是指建造各种工程时所应用的材料及其制品,是一切建筑工程的物质基 础。建筑材料一般按材料的物理化学性质、来源和功能用途进行分类。

1建筑材料按其物理化学性质分类

建筑材料按其物理化学性质可分为无机材料(无机非金属材料、金属材料)、有机 材料、复合材料三大类。

1无机材料

无机非金属材料,又常称为矿物质材料,包括无机胶凝材料、天然石料、烧土与 熔融制品。

  1. 无机胶凝材料:是自身或与其他物质混合后一起经过一系列物理、化学作用, 由浆体变成坚硬的固体,并能将散粒或块片状材料胶结成整体的物质。按硬化条件不 同,分为气硬性和水硬性两类。

气硬性胶凝材料:只能在空气中硬化,并保持或继续提高其强度,属于这类材料 的有石灰、石膏与水玻璃等。只能用于地面上干燥环境的建筑物。

水硬性胶凝材料:不仅能在空气中而且能更好地在水中硬化,保持并继续提高其 强度,属于这类材料的有水泥等。既可用于地上也可用于地下或水中的建筑物。

  1. 天然石料:按形成条件不同分为岩浆岩(火成岩)、沉积岩(水成岩)、变质岩 三大类;按颗粒大小分为土料、砂、石三类;按其开采加工程度的不同分为毛石、块 石、粗料石、建筑板材等。
  2. 烧土与熔融制品:如烧结砖、陶瓷、玻璃等。

金属材料,包括黑色金属材料和有色金属材料两类。

  1. 黑色金属材料:是指以铁元素为主要成分的金属及其合金材料,是钢和生铁的 总称。
  2. 有色金属材料:是指黑色金属材料以外的金属及其合金材料。在水工建筑中常 用的有色金属是铜、铜的合金及铝的合金。紫铜片是水工建筑中常用的止水材料。

(2 )有机材料

有机材料包括沥青材料、植物材料和合成高分子材料三类。

(3 )复合材料

复合材料是由两种或两种以上不同性质的材料,通过物理或化学的方法,在宏观 上组成具有新性能的材料。按其组成分为金属与金属复合材料、非金属与金属复合材 料、非金属与非金属复合材料、非金属与有机材料复合材料、金属与有机材料复合材 料;按其结构特点分为纤维复合材料、夹层复合材料、细粒复合材料、混杂复合材料。

  1. 建筑材料按材料来源分类

建筑材料按材料来源可分为天然建筑材料和人工材料两类。

  1. 天然建筑材料,如常用的土料、砂石料、石棉、木材等及其简单采制加工的 成品(如建筑石材等)。
  2. 人工材料,如石灰、水泥、沥青、金属材料、土工合成材料、髙分子聚合 物等。
  3. 建筑材料按其功能用途分类

建筑材料按其功能用途分类为结构材料、防水材料、胶凝材料、装饰材料、防护 材料、隔热保温材料等。

(1 )结构材料,如混凝土、型钢、木材等。

  1. 防水材料,如防水砂浆、防水混凝土、镀锌薄钢板、紫铜止水片、膨胀水泥 防水混凝土、遇水膨胀橡胶嵌缝条等。
  2. 胶凝材料,如石膏、石灰、水玻璃、水泥、混凝土等。
  3. 装饰材料,如天然石材、建筑陶瓷制品、装饰玻璃制品、装饰砂浆、装饰水 泥、塑料制品等。
  4. 防护材料,如钢材覆面、码头护木等。

6隔热保温材料如石棉纸、石棉板、矿渣棉、泡沫混凝土、泡沫玻璃、纤维 板等。

  1. 建筑材料的应用条件

1 筑坝用土石料

主要包括土坝(体)壳用土石料、防渗体用土石料、排水设施和砌石护坡用石料。

1土坝壳用土石料

常用于均质土坝的土料是砂质黏土和壤土,要求其应具有一定的抗渗,性和强度, 其渗透系数不宜大于1 X10-4cm/s黏料含量一般为10%〜30%;有机质含量(按重量 计不大于5%,易溶盐含量小于5%。

心墙坝和斜墙坝多用粒径级配较好的中砂、粗砂、砾石、卵石及其他透水性较高, 抗剪强度参数较大的混合料。

2 )防渗体用土石料

一般采用黏土、砂壤土、壤土、黏质土等材料。

3 )排水设施和砌石护坡用石料

可采用硬岩其饱和无侧限抗压强度不大于等于30MPa,岩石孔隙率不大于3%, 吸水率按孔隙体积比计算不大于0.8,重度应大于22kN/m3。也可采用碎石、卵石 不宜使用风化岩石。

2 土工合成材料

根据《土工合成材料应用技术规范》GB/T 50290—2014规定土工合成材料包括 土工织物、土工膜、土工复合材料、土工特殊材料四大类。土工合成材料在水利水电工 程中的应用包括:

1 防渗工程。土工合成材料用于防渗工程时,主要材料选取应符合下歹!J要求

  1. 一般情况下宜采用土工膜或复合土工膜;
  2. 承受较高拉力时,宜采用加筋复合土工膜;
  3. 地形复杂,土工膜焊接质量难以保证,要求隔渗层受损后易于自愈可采用 土工合成材料膨润土防渗垫;
  4. 道路工程可采用现场涂(喷)沥青的薄膜土工织物。

2 反滤、排水工程。工程中需要反滤功能时,可采用无纺土工织物,或兼顾其 他需要采用有纺土工织物;工程中需要排水功能时,可采用无纺土工织物(用其平面 排水);需要排水能力较大时,可采用复合排水材料和结构(排水沟、排水管、软式排 水管、缠绕式排水管或塑料排水带等)。

3 防护工程。需要利用工程措施实现防冲、防浪、防冻、防震、固眇、险情抢 护、防止盐渍化、防泥石流或需用轻质材料使结构减载等时,可选用相应的土工合成 材料。

4 加筋土工程。土工合成材料可用作加筋材改善土体强度,提高土工结构物稳 定性和地基承载力。用作加筋材的土工合成材料按不同结构需要可分为:土工格栅、土 工织物、土工带和土工格室等。

3 建筑石材

水工建筑物对石料的要求是有较好的耐水性、抗冻性、耐久性。

  1. 火成岩
  2. 花岗岩:具有较高的抗冻性,凿平、磨光性也较好。质地均匀、坚固,颜色美 观,是良好的建筑装饰材料。
  3. 闪长岩:吸水性低,韧性高,抗风化能力强,是良好的水工建筑材料。
  4. 辉长岩:具有很髙强度及抗风化性,是良好的水工建筑石料。
  5. 辉绿岩:硬度中等,磨光性较好,多用于桥墩、基础、路面等。
  6. 玄武岩:强度、耐久性高,脆性大不易成大块,主要用作筑路材料、堤岸的护 坡材料等。
  7. 水成岩
  8. 石灰岩:致密的石灰岩加工成板状,可用来砌墙、堤坝护坡,碎石可用来作混 凝土集料等。但由于它易溶于含有游离C02较多的水中因此当用于水工建筑物时 应考虑它的溶解性及抗冻性。
  9. 砂岩:多用于基础、衬面和人行道等,但黏土砂岩遇水软化,不能用于水中建 筑物。
  10. 变质岩
  11. 片麻岩:用途与花岗岩基本相同,但因呈片状而受到限制,可做成板材,用于 渠道和堤岸衬砌等。
  12. 大理岩:用于地面、墙面、柱面、栏杆及电气绝缘板等。
  13. 石英岩:均匀致密,耐久性很高,硬度大,开采加工很困难。
  14. 水泥
  15. 水泥的品种及主要性能

水泥是水硬性胶凝材料。水泥按其矿物成分组成可分为硅酸盐系列、铝酸盐系列、 硫铝酸盐系列、铁铝酸盐系列、氟铝酸盐系列等;按其用途和特性可分为通用水泥、专 用水泥和特性水泥。

通用水泥是指《通用硅酸盐水泥》GB 175-2023中规定的六种硅酸盐水泥包括 硅酸盐水泥、普通硅酸盐水泥、矿渣硅酸盐水泥、火山灰质硅酸盐水泥、粉煤灰硅酸盐 水泥和复合硅酸盐水泥;专用水泥是指有专门用途的水泥,如中、低热水泥,大坝水 泥,道路水泥等;特性水泥是指具有较为特殊性能的水泥,如快硬硅酸盐水泥、抗硫酸 盐水泥、膨胀水泥等。通用硅酸盐水泥密度一般为3100~3200kg/m3,初凝时间不得早 于45min,终凝时间不得迟于600mino

  1. 水泥的适用范围
  2. 水位变化区域的外部混凝土、溢流面受水流冲刷部位的混凝土,应优先选用硅 酸盐水泥、普通硅酸盐水泥、硅酸盐大坝水泥,避免采用火山灰质硅酸盐水泥。
  3. 有抗冻要求的混凝土,应优先选用硅酸盐水泥、普通硅酸盐水泥、硅酸盐大坝 水泥,并掺用引气剂或塑化剂,以提高混凝土的抗冻性。当环境水兼硫酸盐侵蚀时,应 优先选用抗硫酸盐硅酸盐水泥。
  4. 大体积建筑物内部的混凝土,应优先选用矿渣硅酸盐大坝水泥、矿渣硅酸盐水 泥、粉煤灰硅酸盐水泥、火山灰质硅酸盐水泥等,以适应低热性的要求。
  5. 位于水中和地下部位的混凝土,宜采用矿渣硅酸盐水泥、粉煤灰硅酸盐水泥、 火山灰质硅酸盐水泥等。

(3 )水泥检验的要求

水泥应有生产厂家的出厂质量证明书(包括厂名、品种、强度等级、出厂日期、抗 压强度、安定性等代表该产品质量的内容)以及28d强度证明书。

有下列情况之一者,应复试并按复试结果使用:

  1. 用于承重结构工程的水泥,无出厂证明者;
  2. 存储超过3个月(快硬水泥超过1个月)
  3. 对水泥的厂名、品种、强度等级、出厂日期、抗压强度、安定性不明或对质量 有怀疑者;
  4. 进口水泥。
  5. 水泥砂浆

新拌砂浆的和易性是指其是否便于施工并保证质量的综合性质。具体技术指标包 括流动性和保水性两个方面。

  1. 流动性

常用沉人度表示。沉人度即标准圆锥体在砂浆中沉人的深度。沉人度大的砂浆, 流动性好。

  1. 保水性

即保有水分的能力。保水性可用泌水率表示,即砂浆中泌出水分的质量占拌合水 总量的百分率。但工程上采用较多的是分层度这一指标。所谓分层度通常用上下层砂浆 沉人度的差值来表示。分层度大于2cm的砂浆易泌水不宜使用分层度接近于零的砂 浆虽保水性好但因胶凝材料用量太多容易发生干缩裂缝。故砂浆的分层度以1〜 2cm为宜。

  1. 水泥混凝土

反映水泥混凝土质量的主要技术指标有和易性、强度及耐久性。

  1. 水泥混凝土的和易性

和易性是指在一定施工条件下,便于施工操作并能获得质量均匀、密实的混凝土 性能。水泥混凝土拌合物的和易性包括流动性、黏聚性、保水性三个方面。影响和易性 的因素有水泥浆的用量、水泥浆的稠度、砂率、水泥的品种、水泥细度、外加剂的掺 人、时间和温度等。坍落度的大小反映了混凝土拌合物的流动性。

坍落度的测试方法是用一个上口为100mm、下口为200mm、高为300inm的喇叭 状的坍落度筒,灌人混凝土后捣实,然后拔起筒,混凝土因自重产生坍落现象。用筒高 (300mm )减去坍落后混凝土最高点的高度其差值称为坍落度如差值为10mm,则 班落度为10mm。

  1. 水泥混凝土的强度

水泥混凝土的强度有抗压、抗拉、抗弯及抗剪强度等,以抗压强度最大,结构中 主要是利用混凝土的抗压强度。

  1. 水泥混凝土的抗压强度

水泥混凝土抗压强度是把水泥混凝土拌合物做成边长为15cm的标准立方体试件 在标准养护条件(温度20ΐ±2ΐ,相对湿度95%以上)下养护到28d龄期(从搅拌加水开始计时),按照标准的测定方法测定的水泥混凝土立方体试件抗压强度(以 MPa计)。根据抗压强度的大小将水泥混凝土分为不同的强度等级如C10、C15、 C20、C25、C30、C40等。影响水泥混凝土强度的因素有施工方法及施工质量、水泥 强度及水胶比、集料种类及级配、养护条件及龄期等。

  1. 水泥混凝土的抗拉强度

水泥混凝土的抗拉强度一般约为相应抗压强度的10%。有抗裂要求的结构,除 需对水泥混凝土提出抗压强度要求外,还需对抗拉强度提出要求。抗拉强度的测定方法 有劈裂抗拉试验法及轴心抗拉试验法两种。

(3 )水泥混凝土的耐久性

水泥混凝土的耐久性包括抗渗性、抗冻性、抗冲磨性、抗侵蚀性、抗碳化性等。

  1. 抗渗性是指混凝土抵抗压力水渗透作用的能力。抗渗等级分为W2、W4、 W6、W8、W10、W12 等,即表示混凝土能抵抗 0.2MPa、0.4MPa、0.6MPa、0.8MPa、 l.OMPa, 1.2MPa的水压力而不渗水。影响混凝土抗渗性的因素有水胶比、集料最大粒 径、养护方法、水泥品种、外加剂、掺合料和龄期。
  2. 抗冻性是指混凝土在饱和状态下,经多次冻融循环作用而不严重降低强度(抗 压强度下降不超过25%,质量损失不超过5%)的性能。抗冻等级分为F50、F100、 F150、F200、F250及F300等。决定混凝土抗冻性的重要因素有混凝土的密实度、孔 隙构造和数量、孔隙的充水程度。
  3. 抗冲磨性是指混凝土抵抗高速含沙水流冲刷破坏的能力。
  4. 抗侵蚀性是指混凝土抵抗环境水侵烛的能力。
  5. 抗碳化性是指混凝土抵抗环境大气中二氧化碳碳化的能力。
  6. 水工建筑物不同部位混凝土的要求

水工建筑物的不同部位工作条件不同,对混凝土的技术指标要求也不同,不同部 位采用不同指标的混凝土,达到合理使用水泥的目的。混凝土重力坝各部位混凝土的采 用如图1.2-7所示。其中

I区上下游最高水位以上的表层主要有抗冻性要求。

Π区,上下游最高水位与最低水位之间的表层,除抗冻性要求外,还有强度、抗 渗性、抗侵烛性要求。

1Π区上下游最低水位以下的表层除对抗渗性、强度要求较高外对低热、抗 侵蚀性也有一定要求。

IV区靠近坝基部位对强度和低热要求较高。

V区坝体内部通常采用低热、低强度混凝土。

V有水流通过的部位对抗冲磨性、抗侵蚀性和抗冻性要求高。

  1. 混凝土的配合比

混凝土配合比是指混凝土中水泥、水、砂及石子材料用量之间的比例关系。常采 用的方法有:

  1. 单位用量表示法:以每立方米混凝土中各项材料的重量来表示。
  2. 相对用量表示法:以各项材料间的重量比来表示。

根据《水工混凝土试验规程》SL/T 352—2020,混凝土配合比设计应遵循:

  1. 应根据工程要求、结构型式、施工条件和原材料状况,以及强度、耐久性等要 求,确定各组成材料的用量。
  2. 在满足工作性要求的前提下,宜选用较小的用水量。
  3. 在满足强度、耐久性及其他要求的前提下,选用合适的水胶比(水胶比表示水 与胶凝材料用量之间的对比关系)。
  4. 宜选取最优砂率,即用水量、水泥用量一定时,在保证混凝土拌合物具有良好的 黏聚性并达到要求的工作性的情况下,使拌合物具有最大坍落度或最小直的砂率。
  5. 宜选用最大粒径较大的集料及合适的级配比例。

2026一建《水利》电子教材(可搜索)

(a) (b)

图1.2-7混凝土重力坝各部位混凝土分区示意图 (a)非溢流坝段;(b)溢流坝段

  1. 集料

集料必须坚硬、致密、耐久、无裂隙。

①混凝土的细集料粒径在0.16〜5mm的集料。按形成条件分为天然砂、人工砂; 按细度模数**F-Μ分为粗砂(Ρ·Μ=3.7〜3.1)、中砂(F-M=** 3.0-2.3),细砂(尸· Μ 2.21.6 ) 特细砂(F · Μ = 1.50.7 )。集料中杂质含量不超过《水工·混凝土施 工规范》DL/T 5144—2015的规定见表1.2-21。

表1.2-21细集料(砂)的质量技术要求

项目 指标 备注
天然砂中含泥量 ^3% 含泥量系指粒径小于0.08mm的细屑、淤泥和黏土的总量,不得含有 泥块
人工砂中石粉含量 6%〜18% 石粉系指小于0.16mm的颗粒
坚固性 ^8% 有抗冻要求的混凝土
彡10% 无抗冻要求的混凝土
云母含量 ^2%
表观密度(kg/m3) 彡 2500
轻物质含量 ^1% 表观密度小于2000kg/m3
硫化物及硫酸盐含量 ^1% 按质量折算成SO3
有机质含量 浅于标准色 如深于标准色,应配成砂浆,进行强度对比试验

②混凝土的粗集料粒径大于5mm的集料。普通混凝土常用卵石和碎石作粗集料。 水工混凝土所用的粗集料一般分为特大石(80〜150mm或80〜120mm)、大石(40〜 80mm)、中石(20〜40mm)、小石(5〜20mm )四级最大粒径分别表7K为£>15。( _D120 )、 Dg0. β4。、D2。。粗集料中杂质含量不得超过表1.2-22的规定。

表1.2-22粗集料的质量要求

项目 指标 备注
含泥量 Z?2。、粒径级<1%

Ζ?80、<^120 (或 ^150 )粒径级< 0.5%
坚固性 彡5%彡12% 有抗冻要求的混凝土,无抗冻要求的混凝土
硫化物及硫酸盐含量 ^0.5% 按质量折算成so3
有机质含量 浅于标准色 如深于标准色,应进行混凝土强度对比试验,抗 压强度比不应低于0.95
表观密度(kg/m3) ^2550
吸水率 <2.5%
针、片状颗粒含量 彡15% 碎石经试验论证可以放宽至25%

粗集料的最大粒径不应超过钢筋净间距的2/3、构件断面最小边长的1/4、素混 凝土板厚的1/2。对少筋或无筋混凝土结构应选用较大的粗集料粒径。

施工中,宜将粗集料按粒径分成下列几种粒径组合:

  1. 当最大粒径为40mm时分成/)20λ **D40**两级。
  2. 当最大粒径为80mm时分成·Ο20、jD40、Dm三级。
  3. 当最大粒径为150 ( 120 ) mm时分成£>2。、Β4。、肋、ΰ150 ( Ζ>120 )四级。
  4. 混凝土的外加剂

为了提高混凝土的性能、节约水泥、加快施工进度、降低工程造价,常在混凝土 内加人少量的外加剂。根据《混凝土外加剂应用技术规范》GB 50119—2013,外加剂 按其主要功能可分为四类:

  1. 改善混凝土和易性的外加剂,包括减水剂、引气剂、泵送剂等。
  2. 调节混凝土凝结时间、硬化性能的外加剂,包括速凝剂、早强剂、缓凝剂。
  3. 改善混凝土耐久性的外加剂,包括引气剂、防水剂、阻锈剂、养护剂等。
  4. 改善混凝土其他性能的外加剂,包括膨胀剂、防冻剂、防水剂和泵送剂等。 (8 )粉煤灰

根据《用于水泥和混凝土中的粉煤灰》GB/T 1596—2017的规定粉煤灰按煤种分 为F类和C类F类是由无烟煤或烟煤煅烧收集的粉煤灰C类是由褐煤或次烟煤锻烧 收集的粉煤灰其氧化钙含量一般大于10%。拌制混凝土和砂浆用粉煤灰分为三个等 _级:_I级、Π级、m级。

(9 )混凝土施工质量控制

  1. 原材料的质量检测和控制。除设计或合同另有要求外(下同),原材料的检测项 目和抽样频次等见表1-2-23。
  2. 拌和混凝土质量的检测和控制。重点是出拌合机后未凝固的混凝土质量,同时也制成一定数量的强度检测试件。水泥、砂、石和混合材料应按重量计,水和Ϊ外加剂可 按重量折算成体积计。称量误差不超过表1.2-24所列数值。混凝土检测项目和抽样频 次等见表1.2-25。
  3. 浇筑过程中的混凝土检测和控制

仓面应进行混凝土坍落度检测每班至少2次根据结果调整出机口坍落度。检查 已浇筑混凝土是否初凝。检测混凝土温度,尤其是温控严格要求的部位。

表1.2-23原材料的检测项目和抽样频次等一览表

材料名称 检测项目 抽样地点 抽样频次 检测目的 控制标准
水泥 强度、凝结时间、 安定性、稠度、细度 水泥库 1 次 /(200~400t) 检定水泥出厂质量 是否符合国家标准
快速检定强度等级 拌合站(楼) 1次/浇筑块, 或1次/400t 验证水泥活性
混合材料 细度、需水量比、烧

失量、密度、强度比
仓库 1 次/(20◦〜400t),

1次人I
验证活性、均匀It
表面含水率 拌合站(楼) 1 次 /2h 调整加水量、配合 ±0.5%
细度模数 拌合站(楼)、筛分厂 1次/班 调整配合比、筛分 厂生产控制 ±0.2%
含泥量 拌合站(楼)、筛分厂 必要时 筛分厂生产控制
表面含水率 拌合站(楼) 1 次 /2h 调整加水量
含泥量 拌合站(楼)、筛分厂 必要时 筛分厂生产控制
超逊径 拌合站(楼)、筛分厂 1次/班 筛分厂生产控制、 调整配合比
外加剂 有效物含量或密度 拌合站(楼) 1次/班 调整加入量

表1.2-24混凝土材料称重允许偏差表

材料名称 允许偏差
水泥、混合材料 ±1%
砂、石 土 2%
水、外加剂溶液 ±1%

表1.2-25混凝土检测项目和抽样频次等一览表

检测项目 检测名称 取样地点 抽样频次 检测目的
新拌和混凝土 坍落度 拌合机口 1 次 /2h 检测和易'性
水胶比 1 次 /2h 控制强度
含气量 1 次 /2h 调整剂量
湿度 根据需要 冬夏季施工及温度控制
硬化混凝土 抗压强度以28d龄期为主 适量7d、90d强度 拌合机口 1次/4h或1次/ (150 〜300m3) 检验混凝土强度、i昆凝土生产控 制水平
  1. 硬化混凝土的检测。硬化后的混凝土是否符合设计标准,可采取以下检查:

Α.物理方法(超声波、射线、红外线)检测裂缝、孔隙和弹模系数等。

Β.钻孔压水,并对芯样进行抗压、抗拉、抗渗等各种试验。

  1. 钻孔取样,对芯样加工后进行试验。
  2. 由埋设在水工建筑物内的仪器(温度计、测缝计、渗压计、应力应变计、钢筋 计等)观测建筑物各种性状的变化。
  3. 混凝土施工质量评定。混凝土施工质量主要反映在抗压、抗拉、抗冻、抗渗 等指标以及外观质量上。由于各项指标之间均有一定的联系,抗压指标在工地比较容 易测定,所以评定混凝土施工质量一般统一以抗压强度为主要指标。混凝土施工质量 评定的标准主要有两个:一是设计强度是否有足够的保证率;二是强度的均匀性是否 良好。
  4. 建筑钢材

建筑钢材分为钢结构用钢材和钢筋混凝土用钢筋及钢丝。水工钢结构主要有钢闸 门及压力钢管等。工程所用的钢筋有热轧光圆钢筋、热轧带肋钢筋、冷拉热轧钢筋、冷 轧带肋钢筋、余热处理钢筋及冷轧扭钢筋、钢丝等。钢丝主要有不同规格的预应力混凝 土用钢丝及钢绞线。工程中常用钢筋的主要力学性能如下:

(1 )钢筋的应力-应变曲线

  1. 有物理屈服点钢筋的典型应力-应变曲线如图1-2-8 (a)所示。
  2. 无物理屈服点钢筋的应力-应变曲线如图1.2-8 (b)所示。这类钢筋的抗拉强 度一般都很高,但变形很小,也没有明显的屈服点,通常取相应于残余应变ε = 0.2% 时的应力作为名义屈服点即条件屈服强度或条件流限其值约相当于0.8倍的抗拉 强度。

<7 (MPa)

σ (MPa) I 八

2026一建《水利》电子教材(可搜索)

-流幅

0.2%

赵邮i筚

(a) ( b)

图1.2-8钢筋的应力-应变曲线

(a)有物理屈服点钢筋的**σ**图;(b)无物理屈服点钢筋的σ-ε图

(2)钢筋的强度和变形指标

有物理屈服点的钢筋的屈服强度是钢筋强度的设计依据。另外,钢筋的屈强比(屈 服强度与极限抗拉强度之比)表示结构可靠性的潜力,抗震结构要求钢筋屈强比不大 于0.8,因此钢筋的极限强度是检验钢筋质量的另一强度指标。无物理屈服点的钢筋 由于其条件屈服点不容易测定,因此这类钢筋的质量检验以极限强度作为主要强度 指标。

反映钢筋塑性性能的基本指标是伸长率和冷弯性能。伸长率<55或010是钢筋试件拉

断后的伸长值与原长的比值,它反映了钢筋拉断前的变形能力。伸长率大的钢筋(如有 物理屈服点的钢筋)在拉断前有足够的预兆,属于延性破坏。伸长率小的钢筋(如无物 理屈服点的钢筋)塑性差,拉断前变形小,破坏突然,属于脆性破坏。

钢筋的冷弯性能是钢筋在常温下承受弯曲变形的能力。在达到规定的冷弯角度时 钢筋应不出现裂纹或断裂。因此冷弯性能可间接地反映钢筋的塑性性能和内在质量。

屈服强度、极限强度、伸长率和冷弯性能是有物理屈服点钢筋进行质量检验的四 项主要指标,而对无物理屈服点的钢筋则只测定后三项。

钢材在建筑结构中主要是承受拉力、压力、弯曲、冲击等外力作用。施ΣΤ中经常 对钢材进行冷弯或焊接等工艺加工。钢材的力学性能主要有抗拉性能(抗拉屈服强度、 抗拉极限强度、伸长率)、硬度和冲击韧性等;工艺性能有焊接性能及冷弯性詹旨。

  1. 抗拉屈服强度:指钢材在外力作用下开始产生塑性变形时的应力。
  2. 抗拉极限强度:指试件破坏前,应力-应变图上的最大应力值。
  3. 伸长率:指钢材拉断后,标距长度的伸长量与原标距长的比值。
  4. 硬度:指材料抵抗另一更硬物体压人其表面的能力。常用压痕的深度或压痕单 位表面积上所受的压力作为衡量指标。
  5. 冲击韧性:指钢材抵抗冲击荷载而不被破坏的能力。用冲断试件时每单位截面 积上所消耗的功来表示。
  6. 焊接性能:是用焊接的手段使焊头能牢固可靠且硬脆性小的性能。
  7. 冷弯性能:指钢材在常温下承受静力弯曲时所容许的变形能力。

3 )钢筋检验

进人施工现场的钢筋,应具有出厂质量证明书或试验报告单,每捆(盘)钢筋均应 挂上标牌,标牌上应注有生产厂家、生产日期、牌号、产品批号、规格、尺寸等标记。 在运输和储存时不得损坏和遗失这些标牌。

到货钢筋应分批检查每批钢筋的外观质量,查看锈蚀程度及有无裂缝、结疤、麻 坑、气泡、砸碰伤痕等并应测量钢筋的直径。应分批进行检验检验时以60t同一炉 号、同一规格尺寸的钢筋为一批。随机选取2根经外部质量检查和直径ί®量合格 的钢筋,各截取一个抗拉试件和一个冷弯试件进行检验,不得在同一根钢筋上取两个或 两个以上同用途的试件。钢筋取样时钢筋端部要先截去500mm再取试样。在拉力检 验项目中,包括屈服点、抗拉强度和伸长率三个指标,如有一个指标不符合规定,即认 为拉力检验项目不合格。冷弯试件弯曲后,不得有裂纹、剥落或断裂。对钢号不明的钢 筋需经检验合格后方可使用。检验时抽取的试件不得少于6组。

  1. 绿色建材

根据《财政部住房和城乡建设部关于政府采购支持绿色建材促进建筑品质提升试 点工作的通知》财库202031号绿色建材是指可循环可利用建材、高强度高耐 久建材、绿色部品部件、绿色装饰装修材料、节水节能建材等。

根据《财政部住房和城乡建设部工业和信息化部关于扩大政府采购支持绿色建 材促进建筑品质提升政策实施范围的通知》财库202235号各有关城市要严格 执行财政部、住房和城乡建设部、工业和信息化部制定的《绿色建筑和绿色建材政府采 购需求标准》(以下简称《需求标准》)。

(1 )项目立项阶段,要将《需求标准》有关要求嵌人项目建议书和可行性研究报告中。

  1. 招标采购阶段,要将《需求标准》有关要求作为工程招标文件或采购文件以 及合同文本的实质性要求,要求承包单位按合同约定进行设计、施工,并采购或使用符 合要求的绿色建材。:Λ
  2. 施工阶段,要强化施工现场监管,确保施工单位落实绿色建筑要求,使用符 合《需求标准》的绿色建材。
  3. 履约验收阶段,要根据《需求标准》制定相应的履约验收标准,并与现行验 收程序有效融合。

鼓励通过验收的项目申报绿色建筑标识,充分发挥政府采购工程项目的示范作用。

  1. 水工纤维混凝土

根据《水工纤维混凝土应用技术规范》SL/T 805—2020,纤维混凝土是指掺加钢纤 维或合成纤维作为增强材料的混凝土。其中:

钢纤维,是由钢材切断、薄钢片切削、钢锭铣削或由熔钢抽取等方法制成的纤维。 水工钢纤维混凝土可采用碳钢纤维、低合金钢纤维或不锈钢纤维等。钢纤维的形状分为 平直形和异形。其中异形钢纤维又分为压痕形、波形、端钩形、大头形和不规则麻面形 等。水工钢纤维混凝土破坏时,钢纤维以从混凝土中拔出居多,非拉断。异形或表面粗 糙的钢纤维具有更好的粘结性能,但异形或表面粗糙的钢纤维会降低混凝土拌合物的流 动性。钢纤维的长度宜为12〜60mm、直径宜为0.2〜0.9mm、长径比宜为30-80 (长 径比是指纤维的长度与直径或当量直径的比值。当量直径是指非圆形截面的纤维,按截 面积相等原则换算成圆形截面的直径)。

合成纤维,是以合成高分子化合物为原料,经挤出、拉伸和改性等工艺制成的纤 维。水工合成纤维混凝土可采用聚丙烯纤维、聚丙烯腈纤维、聚酰胺纤维、聚乙烯醇纤 维和聚甲醛纤维等。合成纤维从产品外观可分为单丝纤维、膜裂网状纤维和粗纤维等。 合成纤维的长度宜为3〜65mm直径宜为5〜ΙΟΟμπι。粗纤维的直径大于100 μπϊ。纤 维掺量是指纤维在混凝土中所占的体积分数或质量分数。

  1. 水工纤维混凝土拌和

水工纤维混凝土宜采用强制式拌合机,一次拌合量不宜大于拌合设备额定搅拌量 的80%。水工纤维混凝土的拌和宜先干拌后湿拌,必要时可分散布料。水工纤维混凝 土宜适当延长拌和时间。高碱含量外加剂对合成纤维质量存在影响,因此,宜采用无碱 速凝剂产品。水工纤维混凝土原材料的计量允许偏差应符合表1-2-26。

表1.2-26水工纤维混凝土原材料计量允许偏差(按质ffi计%)

原材料类型 称ffi允许偏差 原材料类型 称量允许偏差
钢纤维 ±1 粗、细集料 ±2
合成纤维 ±1 拌和用水 ±1
水泥和矿物掺合料 ±1 外加剂 ±1
  1. 水工纤维混凝土浇筑与养护

水工纤维混凝土的浇筑方式应保证纤维的分布均匀性和结构的连续性;在规定连续浇筑区域内,浇筑施工不得中断,浇筑过程中不得加水。采用泵送工艺时,宜选用功 率较大的设备;采用喷射工艺时,应采用湿喷法。对外观质量有要求的部位,谊对外露 纤维进行处理。水工纤维混凝土的养护应按《水工混凝土施工规范》SL 677—2014的 相关要求执行。对于重要部位或利用后期强度的水工纤维混凝土以及其他有特殊要求的 部位宜延长养护时间。

  1. 水工纤维混凝土质量检验
  2. 原材料质量检验

用于同一工程的同品种、同规格钢纤维应按每20t为一个检验批不足20t按一 个检验批计。不同批次或非连续供应的不足一个检验批量的钢纤维应作为一个检验批。 钢纤维抽检项目应包括:纤维外观、尺寸、抗拉强度、弯折性能和杂质含量。月于同一 工程的同品种、同规格合成纤维应按每10t为一个检验批不足10t按一个检验批计。 不同批次或非连续供应的不足一个检验批量的合成纤维应作为一个检验批。合成纤维抽 检项目应包括:纤维外观、尺寸、断裂强度、初始模量、断裂伸长率和耐碱,性能。水 泥、集料、掺合料、外加剂和拌和用水等其他原材料的质量检验应按《水工混凝土施工 规范》SL 677—2014的有关规定执行。

(2 )拌合物及浇筑质量检验

水工纤维混凝土拌和生产过程中,应对各种原材料的配料称量、混凝土拌和时间 进行检查、记录每班次或每8h应不少于2次。水工纤维混凝土拌合物的离析和泌 水检验应在浇筑地点取样每班次应不少于2次。水工纤维混凝土拌合物的含气量和 坍落度等拌合物常规性能检验应按《水工混凝土施工规范》SL 677-2014的有关要求 执行。水工纤维混凝土应进行纤维含量检验应在浇筑地点取样每班次或每8h检 验1次纤维体含量检验方法参照《纤维增强混凝土及其制品的纤维含量试验方法》 GB/T 35843—2018进行。水工纤维混凝土的浇筑质量检验应按《水利水电工程单元工 程施工质量验收标准 第2部分混凝土工程》SL 631.2—2025的有关规定执行。

(3 )混凝土质量检验

水工纤维混凝土质量检验以设计龄期抗压强度为主常态纤维混凝土以1 50mm立 方体试件在标准养护条件下的抗压强度为准,喷射纤维混凝土以从完成标养的大板试件 切割加工而成的100mm立方体为准。水工纤维混凝土试件取样以机口取样为主每组 混凝土试件应在同一储料斗或运输车厢内取样制作。可在浇筑地点取一定数量的试件进 行比较。水工纤维混凝土强度等级检验混凝土试件取样数量应符合下列规定:

  1. 对于结构混凝土每100m3应取样1组混凝土进行28d龄期抗压强度检验每 200m3应取样1组混凝土进行设计龄期抗压强度检验。
  2. 对于大体积混凝土每500m3应取样1组混凝土进行28d龄期抗压强度检验 每1000m3应取样1组混凝土进行设计龄期抗压强度检验。
  3. 对于喷射混凝土每50〜100m3或小于50m3的独立工程不得少于1组进行设 计龄期抗压强度检验。
  4. 每一浇筑块混凝土方量不足以上规定量时也应取样成型1组混凝土试件用于 抗压强度检验。

1.2.5水力荷载

根据《水工建筑物荷载设计规范》SL 744—2016,水工建筑物的荷载按作用随时间 的变异性,可分为永久作用荷载、可变作用荷载和偶然作用荷载。其中可变作用荷载包 括:静水压力、扬压力、动水压力、水锤压力、浪压力、外水压力、风荷载、雪荷载、 冰压力、冻胀力、温度作用、土壤孔隙水压力、灌浆压力等;偶然作用荷载包括:地震 作用、校核洪水位时的静水压力。

其中,静水压力、扬压力、动水压力、浪压力和冰压力是水工建筑物上所承受的 主要水力荷载。

  1. 静水压力

1静水压力分布图如图1.2-9所示垂直作用于建筑物结构表面某点处的静 水压强应按式1.2-2计算

p = yh 1.2-2

式中**p**——计算点处的静水压强kN/m2

h 计算点处的作用水头m,按计算水位与计算点之间的高差确定;

γ 水的重度kN/m3, 一般采用9.81kN/m3对于多泥沙河流应根据实际情

况确定。

▽水位

2026一建《水利》电子教材(可搜索)

VH

图1.2-9静水压力分布图

水深为**Η**时单位宽度上水平静水压力Ρ按式1.2-3 )计算:

Ρ = ^γΗ2 1.2-3

式中**Ρ**——单位宽度作用面上的水平静水压力kN;

Η 水深m ;

γ——水的重度kN/m3, 一般采用9.81kN/m3,对于多泥沙河流应根据实际情 况确定。

当坝面倾斜时,除水平压力外,还应计人垂直水压力(即水重或上浮力)。设计计 算时,应区分水工建筑物不同的设计状况,分别按持久设计状况、短暂设计状况和偶然 设计状况下的计算水位确定相应的静水压力代表值。

2枢纽建筑物的静水压力

坝、水闸等挡水建筑物和河床式水电站厂房在运用期静水压力代表值的计算水位

应按下列规定确定:

持久设计状况,上游采用水库的正常蓄水位(或防洪高水位),下游采用可能出现 的不利水位。

偶然设计状况,上游采用水库的校核洪水位,下游采用水库在该水位泄洪时·的水位。 短暂设计状况,采用设计预定该建筑物在检修期的上、下游水位。

水工建筑物抗震计算时的水库计算水位,可采用正常蓄水位;对于多年词节水库, 经论证后可采用低于正常蓄水位的上游水位。

3水工闸门的静水压力

设置在发电、供水、泄水和排沙等建筑物进水口(或泄水道内)的工作闸门或事故 闸门,其持久设计状况和偶然设计状况下静水压力代表值的计算水位,应按建筑物进水 口的上游计算水位采用。对于溢洪道露顶式工作闸门,可不考虑偶然设计状况。

  1. 扬压力

1 )一般规定

1 混凝土坝、水闸和水电站厂房等建筑物的扬压力,应按垂直作用于计算截面 全部截面积上的分布力计算。

2 作用于建筑物计算截面上的扬压力分布图形,应根据不同的水工结构形式, 上、下游计算水位,地基地质条件及防渗、排水措施等情况确定。

3 确定扬压力分布图形时的上、下游计算水位,应与计算静水压力代表值的上、 下游计算水位一致。

4 计算截面上的扬压力代表值,应根据该截面上的扬压力分布图形计算确定。其 中,矩形部分的合力为浮托力代表值,其余部分的合力为渗透压力代表值。对于在坝基 设置抽排系统的,则主排水孔之前的合力为扬压力代表值;主排水孔之后的合力为残余 扬压力代表值。

2 混凝土坝的扬压力

岩基上各类混凝土坝坝底面的扬压力分布图形可按下列三种情况分别确定:

1 当坝基设有防渗帷幕和排水孔时,坝底面上游(坝踵)处的扬压力作用水头 为尽,排水孔中心线处为**H2 + aH-H2,**下游(坝趾)处为尽,其间各段依次以 直线连接(图 1.2-10a、b、c、do

2 当坝基设有防渗帷幕和上游主排水孔,并设有下游副排水孔及抽排系统时,坝 底面上游处的扬压力作用水头为尽主、副排水孔中心线处分别为_什'、_**a2H2,下游 处为H2,**其间各段依次以直线连接图1.2-lOe

3 当坝基未设防渗帷幕和上游排水孔时,坝底面上游处的扬压力作用水头为什, 下游处为尽其间以直线连接图1.2-10f

上述情况中渗透压力强度系数《、扬压力强度系数Α及残余扬压力强度系数《2 按有关规范确定。

3 水闸的扬压力

1 岩基上水闸底面的扬压力分布图形,可按上述实体重力坝情况确定。

2 软基上水闸底面的扬压力分布图形,宜根据上、下游计算水位,闸底板地下 轮廓线的布置情况,地基土质分布及其渗透特性等条件分析确定。一般情况下,渗透压力可采用改进阻力系数法或流网法计算。

  1. 动水压力

动水压力是指水流流速和方向改变时,对建筑物过流面所产生的压力,包括时均 压力和脉动压力。

2026一建《水利》电子教材(可搜索)2026一建《水利》电子教材(可搜索)2026一建《水利》电子教材(可搜索)2026一建《水利》电子教材(可搜索)2026一建《水利》电子教材(可搜索)2026一建《水利》电子教材(可搜索)

(a)

(d) (e) (f)

图1.2-10坝底面扬压力分布图

(a)实体®力坝;(b)宽缝ffi力坝及大头支墩坝(f)拱坝;(d)空腹重力坝;

(e)坝基设有抽排系统;(f)未没帷補及排水孔

1一排水孔中心线;2-主排水孔;3-副排水孔

  1. 浪压力

因波浪对水工建筑物临水面形成的浪压力与波浪的几何要素直接相关。波浪的几 何要素包括波高、波长、波速等。

  1. 冰压力

冰压力包括静冰压力和动冰压力。

1 )静冰压力

在寒冷地区的冬季水面结冰的厚度达数厘米甚至lm以上当温度回升时(仍低 于Οΐ),因冰盖膨胀对建筑物表面产生的冰压力称为静冰压力。静冰压力的大小与冰 层厚度、开始升温时的气温及温升率有关。

2动冰压力

冰盖解冻破裂后,冰块随水流漂移,撞到建筑物上而产生撞击力称为动冰压力。 动冰压力的大小与冰层厚度、冰块流速及流向、冰的抗压强度、建筑物迎冰面的体形 有关。

1.2.6渗流分析

  1. 土石坝的渗流分析

渗流分析的主要工作有:确定浸润线的位置;确定渗流的主要参数——渗流流速 与坡降;确定渗流量。方法较简单的渗流分析法有水力学法和流网法。

1 水力学法

水力学法可以用来近似确定浸润线的位置,计算渗流量、平均流速和坡降。水力 学法假定坝体内土质是均质的,各方向的渗透系数相同;渗流是层流,符合达西定律, 任一铅直线上的流速和水头是常数。

2 流网法

流网法是一种图解法渗流场内由流线和等势线构成的网格称为流网如图1.2-11 所示。

2026一建《水利》电子教材(可搜索)

2026一建《水利》电子教材(可搜索)

图1.2-11 土石坝流网法示意图

H—上、下游总水头一流线与等势线的平均边长;Κ,'Κ厂上' 下两层土的渗透系数;

h,下两层土内流线与界面法线的夹角

  1. 闸基的渗流分析

闸基渗流计算的目的是计算水闸闸基地下轮廓线各点的渗透压力、渗透坡降、渗 透流速及渗流量。进行渗流分析的近似方法有直线比例法(又称渗径系数法)、直线展 开法、加权直线法、柯斯拉独立变数法、巴甫洛夫斯基分段法、丘加也夫阻力系数法、 改进阻力系数法、流网法等,其中较为常用的方法有直线比例法、流网法和改进阻力系 数法。

1直线比例法是工程中对堰闸底板所承受的扬压力作粗略估算的一种方法其 特点是计算简捷;但其结果的精度较低,而且不能据此计算其他的水利要素,一般只在工程规划和可研阶段使用。

2 流网法:是一种图解法,适用于任意边界条件,是在渗流区域内由流线和等 势线组成的具有曲线正方形(或矩形)网格的图形。只要按规定的原则绘制流网,一般 可以得到较好的计算精度。

3 改进阻力系数法:是在独立函数法、分段法和阻力系数法等方法的基础上发 展起来的一种精度较高的近似计算方法,是我国目前广泛采用的一种计算方法。

  1. 渗透系数

渗透系数是反映土的渗流特性的一个综合指标。渗透系数的大小主要取决于土的 颗粒形状、大小、不均匀系数及水温,一般采用经验法、室内测定法、野外测定法确 定。渗透系数足的计算公式如下:

式中 Q——实测的流量m7s;

A——通过渗流的土样横断面面积m2;

L 通过渗流的土样高度m;

Η——实测的水头损失m

  1. 渗透变形

渗透变形又称为渗透破坏,是指在渗透水流的作用下,土体遭受变形或破坏的现 象。一般可分为管涌、流土、接触冲刷、接触流失四种基本形式。渗透变形可以单一形 式出现,也可以多种形式出现于工程不同部位。

1 管涌

在渗流作用下,非黏性土土体内的细小颗粒沿着粗大颗粒间的孔隙通道移动或被 渗流带出,致使土层中形成孔道而产生集中涌水的现象称为管涌。

当土体内的渗流速度达到一定数值时,土壤中的细小颗粒将开始悬浮移动,并被 水流带走。随着细小颗粒的流失,土壤孔隙将加大,渗流速度也随之增大,继而带走较 粗大的土体颗粒。管涌首先从渗流逸出处开始,然后向上游逐步发展。当土体中个体细 小粒在渗流作用下开始在孔隙内移动时的水力坡降称为临界坡降。更粗大的土粒开始流 动,产生渗流通道,土体表面发生大面积破坏时的水力坡降,称为破坏坡降。

管涌一般发生在无黏性砂土、砂砾土的下游坡面和地基渗流的逸出处。对于黏土 土料,由于颗粒之间存在黏聚力,渗流不容易把土壤颗粒带走,因此较少发生管涌。

2 流土

在渗流作用下,非黏性土土体内的颗粒群同时发生移动的现象;或者黏性土土体 发生隆起、断裂和浮动等现象,都称为流土。因为在渗流出口处往往渗透坡降最大,所 以流土现象主要发生在黏性土及较均匀的非黏性土体的渗流出口处。

3 接触冲刷

当渗流沿着两种渗透系数不同的土层接触面或建筑物与地基的接触面流动时,在 接触面处的土壤颗粒被冲动而产生的冲刷现象称为接触冲刷。

4 接触流失

在层次分明、渗透系数相差悬殊的两层土中,当渗流垂直于层面时,将渗透系数

小的一层中的细颗粒带到渗透系数大的一层中的现象称为接触流失。

管涌和流土主要发生在单一结构的土体(地基)中,接触冲刷和接触流失主要发生 在多层结构的土体(地基)中。一般来讲,黏性土的渗透变形(破坏)形式主要是流土。 以上四种渗透破坏类型中,最主要的是管涌和流土。

  1. 防止渗透变形的工程措施

防止岩(土)产生渗透变形的工程措施可概括为两大类:一类是改善岩土体的结构 特性,提高其抵抗渗透变形的能力,使其由可能产生渗透变形的岩(土)体,变成为不 易产生渗透破坏的岩(土)体;另一类是采取措施截断岩(土)体中的渗透水流或减小 岩(土)体中渗透水流渗透比降,使其小于允许比降。

第一类措施通常只用在岩体中。为防止岩体内断层破碎带、软弱夹层、裂隙填充 物产生渗透变形(破坏),可采用水泥灌浆、化学灌浆、混凝土防渗墙、局部置换等方 法提高这类软弱破碎物质的抗渗性。这类处理措施通常都是和提高断层破碎带、软弱夹 层的力学性质相结合进行的。

第二类处理措施中,最可靠的方法是在渗透土层中兴建防渗墙,截断土层中的渗 透水流,降低渗透坡降,同时增加渗流出口处土体抵抗渗透变形的能力,从而消除产生 渗透变形的前提条件。具体工程措施为:

  1. 设置水平与垂直防渗体,增加渗径的长度,降低渗透坡降或截阻渗流。
  2. 设置排水沟或减压井,以降低下游渗流口处的渗透压力,并且有计地排除 渗水。
  3. 对有可能发生管涌的地段,应铺设反滤层,拦截可能被渗流带走的缅小颗粒。
  4. 对有可能产生流土的地段,则应增加渗流出口处的盖重。盖重与保护层之间 也应铺设反滤层。
  5. 反滤层和过渡层

反滤层的作用是滤土排水,防止在水工建筑物渗流出口处发生渗透变形。在土质 防渗体与坝身或与坝基透水层相邻处以及渗流出口处,如不满足反滤要求,都必须设置 反滤层。对反滤层的要求是:

  1. 相邻两层间,颗粒较小的一层的土体颗粒不能穿过较大的一层土体颗粒的孔隙。
  2. 各层内的土体颗粒不能发生移动,相对要稳定。

(3 )被保护土壤的颗粒不能够穿过反滤层。

(4 )反滤层不能够被淤塞而失效。

  1. 耐久、稳定,在使用期间不会随着时间的推移和环境的影响而发生性质的变化。 过渡层的作用是避免在刚度相差较大的两种土料之间产生急剧变化的变形和应

力。反滤层可以起过渡层的作用,而过渡层却不一定能满足反滤要求。在分区坝的防渗 体与坝壳之间,根据需要与土料情况可以只设置反滤层,也可以同时设置反滤层和过 渡层。

坝的反滤层必须符合下列要求:

(1 )使被保护的土不发生渗透变形。

(2)渗透性大于被保护土,能通畅地排出渗透水流。

(3 )不致被细粒土淤塞而失效。

1.2.7水流形态及消能方式

  1. 水流形态

从描述水流的不同角度出发,水流形态主要包括:恒定流与非恒定流、均匀流与 非均匀流、层流与紊流、急流与缓流。

1)恒定流与非恒定流

  1. 恒定流。流场中任何空间上所有的运动要素(如时均流速、时均压力、密度 等)都不随时间而改变的水流称为恒定流如图1.2-12 (a)所示。例如某一水库工程 有一泄水隧洞,当水库水位、隧洞闸门保持不变时,隧洞中的水流的所有运动要素都不 会随时间改变,即为恒定流。

在恒定流的情况下,任一空间点上,无论哪个液体质点通过,其运动要素都是不 变的,运动要素仅仅是空间坐标的连续函数,而与时间无关。

  1. 非恒定流。流场中任何空间上有任何一个运动要素随时间而改变的水流称为 非恒定流如图1.2-12 (b )所示。例如上述水库工程泄水隧洞泄水时,如果水库水位 逐渐降低,那么流量、流速会随之变小,此时隧洞中的水流即为非恒定流。

2026一建《水利》电子教材(可搜索)2026一建《水利》电子教材(可搜索)

图1.2-12恒定流与非恒定流示意图

(a)恒定流;(h)非恒定流

2)均匀流与非均匀流

(1)均匀流。当水流的流线为相互平行的直线时的水流称为均匀流如图1-2-13 所示。例如一引水渠,某顺直渠段中没有进出水(流量不变),渠道横断面尺寸沿程不 变,则该渠段内的水流即为均匀流,水面线为一直线,且与渠底坡线平行。

2026一建《水利》电子教材(可搜索)

/ |
7 )
Λ * Λ
C
―* V

过t断面|流线

(a)

图 1.2-13

过水断面

(b)

均匀流示意图

均匀流的过水断面为平面,且过水断面的形状和尺寸沿程不变;均匀流中,同一 流线上不同点的流速应相等,从而各过水断面上的流速分布相同,断面平均流速相等; 均匀流在同一过水断面上各点测压管水头为一常数。

(2)非均匀流。流线不是相互平行的直线的水流称为非均匀流如图1.2-14所示。

流线虽然平行但不是直线(如管径不变的弯管中的水流),或者流线虽为直线但不相互 平行(如管径沿程缓慢均匀扩散或收缩的渐变管中的水流)都属于非均匀流。

按照流线不平行和弯曲的程度,可将非均匀流分为渐变流和急变流两种类型。

  1. 渐变流:水流的流线虽然不是相互平行的直线,但几乎近于平行直线时的水流 称为渐变流。
  2. 急变流:流线之间夹角很大或者流线曲率半径很小的水流称为急变流。

2026一建《水利》电子教材(可搜索)2026一建《水利》电子教材(可搜索)

  1. 层流与紊流

同一液体在同一管道中流动,当流速不同时,液体可有层流和紊流两种不同的流态。

  1. 层流:当流速较小,各流层的液体质点有条不紊地运动,互不混掺,该流动 形态为层流如图1.2-15 (a)所示。
  2. 紊流:当流速较大,各流层的液体质点形成涡体,在流动过程中互相混掺,该 流动形态为紊流如图1.2-15 (b )所示。实际工程中紊流是最为常见的流态,如闸后、 跌水、泄水、水轮机中的水流均为紊流。

2026一建《水利》电子教材(可搜索)

(a) (b)

图1.2-15层流与紊流7K意图

(a)层流;(b)紊流

  1. 急流与缓流

明渠水流中,可从水流所具有的动能和势能的对比,或从水流的流速与干扰波波 速对比,将水流分为急流与缓流。

  1. 急流当水深小于临界水深弗汝德数大于1的水流称为急流。急流表现 形态为:当水流遇到障碍物时,只引起局部的水面变化,而这种变化不向上游传播,如 图1.2-16 (a)所示。因此,当急流受到建筑物或其他障碍物作用时,其干扰作用只影 响下游,不影响上游。
  2. 缓流当水深大于临界水深弗汝德数小于1的水流称为缓流。缓流表现 形态为:当水流遇到障碍物时,障碍物对水流的干扰可向上游传播,表现为上游的水位 壅高如图1.2-16 (b)所示。
  3. 消能与防冲方式

修建闸、坝等泄水建筑物后,下泄的水流往往具有很高的流速,动能比较大。为

了减小下泄的水流对下游河道的冲刷,不产生危及水工建筑物安全的河床或河岸的局部 冲刷,并在尽可能短的距离内与下游水流平顺地衔接起来,采取的消能与防冲方式有: 底流消能、挑流消能、面流消能、消力戽消能、水垫消能、空中对冲消能等。

2026一建《水利》电子教材(可搜索)

(a) (b)

图1.2-16急流与缓流示意图

(a)急流;(b)缓流

1—障碍物2—涌浪

  1. 底流消能

图1.2-17所示是利用水跃消能将泄水建筑物泄出的急流转变为缓流以消除 多余动能的消能方式。它主要是靠水跃产生的表面旋滚与底部主流间的强烈紊动、剪切 和掺混作用。高流速的主流在底部。该法具有流态稳定、消能效果较好、对地质条件和 尾水变幅适应性强以及水流雾化很小等优点,多用于低水头、大流量、地质条件较差的 泄水建筑物。但护坦较长,土石方开挖量和混凝土方量较大,工程造价较高。为防止 护坦受岩基约束产生温度裂缝,护坦面积大时应设置温度伸缩缝。缝内必须设置止水, 防止高速水流由缝隙钻人护坦底部而产生脉动压力掀起护坦。水闸基本采用此种消能 方式。

  1. 挑流消能

图1.2-18所示利用溢流坝下游设置挑流坎(又称挑流鼻坎,形式有连续式和差 动式两种),把高速水流挑射到下游空中,在空中扩散、掺气、与空气摩擦,消耗部分 能量后,水流跌落到坝下游河道内,在尾水水深中发生漩涡、冲击、掺搅、紊动、扩 散、剪切,进一步消耗水流的大部分能量。但跌落的水流仍将冲刷河床,形成冲刷坑, 在冲刷坑中水流继续消能。此法适用于坚硬岩基上的高、中坝。

2026一建《水利》电子教材(可搜索)2026一建《水利》电子教材(可搜索)

图1.2-18挑流消能

冲刷坑

  1. 面流消能

图1.2-19所示当下游水深较大且比较稳定时利用鼻坎将下泄的高速水流的主 流挑至下游水面,在主流与河床之间形成巨大的底部旋滚,旋滚流速较低,避免高速水 流对河床的冲刷。余能主要通过水舌扩散、流速分布调整及底部旋滚与主流的相互作用 而消除。高流速的主流位于表层。适用于中、低水头工程尾水较深,流量吏化范围较 小,水位变幅较小,或有排冰、漂木要求的情况。一般不需要作护坦。

4消力戽消能

图1.2-20所示是利用泄水建筑物的出流部分造成具有一定反弧半径和较大挑角 所形成的戽斗,在下游尾水淹没挑坎的条件下,形不成自由水舌,高速水流在戽斗内产 生激烈的表面旋滚,后经鼻坎将高速的主流挑至水面。并通过戽后的涌浪及底部旋滚而 获得较大的消能效果。此法适用于尾水较深,流量变化范围较小,水位变幅佼小,或有 排冰、漂木要求的情况。一般不需要作护坦。

2026一建《水利》电子教材(可搜索)

5 τΚ垫消能

水垫消能是在拱坝泄流采用坝顶泄流或孔口泄流方式时,利用下游水深形成的水 垫来消耗水流能量。如图1.2-21所示。

2026一建《水利》电子教材(可搜索)

6空中对冲消能

空中对冲消能是在狭窄河谷修建拱坝时,利用拱冠两侧对称设置的溢流表孔或泄 水孔,使两侧挑射水流在空中形成对冲,消耗能量,称为空中对冲消能。

2章 水利水电工程施工水流控制与基础处理

2026一建《水利》电子教材(可搜索)2.1施工导流与截流

第2章

看本章精讲课 做本章自测题

2.1.1施工导流标准

导流标准是选择导流设计流量进行施工导流设计的标准,包括施工初期 导流标准、坝体拦洪度汛标准、导流泄水建筑物封堵标准等。导流设计流量 是选择导流方案、设计导流建筑物的主要依据。

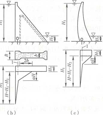
施工初期导流标准,按施工组织设计相关规范的规定,首先需要确定导流建筑物 级别。再根据导流建筑物的级别和类别,选择相应的洪水重现期作为施工初期导流标 准。工程实践中,导流标准受到各种随机因素的影响,如果标准过低,则不能确保施工 安全;标准过高,则导致导流工程规模偏大,不仅增加导流费用,还可能因为导流工程 规模过大,导流工程工期过长,影响整个工程的施工工期。大型工程导流建筑物设计洪 水标准应根据导流建筑物的级别和类型,并结合风险度分析合理确定。对于失事后果特 别严重的工程,要考虑超标准洪水的应急措施,如不过水土石围堰,可考虑在围堰上设 置非常溢洪道作为应急措施,在超标准洪水的情况下分泄洪水,避免围堰堰顶漫水的 风险。

施工过程中,不同阶段可以采取不同的施工导流方式、挡水和泄水建筑物形式。 不同导流方式组合的顺序,成为导流程序。导流时段是按照导流程序所划分的各施工阶 段的延续时间,工程实践中,最主要的是围堰挡水的时间,也称为挡水时段。导流时段 的划分与河流的水文特征、水工建筑物的布置和形式、导流方案、施工进度等因素有 关。河流的水文特征可分为枯水期、中水期和洪水期。在不影响主体工程施工的前提 下,若导流建筑物只承担枯水期的挡水和泄水任务,则可减少导流建筑物的工程量,改 善导流建筑物的工作条件。土坝、堆石坝等不允许坝体过水,在施工期较长的条件下, 洪水来临前又不能将坝体填筑至拦洪高程时,就要考虑以全年作为导流时段。若能保证 洪水来临前坝体填筑达到拦洪高程,则导流时段应为洪水来临前的施工阶段。采用分期 围堰导流时,可以划分为若干个导流时段。

导流建筑物是指枢纽工程施工期所使用的临时性挡水建筑物和泄水建筑物。导流 建筑物级别根据其保护对象、失事后果、使用年限和导流建筑物规模等指标划分为ΠΤ〜 V级。当坝体填筑高程超过围堰顶高程时坝体临时度汛洪水标准应根据坝型和坝前拦 洪库容确定。导流泄水建筑物封堵后,如永久泄洪建筑物尚未具备设计泄洪能力,坝体 度汛洪水标准应分析坝体施工和运行要求并根据坝型和大坝级别确定,且汛前坝体上升 高度应满足拦洪要求,帷幕灌浆及接缝灌浆高程应能满足蓄水要求。

2.1.2施工导流方式

施工导流的基本方式可分为一次拦断河床围堰导流(又称全段围堰法导流)和分期 围堰导流。按泄水建筑物形式可分为:明渠导流、隧洞导流、涵管导流、底孔导流、淹 没基坑法导流、施工过程中的建筑物缺口导流以及不同泄水建筑物的组合导流等。

  1. 分期围堰导流

分期围堰导流又称为分段围堰法,即用围堰将要施工的永久建筑物分段分期维护 起来,便于干地施工。所谓分段,就是在空间上用围堰将永久建筑物分为若千段进行施 工;所谓分期,就是在时间上将导流分为若干时段。一般适用于下列情况:

(1 )导流流量大,河床宽,有条件布置纵向围堰。

  1. 河床中永久建筑物便于布置导流泄水建筑物。

(3 )河床覆盖层不厚。

(4)有通航要求或冰凌严重的河道。

分期围堰导流如图2.1-1所示。

2026一建《水利》电子教材(可搜索)2026一建《水利》电子教材(可搜索)2026一建《水利》电子教材(可搜索)

(a)

(b)

(c)

图2.1-1分期围堰导流

(a)平面图;(W下游立视图(c)导流底孔纵断面图

1一一期上游横向阑堰2一一期下游横向围堰3—一、二期纵向围堰4一预留缺口 5—导流底孔;
6_二期上下游围堰轴线7—护坦8—封堵闸门槽9一Τ作闸门槽10—事故闸门槽

11一已浇筑的混凝土坝体12—未浇筑的混凝土坝体

分期围堰导流,前期利用束窄河床导流,后期利用已建或在建的永久建筑物导流。

根据不同时期泄水道的特点,分期围堰导流中又包括束窄河床导流和通过已建或 在建的建筑物导流。

1 )束窄河床导流

束窄河床导流通常用于分期导流的前期阶段,特別是一期导流。其泄水违是被围 堰束窄后的河床。

2)通过建筑物导流

通过建筑物导流的主要方式,包括设置在混凝土坝体中的底孔导流、混凝土坝体 上预留缺口导流、梳齿孔导流,平原河道上低水头河床式径流电站可采用厂房导流等。 这种导流方式多用于分期导流的后期阶段。

底孔导流,指在混凝土坝体内修建临时性或永久性底孔,导流时部分或全部导流 流量通过底孔下泄。在分段分期施工混凝土坝时,可以考虑。

混凝土坝体上预留缺口导流,指其他导流建筑物不足以下泄全部流量时,利用未 建成混凝土坝坝体上预留缺口下泄流量。

  1. 一次拦断河床围堰导流

一次拦断河床围堰导流,又称为全段围堰法导流,是指在河床内距主体工程轴线 (如大坝、水闸等)上下游一定的距离,修筑围堰,一次性截断河道,使河道中的水流 经河床外修建的临时泄水建筑物或永久泄水建筑物下泄,故又称河床外导流。当在湖泊 出口处修建水工建筑物时,有可能只修筑上游围堰。在坡降较陡的山区河道上修建水工 建筑物,当泄水建筑物出口的水位低于基坑处的河床高程时,不需修建下游围堰。一次 拦断河床围堰导流一般适用于枯水期流量不大且河道狭窄的河流。

对大坝施工而言,根据施工期挡、泄水建筑物的不同,一次拦断河床围堰导流程 序可分为初期、中期和后期导流三个时段。

(1 )初期导流为围堰挡水阶段,水流由导流泄水建筑物下泄。

  1. 中期导流为坝体临时挡水阶段,坝体填筑高度超过围堰堰顶高程,洪水由导 流泄水建筑物下泄,坝体满足安全度汛条件。
  2. 后期导流为坝体挡水阶段,导流泄水建筑物下闸封堵,水库开始蓄水,永久 泄水建筑物尚未具备设计泄流能力。
  3. 辅助导流方式

在采用上述导流方式时,往往需要选择合适的泄水方式配合水流控制,称为辅助 导流方式。主要方式有:

  1. 明渠导流

明渠导流(图2.1-2)是在河岸或河滩上开挖渠道,在基坑的上下游修建横向围堰, 河道的水流经渠道下泄。这种施工导流方法一般适用于岸坡平缓或有一岸具有较宽的台 地、垭口或古河道的地形。明渠具有施工简单,适合大型机械施工的优点;有利于加速 施工进度,缩短工期;对通航、放木也比较有利。

  1. 隧洞导流

2026一建《水利》电子教材(可搜索)2026一建《水利》电子教材(可搜索)2026一建《水利》电子教材(可搜索)隧洞导流(图2.1-3)是在河岸边开挖隧洞,在基坑的上下游修筑围堰,一次性拦 断河床形成基坑,保护主体建筑物干地施工,天然河道水流全部或部分由导流隧洞下泄 的导流方式。这种导流方法适用于河谷狭窄、两岸地形陡峻、山岩坚实的山区河流。

|?1 2.1-2明渠导流示意阁

1—水工建筑物轴线

2-上游闱取3-T游堰 4一导流明渠

(a) (b)

图2.1-3隧洞导流示意图

(a)隧洞导流;(1>)隧洞导流并配合底孔宣泄汛期洪水 1_上游2—T游围堰3—导流隧洞4一底孔

5—坝轴线6—溢流坝段7—水电站厂房

3)涵管导流

涵管导流(图2.1-4)是利用涵管进行导流。适用于导流流量较小的河流或只用来 担负枯水期的导流。一般在修筑土坝、堆石坝等工程中采用。涵管通常布置在河岸滩地 上,其位置常在枯水位以上,这样可在枯水期不修围堰或只修小围堰而先将涵管筑好, 然后再修上、下游断流围堰,将河水经涵管下泄。

2026一建《水利》电子教材(可搜索)2026一建《水利》电子教材(可搜索)

(a)平面图;(b)上游立视图

1 一上游围堰2—下游围堰3—涵管4一坝体

2.1.3截流方法

  1. 截流方式

截流是指在导流泄水建筑物接近完工时,即以进占方式自两岸或一岸填筑截流戗 堤形成龙口,并将龙口防护起来,待导流泄水建筑物完工以后,在有利时机,以最短时 间将龙口堵住,截断河流。截流过程包括截流戗堤的进占形成龙口、龙口范囿的加固、 合龙和闭气等工作。截流戗堤一般与围堰结合,因此,截流实际上是修筑横向围堰的一 部分。在水中修筑戗堤的工作称为进占。截流戗堤将河床束窄到一定宽度时,就形成流 速较大的龙口,封堵龙口的工作称为合龙。合龙后截流戗堤虽然已经高出水面,但堤身 依然漏水,需在迎水面设置防渗设施,这项工作称为闭气。

截流多采用戗堤法,宜优先采用立堵截流方式;在条件特殊时,经充分论证后可 选用建造浮桥及栈桥平堵截流、定向爆破、建闸等其他截流方式。其中平堵法和立堵法 截流分别如图2.1-5和图2.1-6所示。

混合堵是采用立堵与平堵相结合的方法,有立平堵和平立堵两种。

  1. 立平堵。为了充分发挥平堵水力条件较好的优点,降低架桥的费用,工程中 可采用先立堵、后架桥平堵的方式。
  2. 平立堵。对于软基河床,单纯立堵易造成河床冲刷,往往采用先平抛护底,再 立堵合龙的方案。此时,平抛多利用驳船进行。

截流方式应综合分析水力学参数、施工条件和截流难度、抛投材料数量利性质、 抛投强度等因素,进行技术经济比较,并应根据下列条件选择:

  1. 立堵截流可以进一步划分为单戗立堵截流、双戗立堵截流和多戗立堵截流。截 流落差不超过4m时宜选择单戗立堵截流。当龙口水流较大流速较高应館备特殊 抛投材料。

2026一建《水利》电子教材(可搜索)2026一建《水利》电子教材(可搜索)2026一建《水利》电子教材(可搜索)2026一建《水利》电子教材(可搜索)

(a) (b)

图2.1-5平堵法截流

(a)立面图;(b)横断面图

1—截流战堤2一龙口 3—覆盖层4一浮桥5—截流体

(a) (b)

图2.1-6立堵法截流

(a)双向进占;(b)单向进占

1 一截流戗堤2—龙口

  1. 截流流量大且落差大于4.0m和龙口水流能量较大时,可采用双戗、多戗或宽 戗立堵截流。

截流水力学计算应确定截流过程中的落差、单宽流量、单宽能量、流速等水力学 参数及其变化规律,确定截流抛投材料的尺寸和重量。

  1. 减小截流难度的技术措施

截流工程是整个水利枢纽施工的关键,它的成败直接影响工程进度。截流工程的 难易程度取决于河道流量、泄水条件、龙口的落差、流速、地形地质条件、材料供应情 况及施工方法、施工设备、时段的选择等因素。

减少截流难度的主要技术措施包括加大分流量,改善分流条件;改善龙口水力条 件;增大抛投料的稳定性,减少块料流失;加大截流施工强度;合理选择截流时段等。

1)加大分流量,改善分流条件

分流条件好坏直接影响到截流过程中龙口的流量、落差和流速。分流条件好,截 流就容易,反之就困难。改善分流条件的主要措施有:

  1. 合理确定导流建筑物尺寸、断面形式和底高程。导流建筑物不仅要满足导流 要求,而且应满足截流的需要。
  2. 确保泄水建筑物上下游引渠开挖和上下游围堰拆除的质量。这是改善分流条 件的关键环节,不然泄水建筑物虽然尺寸很大,但分流却受上下游引渠或上下游围堰残 留部分控制,泄水能力受到限制,增加截流工作的难度。
  3. 在永久泄水建筑物泄流能力不足时,可以专门修建截流分水闸或其他形式泄 水道帮助分流,待截流完成后,借助于闸门封堵泄水闸,最后完成截流任务。
  4. 增大截流建筑物的泄水能力。当采用木笼、钢板桩格形围堰时,也可以间 隔一定距离安放木笼或钢板桩格体,在其中间孔口宣泄河水,然后以闸板截断中间孔 口,完成截流任务。另外也可以在进占戗堤中埋设泄水管帮助泄水,或者采用投抛构 架块体增大戗堤的渗流量等办法减少龙口溢流量和溢流落差,从而减轻截流的困难程度。
  5. 改善龙口水力条件

龙口水力条件是影响截流的重要因素,改善龙口水力条件的措施有双戗截流、三 戗截流、宽戗截流、平抛垫底等。

  1. 双戗截流

双戗截流采取上下游二道戗堤,协同进行截流,以分担落差。通常采取上下戗堤 立堵。常见的进占方式有上下戗轮换进占、双戗固定进占和以上两种进占方式混合使 用。也有以上戗进占为主,由下戗配合进占一定距离,局部壅高上戗下游水位,减少上 戗进占的龙口落差和流速。

双戗进占,可以起到分摊落差,减轻截流难度,便于就地取材,避免使用或少使 用大块料、人工块料的好处。但双线施工,施工组织较单戗截流复杂;二戗堤进度要求 严格,指挥不易;软基截流,若双线进占龙口均要求护底,则大大增加了护底的工程 量;在通航河道,船只需要经过两个龙口,困难较多,因此双戗截流应谨慎采用。

(2 )三戗截流

三戗截流是利用第三戗堤分担落差,可以在更大的落差下用来完成截流任务。 (3 )宽戗截流

宽戗截流是增大戗堤宽度,以分散水流落差,从而改善龙口水流条件。

但是宽戗截流的进占前线宽,要求投抛强度大,工程量也大为增加,所以只有当 戗堤可以作为坝体(土石坝)的一部分时,才宜采用,否则用料太多,过于浪费。

(4 )平抛垫底

对于水位较深,流量较大,河床基础覆盖层较厚的河道,常采取在龙口部位一定 范围抛投适宜填料,抬高河床底部高程,以减少截流抛投强度,降低龙口流速,达到降 低截流难度的目的。

  1. 増大抛投料的稳定性,减少块料流失

增大抛投料的稳定性,减少块料流失的主要措施有采用特大块石、葡萄串石、钢 构架石笼、混凝土块体(包括四面体、六面体、四脚体、构架)等来提高投抛体的本身 稳定。也可在龙口下游平行于戗堤轴线设置一排拦石坎来保证抛投料的稳定,防止抛投 料的流失。

  1. 加大截流施工强度

加大截流施工强度,可加快施工速度,可减少龙口的流量和落差,起到降低截流 难度的作用,并可减少投抛料的流失。加大截流施工强度的主要措施有加大材料供应 量、改进施工方法、增加施工设备投人等。

  1. 合理选择截流时段

截流年份应结合施工进度的安排来确定。截流年份内截流时段一般选择在枯水期 开始,流量有明显下降的时候,不一定是流量最小的时段。截流开始时间应尽可能提前 进行,保证汛前围堰达到防汛要求。在通航的河道上截流,宜选择对通航影响较小的时 段。在有冰凌的河道上,截流不应选择在有流冰及封冻的时段。合龙所需时间一般从数 小时到几天。

2.2导流建筑物及基坑排水

2.2.1围堰的类型

  1. 围堰的作用及类型

围堰是导流工程中的临时性挡水建筑物,用来围护施工基坑,保证永久性建筑物 能在干地施工。在导流任务完成后,若围堰不能与主体工程结合成为永久工程的一部 分,应予以拆除。

围堰按其所使用的材料形式可分为土石围堰、混凝土围堰、钢板桩围堰、草土围 堰、袋装土围堰等。按围堰与水流方向的相对位置可分为横向围堰、纵向围堰。按导流 期间基坑淹没条件可分为过水围堰、不过水围堰。过水围堰除需要满足一般围堰的基本 要求外,还要满足堰顶过水要求。

  1. 不同类型围堰的应用
  2. 土石围堰能充分利用当地材料,对地基适应性强,施工工艺简单,应优先采用。
  3. 混凝土围堰宜优先选用重力式碾压混凝土结构。河谷狭窄且地质条件良好的 堰址可采用混凝土拱围堰。
  4. 在地质条件好、能充分利用天然料和开挖石渣时可采用胶凝砂砾石围堰、堆 石混凝土围堰。
  5. 装配式钢板桩格形围堰适用于在岩石地基或混凝土基座上建造,其最大挡水 水头不宜大于30m打人式钢板桩围堰适用于细砂砥石层地基其最大挡水水头不宜大 于 20m。
  6. 结合当地材料分布、地区环境和施工特点,低水头围堰可采用浆砌石、钢筋 石笼等围堰类型。
  7. 对于进/出水口或闸室前缘可采用混凝土叠梁、其他特种钢围堰,以及起围 堰作用的预留岩坎(岩塞)等特殊类型。
  8. 围堰的施工
  9. 土石围堰可与截流戗堤结合,可利用开挖弃渣,并可直接利用主体工程开挖 装运设备进行机械化快速施工,是我国应用最广泛的围堰类型。土石围堰的防渗结构形 式有斜墙式、斜墙带水平铺盖式、垂直防渗墙式及灌浆帷幕式等如图2.2-1所示。
  10. 混凝土围堰是用常态混凝土或碾压混凝土建筑而成。混凝土围堰宜建在岩石 地基上。混凝土围堰的特点是挡水水头高,底宽小,抗冲能力大,堰顶可溢流。尤其是 在分段围堰法导流施工中,用混凝土浇筑的纵向围堰可以两面挡水,而且可与永久建筑 物相结合作为坝体或闸室体的一部分。混凝土围堰结构形式有重力式(图2.2-2)、拱 形等形式。
  11. 钢板桩格形围堰是由一系列彼此相连的格体形成外壳,然后在内填以土料或 砂料构成。格体是土或砂料和钢板桩的组合结构,由横向拉力强的钢板桩连锁围成一定 几何形状的封闭系统。钢板桩格形围堰按挡水高度不同,其平面形式有圆筒形格体、扇 形格体、花瓣形格体(图2.2-3),应用较多的是圆筒形格体。装配式钢板桩格形围堰 适用于在岩石地基或混凝土基座上建造其最大挡水水头不宜大于30m;打人式钢板桩 围堰适用于细砂砾石层地基其最大挡水水头不宜大于20m。

2026一建《水利》电子教材(可搜索)2026一建《水利》电子教材(可搜索)

图2.2-1 土石围堰的防渗结构形式

(a)斜墙式;(b)斜墙带水平铺盖式;**(c)**垂直防渗墙式;(d)灌浆帷薜式

1一堆石体2一黏土斜墙、铺盖3一反滤层4一护面5—隔水层6—ffi盖层;

7—垂直防渗墙8—灌浆帷冪9一黏土心墙

2026一建《水利》电子教材(可搜索)2026一建《水利》电子教材(可搜索)2026一建《水利》电子教材(可搜索)

图2.2-2重力式混凝土围堰断面示意图

(a)双向挡水支墩式;(1Ό撑墙式(e)溢流重力式

2026一建《水利》电子教材(可搜索)2026一建《水利》电子教材(可搜索)

A Y).
Ct 十s 一十

2L

(c )

图2.2-3钢板桩格形围堰平面形式

(a)圆筒形格体;(b)扇形格体;(<■)花瓣形格体

  1. 草土围堰是指先铺一层草捆,然后再铺一层土的草与土的混合结构,断面一 般为矩形或边坡较陡的梯形。
  2. 袋装土围堰是指用土工合成材料编织成一定规格的袋子,用泥浆泵充填砂性 土,垒砌后经泌水密实成型的挡水结构。在河堤的抢险、围海工程中较常使用。

2.2.2围堰布置与设计

  1. 围堰的平面布置

围堰平面布置不当,可能产生围堰围护的基坑面积过大,增加排水设备的容量, 造成不必要的浪费;围堰围护的基坑面积过小,会妨碍永久性建筑物的正常施工,影响 工期,有可能造成泄水不畅,冲刷围堰及其基础,影响永久性建筑物施工安全。

上、下游横向围堰的布置取决于永久性建筑物的轮廓。一般情况下,围堰背水坡 坡脚距永久性建筑物基坑开挖轮廓线不宜小于10m,同时满足布置排水设施、道路交通 以及堆放建筑材料、模板以及安放其他设备等需要。

采用分期围堰法导流时,上、下游横向围堰一般不与河床中心线垂直。其平面布 置通常为梯形如图2.1-1所示既有利于水流顺畅又便于道路交通的布置和衔接。 采用全段围堰法导流时,围堰尽量与河床中心线垂直。

当纵向围堰不作为永久性建筑物的一部分时,基坑纵向坡坡趾距永久性建筑物轮 廓距离应满足布置排水设施和堆放模板的需要。如无此需要时一般只留0.4〜0.6m的 距离。

  1. 土石围堰填筑材料选择

土石围堰按填筑材料可分为均质土围堰和土石混合围堰;按堰体防渗体可分为斜 墙围堰、心墙围堰等。其中,土石围堰填筑材料应符合下列要求:

(1 )均质土围堰填筑材料渗透系数不宜大于1 X ΙθΛπι/s;防渗体土料渗透系数不 宜大于 1 X 10—5cm/s ο

  1. 心墙或斜墙土石围堰堰壳填筑材料渗透系数宜大于1 ΧΙΟΛγπΛ,可采用天然 砂卵石或石渣。

(3 )围堰堆石体水下部分宜采用软化系数值大于0.7的石料。

(4 )反滤料和过渡层料宜优先选用满足级配要求的天然砂砥石料。

  1. 围堰的接头和防冲

围堰的接头是指围堰与围堰之间、围堰与其他建筑物之间以及围堰与岸坡之间 的连接。土石围堰与岸坡的接头,主要通过扩大接触面和嵌入岸坡的方法,以延长塑 性防渗体的接触范围,防止集中绕渗破坏。土石围堰与混凝土纵向围堰的接头,通常 采用刺墙形式插人土石围堰的塑性防渗体中,并将接头的防渗体断面扩大,以保证在 任一高程处均能满足渗径长度要求;也可以利用土工膜进行横向围堰与纵向围堰防渗 搭接。

围堰上、下游转角处由于流态发生剧烈改变,从而会淘刷堰脚及基础。围堰的防 冲是指为防止局部淘刷导致围堰溃决等后果而采取的保护措施。一般采用抛石护底、铅 丝笼护底、柴排护底等措施。在围堰转角处设置导流墙,也可以解决冲刷问题。

  1. 围堰防渗

围堰基础处理应满足强度、渗流、沉降变形等要求,围堰堰基的防渗处理方案 应综合考虑安全可靠、经济合理、施工简便等因素,堰基覆盖层防渗处理宜采用下列

方式:

  1. 覆盖层及水深较浅时,可设临时低围堰抽水开挖齿槽,或在水下开挖读槽,修 建截水墙防渗。截水墙尺寸必须满足防渗料及其与基础接触面的容许渗透比降要求。
  2. 根据覆盖层厚度和组成情况可比较选用塑性混凝土防渗墙、混凝i防渗墙、 高压喷射灌浆、沥青混凝土防渗墙、水泥土搅拌防渗墙、自凝灰浆墙、水泥或蒙δ土水泥 灌浆、板桩灌注墙、钢板桩、防渗土工膜等处理方式。
  3. 在满足渗透稳定的条件下,位于深厚覆盖层上的低水头围堰,可采用铺盖或 悬挂式防渗形式。
  4. 卵石和漂石含量多的地层,不宜采用钢板桩。

土石围堰堰体防渗材料应根据料源情况、堰基防渗形式、施工条件及环保要求等 综合比选确定。堰体防渗材料选择应符合下列规定:

(1 )在挡水水头不超过35m时宜优先选用土工膜。

  1. 当地土料储量丰富,满足防渗要求,且开采条件较好时,可用做围堰防渗体 材料。
  2. 采用铺盖防渗时堰基覆盖层渗透系数与铺盖土料渗透系数的比值宜大于50, 铺盖土料渗透系数宜小于1 X 10_4cm/s,铺盖厚度不宜小于2m。
  3. 土石过水围堰的防护

土石过水围堰的类型应根据围堰过水时的水力条件、堰基覆盖层厚度、围堰施工 工期要求等条件综合分析确定。对不利的溢流情况,可通过有效措施改善其流态及上、 下游水面衔接,并可采取下列防护措施:

  1. 过水前向基坑充水形成水垫;基坑边坡覆盖层预先做好反滤压坡。
  2. 土石过水围堰溢流面形式和防冲材料宜进行方案比较。溢流面可根据水力条 件、施工条件等因素采用钢筋石笼、大块石(串)、合金网石兜或混凝土板等保护,并 设置反滤垫层。
  3. 可在堰脚岩基上设重力式镇墩,也可在堰脚覆盖层上设置柔性防护结构,保 护堰体坡脚和堰后基础。
  4. 过水围堰堰顶垂直水流方向宜做成两岸高、中间低的断面形式,并在两岸接 头处采取防止岸坡冲刷的工程措施,保证过水水流位于主河道,以减少水流对两岸接头 及堰后岸坡的冲刷破坏。
  5. 围堰稳定及堰顶局程

详见本书8.2.1强制性标准“《水利水电工程施工组织设计规范》SL 303一2017” 相关条款。

2.2.3基坑排水技术

  1. 初期排水

围堰合龙闭气之后,为使主体工程能在干地施工,必须首先排除基坑积水、堰体 和堰基的渗水、降雨汇水等,称为初期排水。

  1. 排水量的组成及计算

初期排水总量应按围堰闭气后的基坑积水量、抽水过程中围堰及地基渗水量、堰身及基坑覆盖层中的含水量,以及可能的降水量等组成计算。其中可能的降水量可采用 抽水时段的多年日平均降水量计算。

初期排水流量一般可根据地质情况、工程等级、工期长短及施工条件等因素,参 考实际工程经验,按式(2.2-1)确定。

Q = ην/Τ ( 2.2-1 )

式中**Q**——初期排水流量(m3/s );

K——基坑的积水体积(m3);

T 初期排水时间(s );

η——经验系数,主要与围堰种类、防渗措施、地基情况、排水时间等因素有 关一般取7 = 3〜6。当覆盖层较厚渗透系数较大时取上限。

  1. 水位降落速度及排水时间

为了避免基坑边坡因渗透压力过大,造成边坡失稳产生塌坡事故,在确定基坑初 期抽水强度时,应根据不同围堰形式对渗透稳定的要求确定基坑水位下降速度。

对于土质围堰或覆盖层边坡,其基坑水位下降速度必须控制在允许范围内。开始 排水降速以0.5〜0.8m/d为宜接近排干时可允许达1.0〜1.5m/d。其他形式围堰基 坑水位降速一般不是控制因素。

对于有防渗墙的土石过水围堰和混凝土围堰,如河槽退水较快,而水泵降低基坑 水位不能适应时,其反向水压力差有可能造成围堰破坏,应经过技术经济论证后,决定 是否需要设置退水闸或逆止阀。

排水时间的确定,应考虑基坑工期的紧迫程度、基坑水位允许下降的速度、各期 抽水设备及相应用电负荷的均匀性等因素,进行比较后选定。一般情况下,大型基坑可 采用**57d**中型基坑可采用3〜5d。

  1. 经常性排水

基坑积水排干后,围堰内外的水位差增大,此时渗透流量相应增大。另外基坑已 开始施工,在施工过程中还有不少施工废水积蓄在基坑内,需要不停地排除,在施工期 内,还会遇到降雨,当降雨量较大且历时较长时,其水量也是不可低估的。

经常性排水应分别计算围堰和地基在设计水头的渗流量、覆盖层中的含水量、排 水时降水量及施工弃水量。其中降水量按抽水时段最大日降水量在当天抽干计算;施工 弃水量与降水量不应叠加。基坑渗水量可分析围堰形式、防渗方式、堰基情况、地质资 料可靠程度、渗流水头等因素适当扩大。

2.2.4导流泄水建筑物

导流泄水建筑物包括导流明渠、导流隧洞、导流涵管、导流底孔、坝体预留缺口 等临时建筑物和部分利用的永久泄水建筑物。

  1. 导流明渠

导流明渠布置应符合下列规定:

  1. 泄量大,工程量小,宜优先考虑与永久建筑物结合。
  2. 弯道少,宜避开滑坡、崩塌体及高边坡开挖区。

(3 )应便于布置进人基坑的交通道路。

  1. 进出口与围堰接头应满足堰基防冲要求。
  2. 弯道半径不宜小于3倍明渠底宽进出口轴线与河道主流方向的夹角宜小于 30°,避免泄洪时对上下游沿岸及施工设施产生冲刷。

明渠断面形式应根据地形、地质条件、主体建筑物结构布置和运行要求确定。明 渠断面尺寸应根据导流设计流量及其允许抗冲流速等条件确定,明渠断面尺寸与上游围 堰高度应通过技术经济比较确定。明渠衬护的范围和方式可根据地质和水力条件等,经 技术经济比较确定。

  1. 导流隧洞

导流隧洞的布置应符合下列要求:

(1 )洞线应综合考虑地形、地质、枢纽总布置、水流条件、施工、运行及周边环 境的影响因素,并通过技术经济比较选定。

  1. 导流洞进、出口与上、下游围堰堰脚的距离应满足围堰防冲要求。
  2. 与枢纽总布置相协调,有条件时宜与永久隧洞结合,其结合部分的洞轴线、断 面形式与衬砌结构等应同时满足永久运行与施工导流要求。
  3. 导流隧洞布置尚应符合《水工隧洞设计规范》SL 279—2016的有关规定。

导流隧洞断面形式应根据水力条件、地质条件、与永久建筑物的结合要求、施工 方便等因素确定。断面尺寸应根据导流流量、截流难度、围堰规模和工程投资,经技来 经济比较后确定。

导流隧洞弯曲半径不宜小于5倍洞径(或洞宽)转角不宜大于60°且应在弯段 首尾设置直线段其长度不宜小于5倍洞径(或洞宽)。高流速有压隧洞弯曲半径和转 角宜通过试验确定。

  1. 导流底孔

导流底孔布置应遵循下列原则:

  1. 宜布置在近河道主流位置。

(2 )宜与永久泄水建筑物结合布置。

  1. 坝内导流底孔宽度不宜超过该坝段宽度的一半,并宜骑缝布置。
  2. 应方便下闸和封堵施工。

导流底孔设置数量、尺寸和高程应满足导截流、坝体度汛、下闸蓄水、下游供水、 生态流量和排冰等要求。导流底孔与永久建筑物结合布置时,应同时满足永久手Π施工期 运行要求。

  1. 坝体预留缺口

混凝土重力坝、拱坝等实体结构在施工过程中可预留坝体缺口与其他导流设施共 同泄流,高拱坝预留缺口应专门论证其挡水安全性;支墩坝、坝内厂房等非实体结构在 封腔前坝体不宜过流,如需过流应复核其结构安全。

坝体泄洪缺口宜设在河床部位,避免下泄水流冲刷岸坡。高坝设置缺口泄洪时应 妥善解决缺口形态、水流流态、下游防冲及过流振动、过流面混凝土防裂等问题,并通 过水工模型试验验证。利用未形成溢流面的坝段泄流,可经水工模型试验确定空蚀指 数。当空烛指数小于0.3时,应采取掺气措施降低坝面负压值。

2.3地基处理工程

2.3.1地基基础的要求及地基处理的方法

  1. 地基基础的要求

1 水工建筑物的地基分类

水工建筑物的地基分为两大类型,即岩基和软基。

1 岩基是由岩石构成的地基,又称硬基。

2 软基是由淤泥、壤土、砂、砂砾石、砂卵石等构成的地基。又可细分为砂砾 石地基、软土地基。

  1. 砂砾石地基是由砂砾石、砂卵石等构成的地基,它的空隙大,孔隙率高,因而 渗透性强。
  2. 软土地基是由淤泥、壤土、粉细砂等细微粒子的土质构成的地基。这种地基具 有孔隙率大、压缩性大、含水量大、渗透系数小、水分不易排出、承载能力差、沉陷 大、触变性强等特点,在外界的影响下很易变形。

2 水工建筑物对地基基础的基本要求

1 )具有足够的强度。能够承受上部结构传递的应力。

2 具有足够的整体性和均一性。能够防止基础的滑动和不均匀沉陷。

3 具有足够的抗渗性。能够避免发生严重的渗漏和渗透破坏。

4 具有足够的耐久性。能够防止在地下水长期作用下发生的侵蚀破坏。

  1. 地基处理的方法

水利水电工程地基处理的基本方法主要有开挖、灌浆、防渗墙、桩基础、锚固, 还有置换法、排水法以及挤实法等。

  1. )开挖

开挖处理是将不符合设计要求的覆盖层、风化破碎有缺陷的岩层挖掉,是地基处 理最通用的方法。

2 灌浆

灌浆是利用灌浆泵的压力,通过钻孔、预埋管路或其他方式,把具有胶凝性质的 材料(水泥)和掺合料(如黏土、砂、粉煤灰等)与水搅拌混合的浆液或化学溶液(如 环氧树脂、聚氨酯、甲凝等高分子材料制成的浆液)灌注到岩石、土层中的裂隙、洞穴 或混凝土的裂缝、接缝内,以达到加固、防渗等工程目的的技术措施。化学灌浆成本较 高,灌浆工艺比较复杂,仅起辅助作用,一般情况下,先进行水泥灌浆再在其基础上进 行化学灌浆。

3 防渗墙

防渗墙是使用专用机具钻凿圆孔或直接开挖槽孔,以泥浆固壁,孔内浇灌混凝土 或其他防渗材料等,或安装预制混凝土构件,而形成连续的地下墙体。也可用板桩、灌 注桩、旋喷桩或定喷桩等各类桩体连续形成防渗墙。

4 桩基础

桩基础可将建筑物荷载传到深部地基,起增大承载力,减小或调整沉降等作用。 桩基础有打人桩、灌注桩、旋喷桩及深层搅拌桩。

1 打人桩。将不同材料制作的桩,采用不同工艺打人、振人或插人地基。

2 灌注桩。向使用不同工艺钻出不同形式的钻孔内,灌注砂、砾石(碎石)或 混凝土,建成砂桩、砥(碎)石桩或混凝土灌注桩。

3 旋喷桩。利用高压旋喷射流,将地层与水泥基质浆液搅动混合而成的圆断 面桩。

4 深层搅拌桩。以机械旋转方法搅动地层,同时注人水泥基质浆液或喷人水泥

干粉,在松散细颗粒地层内形成的桩体。 ·

5 锚固

锚固将受拉杆件的一端固定于岩体中另一端与工程结构相连接牙U用锚固 结构的抗剪、抗拉强度,改善岩土力学性质,增强抗剪强度,对地基与结构物起到加固 作用的方法。

6 置换法

置换法是将建筑物基础底面以下一定范围内的软弱土层挖去,换填无侵蚀性及低 压缩性的散粒材料,从而加速软土固结的一种方法。

7 排水法

排水法是采取相应措施如砂垫层、排水井、塑料多孔排水板等,使软基表层或内 部形成水平或垂直排水通道,然后在土壤自重或外压荷载作用下,加速土壤中水分的排 除,使土壤固结的一种方法。

8 挤实法

挤实法是将某些填料如砂、碎石或生石灰等用冲击、振动或两者兼而有之的方法 压人土中,形成一个个的柱体,将原土层挤实,从而增加地基强度的一种方法。

9 沉井基础

水闸基础遇开挖困难的淤泥、流砂时,适宜采用沉井基础。沉井是置于闸基内的 筒状结构物,在平面上为矩形或四角修圆的矩形。

10 强夯

强夯是利用重锤从高处自由落下产生的强大冲击力来夯实地基的方法,在砂性土 地基中使用该方法效果较好,夯点的平面布置一般为正方形或三角形。

  1. 混凝土重力坝的地基处理

混凝土重力坝地基处理的主要目的是提高岩基的不透水性、强度和整体,性。主要 措施有:

1 坝基的开挖与清理

将坝基表层的风化破碎岩层挖除,直到设计采用的抗滑计算参数与地基开挖后利 用岩基的标准一致。靠近坝基面的缓倾角软弱夹层应尽量被挖除,基岩轮廓应尽量平 顺,避免产生应力集中。顺水流方向应尽量略倾向上游,高差过大或倾向下游时,宜开 挖成台阶状。开挖至设计岩基面0.5〜lm时应采用手风钻钻孔小药量爆破。遇到易 风化的页岩、黏土岩时应保留0.2〜0.3m保护层,待混凝土浇筑前再挖除。

2 坝基固结灌浆

固结灌浆的目的是提高岩基的整体性,抗压、抗剪强度和弹性模量,减坝基的 渗漏。

  1. 防渗帷幕灌浆

对坝踵处岩基自岩基面向深层钻孔灌浆,封闭岩石裂隙形成防渗结构,目的是减 小坝底扬压力,减少坝基渗透量。由于渗透坡降沿帷幕灌浆自顶部向下逐渐减小,故帷 幕厚度也可以逐步减薄。

  1. 坝基排水

为进一步减小坝底扬压力,排除渗透水,在帷幕灌浆廊道帷幕下游钻设一排主排 水孔,称为主排水孔幕。在坝基纵向排水廊道钻设辅助排水孔。渗水汇人集水井并被抽 排至坝外。

  1. 断层破碎带和软弱夹层处理

无法挖除断层破碎带和软弱夹层时,通常的处理方法是做混凝土塞或混凝土拱加固。

  1. 拱坝的地基处理

拱坝的坝基开挖深度与施工要求,除与重力坝基本相同外,还应做到开挖后的整 个坝基面应平顺且无突变岩基面起伏差应小于0.5m,不宜挖成台阶状。

  1. 灌浆施工技术
  2. 灌浆分类
  3. 按灌浆材料分类

灌浆按浆液材料主要分为水泥灌浆、黏土灌浆和化学灌浆等。水泥灌浆是指以水 泥浆液为灌注材料的灌浆,通常也包括水泥黏土灌浆、水泥粉煤灰灌浆、水泥水玻璃灌 浆等。

  1. 按灌浆目的分类

灌浆按灌浆目的分为帷幕灌浆、固结灌浆、接触灌浆、接缝灌浆、回填灌浆、预 应力灌浆和补强灌浆等。

  1. 帷幕灌浆。用浆液灌人岩体或土层的裂隙、孔隙,形成防水幕,以减小渗流量 或降低扬压力的灌浆。
  2. 固结灌浆。用浆液灌人岩体裂隙或破碎带,以提高岩体的整体性和抗变形能 力的灌浆。
  3. 接触灌浆。通过浆液灌人混凝土与基岩或混凝土与钢板之间的缝隙,以增加 接触面结合能力的灌浆。
  4. 接缝灌浆。通过埋设管路或其他方式将浆液灌入混凝土坝体的接缝,以改善 传力条件,增强坝体整体性的灌浆。
  5. 回填灌浆。用浆液填充混凝土与围岩或混凝土与钢板之间的空隙和孔洞,以 增强围岩或结构的密实性的灌浆。

岩基灌浆时,一般先进行固结灌浆,后进行帷幕灌浆,这样可以抑制帷幕灌浆时 地表抬动和冒浆。

  1. 按灌浆地层分类

灌浆按灌浆地层可分为岩石地基灌浆、砂砥石地层灌浆、土层灌浆等。

  1. 按灌浆压力分类

灌浆按灌浆压力可分为常压灌浆和高压灌浆。灌浆压力在3MPa以上的灌浆为高压 灌浆。

  1. 钻孔灌浆用的机械设备
  2. 钻孔机械

钻孔机械主要有回转式、回转冲击式、冲击式三大类。目前用得最多的是回转式 钻机,其次是回转冲击式钻机,冲击式钻机用得很少。

  1. 灌浆机械

灌浆机械主要包括灌浆泵、制浆机、灌浆记录仪及灌浆管路等。

  1. 灌浆方式和灌浆方法

1 )灌浆方式

灌浆方式有纯压式(图2.3-la )和循环式(图2.3-lb )两种。

4

2026一建《水利》电子教材(可搜索)

(a) (b)

图2.3-1灌浆方式

(a)纯压式;(b)循环式

1 一水2—拌浆筒3—灌浆泵4—压力表5—灌浆管6—灌浆塞7 —回浆管

(1 )纯压式

纯压式灌浆是指浆液注人孔段内和岩体裂隙中,不再返回的灌浆方式。这种方式 设备简单,操作方便;但浆液流动速度较慢,容易沉淀,堵塞岩层缝隙和管路,多用于 吸浆量大有大裂隙存在和孔深不超过15m的情况。

  1. 循环式

循环式灌浆是指浆液通过射浆管注人孔段底部,部分浆液渗入到岩体裂隙中,部 分浆液通过回浆管返回拌浆筒,保持孔段内的浆液呈循环流动状态的灌浆方式。这种方 式一方面使浆液保持流动状态,可防止水泥沉淀,灌浆效果好;另一方面可以根据进浆 液和回浆液相对密度的差值,判断岩层吸收水泥的情况,并作为判定灌浆结束的一个条 件。对于帷幕灌浆,优先采用循环式灌浆。

2)灌浆方法

灌浆方法按同一钻孔内的钻灌顺序分为全孔一次灌浆法和分段钻灌法。分段钻灌法 又可分为自上而下分段灌浆法、自下而上分段灌浆法、综合灌浆法和孔口封闭灌浆法。

  1. 全孔一次灌浆法

全孔一次灌浆法是将孔一次钻完,全孔段一次灌浆的方法。这种方法施工简便, 多用于孔深不大,地质条件比较良好,基岩比较完整的情况。

  1. 自下而上分段灌浆法

自下而上分段灌浆法是将灌浆孔一次钻进到底,然后从钻孔的底部往上,逐段安 装灌浆塞进行灌浆直至孔口的方法如图2.3-2所示。

  1. 自上而下分段灌浆法

自上而下分段灌浆法是从上向下逐段进行钻孔,逐段安装灌浆塞进行灌浆,直至 孔底的方法如图2.3-3所示。

(4 )综合灌浆法

综合灌浆法是在钻孔的某些段采用自上而下分段灌浆,另一些段采用自下而上分 段灌浆的方法。

  1. 孔口封闭灌浆法

孔口封闭灌浆法是在钻孔的孔口安装孔口管,自上而下分段钻孔和灌浆,各段灌 浆时都在孔口安装孔口封闭器进行灌浆的方法。

2026一建《水利》电子教材(可搜索)2026一建《水利》电子教材(可搜索)

(a)钻孔;(h)第三段灌浆;

(c)第二段灌浆;(d)第一段灌浆

(a) (b) (c) (d) (e) (f)

图2.3-3自上而下分段灌浆

(a)第一段钻孔;(b)第一段灌浆;(c)第二段钻孔; (<1)第二段灌浆;(e)第三段钻孔;(f)第三段灌浆

  1. 适用条件

混凝土防渗墙下基岩帷幕灌浆宜采用自上而下分段灌浆法或自下而上分段灌浆法, 不宜直接利用墙体内预埋的灌浆管作为孔口管进行孔口封闭法灌浆。

灌浆孔的基岩段长小于6m时可采用全孔一次灌浆法大于6m时可采用自上 而下分段灌浆法、自下而上分段灌浆法、综合灌浆法或孔口封闭灌浆法。

  1. 帷幕灌浆

1 )防渗帷幕的钻孔灌浆应具备的条件

  1. 上部结构混凝土浇筑厚度达到设计规定的盖重厚度要求。上部结构混凝土厚 度较小的部位(趾板、压浆板、心墙底板、岸坡坝段、尾坎等),须待混凝土浇筑达到 其完建高程和设计强度;施工压浆板、趾板时需要等到加固锚杆砂浆达到设计强度;防 渗墙与覆盖层下帷幕灌浆时,达到相应设计规定。
  2. 相应部位的基岩固结灌浆、混凝土坝底层灌区接缝灌浆、岸坡接触灌浆完成 并检查合格。
  3. 相应部位灌浆平洞的开挖、混凝土衬砌(或喷锚支护)、回填灌浆、围岩固结 灌浆完成并检查合格。
  4. 灌浆区邻近30m范围内的勘探平洞、大口径钻孔、断(夹)层等地质缺陷的 开挖、清理、混凝土回填、灌浆等作业完成,影响灌浆作业的临空边坡锚固、支护完成 并检查合格。

2)帷幕灌浆施工工艺

主要包括:钻孔、钻孔(裂隙)冲洗、压水试验、灌浆和灌浆的质量检查等。

1 )钻孔

帷幕灌浆孔的钻孔方法应根据地质条件、灌浆方法与钻孔要求确定。当采用自上 而下灌浆法、孔口封闭灌浆法时,宜采用回转式钻机和金刚石或硬质合金钻央钻进;当 采用自下而上灌浆法时,可采用回转式钻机或冲击回转式钻机钻进。

灌浆孔位与设计孔位的偏差不应大于10cm。孔深不应小于设计孔深实际孔位、 孔深应有记录。

帷幕灌浆中各类钻孔的孔径应根据地质条件、钻孔深度、钻孔方法、钻孔要求和 灌浆方法确定。灌浆孔以较小直径为宜但终孔孔径不宜小于456mm。先导孔、质量 检查孔孔径应满足获取岩芯和进行测试的要求。

帷幕灌浆中的各类钻孔均应分段进行孔斜测量。

2 )钻孔(裂隙)冲洗

钻孔后,进人冲洗阶段,冲洗工作分为钻孔冲洗和裂隙冲洗。一般采用灌浆泵将 水压人孔内循环管路进行冲洗,也可以用压力水和压缩空气轮换冲洗或压力水和压缩空 气混合冲洗。

  1. 钻孔冲洗。将残留在钻孔底部和孔壁上的岩粉和铁屑冲洗出来。将钻杆下到孔 底从钻杆通人压力水进行冲洗冲洗时流量要大。冲孔一直要进行到回水澄清5〜 lOmin后才结束。
  2. 裂隙冲洗。将岩层裂隙中的填充物冲出孔外,以便灌浆液进人腾出的空间,使 得浆液结石与基岩胶结成整体。裂隙冲洗方法分为单孔冲洗和群孔冲洗两种。一般在岩 层比较完整,裂隙比较少的部位,采用单孔冲洗。在岩层破碎,节理裂隙比较发育且钻 孔之间相互串通的地层中,适用群孔冲洗。

裂隙冲洗的方法有高压水冲洗(整个冲洗过程均在高压下进行,裂隙中的填充物沿 着加压的方向推移和压实)、脉动冲洗(采用高压水和低压水反复变换冲洗)等。

采用自上而下分段灌浆法和孔口封闭灌浆法进行帷幕灌浆时,各灌浆段在灌浆前 应进行裂隙冲洗。裂隙冲洗宜采用压力水冲洗冲洗压力可为灌浆压力的80%,并不 大于IMPa。

冲洗时间至回水澄清时止或不大于20min。当采用自下而上分段灌浆法可在 灌浆前对全孔进行一次裂隙冲洗冲洗压力不大于IMPa。

3 )压水试验

压水试验的目的是测定地层的透水特性,为岩基的灌浆施工提供基本技术资料。 也是检查灌浆实际效果的主要方法。

帷幕灌浆先导孔、质量检查孔应自上而下分段进行压水试验,压水试验宜采用单 孔法。采用自上而下分段灌浆法、孔口封闭灌浆法进行帷幕灌浆时,各灌浆段在灌浆前 应进行简易压水试验。简易压水试验可与裂隙冲洗结合进行。采用自下而上分段灌浆法 时,灌浆前可进行全孔一段简易压水试验和孔底段简易压水试验。压水试验的压力通常 为通段灌浆压力的80%, 一般不大于IMPa。

3灌浆方式和灌浆方法

帷幕灌浆应按分序加密的原则进行。由三排孔组成的帷幕,应先灌注下游排孔, 再灌注上游排孔,后灌注中间排孔,每排孔可分为二序。由两排孔组成的帷幕应先灌注下游排孔,后灌注上游排孔,每排孔可分为二序或三序。单排孔帷幕应分为三序灌浆, 如图2.3-4所示。

«ΟΟΟ~~·~ο~~ο—·~ο

"/// __ 77^ ?/// '/////
] I I 1 1 <br>
Π
|X

[
C

Ρ Ρ

图2.3-4单排孔帷幕灌浆的施工工序 ρ_先导孔I、n、m—第一二、三次序孔c_检査孔

在帷幕的先灌排或主帷幕孔中宜布置先导孔,先导孔应在一序孔中选取,其间距 宜为16〜24m或按该排孔数的10%布置。在岩溶发育区、岸坡卸荷区等地层性状突 变部位,先导孔宜适当加密。

根据不同的地质条件和工程要求,帷幕灌浆可选用自上而下分段灌浆法、自下而 上分段灌浆法、综合灌浆法及孔口封闭灌浆法。

根据地质条件、灌注浆液和灌浆方法的不同,应相应选用循环式灌浆或纯压式灌 浆。当采用循环式灌浆法时射浆管应下至距孔底不大于50cm的位置。

混凝土与基岩接触段应先行单独灌注并待凝待凝时间不宜少于24h其余灌浆段 灌浆结束后可不待凝,但灌浆前孔口涌水,灌浆后返浆等地质条件复杂情况下应待凝, 待凝时间应根据工程具体情况确定。

先导孔各孔段宜在压水试验后及时进行灌浆,也可在全孔压水试验完成后自下而 上分段灌浆。

帷幕灌浆段长宜为5〜6m具备一定条件时可适当加长但最长不应大于10m,岩 体破碎、孔壁不稳时灌浆段长应缩短。混凝土结构和基础接触处的灌浆段(接触段) 段长宜为1〜3m。采用自上而下分段灌浆法时第1段接触段灌浆的灌浆塞宜跨 越混凝土与基岩接触面安放以下各段灌浆塞应阻塞在灌浆段段顶以上50cm处防止 漏灌。

4灌浆压力和浆液变换

1 )灌浆压力

灌浆压力宜通过灌浆试验确定,也可通过公式计算或根据经验先行拟定,而后在 灌浆施工过程中调整确定。采用循环式灌浆时,灌浆压力表或记录仪的压力变送器应安 装在灌浆孔孔口处回浆管路上;采用纯压式灌浆时,压力表或压力变送器应安装在孔口 处进浆管路上。压力表或压力变送器与灌浆孔孔口间的管路长度不宜大于5m。灌浆压 力应保持平稳,宜测读压力波动的平均值,最大值也应予以记录。

根据工程情况和地质条件,灌浆压力的提升可采用分级升压法或一次升压法。升 压过程中应保持灌浆压力与注人率相适应,防止发生抬动变形破坏。

普通水泥浆液水胶比可采用5、3、2、1、0.7、0.5六级,细水泥浆液水胶比可采 用3、2、1、0.5四级,灌注时由稀至浓逐级变换。开灌水胶比根据各工程地质情况和 灌浆要求确定采用循环式灌浆时普通水泥浆可采用的开灌水胶比为5, έ田水泥浆 可采用的开灌水胶比为3;采用纯压式灌浆时开灌水胶比可采用2或单一比级的稳定 浆液。

(2)灌浆浆液变换

当采用多级水胶比浆液灌注时,浆液变换应符合下列原则:

  1. 当灌浆压力保持不变,注人率持续减少时,或注人率不变而压力持续升高时, 不应改变水胶比。
  2. 当某级浆液注人量已达300L以上或灌浆时间已达30min,而灌浆压力和注人 率均无改变或改变不显著时,应改浓一级水胶比。
  3. 当注人率大于30L/min时可根据具体情况越级变浓。

灌浆过程中,灌浆压力或注人率突然改变较大时,应立即查明原因,采取相应的 措施处理。

  1. 灌浆结束标准和封孔方法

各灌浆段灌浆的结束条件应根据地层和地下水条件、浆液性能、灌浆压力、浆液 注人量和灌浆段长度等综合确定。应符合下列原则:

(1 )当灌浆段在最大设计压力下注人率不大于lL/min后继续灌注30min,可 结束灌浆。

(2)当地质条件复杂、地下水流速大、注人量较大、灌浆压力较低时,持续灌注 的时间应适当延长。

全孔灌浆结束后应以水胶比为0.5的新鲜普通水泥浆液置换孔内稀浆或积水,采 用全孔灌浆封孔法封孔。采用自上而下分段灌浆法和自下而上分段灌浆法时,封孔灌浆 压力可设定为全孔段平均灌浆压力或2MPa;采用孔口封闭法时,封孔灌浆压力可采用 该孔最大灌浆压力。封孔灌浆时间可为lh。

  1. 特殊情况处理

灌浆过程中,发现冒浆漏浆,应根据具体情况采用嵌缝、表面封堵、低压、浓浆、 限流、限量、间歇、待凝、复灌等方法进行处理。

灌浆过程中发生串浆时,应阻塞串浆孔,待灌浆孔灌浆结束后,再对串浆孔进行 扫孔、冲洗、灌浆。如注人率不大,且串浆孔具备灌浆条件,也可一泵一孔同Η寸灌浆。

灌浆必须连续进行,若因故中断,应按下列原则处理:

  1. 应尽快恢复灌浆。如无条件在短时间内恢复灌浆时,应立即冲洗钻?L再恢 复灌浆。若无法冲洗或冲洗无效,则应进行扫孔,再恢复灌浆。
  2. 恢复灌浆时应使用开灌比级的水泥浆进行灌注。如注人率与中断前f目近则 可采用中断前水泥浆的比级继续灌注;如注人率较中断前减小较多,应逐级加农浆液继 续灌注;如注人率较中断前减小很多,且在短时间内停止吸浆,应采取补救措施。

灌浆段注人量大而难以结束时,应首先结合地勘或先导孔资料查明原因,根据具 体情况,可选用下列措施处理:

(1 )低压、浓浆、限流、限量、间歇灌浆。

  1. 灌注速凝浆液。
  2. 灌注混合浆液或膏状浆液。
  3. 质量检查

帷幕灌浆工程质量的评价应以检查孔压水试验成果为主要依据,结合施工成果资 料和其他检验测试资料进行综合分析确定。

帷幕灌浆检查孔应在分析施工资料基础上在下列位置布置:

  1. 帷幕中心线上。
  2. 基岩破碎、断层与裂隙发育、强岩溶等地质条件复杂的部位。

(3 )末序孔注人量大的孔段附近。

  1. 钻孔偏斜过大、灌浆过程不正常等经分析资料认为可能对帷幕质量有影响的 部位。
  2. 防渗要求高的重点部位。

帷幕灌浆检查孔数量可按灌浆孔数的一定比例确定。单排孔帷幕时,检查孔数量 可为灌浆孔总数的10%左右多排孔帷幕时检查孔的数量可为主排孔数的10%左右。 一个坝段或一个单元工程内,至少应布置一个检查孔。

帷幕灌浆检查孔应采取岩芯,绘制钻孔柱状图,岩芯应全部拍照,重要岩芯应长 期保留。帷幕灌浆的检查孔压水试验应在该部位灌浆结束14d后进行检查孔应自上而 下分段钻进,分段阻塞,分段压水试验,宜采用单点法。

帷幕灌浆工程质量的评定标准为:经检查孔压水试验检查,坝体混凝土与基岩接 触段的透水率的合格率为100%,其余各段的合格率不小于90%,不合格试段的透水率 不超过设计规定的150%,且不合格试段的分布不集中;其他施工或测试资料基本合理, 灌浆质量可评为合格。

  1. 固结灌浆
  2. 一般规定

固结灌浆宜在有盖重混凝土的条件下进行。对于混凝土坝,盖重混凝土厚度可为 1.5m以上盖重混凝土应达到50%设计强度后方可进行钻灌。在土石坝防渗体基础混 凝土盖板或喷混凝土护面、堆石坝混凝土趾板下的基岩进行固结灌浆时,应待其盖板或 护面结构混凝土达到设计强度后进行。

固结灌浆应按分序加密的原则进行。同一区段或同一坝块内,周边孔应先行施工。 其余部位灌浆孔排与排之间和同一排孔孔与孔之间,可分为二序施工,也可只分排序不 分孔序或只分孔序不分排序。坝基固结灌浆时,灌浆压力一般是底部大、顶部小,中间 孔比边孔大。进行有盖重灌浆时,应安设抬动监测装置,在灌浆过程中连续进行观测并 记录,抬动变形值应在设计允许范围内。

  1. 钻孔、裂隙冲洗和压水试验

固结灌浆孔应根据工程的地质条件选用适宜的钻机和钻头钻进。灌浆孔孔径不宜 小于朽6mm。物探测试孔、质量检查孔、抬动监测孔孔径不宜小于476mm。

灌浆孔位与设计位置的偏差不宜大于10cm,孔向、孔深应满足设计要求。

灌浆孔或灌浆段钻进完成后,应使用大水流或压缩空气冲洗钻孔,清除孔内岩粉、 渣屑冲洗后孔底残留物厚度不应大于20cm。

灌浆孔或灌浆段在灌浆前应采用压力水进行裂隙冲洗,冲洗压力采用灌浆压力的 80%且不大于IMPa,冲洗时间为20min或至回水清净时止。串通孔冲洗方法与时间应 按设计要求执行。地质条件复杂以及对裂隙冲洗有特殊要求时,冲洗方法应通过现场灌 浆试验确定。

可在各序孔中选取不少于5%的灌浆孔(段)在灌浆前进行简易压水试验。简易压 水试验可结合裂隙冲洗进行。

3 灌浆和封孔

根据不同的地质条件和工程要求,固结灌浆可选用全孔一次灌浆法、自上而下分 段灌浆法、自下而上分段灌浆法,也可采用孔口封闭灌浆法或综合灌浆法。

灌浆孔的基岩灌浆段长不大于6m时可采用全孔一次灌浆法大于6m时宜 分段灌注各灌浆段长度可采用5〜6m,特殊情况下可适当缩短或加长,但不应大于 10m ο

固结灌浆可采用纯压式灌浆或循环式灌浆。当采用循环式灌浆时,射浆管出口与 孔底距离不应大于50cm。

灌浆孔宜单孔灌注。对相互串通的灌浆孔可并联(群孔)灌注。并联孔数不应多于 3个软弱地质结构面和结构敏感部位不宜进行多孔并联灌浆。

固结灌浆的浆液水胶比可采用3、2、1、0.5四级开灌水胶比选用3,经试验论 证也可采用单一比级的稳定性浆液。

各灌浆段灌浆的结束条件应根据地质条件和工程要求确定。当灌浆段在最大设计 压力下注人率不大于lL/min时继续灌注30min后可结束灌浆。

固结灌浆孔各灌浆段灌浆结束后可不待凝,但在灌浆前涌水、灌后返浆或遇其他 地质条件复杂情况则应待凝待凝时间可为12〜24h。

灌浆孔灌浆结束后,可采用导管注浆法封孔,孔口涌水的灌浆孔应采用全孔灌浆 法封孔。

4 质量检查

固结灌浆工程的质量检查宜采用检测岩体弹性波波速的方法,检测可在灌浆结束 14d后进行。检查孔的数量和布置、岩体波速提高的程度应按设计规定执行。

固结灌浆工程的质量检查也可采用钻孔压水试验的方法,检测时间可在灌浆结束 7d或3d后进行。检查孔的数量不宜少于灌浆孔总数的5%,压水试验应采用单点法。 质量合格标准为单元工程内检查孔各段的合格率应达85%以上,不合格孔段的透水 率值不超过设计规定值的150%,且不集中。

  1. 高压喷射灌浆

高压喷射灌浆(简称高喷灌浆或高喷)是采用钻孔,将装有特制合金喷嘴的注浆 管下到预定位置然后用高压水泵或高压泥浆泵20〜40MPa将水或浆液通过喷嘴喷 射出来,冲击破坏土体,使土粒在喷射流束的冲击力、离心力和重力等综合作用下,冲 击、切割、破碎地层土体,并以水泥基质浆液充填、掺混其中,形成桩柱或板墙状的凝 结体,用以提高地基防渗或承载能力的施工技术。

1高压喷射灌浆的适用范围

高压喷射灌浆防渗和加固技术适用于淤泥质土、粉质黏土、粉土、砂土、砾石、卵(碎)石等松散透水地基或填筑体内的防渗工程。对含有较多漂石或块石的地层,应 进行现场高压喷射灌浆试验,以确定其适用性。

  1. 高压喷射灌浆的基本方法

高压喷射灌浆的基本方法有:单管法、二管法、三管法(图2.3-5 )和新三管法等。

2026一建《水利》电子教材(可搜索)2026一建《水利》电子教材(可搜索)2026一建《水利》电子教材(可搜索)

(a)

~~I I I

髙压泥浆泵空压机

图2.3-5高压喷射灌浆的基本方法
(a)单管法;(b)二管法;(c)三管法

(1 )单管法

单管法是用高压泥浆泵以20〜25MPa或更高的压力从喷嘴中喷射出水泥浆液射 流,冲击破坏土体,同时提升或旋转喷射管,使浆液与土体上剥落下来的土石掺搅混 合,经一定时间后凝固,在土中形成凝结体。这种方法形成凝结体的范围(桩径或延伸 长度)较小一般桩径为0.5〜0.9m,板状凝结体的延伸长度可达1〜2m。其加固质量 好,施工速度快,成本低。

  1. 二管法

二管法是用高压泥浆泵等高压发生装置产生20〜25MPa或更高压力的浆液用压 缩空气机产生0.7〜0.8MPa压力的压缩空气。浆液和压缩空气通过具有两个通道的喷射 管,在喷射管底部侧面的同轴双重喷嘴中同时喷射出高压浆液和空气两种射流,冲击破 坏土体其直径达0,8〜1.5m。

(3 )三管法

三管法是使用能输送水、气、浆的三个通道的喷射管,从内喷嘴中喷射出压力为 30〜50MPa的超高压水流水流周围环绕着从外喷嘴中喷射出一般压力为0.7〜0.8MPa 的圆状气流同轴喷射的水流与气流冲击破坏土体。由泥浆泵灌注压力为0.2〜0.7MPa、 浆量80〜lOOL/min、密度1.6〜1.8g/cm3的水泥浆液进行充填置换。其直径一般有1.0〜 2.0m,较二管法大较单管法要大1〜2倍。

  1. 新三管法

新三管法是先用高压水和气冲击切割地层土体,然后再用高压浆和气对地层土体 进行切割和喷人。水、气喷嘴和浆、气喷嘴的铅直间距为0.5〜0.6m。高压浆液射流 对地层二次喷射增大了喷射半径,使浆液均匀注人被喷射地层,而且由于浆液和气喷 嘴与水和气喷嘴的间距大,水对浆液的稀释作用减小,使实际灌人的浆量增多,浆液 密度增大,提高了凝结体的结实率和强度。该法适用于含较多密实性充填物的大粒径 地层。

在上述基本的喷射灌浆工法的基础上,又先后开发出了能够施工大直径的超高压 大流量法、交叉射流工法、多管喷射法等。

3浆液材料和施工机具

1浆液材料

高喷灌浆浆液宜使用水泥浆。所使用的水泥品种和强度等级,应根据工程需要确定。 宜采用普通硅酸盐水泥其强度等级可为32.5级或以上。

在含黏粒较少的地层中进行高喷灌浆,孔口回浆应经处理后方可利用;在软塑至 流塑状的黏性土或淤泥质土层中,其孔口回浆不宜回收利用。

2 )机具和设备

高压喷射灌浆的施工机械由钻机或特种钻机、高压发生装置等组成。喷射方法不 同所使用的机械设备也不相同。表2.3-1为不同喷射方法所使用的主要施工设备表。

表2.3-1高压喷射灌浆主要施工设备

设备名称 设备规格 单管法 二管法 三管法 新三管法
台车 提升台车起重2~6t,起升高度15m V V V
履带吊车式高喷台车架高34m V V V
钻机 钻孔深度100m钻机适用于浅孔 V V V V
钻孔深度300m钻机适用于较深的高喷孔 V V V
跟管钻进钻机 V V V
高压水泵 最大压力50MPa,流量75~100L/min V V V
灌浆泵 通用灌浆泵压力1.03.0MPa,流量80200L/min V V
高压灌浆泵最大压力40MPa,流量70〜110L/min V V V
超高压灌浆泵最大压力60〜80MPa,流量150~200L/min V
搅拌机 卧式或立式 V V V V
空气

压缩机
气压 0.7〜0.8MPa,气量 6m3/min V V V
气压 1.0〜1.5MPa,气量 6m3/min V V V
高气压、大流量空压机气压2.0MPa,气量20m3/min V
喷射管 单管 V
二重管(二列管) V
三重管(三列管) V V

4高压喷射灌浆的喷射形式

根据工程需要和地质条件,高压喷射灌浆可采用旋喷、摆喷、定喷三种形式,每 种形式可采用三管法、二管法和单管法。

高压喷射灌浆形成凝结体的形状与喷嘴移动方向和持续时间有密切关系。喷嘴喷 射时,一面提升,一面进行旋喷则形成柱状体;一面提升,一面进行摆喷则形咸哑铃 体;当喷嘴一面喷射,一面提升,方向固定不变,进行定喷,则形成板状体。三种凝结 体如图2.3-6所示。上述三种喷射形式切割破碎土层的作用以及被切割下来的土体与 浆液搅拌混合,进而凝结、硬化和固结的机理基本相似,只是由于喷嘴运动方式的不 同,致使凝结体的形状和结构有所差异。

5高压喷射灌浆的施工程序

高喷灌浆应分排分序进行。在坝、堤基或围堰中,由多排孔组成的高喷墙应先施 工下游排孔,后施工上游排孔,最后施工中间排孔。在同一排内如采用钻、喷分别进行 的程序施工时应先施工I序孔后施工Π序孔。先导孔应最先施工。

施工程序为钻孔、地面试喷、下喷射管、喷射提升(先进行原位喷射)、成桩成板 或成墙等。图2.3-7所示为施工流程示意图。

2026一建《水利》电子教材(可搜索)2026一建《水利》电子教材(可搜索)2026一建《水利》电子教材(可搜索)2026一建《水利》电子教材(可搜索)2026一建《水利》电子教材(可搜索)

(a)

钻孔

(b)

下喷射管

图2.3-6高喷凝结体的形式

U旋喷体h摆喷体板墙;

c定喷体薄板墙

成桩(板墙)
冲洗 充填灌浆

旋转(定向或摆动)喷射、提升

图2.3-7高压喷射灌浆施工流程示意图

6质量检查

高喷墙的防渗性能应根据墙体结构形式和深度选用围井、钻孔或其他方法进行检 查。围井检查法适用于所有结构形式的高喷墙。围井检查宜在围井的高喷灌浆结束7d 后进行如需开挖或取样宜在14c!后进行;厚度较大的和深度较小的高喷墙可选用钻 孔检查法。钻孔检查宜在该部位高喷灌浆结束28d后进行。

高喷墙质量检查宜在以下重点部位进行:地层复杂的部位;漏浆严重的部位;可 能存在质量缺陷的部位。高喷墙整体效果的检查可采用以下方法:

1 坝(堤)基高喷墙,可在其下游侧布设测压管,观测和对比该测压管与上游 水位差;亦可在坝(堤)下游安设量水堰,观测和对比施工前、后渗水量,据此分析整 体防渗效果。

2 围堰堰体和堰基中的高喷墙,可在基坑开挖时测定其渗水量,并检查有无集 中渗水点,据以分析整体防渗效果。

2.3.3防渗墙施工技术

  1. 防渗墙的类型

水工混凝土防渗墙的类型可按墙体结构形式、墙体材料、成槽方法和布置方式分类。

1按墙体结构形式分类

水工混凝土防渗墙按墙体结构形式分,主要有桩柱形防渗墙、槽孔形防渗墙和混

合形防渗墙三类图2.3-8,其中槽孔形防渗墙使用更为广泛。

2026一建《水利》电子教材(可搜索)2026一建《水利》电子教材(可搜索)2026一建《水利》电子教材(可搜索)2026一建《水利》电子教材(可搜索)2026一建《水利》电子教材(可搜索)

2 1 2 1 2

12 12 12 1 2 1

1 2 3 1

(a)

图2.3-8水工混凝土防渗墙的结构形式

a槽孔形防渗墙h桩柱形防渗墙r混合形防渗墙

1、2、3—槽孔编号

(b)

2 按墙体材料分类

水工混凝土防渗墙按墙体材料分,主要有普通混凝土防渗墙、钢筋混凝土防渗墙、 黏土混凝土防渗墙、塑性混凝土防渗墙和灰浆防渗墙。

3 按成槽方法分类

水工混凝土防渗墙的成槽方法有钻劈法、钻抓法、抓取法、铣削法等。

薄防渗墙的成槽可根据地质条件选用薄型抓斗成槽、冲击钻成槽、射水佐成槽和 锯槽机成槽等方法。槽孔的孔斜率不应大于4%。。

4 按布置方式分类

水工混凝土防渗墙按布置方式分,主要有嵌固式防渗墙、悬挂式防渗墙和组合式 防渗墙。

  1. 成槽机械及施工工序

槽孔建造设备和方法,可根据地层情况、墙体结构形式及设备性能进行选择,必 要时可选用多种设备组合施工。成槽机械有钢绳冲击钻机、冲击式反循环钻机、回转式 钻机、抓斗挖槽机、射水成槽机、锯槽机及链斗式挖槽机等。

槽孔形防渗墙的施工程序包括平整场地、挖导槽、做导墙、安装挖槽机械设备、制 备泥浆注人导槽、成槽、混凝土浇筑成墙等。

  1. 质量检查

防渗墙质量检查程序应包括工序质量检查和墙体质量检查。

工序质量检查应包括造孔、终孔、清孔、接头处理、墙体材料、混凝土浇筑(包括 钢筋笼、预埋件、观测仪器安装埋设)等检查。

各工序检查合格后,应签发工序质量检查合格证。上道工序未经检查合格,不应 进行下道工序。

防渗墙质量检查的有关内容和要求包括:

1 槽孔建造的终孔质量检查应包括下列内容:

  1. 孔深、槽孔中心偏差、孔斜率、槽宽和孔形。
  2. 基岩岩样与槽孔嵌入基岩深度。
  3. 一期、二期槽孔间接头的套接厚度。

2 槽孔的清孔质量检查应包括下列内容:

  1. 接头孔刷洗质量。
  2. 孔底淤积厚度。
  3. 孔内泥浆性能(包括密度、黏度、含砂量)。
  4. 混凝土浇筑质量检查应包括下列内容:
  5. 导管布置。
  6. 导管埋深。
  7. 浇筑混凝土面的上升速度。
  8. 钢筋笼、预埋件、观测仪器安装埋设。
  9. 混凝土面高差。

(4 )墙体材料检查应遵循下列规定:

  1. 混凝土成型试件应在槽孔口现场取样。
  2. 抗压强度试件每个墙段至少成型1组大于500m3的墙段至少成型2组抗渗 性能试件每8〜10个墙段成型1组。
  3. 薄墙抗压强度试件每5个墙段成型1组抗渗性能试件每20个墙段成型1组。
  4. 固化灰浆和自凝灰浆应进行抗压及抗渗试验,试验组数根据工程规模确定。
  5. 确需进行弹性模量试验时,弹性模量试件数量根据需要确定。
  6. 墙体质量检查应在成墙28d后进行检查内容为必要的墙体物理力学性能指 标、墙段接缝和可能存在的缺陷。检查可采用钻孔取芯、注水试验或其他检测等方法。 检查孔的数量宜为每15〜20个槽孔1个位置应具有代表性。遇有特殊要求时可酌 情增加检测项目及检测频率,固化灰浆和自凝灰浆的质量检查可在合适龄期进行。

3章 土石方与土石坝工程

  1. 2026一建《水利》电子教材(可搜索)土石方工程

第3章 看本章精讲课 做本章自测题

  1. 土石方工程施工的土石分级

水利水电工程施工中常用的土石分级,依开挖方法、开挖难易、坚固系 数等共划分为16级其中土分4级岩石分12级。

  1. 土的分级

土分为4级详见表3.1-1。

表3.1-1 土的类别分级表

S 土的名称 自然湿重度 (kN/m3) 外观及其组成特性 开挖2E具
I 砂土、种植土 16.5 〜17.5 疏松、黏着力差或 易进水,略有黏性 用揪或略加脚踩开挖
Π 壤土、淤泥、含根种植土 17.5 〜18.5 开挖时能成块,并易打碎 用鍬需用肤P踩开挖
m 黏土、干燥黄土、干淤泥、 含少量砾石的黏土 18.0 〜19.5 粘手,看不见砂粒,或干硬 用镐、三齿$巴开挖或

用鍬需用力加]脚踩开挖
IV 坚硬黏土、砾质黏土、 含卵石黏土 19.0 〜21.0 结构坚硬,分裂后成块状, 或含黏粒、砾石较多 用镐、三齿奉巴等开挖
  1. 岩石的分级

岩石分为12级详见表3.1-2。

表3.1-2岩石类别分级表

岩石名称 天然湿度下 平均重度 (kN/m3) 净钻时间(用直径38mm 合金钻头,凿岩机打孔,工 作气压为 4.5atm) (min/m ) 极限抗压强度

R (MPa)
坚固系数尸
V 1.硅藻土及软的白垩岩 15.0 20以下 1.5-2.0
2.硬的石炭纪的黏土 19.5
3.胶结不紧的砾岩 19.0 〜22.0
4.各种不坚实的页岩 20.0
VI 1.软的有孔隙的节理多的石灰岩 及贝壳石灰岩 22.0 20 〜40 2.◦〜4.0
2.密实的白垩岩 26.0
3.中等坚实的页岩 27.0
4.中等坚实的泥灰岩 23.0
νπ 1.水成岩、卵石经石灰质胶结而 成的砥岩 22.0 4◦〜60 4.0—6.0

续表

石别 岩级 岩石名称 天然湿度下 平均重度 (kN/m3) 净钻时间(用直径38mm 合金钻头,凿岩机打孔,工 作气压为 4.5atm) ( min/m ) 极限抗压强度

R (MPa)
坚固系数广
2.风化的节理多的黏土质砂岩 22.0 40 〜60 4.0 〜6.0
3.坚硬的泥质页岩 23.0
4.坚实的泥灰岩 25.0
VDI 1.角砥状花岗岩 23.0 6.8 (5.7〜7.7) 60 〜80 6.0 〜8Ό
2.泥灰质石灰岩 23.0
3.黏土质砂岩 22.0
4.云母页岩及砂质页岩 23.0
5.硬石膏 29.0
IX 1.强风化的花岗岩、片麻岩及正 IZ山

长石
25.0 8.5 (7.8〜9.2) 80 〜100 8.0 〜10.0
2.滑石质的蛇纹岩 24.0
3.密实的石灰岩 25.0
4.水成岩、卵石经硅质胶结的 砥岩 25.0
5.砂岩 25.0
6.砂质石灰质的页岩 25.0
X 1.白云岩 27.0 10 (9.3〜10.8) 100 〜120 10 〜12
2.坚实的石灰岩 27.0
3.大理石 27.0
4.石灰质胶结的致密的砂岩 26.0
5.坚硬的砂质页岩 26.0
XI 1.粗粒花岗岩 28.0 11.2 (10.9-11.5) 120 〜140 12 〜14
2.特别坚实的白云岩 29.0
3.蛇纹岩 26.0
4.火成岩、卵石经石灰质胶结

的砾岩
28.0
5.石灰质胶结的坚实的砂岩 27.0
6.粗粒正长岩 27.0
ΧΠ 1.有风化痕迹的安山岩及玄武岩 27.0 12.2 (11.6-13.3) 140 〜160 14 〜16
2.片麻岩、粗面岩 26.0
3.特别坚硬的石灰岩 29.0
4.火成岩、卵石经硅质胶结的 砥岩 29.0
XUI 1.中粗花岗岩 31.0 14.1 (13.4 〜14.8) 160 〜180 16 〜18
2.坚实的片麻岩 28.0

续表

部躯 岩石名称 天然湿度下 平均重度 (kN/m3) 净钻时间(用直径38mm 合金钻头,凿岩机打孔,工 作气压为 4.5atm ) (min/m) 极限抗压强度

R (MPa)
坚固系数尸
XU 3.辉绿岩 27.0 14.1 (13.4-14.8) 160 〜180 16 〜18
4.玢岩 25.0
5.坚实的粗面岩 28.0
6.中粒正长岩 28.0
XIV 1.特别坚实的细粒花岗岩 33.0 15.5 (14.9-18.2) 180-200 18 〜20
2.花岗片麻岩 29.0
3.闪长岩 29.0
4.最坚实的石灰岩 31.0
5.坚实的玢岩 27.0
XV 1.安山岩、玄武岩、坚实的角闪岩 31.0 20 (18.3〜24.0) 200〜250 20 〜25
2.最坚实的辉绿岩及闪长岩 29.0
3.坚实的辉长岩及石英岩 28.0
1.钙钠长石玄武岩和橄榄石质玄 _ιι_ι_ι

武石
33.0 24以上 250以上 25以上
2.特别坚实的辉长岩、辉绿岩、 石英岩及玢岩 33.0
  1. 洞室开挖的围岩分类

地下洞室的围岩可以岩石强度、岩体完整程度、结构面状态、地下水和主要结构 面产状等五项因素之和的总评分为基本依据,以围岩强度应力比为参考依据,进行工程 地质分类见表3.1-3。

表3.1-3围岩工程地质分类表

岩别

围类
围岩稳定性 围岩总评分

T
围岩强度 应力比S 支护类型
I 稳定。围岩可长期稳定,一般无不稳定块体 7 >85 >4 不支护
Π 基本稳定。围岩整体稳定,不会产生塑性变 形,局部可能产生掉块 85 ^7>65 >4 不支护或局部锚杆或喷薄层混凝土。 大跨度时,喷混凝土,系统锚杆加 钢筋网
稳定性差。围岩强度不足,局部会产生塑性 变形,不支护可能产生塌方或变形破坏。完 整的较软岩,可能暂时稳定 65 彡 Γ〉45 >2 喷混凝土,系统锚杆加钢筋网。跨度 为225m时浇筑混凝土衬砌
IV 不稳定。围岩自稳时间很短,规模较大的各 45 ^Γ>25 >2 喷混凝土,系统锚杆加钢筋网或加钢
种变形和破坏都可能发生 构架
V 极不稳定。围岩不能自稳,变形破坏严重 7~^25 管棚、喷混凝土、系统锚杆、钢构架, 必要时进行二次支护

Π、ΙΠ、IV类围岩当其强度应力比小于本表规定时围岩类别宜相应降低一级。

  1. 土方开挖技术

土方开挖的开挖方式包括自上而下开挖、上下结合开挖、先岸坡后河槽开挖和分 期分段开挖等。水利水电工程建设中,土方开挖的方法主要有机械开挖、人工开挖等。

  1. 机械开挖
  2. 挖掘机

挖掘机用斗状工作装置挖取土壤或其他物料,剥离土层,是土石方工程开挖的主 要施工机械设备。从工作装置方面,挖掘机分为循环单斗式(正铲、反铲、索铲和抓 斗)和连续多斗式(链斗式、斗轮式)。

  1. 正铲挖掘机是土石方开挖中最常用的机械,具有强力推力装置,能挖各种坚 实土和破碎后的岩石,适用于开挖停机面以上的土石方,也可挖掘停机面以下不深的土 方,但不能用于水下开挖。正铲挖掘机的开行方式和它的开挖工作面的布置主要决定于 开挖和运输条件。正铲与运输工具配合时,其开挖工作面的布置有侧向挖掘与正向挖掘 两种方式。

侧向挖掘布置方式适用于挖方宽度较大,运输工具停在正铲一侧的同一高程或略 高于停机面高程上,因而运输工具来往方便,能较快地停在装车位置,正向铲的生产能 力能较好地发挥。

正向挖掘布置方式适用于挖方高度较大的情况,运输工具停在正铲后侧的同一平 面高程上,运输工具要倒车进人指定的装车地点,从而使装车的转角增大,影响正铲挖 掘机的效率。

  1. 反铲挖掘机的基本作业方式有沟端挖掘、沟侧挖掘、直线挖掘、曲线挖掘、 保持一定角度挖掘、超深沟挖掘和沟坡挖掘等。反铲挖掘机每一作业循环包括挖掘、回 转、卸料和返回等四个过程。
  2. 索铲挖掘机又称拉铲挖掘机,主要用于开挖停机面以下的土料,适用于坑槽挖 掘,也可水下掏掘土石料。拉铲挖掘机根据挖方宽度的大小,有正向开行与侧向开行两 种开挖方式。当挖方宽度较小时,挖掘机可沿挖方轴线移动进行挖掘,并将土卸在挖方 体两侧,这种开挖方式称为正向开行。当挖方宽度较大,可采用侧向开行法进行挖掘, 此时挖掘机分别沿挖方两侧开行,并将挖出的土直接卸在堆放的地方,不再转运。这种 开挖方式中,根据挖方宽度的不同,又有侧向一次开行、侧向二次开行及侧向开行转运 等基本方法。
  3. 抓斗挖掘机又称抓铲挖掘机,用钢绳牵拉,灵活性较差,工效不高,不能挖 掘坚硬土;可以装在简易机械上工作,使用方便。

抓斗挖掘机作业特点为:开挖直井或沉井土方;可装车或甩土;排水不良也能开 挖吊杆倾斜角度应在45°以上距边坡应不小于2m。

  1. 装载机

装载机是应用较广泛的土石方施工机械,与挖掘机比较,它不仅能进行挖装作业, 而且能进行集渣、装载、推运、平整、起重及牵引等工作,生产率较高,购置费用低。

  1. 推土机

推土机是工地上用得最多的一种机械。它能平整场地、边坡与道路,开挖基坑、

集料与浅沟渠,回填沟槽,以及推树拔根等。

推土机用于开挖与推运土料时其运距以不超过60m为宜。

推土机的开行方式基本上是穿梭式的,为了提高其生产率,应力求减少由推土刀 两侧散失的土方,一般采取在推土刀两侧加挡板,或利用沟槽法推土,或几台推土机并 列推土等措施。

4 )铲运机

铲运机是集开挖、运输和铺填三项工序于一身的设备,其施工简单、管理方便、 费用低,适用于开挖有黏性的土壤。铲运机有拖式和自行式两类。它是一种铲土、装 土、运土、铺土和整平的综合机械,可用于铲除腐殖土,开采土料,修筑渠道与路基, 以及软基的开挖等。

铲运机适用于挖方深度和填方高度均不大开挖I〜π级土m、iv级上需翻松 运距不远600〜1500m的情况。

铲运机是一种循环作业机械,由铲土、运土、卸土、回驶四个过程组成;。它的开 行方式有环形和“8”字形两种。当挖填方靠近如修渠道和路基等且挖填方高差 在1.5m以内时常用环形开行高差超过1.5m时可采用“8”字形开行。

布置铲运机开行路线时,应使铲土和卸土能在直线段进行,运土时的转弯半径不 得小于铲运机的最小转弯半径,并尽量缩短运土距离,欠挖要少,修筑车道:的工作量 要小。

5机械设备配套原则

各种开挖机械对土质的适应情况可参考表3.1-4,表中“V”表示适用“O” 表示可用“X”表示不适用。

选择挖土和运输机械时,应考虑工程量的大小,此外,在选择土方开挖运输机械 时,应尽可能选用容量大、数量少、型号规格单一的机械,便于管理和修配。

表3.1-4各种开挖机械对土质的适应情况

开挖机械 砂土 填土及黏土 砂砾石 风化岩石 爆破块石
正铲挖掘机 V V V V V
拉铲挖掘机 V ο V ο X
铲运机 V ο X X X
推土机 V ο V V V
装载机 '/ ο V ο ο
  1. 闸坝基础人工开挖

在不具备采用机械开挖的条件下或在机械设备不足的情况下,一般采用人工开挖。 闸坝基础开挖中,应特别注意做好排水工作。在安排施工程序时,应先挖出水沟,然 后再分层下挖。临近设计高程时应留出0.2〜0.3m的保护层暂不开挖,待上部结构施 工时,再予以挖除。

人工开挖闸坝基础可全面逐层下降也可分区呈台阶状下挖如图3.1-1所示。分 区台阶状下挖方式有利于布置出土坡道,组织施工也较方便。

2026一建《水利》电子教材(可搜索)2026一建《水利》电子教材(可搜索)

图3.1-1人工开挖闸坝基础下挖示意图

(a)全面逐层下挖;(b)分区呈台阶状下挖

3.1.3石方开挖技术

  1. 开挖方法

石方开挖一般采用爆破方法。按照药室的状态不同分为钻孔爆破和洞室爆破。按 照爆破对象的不同,水利水电工程爆破通常分为明挖爆破、地下洞室爆破、水下爆破、 岩塞爆破、定向爆破筑坝、围堰爆破等。

  1. 钻孔爆破

钻孔爆破按照孔径大小和钻孔的深度又分为浅孔爆破、深孔爆破。

  1. 孔径小于75mm、深度小于5m的钻孔爆破称为浅孔爆破。浅孔爆破法能均匀 破碎介质,不需要复杂的钻孔设备,操作简单,可适应各种地形条件,而且便于控制开 挖面的形状和规格,主要应用于地下工程开挖、中小型料场开采、水工建筑物基础分层 开挖等。但是,浅孔爆破法钻孔工作量大,每个炮孔爆下的方量不大,因此生产效率 较低。
  2. 孔径大于75mm、孔深大于5m的钻孔爆破称为深孔爆破。爆后有一定数量的 大块石产生往往需要二次爆破。深孔爆破法一般适用于VH-XTV级岩石。深孔爆破是 大型基坑开挖和大型采石场开采的主要方法。与浅孔爆破比较,其单位体积岩石所需的 钻孔工作量较小,单位耗药量低,劳动生产率高,并可简化起爆操作过程及劳动组织。 缺点是钻孔设备复杂,设备费高。

深孔爆破的主要参数有台阶高度7Λ钻孔直径L底盘抵抗线穴、炮孔间距α 和排距\超钻深度Δ/Λ钻孔深度£、堵塞长度及单孔装药量0等。钻孔爆破需形 成台阶状以合理布置炮孔,充分利用天然临空面或创造更多的临空面。炮孔宜与岩层层 面或节理面垂直,不宜穿过与地面贯穿的裂缝。

  1. 洞室爆破

又称为大爆破,是指在专门设计开挖的洞室内装药爆破。洞室用平洞或竖井相连, 装药后将平洞或竖井堵塞。洞室爆破一次爆破方量大,爆破效率高,适用于挖方量大且 集中,时间要求紧的工程;用于定向爆破筑坝(定向爆破截流)、面板堆石坝次堆料区 料场的开采。可以进一步分为松动爆破、抛掷爆破和定向爆破。

  1. 控制爆破技术

为在岩体上开挖成设计的轮廓面并防止围岩破坏、控制超挖或欠挖,需要采用控 制爆破技术,包括预裂爆破和光面爆破。

预裂爆破是沿设计开挖轮廓线钻一排预裂炮孔,在主体开挖部位未爆破之前先行 爆破,从而获得一条沿设计开挖轮廓线贯穿的裂缝,再在该裂缝的屏蔽下,进行主体开挖部位的爆破,防止或减弱爆破振动向开挖轮廓以外岩体的传播。预裂炮孔的角度应与 开挖轮廓边坡坡度一致,宜一次钻到设计深度。如果基础不允许产生裂缝,贝!J预裂炮孔 至设计开挖面应预留一定距离。

光面爆破是沿设计开挖轮廓线钻一排光面爆破炮孔,再进行主体开挖部位的爆破, 爆破设计开挖轮廓线上的光面爆破炮孔,将作为围岩保护层的“光爆层”爆除,从而获 得一个平整的开挖壁面。对于坝基和边坡开挖,预裂爆破和光面爆破的开挖效果差不 多。在地下洞室开挖时选择光面爆破的频率较高。对于高地应力区的地下洞室和强约束 力条件下的岩体开挖,光面爆破的效果更好。

  1. 基础开挖

1 )基础保护层厚度

岩石基坑开挖遵循“自上而下分层开挖”的原则,主要采用深孔爆破。设计边坡轮 廓面采用控制爆破。由于爆破不可避免地对保留岩体产生损伤,形成爆破损伤影响区, 故在建基面(与水工建筑物直接相连的基岩面)以上应留有一定厚度的基础保护层。保 护层厚度由台阶爆破(又称梯段爆破)孔底以下的破坏深度的爆破试验确定。不具备试 验条件时保护层厚度宜为上一层台阶爆破药卷直径的25〜40倍。也参考《水工建筑 物岩石基础开挖工程施工技术规范》DL/T 5389—2007所列值见表3.1-5。

表3.1-5基础保护层厚度

岩体特性 完整和坚硬的岩体 较完整、较破碎和较坚硬的岩体 破碎和较软的岩体
H/D 25 30 40

注:好为基础保护层厚度,ο为台阶爆破孔底部的装药直径。

2 保护层分层爆破开挖

保护层分层爆破开挖。应按以下要求进行:

1 第一层爆破孔孔底距水平建基面不应小于1.5m,药卷直径应小于40mm;应 采用浅孔台阶爆破法。

2 第二层,对完整、较完整、较破碎和坚硬、较坚硬的岩体,爆破孔底距水 平建基面不宜小于0.5m;对破碎、极破碎和较软岩、软岩及极软岩,爆破^^孔底距水 平建基面不宜小于0.7m;爆破孔与水平建基面的夹角不应大于60°药卷直径不应大于 32mm。应采用单孔起爆方法。

3 第三层,对完整、较完整、较破碎和坚硬、较坚硬的岩体,爆破^^不应穿过 水平建基面;对破碎、极破碎和较软岩、软岩及极软岩,爆破孔不应穿人距水平建基面 0.2m的范围内剩余0.2m厚的岩体应进行撬挖;爆破角度、装药直径和起爆方法,均 同第二层的规定。

3 保护层一次爆破开挖

《水工建筑物岩石基础开挖工程施工技术规范》DL/T 5389—2007推荐的保护层一 次爆破开挖法有三种:

1 沿建基面采用水平预裂爆破,上部采用水平孔台阶爆破或浅孔台阶爆破法。

2 沿建基面采用水平光面爆破,上部采用浅孔台阶爆破法。

3 孔底无水时,可采用垂直(或倾斜)浅孔,孔底加柔性或复合材料(锯末、发 泡材料等)垫层的台阶爆破。

  1. 爆破后检查

爆破后人员进人工作面检查等待时间应符合《水电水利工程爆破施工技术规范》 DL/T 5135—2013的有关要求。

  1. 爆破有害效应控制

1 )爆破有害效应

爆破作业时,除对岩石进行破碎外,同时还会伴生爆破飞石、爆破振动、空气冲 击波、水中冲击波、动水压力、噪声、粉尘和有害气体等,对爆区附近保护对象产生的 有害影响及负面作用,此称为爆破有害效应(又称爆破公害)。为防范和控制爆破飞石、 爆破振动、空气冲击波,一般根据情况对安全控制距离进行计算,以便确定警戒范围和 安全保护措施。

衡量爆破振动强度的参数包括位移、速度和加速度等,质点峰值振动速度与建筑 物的破坏程度关联性较强,故普遍采用质点峰值振动速度作为安全判断指标,《水工建 筑物岩石基础开挖工程施工技术规范》DL/T 5389—2007对一些保护对象的爆破振动 安全允许标准有具体规定。在锚索灌浆、锚杆灌浆、喷混凝土的强度达到设计强度的 70%以前其20m范围内不允许爆破。

冲击波包括空气冲击波和水中冲击波。空气冲击波超压达到一定量值后,会导致 影响范围内的建筑物破坏和人体器官损伤。一般情况下,空气冲击波的破坏范围比爆破 振动和飞石破坏范围要小,故工程爆破安全距离是由爆破振动和飞石控制。水下爆破产 生的水中冲击波对影响范围内的水中人员、船舶、水生物有损害。

2飞石安全距离

《爆破安全规程》GB 6722—2014对飞石安全允许距离规定了最小值部分指标见 表 3.l-6o

表3.1-6爆破飞石对人员的安全运行距离露天岩土爆破

爆破方法 最小安全允许距离m
浅孔爆破法破大块 300
浅孔台阶爆破 200 复杂地质条件下或未形成台阶工作面时不小于300
深孔台阶爆破 按设计但不小于200
洞(硐)室爆破 按设计但不小于300

3爆破有害效应的控制

1 在爆源上控制,削弱有害效应强度。合理选择爆破参数、装药量和装药结构; 采用深孔微差爆破可削弱爆破振动和冲击波的强度;合理布置最小抵抗线方向可以控制 飞石方向和距离,降低与控制爆破振动、冲击波和爆破噪声强度。

2 在传播途径上控制,削弱有害效应强度。预裂爆破、开挖减振槽,可降低爆 破振动强度。对临空面进行覆盖、设立防波屏可以削弱冲击波强度,阻挡飞石。

3 在保护对象上进行防护,防止有害效应损伤(破坏)。当爆源控制和传播途径 控制尚不能满足要求时,可对危害范围内的构筑物(设施)进行直接防护,措施有防震 沟、防护屏以及表面覆盖等。

4在管理措施上进行控制防止有害效应损伤破坏。对作业人员进行安全教 育和培训,严格执行有关规章制度和作业规程。

3.1.4锚固技术

  1. 錨固技术的概念

锚固技术是将一种受拉杆件的一端固定在边坡或地基的岩层或土层中,这种受 拉杆件的固定端称为锚固端(或锚固段),另一端与工程建筑物连接,可以承受由于 土压力、水压力或风力所施加于建筑物的推力,利用地层的锚固力以维持建筑物的 稳定。

在天然地层中的锚固方法以钻孔灌浆的方式为主。在人工填土中的锚固方法有锚 锭板和加筋土两种方式。锚固灌浆有简易灌浆、预压灌浆、化学灌浆以及特殊的锚固灌 浆技术。

  1. 錨固的应用领域

锚固作为岩土加固和结构稳定的经济而有效的方法,具有广泛的应用领域:边坡 稳定工程、深基坑工程与抗浮工程、抵抗倾覆的结构工程、地下工程和冲击区白勺抗浮与 保护等。

  1. 地下洞室的锚固

锚喷支护是应用锚杆(索)与喷射混凝土形成复合体加固岩体的措施,是喷射混凝 土支护、锚杆支护、喷射混凝土锚杆支护、喷射混凝土锚杆钢筋网支护和喷射?昆凝土锚 杆钢拱架支护等不同支护形式的统称。这种支护适用于不同地层条件、不同断面大小、 不同用途的地下洞室。它可用作临时性支承结构,也可用作永久性支护结构。

1 锚杆支护

根据围岩变形和破坏的特性,从发挥锚杆不同作用的角度考虑,锚杆在》同室的布 置有局部(随机)锚杆和系统锚杆。局部锚杆嵌人岩层,把可能塌落的岩块固定在内部 稳定的岩体上,起到悬吊作用保证洞顶围岩的稳定。系统锚杆一般按梅花形排歹!J,连续 锚固在洞壁内,将被结构面切割的岩块串联起来,保持和加强岩块的连锁、咬合和固嵌 效应,使分割的围岩组成一体,形成一连续加固拱,提高围岩的承载能力。

目前在工程中采用的锚杆形式很多,按作用原理来划分,主要有下列类型的锚杆: 全长粘结性锚杆、端头锚固形锚杆、摩擦型锚杆、预应力锚杆和自钻式注浆锚杆。

2 喷射混凝土支护

喷射混凝土是利用压缩空气或其他动力,将按一定配比拌制的混凝土混合物沿管 路输送至喷头处,以较高速度垂直喷射于受喷面,依赖喷射过程中水泥与集料的连续撞 击,压密而形成的薄层支护结构。

3 钢筋网支护

当地下洞室跨度较大或围岩较破碎时,可采用钢筋网支护。钢筋网可在喷射混凝 土支护前防止锚杆间松动岩块的脱落,还可以提高喷射混凝土的整体性。

4 预应力锚索支护

预应力锚索是利用高强钢丝束或钢绞线穿过滑动面或不稳定区深人岩体深层,利 用锚索体的高抗拉强度增大正向拉力,改善岩体的力学性质,增加岩体的抗剪强度,并 对岩体起加固作用,增大岩层间的挤压力。预应力锚索分为有粘结锚索和无粘结锚索 两种。

3.1.5 地下工程施工

  1. 规模分类

水工地下洞室按照倾角(洞轴线与水平面的夹角)可划分为平洞、斜井、竖井三种 类型其划分原则为倾角小于等于6°为平洞倾角6°〜75°为斜井斜井可进一步 细分为缓斜井(大于6°小于等于48")和斜井(大于48",小于75° );倾角大于等 于75°为竖井。地下工程按断面规模大小可分为特小断面、小断面、中断面、大断面和 特大断面五类具体尺寸见表3.1-7。

表3.1-7地下工程按断面规模分类

规模分类 洞室断面积4 (m2) 跨度S(m)
特小断面 ^10 ^3
小断面 10</K25 3<B^5
中断面 25<Z 彡100 5 <5^10
大断面 100 225 10<β 彡 15
特大断面 >225 >15

依据为《水工建筑物地下工程开挖施工技术规范》DL/T5099—2011ο

地下建筑物开挖不宜欠挖平均径向超挖值平洞应不大于20cm,缓斜井、斜井 和竖井应不大于25cm。

  1. 洞口开挖

洞口开挖前,应对洞口岩体稳定性进行分析,确定开挖方法、支护措施和洞口边 坡加固方案。洞口削坡应自上而下分层进行。洞脸开挖前应对开挖范围外影响安全的危 石进行处理,设置排水设施,必要时可在洞脸上方设置柔性防护网或加设挡石栏栅。随 坡面下挖,做好坡面和洞脸加固。

洞口段一般采用先导洞后扩挖的方法施工,采取浅孔弱爆破的方法。断面较小时 也可采用全断面开挖、及时支护的方法。当洞口明挖量大或岩体稳定性差、工期紧张 时,可利用施工支洞或导洞自内向外开挖,并及时做好支护。明挖与洞挖实行平行作业 时,应对安全进行评估,并采取相应措施。

  1. 平洞开挖

平洞开挖方法应根据围岩类别、工程规模、工期要求、支护参数、施工条件、出 渣方式等确定。中小断面洞室,宜采用全断面开挖;大断面、特大断面宜采用分层、分 区开挖。

下列情况可采用预先贯通导洞法施工:

  1. 地质条件复杂,需进一步查清。
  2. 为解决排水或降低地下水位。
  3. 改善通风和优化交通。

开挖循环进尺应根据围岩情况、断面大小和支护能力、监测结果等条件进行控制, 在IV类围岩中一般控制在2m以内在V类围岩中一般控制在lm以内。

  1. 斜井与竖井开挖

斜井开挖应综合分析地质条件、结构布置、断面尺寸、坡度、长度、交通条件等 因素选择开挖方法和施工设备。斜井倾角为6° -30°时宜采用自上而下全断面开挖。 倾角为30°〜45°时可采用自上而下全断面开挖或自下而上开挖采用自下而上开挖 时应有扒渣和溜渣设施。倾角为45°〜75°时可采用自下而上先挖导井、再自上而 下扩挖,或自下而上全断面开挖。

竖井开挖应综合分析地质条件、结构布置、断面尺寸、深度、交通条件等因素 选择开挖方法和施工设备。若不具备从竖井底部出渣的条件时应全断面自±2而下开 挖;当竖井底部有出渣通道,且竖井断面较大时,可选用导井开挖,扩挖宜自上而下 进行。当竖井底部有出渣通道时,小断面竖井和导井可采用反井钻机法、爬躍法或吊 罐法进行自下而上全断面开挖。在土层中开挖竖井时,应自上而下开挖,&开挖边 支护。

  1. 掘进机开挖

全断面隧洞掘进机(Tunnel Boring Machine,简称TBM )是一种专用的开挖设备, 它利用机械破碎岩石的原理,完成开挖、出渣、衬砌、回填灌浆等工序的平行连续流水 作业,连续不断地进行掘进。

按照破碎岩石的方法,掘进机大致可分为挤压式(滚压式)和切削式两种类型;按 照掘进机的作业面是否封闭,可分为开敞式、单盾式和双护盾掘进机。

地下工程施工,符合下列情况时,可研究选用掘进机施工的合理性:

  1. 圆形断面洞径3〜12m,洞线比较顺直洞长超过5km,开挖施工支:洞及竖 井困难或不经济。
  2. 围岩类别为I〜m类岩体构造均匀物理力学指标适中岩溶不发育断 层破碎带较少,围岩变形小。

(3 )岩石单轴抗压强度在30〜200MPa。

  1. 地下涌水量较小。

在坚硬、中等坚硬的较完整岩体中开挖隧洞时,宜选用开敞式掘进机开挖;在 中等坚硬的完整性较差的岩体、软岩或局部土层中开挖隧洞时,宜选用护盾式;掘进机 开挖。

3.2 土石坝施工技术

  1. 土石坝施工机械的配置
  2. 挖运机械的类型
  3. 挖掘机械

土石方工程的开挖机械主要是挖掘机。

  1. 挖装运组合机械

挖运组合机械主要有推土机和铲运机;装运结合的机械则有装载机。

  1. 运输机械

运输机械有循环式和连续式两种。

(1 )循环式运输机械有有轨机车和汽车。一般工程自卸汽车的吨位是10〜35t汽 车吨位大小应根据需要并结合道路桥梁条件来考虑。

  1. 最常用的连续运输机械是带式运输机。根据有无行驶装置,分为移动式和固 定式两种。前者多用于短程运输和散体材料的装卸堆存,后者多用于长距离运输。

带式运输机运行时驱动轮带动皮带连续运转。为防止皮带松弛下垂,在机架端部 设有张紧鼓轮。沿机架设有上下托辊避免皮带下垂。为保证运输途中卸料,沿机架同时 设有卸料小车,卸料小车沿机架上的轨道移到卸料位置卸料。

带式运输机有金属带和橡胶带常用的是后者。带宽一般为800〜1200mm最 大带宽1800mm,最大运行速度240m/min,最大小时生产率达12000t/h。这种运输设 备不受地形限制,结构简单,运行方便灵活,生产率很高。

  1. 施工机械的配置方法

土石坝工程的施工,一般有多种方案可供选择。在拟定施工方案时,应首先选用 基本工作的主要设备。即按照施工条件、工程进度和工作面的参数选择主要机械,然后 根据主要机械的生产能力和性能选用配套机械。选择施工机械时,可参考类似工程的施 工经验和有关机械手册。常用土方施工机械的经济运距如下:

(1 )履带式推土机的推运距离为15〜30m时可获得最大的生产率。推运的经济 运距一般为30〜50m大型推土机的推运距离不宜超过100m。

  1. 轮胎装载机用来挖掘和特殊情况下作短距离运输时其运距一般不超过100〜 150m;履带式装载机不超过100m。
  2. 牵引式铲运机的经济运距一 般为300m。自行式铲运机的经济运距与道路坡度 大小、机械性能有关一般为200〜300m。
  3. 自卸汽车在运距方面的适应性较强。
  4. 土石坝填筑的施工碾压试验
  5. 压实机械

压实机械分为静压碾压、振动碾压、夯击三种基本类型。其中静压碾压设备有羊 足碾(在压实过程中,对表层土有翻松作用,无需刨毛就可以保证土料良好的层间结 合)、气胎碾等;夯击设备有夯板、强夯机等。

静压碾压的作用力是静压力其大小不随作用时间而变化如图3.2-1 (a )所示。

夯击的作用力为瞬时动力,有瞬时脉冲作用,其大小随时间和落高而变化,如 图3.2-1 (b)所示。

振动的作用力为周期性的重复动力,其大小随时间呈周期性变化,振动周期的长 短随振动频率的大小而变化如图3.2-1 (c)所示。振动碾压与静压碾压相比,具 有重量轻、体积小、碾压遍数少、深度大、效率高的优点。

2026一建《水利》电子教材(可搜索)2026一建《水利》电子教材(可搜索)2026一建《水利》电子教材(可搜索)2026一建《水利》电子教材(可搜索)

(C)

图3.2-1 土料压实作用外力示意图

(a)静压碾压;(b)夯击;(c)振动碾压

  1. 土料填筑标准
  2. 黏性土的填筑标准

含砾和不含砾的黏性土的填筑标准应以压实度和最优含水率作为设计控制指标。 设计最大干密度应以击实最大干密度乘以压实度求得。

1级、2级坝和高坝的压实度应为98%〜100%, 3级中低坝及3级以下的中坝压实 度应为96%〜98%。设计地震烈度为8度、9度的地区宜取上述规定的大值。

  1. 非黏性土的填筑标准

砂砾石和砂的填筑标准应以相对密度为设计控制指标。砂砾石的相对密度不应低 于0.75,砂的相对密度不应低于0.7,反滤料宜为0.7。

  1. 压实参数的确定
  2. 土料填筑压实参数主要包括碾压机具的重量、含水量、碾压遍数及铺土厚度 等,对于振动碾还应包括振动频率及行走速率等。

(2 )黏性土料压实含水量可取**wl = wp + 2%; w2 = wp** w3 = wp —2%三种进行试 验。wp为土料塑限。

  1. 2026一建《水利》电子教材(可搜索)2026一建《水利》电子教材(可搜索)选取试验不同的铺土厚度和碾压遍数,并测定相应的土料含水量和干密度, 作出对应的关系曲线(图3.2-2),再按铺土厚度、压实遍数、最优含水量和最大干密 度进行整理并绘制相应的曲线(图3.2-3)根据设计干密度Pd从曲线上分另lj查出不 同铺土厚度所对应的压实遍数和对应的最优含水量。最后再分别计算单位压实遍数的压 实厚度,即比较么/α、hjb**h./c,**其中以单位压实遍数的压实厚度最大者为最经济、 合理。

碾压遍数

«1

•£^/h

h产 h~h3

含水盘w(%)

图3.2-2不同铺土厚度、不同压实 遍数土料含水量和干密度关系曲线

图3.2-3铺土厚度、压实遍数、最优
含水量、最大干密度的关系曲线

4非黏性土不存在最优含水量含水量不作专门控制这是非黏性土与黏性土 压实特性的根本区别。故对非黏性土料的试验,只需作铺土厚度、压实遍数和干密度 的关系曲线,据此便可得到与不同铺土厚度对应的压实遍数。最后再分别计算单位压实 遍数的压实厚度,以单位压实遍数的压实厚度最大者为最经济、合理。

  1. 土石坝填筑的施工方法
  2. 土石坝施工作业划分

根据施工方法的不同,土石坝分为干填碾压(碾压式)、水中填土、水力冲填(包 括水坠坝)和定向爆破修筑等类型。其中,碾压式土石坝最为普遍。碾压土石坝的施工 作业,包括准备作业、基本作业、辅助作业、附加作业和坝面作业。

1 准备作业。包括“四通一平”(通车、通水、通电、通信、平整场地)、修建 生产、生活福利、行政办公用房以及排水清基等工作。

2 基本作业。包括料场土石料开采,挖、装、运以及坝面作业等。

3 辅助作业。辅助作业是保证准备及基本作业顺利进行,创造良好工作条件的作 业,包括清除施工场地及料场的覆盖,从上坝土料中剔除超径石块、杂物,坝面排水、 层间刨毛和加水等。

4 附加作业。附加作业是保证坝体长期安全运行的防护及修整工作,包括坝坡 修整,铺砌护面块石及铺植草皮等。

5 坝面作业。包括卸料、铺料、整平、洒水、压实、质量检验等。

  1. 坝料开采

1土料开采

土料开采主要分为立面开采及平面开采。其施工特点及适用条件见表3.2-1。

表3.2-1 土料开采方式比较

开采方式 立面开采 平面开采
料场条件 土层较厚,料层分布不均 地形平坦,适应薄层开挖
含水率 损失小 损失大,适用于有降低含水率要求的土料
冬期施工 土温散失小 土温易散失,不宜在负温下施工
雨期施工 不利因素影响小 不利因素影响大
适用机械 正铲、反铲、装载机 推土机、铲运机或推土机配合装载机

2砂砾料开采

砂砾料含反滤料开采施工特点及适用条件见表3.2-2。

表3.2-2砂砾料开采方式比较

开采方式 水上开采 水下开采(含混合开采)
料场条件 阶地或水上砂砾料 水下砂砥料无坚硬胶结或大漂石
适用机械 正铲、反铲、推土机 采砂船、索铲、反铲
冬期施工 不影响 若结冰厚,不宜施工
雨期施工 一般不影晌 要有安全措施,汛期一般停产
  1. 石料开采

用作坝体的堆石料多采用深孔梯段微差爆破。一定条件下,用洞室爆破也可获取 合格的堆石料,并能加快施工进度。用作护坡及排水棱体的块石料,块体尺寸要求较 高,且数量一般不大,多用浅孔爆破法开采,也有从一般爆破堆石料(侧重获取大块料 进行爆破设计)筛分取得。

  1. 坝面作业的基本要求

根据施工方法、施工条件及土石料性质的不同,坝面作业施工程序包括卸料、铺 料、整平、洒水、压实(对于黏性土料采用平碾,压实后尚须刨毛以保证层间结合的质 量)、质量检验等工序。为了不使各工序之间相互干扰,可采用分段流水作业进行施工。

流水作业施工应先按施工工序数目对坝面分段,然后组织相应专业施工班组依次 进人各工段施工。就同一工段而言,各专业施工班组按工序依次连续施工;就各专业施 工班组而言,依次连续在各工段完成固定的专业作业。各工段都有专业施工班组固定的 施工机具,从而保证施工过程中“人、机、地”三不闲。

  1. 卸料与铺料
  2. 卸料和铺料有三种方法,即进占法、后退法和混合法(进占法与后退法同时 采用),一般采用进占法。厚层填筑也可采用混合法铺料,可以减少工作量。进占法铺 料厚度容易控制,容易平整,压实设备工作条件较好。
  3. 铺料宜平行坝轴线进行,铺土厚度要匀,超径不合格的料块应打碎,杂物应 剔除。进人防渗体内铺料,自卸汽车卸料宜用进占法倒退铺土,使汽车始终在松土上行 驶,避免在压实土层上开行,造成超压,引起剪力破坏。汽车穿越反滤层进人防渗体, 容易将反滤料带人防渗体内,造成防渗土料与反滤料混杂,影响坝体质量。
  4. 按设计厚度铺料整平是保证压实质量的关键。一般采用带式运输机或自卸汽 车上坝卸料,采用推土机或平土机散料平土。
  5. 黏性土料含水量偏低,主要应在料场加水,若需在坝面加水,应力求“少、 勤、匀”,以保证压实效果。对非黏性土料,为防止运输过程脱水过量,加水工作主要 在坝面进行。石渣料和砂砾料压实前应充分加水,确保压实质量。
  6. 对于汽车上坝或光面压实机具压实的土层,应刨毛处理,以利于层间结合。通 常刨毛深度为3〜5cm,可用推土机改装的刨毛机刨毛,工效高、质量好。
  7. 压实(碾压)

碾压方式主要取决于碾压机械的开行方式。碾压机械的开行方式通常有:进退错 距法和圈转套压法两种。

(1 )进退错距法操作简便,碾压、铺土和质检等工序协调,便于分段流水作业,压实 质量容易保证其开行方式如图3.2-4 ( a )所示。用这种开行方式,为避免漏压,可在 碾压带的两侧先往复压够遍数后再进行错距碾压。错距宽度Z-(m)按式(3.2-1 )计算: b = B/n ( 3.2-1 )

式中**B**——碾滚净宽(m);

η 设计碾压遍数。

  1. 圈转套压法要求开行的工作面较大,适合于多碾滚组合碾压。其优;点是生 产效率较高,但碾压中转弯套压交接处重压过多,易超压。当转弯半径小时,容易引

起土层扭曲,产生剪力破坏,在转弯的四角容易漏压,质量难以保证,其开行方式如 图3.2-4 ( b )所示。

2026一建《水利》电子教材(可搜索)2026一建《水利》电子教材(可搜索)

ς-ΞΞΞΞζΞΞ;

(a) ( b)

图3.2-4碾压机械开行方式

(a)进退错距法;(b)圈转套压法

  1. 结合部位施工
  2. 在坝体填筑中,层与层之间分段接头应错开一定距离,同时分段条带应与坝 轴线平行布置,各分段之间不应形成过大的高差。接坡坡比一般缓于]:3。
  3. 坝体填筑中,为了保护黏土心墙或黏土斜墙不致长时间暴露在大气中遭受影 响,一般都采用土、砂平起的施工方法。土、砂平起填筑,采用两种施工方法:一种是 先土后砂法,即先填土料后填砂砾反滤料;另一种是先砂后土法,即先填砂砾反滤料后 填土料。

两种施工方法都存在土料边仍有一定宽度未被压实合格的情况。当采用羊足碾与 气胎碾联合作业时,土砂结合部可用气胎碾进行压实,无此条件时可采用夯实机具。 在夯实土砂结合部时,宜先夯土边一侧,等合格后再夯反滤料,不得交替夯实,影响 质量。

  1. 对于坝身与混凝土结构物(如涵管、刺墙等)的连接部位,填土前,先将结 合面的混凝土表面乳皮、粉尘及其附着杂物清除干净,在结合面上洒水湿润,涂刷一层 厚3〜5mm的浓黏性土浆、水泥黏性土浆或水泥砂浆要边涂刷、边铺土、边碾压涂 刷高度与铺土厚度一致,并应与下部涂层衔接,不得在泥浆干涸后铺土和压实。泥浆土 与水质量比宜为1 : 3.0-1 : 2.5,宜通过试验确定。填土含水率控制应大于最优含水率 1.0%〜3.0%。靠近混凝土结构物两侧及顶部0.5m范围内填土,不能采用大型机械压实 时,可采用小型机械夯实或人工夯实。要注意混凝土结构物两侧均衡填料压实,以免对 其产生过大的侧向压力。
  2. 坝基结合面。对于基础部位的填土,宜采用薄层、轻碾的方法。对于黏性土、 砾质土坝基,应将其表层含水量调节至施工含水量的上限范围,用与防渗体土料相同的 碾压参数压实然后刨毛3〜5cm,再铺土压实。非黏性土地基应先压实,再铺第一层 土料,其含水量为施工含水量的上限,采用轻型机械压实,压实干密度可略低于设计 值。对于岩基,应先把局部凹凸不平的岩石进行整平,封闭岩石表面节理、裂隙,防止 渗水冲烛防渗体。若岩基干燥可适当洒水,并使用含水量略高的土料。无论何种坝基, 只有填筑厚度达到2m以上时才可以使用重型压实机械。
  3. 土石坝的施工质量控制

施工质量控制是土石坝安全的重要保证,它贯穿于土石坝施工的各个环节和施

工全过程。土石坝施工质量控制主要包括料场的质量检查和控制、坝面的质量检查和 控制。

  1. 料场的质量检查和控制
  2. 对土料场应经常检查所取土料的土质情况、土块大小、杂质含量和含水量等。 其中含水量的检查和控制尤为重要。简单办法是“手检”,即手握土料能成团,手指搓 可成碎块则含水量合适。更精确可靠的方法是用含水量测定仪测定含水量领W定仪使 用快捷方便测试结果直接从LCD读取即插即读。
  3. 若土料的含水量偏高,一方面应改善料场的排水条件和采取防雨措施,另一 方面需将含水量偏高的土料进行翻晒处理,或采取轮换掌子面的办法,使土料含水量降 低到规定范围再开挖。若以上方法仍难满足要求,可以采用机械烘干法烘干。
  4. 当含水量偏低时,对于黏性土料应考虑在料场加水。料场加水的有效方法是 分块筑畦埂,灌水浸渍,轮换取土。地形高差大也可采用喷灌机喷洒。无论哪种加水方 式,均应进行现场试验。对非黏性土料可用洒水车在坝面喷洒加水,避免运输日寸从料场 至坝上的水量损失。
  5. 当土料含水量不均匀时,应考虑堆筑“土牛”(大土堆),使含水量均匀后再 外运。
  6. 对石料场应经常检查石质、风化程度、石料级配大小及形状等是否满足上坝 要求。如发现不合要求,应查明原因,及时处理。
  7. 坝面的质量检查和控制
  8. 在坝面作业中,应对铺土厚度、土块大小、含水量、压实后的干密度等进 行检查,并提出质量控制措施。对黏性土,含水量的检测是关键,可用含水量测定仪 测定。干密度的测定黏性土一般可用体积为200〜500cm3的环刀取样测定砂可 用体积为500cm3的环刀取样测定砾质土、砂砾料、反滤料用灌水法或灌沙法测定 堆石因其空隙大,一般用灌水法测定。当砂砥料因缺乏细料而架空时,也用灌水法 测定。
  9. 根据地形、地质、坝料特性等因素,在施工特征部位和防渗体中,迭定一些 固定取样断面沿坝高5〜10m取代表性试样(总数不宜少于30+个)进行室内物理力 学性能试验,作为核对设计及工程管理之根据。此外,还须对坝面、坝基、削坡、坝肩 接合部、与刚性建筑物连接处以及各种土料的过渡带进行检查。对土层层间结合处是否 出现光面和剪力破坏应引起足够重视认真检查。对施工中发现的可疑问题切1上坝土 料的土质、含水量不合要求,漏压或碾压遍数不够,超压或碾压遍数过多,铺土厚度不 均匀及坑洼部位等应进行重点抽查,不合格的应进行返工。
  10. 对于反滤层、过渡层、坝壳等非黏性土的填筑,主要应控制压实参数。在填 筑排水反滤层过程中每层在25mX25m的面积内取样1〜2个对条形反滤层每隔 50m设一取样断面每个取样断面每层取样不得少于4个均匀分布在断面的不同部 位,且层间取样位置应彼此对应。对于反滤层铺填的厚度、是否混有杂物、填料的质 量及颗粒级配等应全面检查。通过颗粒分析,查明反滤层的层间系数(D5O/d50)和每 层的颗粒不均匀系数(**d60/dw)**是否符合设计要求。如不符要求,应重新筛选,重新 铺填。
  11. 土坝的堆石棱体与堆石体的质量检查大体相同。主要应检查土坝石料的质量、 风化程度,石块的重量、尺寸、形状,堆筑过程有无离析架空现象发生等。对于堆石 的级配、孔隙率大小,应分层分段取样,检查是否符合规范要求。随坝体的填筑应分 层埋设沉降管,对施工过程中坝体的沉陷进行定期观测,并做出沉陷随时间的变化过 程线。
  12. 对于坝体填料的质量检查记录,应及时整理,分别编号存档,编制数据库, 既作为施工过程全面质量管理的依据,也作为坝体运行后进行长期观测和事故分析的 佐证。
  13. 负温施工的质量检查和控制

当日平均气温低于Οΐ时,黏性土料应按低温季节进行施工管理。当日平均气温低 于-ιοί时,不宜填筑土料。负温施工注意以下几点:

  1. 黏性土含水量略低于塑限防渗体土料含水率不大于塑限的90%。压实 土料温度应在-1Ϊ以上。宜采用重型碾压机械。坝体分段结合处不得存在冻土层、 冰块。
  2. 砂砾料的含水率应小于4%,不得加水。填筑时应基本保持正温,冻料含量控 制在10%以下冻块粒径不超过10cm,且均匀分布。
  3. 当日最低气温低于-10Ϊ时可以采用搭建暖棚进行施工。

3.3面板堆石坝施工技术

3.3.1面板堆石坝结构布置

面板堆石坝上游面有薄层防渗面板,面板既可以是刚性钢筋混凝土的,也可以是 柔性沥青混凝土的。坝体主要是堆石结构。良好的堆石材料,尽量减少堆石体的变形, 为面板正常工作创造条件,是坝体安全运行的基础。

  1. 堆石材料的质量要求
  2. 为保证堆石体的坚固、稳定主要部位石料的抗压强度不应低于78MPa,当 石料的抗压强度只有49〜59MPa时只能布置在坝体的次要部位。

(2 )石料硬度不应低于莫氏硬度表中的第三级其韧性不应低于2kg · m/cm2o

  1. 石料的天然重度不应低于22kN/m3,石料的重度越大,堆石体的稳定性越好。 (4 )石料应具有抗风化能力其软化系数水上不低于0.8,水下不低于0.85。
  2. 堆石体碾压后应有较大的密实度和内摩擦角,且具有一定渗透能力。
  3. 堆石坝坝体分区

堆石坝的边坡取决于填筑石料的特性与荷载大小,对于优质石料,坝坡一般在 1 : 1.3左右。坝体部位不同,受力状况不同,对填筑材料的要求也不同,所以应对坝体 进行分区。堆石坝坝体分区主要有垫层区、过渡区、主堆石区、下游堆石区(次堆石料 区)等如图3.3-1所示。

1)垫层区

(1)垫层区的主要作用是为面板提供平整、密实的基础,将面板承受的水压力均 匀传递给主堆石体,并起辅助渗流控制作用。

4

2026一建《水利》电子教材(可搜索)

1A―上游铺盖区1B—压重区2—垫层区3A一过渡区3B—主堆石区3C一下游堆石区; 4一主堆石区和下游堆石区的可变界限5—下游护坡6—混凝土面板

2高坝垫层料应具有良好的级配最大粒径为80〜100mm小于5mm的颗粒含 量宜为30%〜50%小于0.075mm的颗粒含量不宜超过8%。压实后内部渗透稳,并具 有低压缩性、高抗剪强度及良好施工特性。中低坝可适当降低对垫层料的要求。

2 过渡区

1 过渡区位于垫层区和主堆石区之间,主要作用是保护垫层区在高水头作用下 不产生破坏。

2 过渡区石料粒径、级配应符合垫层料与主堆石料间的反滤要求,压实后应 具有低压缩性和高抗剪强度,并具有自由排水性能,级配应连续,最大粒径不宜超过 300mm。

3 主堆石区

1 主堆石区位于坝体上游区内,是承受水荷载的主要支撑体,其石质好坏、密 度、沉降量大小,直接影响面板的安危。

2 主堆石区石料要求石质坚硬,级配良好,最大粒径不应超过压实层厚度,压 实后能自由排水。

4 下游堆石区

1 下游堆石区位于坝体下游区,主要作用是保护主堆石体及下游边坡的稳定。

2 下游堆石区采用较大石料填筑,由于该区域的沉降变形对面板的影响甚微,故 对石质和密度要求可以比主堆石区放宽。下游堆石区在下游水位以下部分,应用坚硬、 抗风化能力强的石料填筑,压实后应能自由排水;下游水位以上的部分,对坝料的要求 可以降低。

3.3.2坝体填筑施工

堆石坝填筑施工质量控制的关键是要对填筑工艺和压实参数进行有效控制。

  1. 填筑工艺

1坝体堆石料铺筑宜采用进占法图3.3-2,必要时可采用自卸汽车后退法 图3.3-3 与进占法结合卸料混合法如图3.3-4所示应及时平料并保持填筑 面平整,每层铺料后宜测量检查铺料厚度,发现超厚应及时处理。后退法的优,点是汽车 可在压平的坝面上行驶,减轻轮胎磨损;缺点是推土机摊平工作量大,且影响施工进度。 进占法卸料自卸汽车在未碾压的石料上行驶,轮胎磨损较严重,虽料物稍有分离,但对 坝料质量无明显影响,并且显著减轻了推土机的摊平工作量,使堆石填筑速度力Π快。

2026一建《水利》电子教材(可搜索)

图3.3-2进占法 图3.3-3后退法

2026一建《水利》电子教材(可搜索)

  1. 垫层料的摊铺多用后退法,以减轻物料的分离。当压实层厚度大时,可采用混 合法卸料,即先用后退法卸料呈分散堆状,再用进占法卸料铺平,以减轻物料的分离。 垫层料粒径较小,又处于倾斜部位,可采用斜坡振动碾或液压平板振动器压实。
  2. 坝体堆石料碾压应采用振动平碾其工作质量不小于10t。高坝宜采用重型振 动碾振动碾行进速度宜小于3km/h。应经常检测振动碾的工作参数保持其正常的 工作状态。碾压应采用错距法,按坝料分区、分段进行,各碾压段之间的搭接不应小于 1.0mo
  3. 压实过程中,有时表层块石有失稳现象。为改善垫层料碾压质量,采用斜坡 碾压与砂浆固坡相结合的施工方法。
  4. 斜坡碾压与水泥砂浆固坡的优点是施工工艺和施工机械设备简单,既解决了斜 坡碾压中垫层表层块石振动失稳下滚的问题,又在垫层上游面形成一坚固稳定的表面, 可满足临时挡水防渗要求。
  5. 碾压砂浆在垫层表面形成坚固的“结石层”,具有较小而均匀的压缩性和吸水 性,对克服面板混凝土的塑性收缩和裂缝发生有积极作用。这种方法使固坡速度大为加 快,对防洪度汛、争取工期效果明显。
  6. 堆石坝的压实参数和施工质量控制
  7. 堆石坝的压实参数

填筑标准应通过碾压试验复核和修正,并确定相应的碾压施工参数(碾重、行车速 率、铺料厚度、加水量、碾压遍数)。

  1. 堆石坝施工质量控制

(1 )坝料压实质量,应采用碾压参数和干密度(孔隙率)等参数控制,以控制碾 压参数为主。

(2)铺料厚度、碾压遍数、加水量等碾压参数应符合设计要求,铺料厚度应每层 测量其误差不宜超过层厚的10%。

(3 )坝料压实检查项目、取样次数见表3.3-1。

表3.3-1坝料压实检查项目和取样次数

坝料 检查项目 取样次数
坝面 干密度、颗粒级配 1次/ (500-1000m3),每单元至少1次
垫层料上游坡面 干密度、颗粒级配 1 次 / (1500~3000m3)
小区 干密度、颗粒级配 1次/ (1〜3层)
过渡料 干密度、颗粒级配 1 次 / (1000〜5000m3)
砂砾料 干密度、相对密度、颗粒级配 1次/ (1000〜5000m3),每层不少子10点
堆石料 干密度、孔隙率、颗粒级配 1 次 / (50◦◦〜50000m3)

注:渗透系数按设计要求进行检测。

  1. 坝料压实检查方法:

垫层料、过渡料和堆石料压实干密度检测方法,宜采用挖坑灌水(砂)法,或辅以 其他成熟的方法。垫层料也可用核子密度仪法。

垫层料试坑直径不小于最大料径的4倍试坑深度为碾压层厚。

过渡料试坑直径为最大料径的3〜4倍试坑深度为碾压层厚。

堆石料试坑直径为坝料最大料径的2〜3倍试坑直径最大不超过2m。试坑深度为 碾压层厚。

  1. 按表3.3-1规定取样所测定的干密度其平均值不小于设计值标准差不宜大 于50g/m3。当样本数小于20组时应按合格率不小于90%,不合格点的干密度不低于 设计干密度的95%控制。

3.3.3面板及趾板施工

  1. 钢筋混凝土面板及趾板的施工

钢筋混凝土面板是位于堆石坝体上游面起防渗作用的混凝土主体结构,厚度薄、 面积大,在满足抗渗性和耐久性条件下,要求具有一定柔性,以适应堆石体的变形。趾 板是连接地基防渗体与面板的混凝土板。

  1. )面板施工

面板的施工主要包括钢筋混凝土面板的分块、垂直缝砂浆条铺设、钢筋架立、面 板混凝土浇筑、面板养护等作业内容。

  1. 钢筋混凝土面板的分块

面板由起始板及主面板组成。面板分块的目的是适应坝体的变形,并且设垂直缝 以适应滑模施工的需要。面板垂直缝的间距决定了面板的宽度,由于面板通常采用滑模 连续浇筑,因此,面板的宽度决定了混凝土的浇筑能力,也决定了钢模的尺寸及其提升 设备的能力。面板通常有宽、窄块之分。垂直缝的间距可为8〜16m。狭窄河谷中的面 板堆石坝,其两侧面板的垂直缝间距可减小。面板分块时,将靠近岸坡的条块宽度减 小,以更好地适应坝体的不均匀变形。

根据《混凝土面板堆石坝施工规范》SL 49—2015,坝高低于100m时面板混凝

土宜一次浇筑完成坝高大于等于100m时根据施工安排或提前蓄水需要面板可分 期浇筑。分期浇筑接缝应按施工缝处理,设计有要求时按设计要求处理。

除起始块,面板分期施工或在滑模过程中因故被迫中断可设施工缝外,面板宜少 设施工缝。

(2 )垂直缝砂浆条铺设

垂直缝砂浆条一般宽50cm,是控制面板体型的关键。砂浆由坝顶通过运料小车到 达工作面,根据设定的坝面拉线进行施工,一般采用人工抹平,其平整度要求较高。砂 浆强度等级与面板混凝土相同。砂浆铺设完成后,再在其上铺设止水,架立侧模。

(3 )钢筋架立

面板钢筋宜采用现场绑扎、焊接或机械连接,也可采用预制钢筋网片现场整体拼 装的办法。当设计要求与接地网连接时,应连接牢固。在垫层上搭设架立筋需按设计要 求设置和处理。混凝土浇筑时,需将打人垫层料的架立筋逐次割断,以免增加面板基础 的约束力。置于上游固坡表面的“板凳筋”可以不处理。

  1. 面板宜采用单层双向钢筋,钢筋宜置于面板截面中部或偏上位置,每向配筋率 为0.3%〜0.4%,水平向配筋率可少于竖向配筋率。
  2. 在拉应力区或岸边周边缝及附近可适当配置增强钢筋。高坝在邻近周边缝的垂 直缝两侧宜适当布置抵抗挤压的构造钢筋,但不应影响止水安装及其附近混凝土振捣 质量。
  3. 计算钢筋面积应以面板混凝土的设计厚度为准。

(4 )面板混凝土浇筑

  1. 面板施工前,应对垫层坡面布置方格网进行测量与放样。外边线与设计边线偏 差应符合设计要求。混凝土浇筑前应对坡面保护(含挤压边墙)进行检查,发现脱空、 坡面局部损坏等应及时处理。
  2. 滑模施工的作业场地宽度应满足布置卷扬机及其平台装置、运输混凝土道路等 施工需要。
  3. 滑动模板应遵循以下原则:适应面板条块宽度和滑模平整度要求;有足够的强 度和刚度;有足够的配重;满足施工振捣和压面的需要;安装、运行、拆卸方便灵活; 应有安全措施,滑模上应设有挂在钢筋网上的制动装置,牵引机具为卷扬机时,地锚等 应安全可靠。
  4. 面板混凝土浇筑宜使用无轨滑模,跳仓浇筑,起始三角块宜与主面板一起浇筑。
  5. 通常面板混凝土采用滑模浇筑。滑模由坝顶卷扬机牵引,在滑升过程中,对出 模的混凝土表面要及时进行抹光处理,及时进行保护和养护。
  6. 面板混凝土人仓宜选用溜槽输送。溜槽数量应与面板宽度相适应,以保证混凝 土输送能力,减少出口端溜槽摆动的幅度,溜槽摆动幅度大,容易脱节,混凝土拌合物 运送过程容易溢出和撒落。宽度小于8m时可以用1条溜槽宽度为8〜12m时可 以用2条溜槽宽度为12m以上时可以用3条溜槽。也可采用溜槽与布料机联合输 送方案,采用机械化布料机进行布料,有利于滑模前沿混凝土均匀分布,也方便混凝土 出模后的机械化抹面。溜槽连接不得脱落、漏浆,溜槽上部宜加覆盖。溜槽出口距仓面 距离不应大于2m应采取有效措施防止集料分离。
  7. 根据《混凝土面板堆石坝施工规范》SL 49-2015,坍落度应根据混凝土的运输、 浇筑方法和气候条件决定当用溜槽输送时溜槽人口处坍落度宜为30〜70mm视气 候条件选用。

(5 )面板养护

面板养护是避免发生裂缝的重要措施。面板养护包括保温、保湿两项内容。一般 采用草袋保温、喷水保湿,并要求连续养护。面板混凝土宜在低温季节浇筑,ί昆凝土人 仓温度应加以控制,并加强混凝土面板表面的保湿和保温养护,直到蓄水为止,或至少 90do

  1. 趾板施工
  2. 趾板混凝土施工,应在相邻区的垫层、过渡层和主堆石区填筑前完成。
  3. 趾板绑扎钢筋前,应按设计要求设置锚筋。趾板锚筋可做架立筋使用。
  4. 趾板绑扎钢筋时,应同时按设计要求设置灌浆导管,将止水片固定在正确位 置,并进行保护。
  5. 趾板混凝土在周边缝一侧的顶面用2m直尺检查不平整度不应超过5mm。
  6. 混凝土浇筑时,应保证止水片(带)附近混凝土的密实,并避免止水片(带) 的变形和移位。
  7. 沥青混凝土面板施工

沥青混凝土面板的施工方法有碾压法、浇筑法、预制装配法以及填石振动法。沥 青混凝土施工过程中温度控制十分严格。必须根据材料的性质、配比、不同地区、不同 季节,通过试验确定不同温度的控制标准。沥青混凝土防渗体施工过程中,各道工序的 温度控制范围如图3.3-5所示。

2026一建《水利》电子教材(可搜索)

图3.3-5沥青混凝土防渗体施工过程中各道T序的温度控制范围

沥青在泵送、拌和、喷射、浇筑和压实过程中对其运动黏度值应加以控商1。沥青 的运动黏度值与温度存在一定关系,因此,控制沥青的运动黏度的过程,也是控制温度 的过程,两者应协调一致。

沥青混凝土面板的施工特点在于铺填及压实层薄通常板厚10〜30cm,施工压实 层厚仅5〜10cm且铺填及压实均在坡面上进行。沥青混凝土的铺填和压实多采用机械 化流水作业施工。沥青混凝土热料由汽车或装有料罐的平车经堆石体上的工作平台运至 坝顶门式绞车前,由门式绞车的工作臂杆吊运料罐卸料倒人给料车的料斗内。给料车供 给铺料车沥青混凝土。铺料车在门式绞车的牵引下,沿整平后的堆石坡面自下而上地铺 料铺料宽度一般为3〜4m。特制的斜坡振动碾压机械在门式绞车的牵引下尾随铺料车将铺好的沥青混凝土压实。采用机械施工的最大坡长达150m。当坡长超过范围时 须将堆石体分成两期或多期进行每期堆石体顶部均须留出20〜30m的工作平台宽度。 机械化施工每天可铺填压实300〜500t沥青混凝土。

  1. 接缝止水施工

接缝止水结构是面板堆石坝安全运行的关键问题之一,面板坝接缝包括趾板缝、 周边缝、垂直缝(张性和压性缝)、防浪墙体缝、防浪墙底缝以及施工缝(水平缝)等, 接缝止水材料包括金属止水片、塑料止水带、缝面嵌缝材料及保护膜等。

铜止水带的连接宜采用对缝焊接或搭接焊接,焊缝处的抗拉强度不应小于母材抗 拉强度的70%。对缝焊接应用单面双道焊缝;搭接焊接宜双面焊接,搭接长度应大于 20mm。铜止水带宜用黄铜焊条焊接焊接时应对垫片进行防火、防融蚀保护。不锈钢 止水带宜用钨极氩弧焊焊接。金属止水带的焊缝应表面光滑、不渗水,无孔洞、裂隙、 漏焊、欠焊、咬边伤等缺陷,抽样应用煤油等做渗透检验。

止水带加工成型、接头焊接后,不应有机械加工引起的裂纹、孔洞等损伤,以及 漏焊、欠焊等缺陷。对有加工缺陷或焊接质量不符合要求的部位,应用红油漆标出,及 时处理,并记录备查。混凝土浇筑前,应对止水带的安装质量进行专项检查,止水带应 安装准确、牢固,其平段及立腿应清理干净,经验收合格后才能开仓浇筑。

4章 混凝土与混凝土坝工程

2026一建《水利》电子教材(可搜索)4.1混凝土的生产与浇筑

第4章_

看本章精讲课 Ϊ 故本章自测题

4.1.1混凝土拌合设备及其生产能力的确定

  1. 拌合设备
  2. 拌合机

拌合机是制备混凝土的主要设备,混凝土拌合机按搅拌方式分为强制式、自落式 两种。强制式拌合机的装料鼓筒不旋转,固定在轴上的叶片旋转带动混凝土集料进行强 制拌和。自落式拌合机是利用可旋转拌合筒上的固定叶片,将混凝土集料带至筒顶自由 跌落拌制,自落式拌合机有鼓筒式和双锥式两种。拌合机的主要性能指标是其工作容 量以L或m3计。如800L的拌合机每一个工作循环出料0.8m3,相应要求进料1.2m3。 拌和混凝土最大粒径的允许值随着拌合机容量增大而增大。拌合机按照装料、拌和、卸 料三个过程循环工作。

强制式拌合机主要用来拌制干硬性混凝土。自落式拌合机主要用来拌制有一定坍 落度的混凝土。鼓筒式拌合机容量不大铭牌容量一般在400〜800L可装在车架上 成移动式,多用于分散、工程量不大的工程。双锥式拌合机容量较大,铭牌容* 1000L 以上者,常用于固定式拌合系统。

  1. )拌合站、拌合楼
  2. 拌合站的布置。对台阶地形,拌合机数量不多,可一字形排列;对沟槽路堑地 形,拌合机数量多,可采用双排相向布置。拌合站的配料可由人工,也可由札械完成, 供料配料设施的布置应考虑进出料方向、堆料场地、运输线路布置。混凝土拌合站布置 图如图4.1-1所示。

2026一建《水利》电子教材(可搜索)

图4.1-1混凝土拌合站布置图

1一水泥仓2一螺旋输送机3一搅拌站4一带式输送机5—集料仓6一称呈斗

  1. 拌合楼是集中布置的混凝土工厂(图4.1-2),常按工艺流程分层布置,分 为进料、贮料、配料、拌和及出料共五层,其中配料层是全楼的控制中心,设有主操 纵台。

2026一建《水利》电子教材(可搜索)2026一建《水利》电子教材(可搜索)

b

图4.1-2混凝土拌合楼

a立面图b贮料层平面图c拌合层平面图

1 一进料皮带机2—水泥螺旋运输机3—受料斗4一分料器5—贮料仓

6—配料斗7一世水器8—集料斗9—拌合机10—混凝土出料斗

  1. 拌合设备生产能力的确定

1混凝土拌合系统规模

拌合设备生产能力主要取决于设备容量、台数与生产率等因素。混凝土拌合系统 的基本生产能力,一般情况下是用满足浇筑强度而选择配置混凝土拌合设备的总生产能 力来表示生产规模的大小按有关规定划分见表4.1-lo

表4.1-1混凝土拌合系统生产规模分类表

规模类型 小时生产能力m3/h 月生产能力万m3/月)
特大型 彡480 ^16
大型 180 〜480 6 (含)~16
中型 60 (含)~180 2 (含)~6
小型 <60 <2

注:本表摘自《水电工程施工组织设计规范》ΝΒ/Τ 10491—202U

2拌合设备生产能力的计算

1 )混凝土拌合系统小时生产能力计算公式如下:

Qh = · η 4.1-1

式中2h——小时生产能力m3/h ;

Kh——小时不均匀系数可取1.3〜1.5;

Qm——混凝土高峰浇筑强度m3/月);

m ——每月工作天数d, 一般取25d;

η——每天工作小时数h一般取20h。

2 )混凝土初凝条件校核小时生产能力(平浇法施工)计算公式如下:

a 彡 1.150/6—ί2 4.1-2

式中**S**——最大混凝土块的浇筑面积m2;

D——最大混凝土块的浇筑分层厚度m;

Λ——混凝土的初凝时间h与所用水泥种类、气温、混凝土的浇筑温度、外 加剂等因素有关在没有试验资料的情况下参照表4.1-2选取

ί2——混凝土出机后到浇筑人仓所经历的时间h

表4.1-2混凝土的初凝时间未掺外加剂

浇筑温度(Ό) 初凝时间h
普通水泥 矿渣水泥
30 2.0 2.5
20 3.0 3.5
10 4.0 4.0

4.1.2混凝土运输方案

  1. 混凝土运输方案分类

混凝土运输方案包括:自卸汽车、料罐车、搅拌车等车辆运送混凝土;门式、塔 式、缆式起重机以及其他起吊设备配吊罐运送混凝土;胶带机(包括塔带机、胎带机、 布料机等)运送混凝土;溜筒、溜管、溜槽、负压(真空)溜槽运送混凝土;混凝土泵 输送混凝土等。

1 自卸汽车、料罐车、搅拌车等车辆运送混凝土,应遵守下列规定:

  1. 运输道路保持平整。
  2. 装载混凝土的厚度不小于40cm,车厢严密、平滑、不漏浆。
  3. 搅拌车装料前应将拌筒内积水清理干净。运送途中拌筒保持3〜6r/min的 慢速转动,并不应往拌筒内加水。
  4. 不宜采用汽车运输混凝土直接人仓。

2 门式、塔式、缆式起重机以及其他起吊设备配吊罐运送混凝土应遵守下歹规定:

  1. 定期对起吊设备进行检查维修,保证设备完好。
  2. 起吊设备的起吊能力、吊罐容量与混凝土人仓强度相适应。
  3. 起吊设备运转时,与周围施工设备及建筑物保持安全距离,并安装防撞装置。
  4. 吊罐人仓时,采取措施防止撞击模板、钢筋和预埋件等。

3 胶带机(包括塔带机、胎带机、布料机等)运送混凝土应遵守下列规定:

  1. 避免砂浆损失和集料分离,必要时可适当增大砂率。
  2. 混凝土最大集料粒径大于80mm时进行适应性试验。
  3. 卸料处设置挡板、卸料导管和刮板。
  4. 布料均匀。
  5. 卸料后及时清洗胶带机上粘附的水泥砂浆,并防止冲洗水流人仓内和污染其他

物体。

  1. 露天胶带机上搭设盖棚。高温季节和低温季节有适当的保温措施。
  2. 塔带机、胎带机卸料胶筒不应对接胶筒长度宜控制在6〜12m。
  3. 溜筒、溜管、溜槽、负压(真空)溜槽运送混凝土应遵守下列规定:
  4. 溜筒(管、槽)内壁平顺、光滑、不漏浆,混凝土运输前用砂浆或干净水润滑 溜筒(管、槽)内壁,用水润滑时,应将水排出仓外。
  5. 溜筒(管、槽)形式、高度及适宜的混凝土坍落度通过试验确定,试验场地不 应选取主体建筑物。
  6. 溜筒(管、槽)每节之间应连接牢固,并有防脱落措施。
  7. 运输和卸料过程中避免砂浆损失和集料分离,必要时可设置缓冲装置,不应向 溜筒(管、槽)内混凝土加水。
  8. 运输结束或溜筒(管、槽)堵塞处理后,应及时冲洗。

(5 )混凝土泵输送混凝土应遵守下列规定:

  1. 混凝土泵和输送管安装前,应彻底清除管内污物及水泥砂浆,并用压力水冲洗 干净。安装后及时检查,防止脱落、漏浆。
  2. 泵送混凝土最大集料粒径不应大于导管直径的1/3,并不应有超径集料进人混 凝土泵内。
  3. 泵送混凝土之前,应选用下列浆液中的一种润滑混凝土泵和输送管内壁:
  4. 水泥净浆;
  5. 1 : 2水泥砂浆
  6. 与混凝土内除粗集料外的其他成分相同配合比的水泥砂浆。
  7. 应保持泵送混凝土的连续性。间歇时间超过45min应及时清除混凝土泵和输 送管内的混凝土并清洗。
  8. 泵送混凝土输送完毕后,应及时用压力水清洗混凝土泵和输送管。
  9. 选择混凝土运输浇筑方案的原则

(1 )选用的运输设备,应使混凝土在运输过程中不发生泄漏、分离、漏浆、严重 泌水,并减少温度回升和坍落度损失等。

  1. 不同级配、不同强度等级或其他特性不同的混凝土同时运输时,应在运输设 备上设置明显的区分标志或识别系统。
  2. 混凝土运输过程中,应缩短运输时间,减少转运次数,不应在运输途中和卸 料过程中加水。
  3. 混凝土运输过程中,因故停歇过久,混凝土拌合物出现下列情况之一者,应 按不合格料处理:
  4. 混凝土产生初凝。
  5. 混凝土塑性降低较多,已无法振捣。
  6. 混凝土被雨水淋湿严重或混凝土失水过多。
  7. 混凝土中含有冻块或遭受冰冻,严重影响混凝土质量。
  8. 不论采用何种运输设备混凝土自由下落高度不宜大于2m超过时应采取 缓降或其他措施,防止集料分离。

4.1.3混凝土的浇筑与养护

  1. 混凝土浇筑的工艺流程

混凝土浇筑的施工过程包括浇筑前的准备作业,浇筑时人仓铺料、平仓振捣和混 凝土养护。

  1. 浇筑前的准备作业

浇筑前的准备作业包括基础面处理、施工缝处理、立模、钢筋、预埋件及止水设 施安设等。

1 基础面处理

对于砂砾地基应清除杂物整平建基面再浇10〜20cm低强度等级的?昆凝土作 垫层,以防漏浆;对于土基应先铺碎石,盖上湿砂,压实后,再浇筑混凝土;对于岩 基,在爆破后,用人工清除表面松软岩石、棱角和反坡,并用高压水枪冲洗,若粘有油 污和杂物,可用金属丝刷洗,直至洁净为止,最后,再用高压风吹至岩面无积水,经质 检合格,才能开仓浇筑。

2 施工缝处理

施工缝指浇筑块间临时的水平和垂直结合缝,也是新老混凝土的结合面。在新混 凝土浇筑前,应当采用适当的方法(高压水枪、风砂枪、风镐、钢刷机、人工凿毛等) 将老混凝土表面含游离石灰的水泥膜(乳皮)清除,并使表层石子半露,形成有利于 层间结合的麻面。对纵缝表面可不凿毛,但应冲洗干净,以利灌浆。采用高压冰冲毛, 视气温高低可在浇筑后5〜20h进行当用风砂枪冲毛时一般应在浇后一两天进 行。施工缝面凿毛或冲毛后应用压力水冲洗干净使其表面无渣、无尘才肖g浇筑混 凝土。

  1. 入仓铺料

1混凝土入仓铺料方法

混凝土人仓铺料方法主要有平铺法、台阶法和斜层浇筑法。

1平铺法。混凝土人仓铺料时整个仓面铺满一层振捣密实后再铺筑下一层 逐层铺筑称为平铺法又称平浇法如图4.1-3所示。

2026一建《水利》电子教材(可搜索)2026一建《水利》电子教材(可搜索)2026一建《水利》电子教材(可搜索)2026一建《水利》电子教材(可搜索)

图4.1-3平铺法铺料

2台阶法。混凝土人仓铺料时从仓位短边一端向另一端铺料边前进边加高, 逐层向前推进并形成明显的台阶直至把整个仓位浇到收仓高程如图4.1-4所示。

2026一建《水利》电子教材(可搜索)

图4.1-4台阶法铺料

  1. 斜层浇筑法。斜层浇筑法是在浇筑仓面,从一端向另一端推进,推进中及时 覆盖以免发生冷缝。斜层坡度不超过10°,否则在平仓振捣时易使砂浆流动,集料分 离下层已捣实的混凝土也可能产生错动如图4.1-5所示。浇筑块高度一般限制在 1.5m左右。因浇筑过程中混凝土冷量损失较小,当浇筑块较薄,且对混凝土采取预冷 措施时,斜层浇筑法是较常见的方法。

2026一建《水利》电子教材(可搜索)

2026一建《水利》电子教材(可搜索)

  1. 分块尺寸和铺层厚度

分块尺寸和铺层厚度受混凝土运输浇筑能力的限制。若分块尺寸和铺层厚度已定, 要使层间不出现冷缝,应采取措施增大运输浇筑能力。若设备能力难以增加,则应考虑 改变浇筑方法,将平铺法改变为斜层浇筑和台阶浇筑,以避免出现冷缝。为避免砂浆流 失、集料分离,宜采用低坍落度混凝土。

  1. 铺料间隔时间

混凝土铺料允许间隔时间,指混凝土自拌合楼出机口到覆盖上层混凝土为止的时 间,它主要受混凝土初凝时间和混凝土温控要求的限制。

混凝土铺料层间间歇超过混凝土允许间隔时间,会出现冷缝,使层间的抗渗、抗 剪和抗拉能力明显降低。

  1. 混凝土初凝时间。它与水泥品种、外加剂掺用情况、气候条件、混凝土保温 措施等均有一定关系。施工时,可通过试验确定。
  2. 允许间隔时间的确定。混凝土允许间隔时间,按照混凝土初凝时间和混凝土温 控要求两者中较小值确定。混凝土温控允许间隔时间,根据混凝土浇筑温度计算确定。 按混凝土初凝时间考虑的混凝土浇筑允许间隔时间见表4.1-3。

表4.1-3混凝土浇筑允许间隔时间(min)

混凝土浇筑时气温(°C ) 中热硅酸盐水泥、硅酸盐水泥、 普通硅酸盐水泥 低热矿渣硅酸盐水泥、矿查硅酸盐 水泥、火山灰质硅酸盐水泥
21 〜30 90 120
11 〜20 135 180
5〜10 195
  1. 平仓振捣

平仓就是将卸人仓内成堆的混凝土料均匀铺平到要求的厚度。平仓可用插人式振 捣器先斜插人料堆下部,然后再一次又一次插人料堆上部振动,使流态混凝土在振捣器 作用下自行摊平。但振捣器平仓不应代替下一个振捣工序。对于大仓面,可用平仓机 (或湿地推土机)进行平仓,但要求仓内无拉条等障碍物。可用平仓振捣机同日寸进行平 仓和振捣两项工序。

振捣是保证混凝土密实的关键,应在平仓后立即进行。为了避免漏振,应使振点 (插人点)均匀排列(有正方形排列和三角形排列),有序进行振捣,并使振捣器插人 下层混凝土 5〜10cm以利于上下层结合。插人点不要触碰钢筋和模板但离模板的 距离不要大于20cm,以免漏振使混凝土出现蜂窝、麻面。相邻插人点间距不应大于振 捣器作用半径7?的1.5-1.75倍。振捣器作用半径Λ与振捣器性能有关一股为30〜 50cm。每个插点振捣时间一般为20〜30s。混凝土振捣主要采用混凝土振捣器进行。按 照振捣方式不同,分为插人式、外部式、表面式以及振动台等。其中,外部式适用于尺 寸小且钢筋密的结构。表面式适用于薄层混凝土振捣。水利水电工程大多使用插人式, 分为电动软轴式、电动硬轴式和风动式。混凝土振实根据以下现象判断:混凝土表层不 再显著下沉,不再出现气泡,表面出现一层薄而均匀的水泥浆。过振的混凝土汜现集料 下沉、砂浆上翻的离析现象。

混凝土浇筑仓出现下列情况之一时,应停止浇筑:

(1 )混凝土初凝且超过允许面积。

(2 )混凝土平均浇筑温度超过允许值并在lh内无法调整至允许温度范围内。

混凝土浇筑仓出现下列情况之一时,应予挖除:

(1 )拌合物出现不合格料的情形:

  1. 错用配料单配料。
  2. 混凝土任意一种组成材料计量失控或漏配。
  3. 出机口混凝土拌合物不均匀或夹带生料,或温度、含气量和坍落度不符合要求。
  4. 低等级混凝土混人高等级混凝土浇筑部位。

(3 )混凝土无法振捣密实或对结构物带来不利影响的级配错误的混凝土料。

  1. 未及时平仓振捣且已初凝的混凝土料。
  2. 长时间不凝固的混凝土料。
  3. 混凝土养护

《水工混凝土施工规范》SL 677—2014中规定塑性混凝土应在浇筑完毕后6〜18h 内开始洒水养护,低塑性混凝土宜在浇筑完毕后立即喷雾养护,并及早开始洒水养护;

混凝土应连续养护,养护期内始终使混凝土表面保持湿润。

1混凝土养护方法和适用条件

1洒水养护

  1. 人工洒水。人工洒水适用于任何部位,有利于控制水流,可防止长流水对机电 安装的影响。但由于施工供水系统的水压力有限和施工部位交通不便,人工洒水的劳动 强度较大,洒水范围受到限制,一般难以保持混凝土表面始终湿润。
  2. 自流养护。利用钻有小孔的钢管进行自流养护其方法是在025mm的钢管上 按150mm的间距钻一排衫mm的小孔悬挂在大型模板下口或固定在混凝土表面上。 从小孔中流出的微量水流在混凝土表面形成“水套”如图4.1-6所示。自流养护由 于受水压力、混凝土表面平整度以及蒸发速度的影响,养护效果不稳定,必要时需辅以 人工洒水养护。

2026一建《水利》电子教材(可搜索)

图4.1-6悬挂在模板下口的自流养护水

  1. 机具喷洒。机具喷洒是利用供水管道中的水压力推动固定在支架上的特殊喷头, 在混凝土表面进行旋喷和摆喷。喷头可以自行加工,也可以利用农业灌溉中的机具。

2覆盖养护

对于已浇筑到顶部的平面和长期停浇的部位,可采用覆盖养护。覆盖养护的材料, 根据实际情况可选用水、粒状材料和片状材料。粒状和片状材料不仅可以用于混凝土养 护,而且也有隔热保温和混凝土表面保护的功效。

3 )化学剂养护

养护剂可分为成膜型和非成膜型两类,前者在混凝土表面形成不透水的薄膜,阻 止水分蒸发,后者依靠渗透、毛细管作用,达到养护混凝土的目的。

2混凝土养护时间

《水工混凝土施工规范》SL 677—2014规定混凝土养护时间不宜少于28d,有 特殊要求的部位宜延长养护时间至少28d。混凝土养护时间的长短取决于混凝土 强度增长和所在结构部位的重要性。

4.1.4混凝土温度控制

  1. 混凝土裂缝

由于準凝土的抗压强度远高于抗拉强度,在温度压应力作用下不致破坏的混凝土, 当受到温度拉应力作用时,常因抗拉强度不足而产生裂缝。大体积混凝土温度裂缝有细 微裂缝、表面裂缝、深层裂缝和贯穿裂缝。其中细微裂缝一般表面缝宽0.1mm, 缝深**h ':S** 30cm;表面裂缝一般表面缝宽**δ ~S** 0.2mm,缝深**h** -S lm;深层裂缝一般表面 缝宽<5彡0.4mm,缝深**h** = l~5m,且**h <** 1/3坝块宽度缝长**L >** 2m;贯穿裂缝指 从基础向上开裂且平面贯通全仓。

大体积混凝土紧靠基础产生的贯穿裂缝,无论对坝的整体受力还是防渗效果的影 响都比浅层表面裂缝的危害大得多。表面裂缝也可能成为深层裂缝的诱发因素,对坝的 抗风化能力和耐久性有一定影响。因此,对混凝土坝等大体积混凝土应做好温度控制 措施。

  1. 混凝土温控术语

1 )绝热温升

混凝土在绝热条件下由混凝土中胶凝材料水化释放出的热量引起的温升值。

2 稳定温度场

大体积混凝土建成多年,水化热影响消除后,大体积混凝土内部温度不随外界环 境温度变化的温度场。

3 准稳定温度场

大体积混凝土建成多年,水化热影响消除后,大体积混凝土内部温度随夕卜界环境 温度周期性变化的温度场。

4 基础约束区

基础面以上0〜0.4/的高度范围其中0〜0.2/称强约束区0.2〜0.4/称 弱约束区,/指混凝土浇筑块长边的长度。

5 基础温差

基础约束区内,混凝土最高温度与稳定温度之差。

6 新老混凝土温差

龄期超过28d的老混凝土面上新浇筑混凝土的最高温度与新混凝土开始浇筑时下 层老混凝土的平均温度之差。

7 内外温差

混凝土内部最高温度与混凝土表面温度之差。

8 出机口温度

在拌合设施出料口测得的混凝土拌合物深3〜5cm处的温度。

9 入仓温度

混凝土下料后平仓前测得的深5〜10cm处的温度。

10 浇筑温度

混凝土经平仓振捣或碾压后、覆盖上坯混凝土前本坯混凝土面以下5~10cm处 的温度。

  1. 混凝土温度控制措施

根据《混凝土坝温度控制设计规范》NB/T 35092—2017,混凝土温度控制措施有 关要求如下:

1 )总体要求

  1. 施工期应对混凝土原材料、混凝土生产过程、混凝土运输和浇筑过程及浇筑 后的温度进行全过程控制。对高坝宜采用具有信息自动采集、分析、预警、动态调整等 功能的温度控制系统进行全过程控制。

(2 )应提出符合坝体分区容许最高温度及温度应力控制标准的混凝土温度控制措 施,并提出出机口温度、浇筑温度、浇筑层厚度、间歇期、表面冷却、通水冷却和表面 保护等主要温度控制指标。

  1. 气候温和地区宜在气温较低月份浇筑基础混凝土;高温季节宜利用早晚、夜 间气温低的时段浇筑混凝土。
  2. 常态混凝土浇筑应采取短间歇均匀上升、分层浇筑的方法。基础约束区的浇 筑层厚度宜为1.5〜2.0m,有初期通水冷却的浇筑层厚度可适当加厚;基础约束区以上 浇筑层厚度可采用1.5〜3.0m。浇筑层间歇期宜采用5〜7d。在基础约束区内应避免出 现薄层长期停歇的浇筑块。宜在下层混凝土最高温度出现后,开始浇筑上层混凝土。
  3. 碾压混凝土宜薄层浇筑连续上升。
  4. 原材料温度控制

(1 )水泥运至工地的人罐或人场温度不宜高于65Ϊ。

  1. 应控制成品料仓内集料的温度和含水率细集料表面含水率不宜超过6%,应 采取下列主要措施:
  2. 成品料仓宜采用筒仓料仓除有足够的容积外宜维持集料不小于6m的堆料厚 度,或取料温度不受日气温变幅的影响;细集料料仓的数量和容积应足够细集料脱水轮 换使用。
  3. 料仓搭设遮阳防雨棚,粗集料可采取喷雾降温。
  4. 宜通过地垄取料,采取其他运料方式时应减少转运次数。
  5. 拌合水储水池应有防晒设施,储水池至拌合楼的水管应包裹保温材料。
  6. 混凝土生产过程温度控制

(1 )降低混凝土出机口温度宜采取下列措施:

  1. 常态混凝土的粗集料可采用风冷、浸水、喷淋冷水等预冷措施,碾压混凝土的 粗集料宜采用风冷措施。采用风冷时冷风温度宜比集料冷却终温低10Ϊ,且经风冷的 集料终温不应低于0冗。喷淋冷水的水温不宜低于2ΐ。
  2. 拌合楼宜采用加冰、加制冷水拌合混凝土。加冰时宜采用片冰或冰屑,常态混 凝土加冰率不宜超过总水量的70%,碾压混凝土加冰率不宜超过总水量的50%。加冰 时可适当延长拌合时间。
  3. 混凝土出机口温度可按《混凝土坝温度控制设计规范》ΝΒ/Τ 35092—2017附 录Ε的方法计算。
  4. 混凝土运输和浇筑过程温度控制
  5. 应提出混凝土运输及卸料时间要求;混凝土运输机具应采取隔热、保温、防

雨等措施。应提出混凝土坯层覆盖时间要求;混凝土人仓后、初凝前应及时进行平仓、 振捣或碾压。混凝土出拌合楼机口至振捣或碾压结束温度回升值不宜超过5%,且混 凝土浇筑温度不宜大于28Ϊ。人仓温度和浇筑温度可按《混凝土坝温度控制设计规范》 NB/T 35092—2017附录E的方法计算。

  1. 混凝土平仓、振捣或碾压后,应及时覆盖聚乙烯泡沫塑料板、聚乙稀气垫薄 膜、保温被等保温材料;浇筑或碾压上坯层混凝土时应揭去保温材料。
  2. 浇筑仓内气温高于25Ϊ时应采用喷雾措施喷雾应覆盖整个仓面雾滴直径 应达到40〜80μιη同时应防止混凝土表面积水。喷雾后仓内气温较仓外气温降低值不 宜小于3Τ。混凝土终凝后可结束喷雾。
  3. 浇筑后温度控制
  4. 混凝土浇筑后温度控制宜采用冷却水管通水冷却、表面流水冷却、表面蓄水 降温等措施。坝体有接缝灌浆要求时,应采用水管通水冷却方法。
  5. 高温季节,常态混凝土终凝后可采用表面流水冷却或表面蓄水降温措施。表 面流水冷却的仓面宜设置花管喷淋,形成表面流动水层;表面蓄水降温应在混凝土表面 形成厚度不小于5cm的覆盖水层。
  6. 坝高大于200m或温度控制条件复杂时宜采用自动调节通水降温的冷却控制 方法。
  7. 通水冷却
  8. 宜通过分期通水冷却控制混凝土温度。分期通水包括初期、中期、后期通水冷却。
  9. 在已确定浇筑温度、浇筑层厚度和浇筑间歇期等措施的前提下,混凝土温度 仍高于允许最高温度时,应进行初期通水冷却。
  10. 出现下列情况之一的,应进行中期冷却通水:
  11. 初期通水冷却结束后,混凝土温度回升过大的;
  12. 坝体临时挡水、坝面及孔洞临时过水或其他需要减少混凝土内外温差的;
  13. 需要分担后期冷却降温幅度的。
  14. 在计划时段内,自然冷却混凝土温度达不到接缝灌浆或接触灌浆温度要求时, 应进行后期通水冷却。

(5 )冷却水管流向变换间隔时间不宜超过24h,可选择12h或24h换向。

  1. 施工期温度监测与分析

根据《混凝土坝温度控制设计规范》NB/T 35092—2017,为做好大体积混凝土的 温控,应对施工期混凝土温度控制全过程进行监测,监测内容主要包括原材料温度监 测、混凝土温度监测、通水冷却监测、浇筑仓气温及保温层温度监测等。施工期温度监 测原始记录应完整有效。测温仪器应经过率定其测温误差为±0.3ΐ。

  1. )原材料温度监测
  2. 水泥、掺合料、集料、水和外加剂等原材料的温度应至少每4h测量1次低 温季节施工宜加密至每lh测量1次。
  3. 测量水、外加剂溶液和细集料的温度时,温度传感器或温度计插人深度不小 于10cm;测量粗集料温度时插人深度不小于10cm并大于集料粒径的1.5倍,周围用 细粒径料充填。
  4. 混凝土出机口温度、入仓温度和浇筑温度监测

(1 )混凝土出机口温度应每4h测量1次低温季节施工时宜加密至每2h测量1次。

  1. 混凝土人仓后平仓前应测量深5〜10cm处的人仓温度。人仓温度应每4h测 量1次低温季节施工时宜加密至每2h测量1次。
  2. 混凝土经平仓、振捣或碾压后、覆盖上坯混凝土前,应测量本坯混凝土面以下 5〜10cm处的浇筑温度。浇筑温度测温点应均匀分布且应覆盖同一仓面不同品种的混 凝土同一坯层每100m2仓面面积应有1个测温点且每个坯层应不少于3个测温点。
  3. 混凝土内部温度监测
  4. 施工期坝体混凝土温度监测应充分利用坝内埋设的永久观测仪器。
  5. 混凝土温度监测可采用电阻式温度计、数字式温度计等观测仪器;也可采用 预设测温孔灌水方法孔深大于15cm,用温度计测量。

(3 )各坝段基础约束区每12个浇筑层宜布置1个测温点非约束区每23个浇 筑层宜布置1个测温点自开始浇筑至最高温度出现期间每8h或12h测量1次最高 温度出现后至上层混凝土覆盖前每12h或24h测量1次高坝宜增加测温点和测温频次。

  1. 通水冷却监测

(1 )应在每仓混凝土中选择1〜3根冷却水管进行进出口水温、流量、压力的测量 并记录各期通水开始时间、结束时间。水温、流量、压力宜每6〜12h测量1次。

  1. 各期通水冷却结束时,宜采用水管闷水测温方法监测混凝土温度,闷水时间 宜采用5〜7d并记录闷水开始日期、结束日期及测温结果。
  2. 浇筑仓气温及保温层温度监测

(1 )混凝土施工过程中应测量仓内中心点附近距混凝土表面高度1.5m处的气温, 并同时测量仓外气温。宜采用自动测温仪器人工测温时每天应至少测量4次。

  1. 混凝土表面保温期间,应选择典型保温部位及保温方法进行保温层下的混凝 土表面温度测量可在混凝土最高温度出现前每8h观测1次最髙温度出现至28d每 **24h**观测1次28d至保温材料拆除前每周观测1次。
  2. 气温骤降期间,宜增加仓内外气温和保温层下的混凝土表面温度监测频次。
  3. 数据分析与反馈

(1 )应对监测得到的温度控制数据进行整编、分析和处理。

  1. 应按仓位统计混凝土出机口温度、浇筑温度、最高温度;埋设冷却水管的部 位,应按仓位或冷却批次统计各期水管冷却的降温速率、降温幅度。
  2. 应绘制各坝段、各部位的温度控制状况图表,分析评价温度控制效果。
  3. 应依据温度控制实施效果进行温度过程预测,对可能超出控制标准的部位提 出预警。

4.2模板与钢筋

4.2.1模板的分类与模板施工

  1. 模板的分类

模板根据制作材料可分为木模板、钢模板、胶合板、塑料板、混凝土和钢筋混凝

土预制模板等;根据架立和工作特征可分为固定式、拆移式、移动式和滑升式等。

固定式模板多用于起伏的基础部位或特殊的异形结构。如蜗壳或扭曲面,因大小 不等,形状各异,难以重复使用。拆移式、移动式和滑动式可重复或连续在形狀一致或 变化不大的结构上使用,有利于实现标准化和系列化。

  1. 拆移式模板

(1 )拆移式模板(图4.2-1 )是一种常用模板,可做成定型的标准模板。

  1. 其标准尺寸大型的为100cmX( 325—525 ) cm,小型的为(75 — 100 )cmX 150cm。前者适用于3〜5m高的浇筑块需小型机具吊装后者用于薄层浇筑可人力 搬运。
  2. 架立模板的支架,常用围檩和桁架梁。桁架梁多用方木和钢筋制作。立模时, 将桁架梁下端插人预埋在下层混凝土块内U形埋件中。当浇筑块薄时上端用钢拉条 对拉;当浇筑块大时,则采用斜拉条固定,以防模板变形。这种模板费工、费料,由于 拉条的存在,有碍仓内施工。
  3. 一般标准木模板的重复利用次数即周转率为5〜10次而钢木混合模板的周 转率为30〜50次木材消耗减少90%以上,由于是大块组装和拆卸,故劳力、材料、 费用大为降低。
  4. 移动式模板
  5. 对定型的建筑物,根据建筑物外形轮廓特征,做一段定型模板,在支承钢架 上装上行驶轮,沿建筑物长度方向或垂直方向分段移动,分段浇筑混凝土。

(2 )移动式模板多用钢模板,作为浇筑混凝土墙和隧洞混凝土衬砌使用(图4.2-2 )o

2026一建《水利》电子教材(可搜索)2026一建《水利》电子教材(可搜索)2026一建《水利》电子教材(可搜索)2026一建《水利》电子教材(可搜索)

75 〜100 -<·

W

I 畫 IIIIIIIP

\241441

(b)

a)

图4.2-1拆移式模板(单位cm)

(a)小型;(b)大型

1—面板2—肋木3—加劲肋4—方木;

5—拉条6一桁架木7—支撑木

图4.2-2移动式模板浇筑混疑土墙

1—支承钢架2—钢模板3—花篮螺杆;
4一行驶轮5—轨道

  1. 自升式模板
  2. 自升式模板是由面板、围檩、支承桁架和爬杆等组成,其突出优点是自重轻, 自升电动装置具有力矩限制与行程控制功能,运行安全可靠,升程准确。
  3. 自升式模板采用插挂式锚钩,简单实用,定位准,拆装快。三桁架自升模板 总体结构如图4.2-3所示。
  4. 滑升模板

(1)滑升模板的特点是在浇筑过程中,模板的面板紧贴混凝土面滑动,以适应混

凝土连续浇筑的要求。

  1. 滑升模板避免了立模、拆模工作,提高了模板的利用率,同时省掉了接缝处 理工作,使混凝土表面平整光洁,增强建筑物的整体性。
  2. 滑模通过围檩和提升架与主梁相连,再由支承杆套管与支承杆相连。由千斤 顶顶托向上滑升。通过调坡丝杆调节模板倾斜坡度,通过微调丝杆调整定位模板,而收 分拉杆和收分千斤顶则是完成模板收分的设施。

(4 )为使模板上滑时新浇混凝土不致坍塌要求新浇混凝土达到初凝并具有1.5Χ 105Pa的强度。滑升速度受气温影响当气温为20-25ΐ时平均滑升速度为20〜30cm/h。 加速凝剂和采用低流态混凝土时可提高滑升速度。双面滑模结构示意图如图4.2-4 所示。

2026一建《水利》电子教材(可搜索)2026一建《水利》电子教材(可搜索)2026一建《水利》电子教材(可搜索)2026一建《水利》电子教材(可搜索)2026一建《水利》电子教材(可搜索)2026一建《水利》电子教材(可搜索)

图4.2-4双面滑模结构示意罔 1_提升架2—调坡丝杆3—微调丝杆4一模板面板

5—支承杆6—限位调平器7—千斤顶8—次梁和主梁 9一Μ1() 一支承杆袞管11—收分千斤顶12—收分拉杆

4

罔4.2-3三桁架自升模板总体结构

1—面板2一围榴3一支承桁架4—锚杆;
5—爬杆6—连接杆7—T作平台

  1. 混凝土及钢筋混凝土预制模板
  2. 它们既是模板,也是建筑物的护面结构,浇筑后作为建筑物的外壳,不予拆除。
  3. 混凝土预制模板(图4.2-5 )靠自重稳定,可作直壁模板,也可作倒悬模板。 直壁模板除面板外,还靠两肢等厚的肋墙维持其稳定。若将此模板反向安装,让肋墙置 于仓外,在面板上涂以隔离剂,待新浇混凝土达到一定强度后,可拆除重复使用,这 时,相邻仓位髙程大体一致。倒悬式混凝土预制模板可取代传统的倒悬木模板,一次埋 人现浇混凝土内不再拆除,既省工又省木材。
  4. 钢筋混凝土预制模板既可作建筑物表面的镶面板,也可作厂房、空腹坝空腹 和廊道顶拱的承重模板,这样避免了高架立模,既有利于施工安全,又有利于加快施工 进度,节约材料,降低成本。
  5. 混凝土和钢筋混凝土预制模板的重量均较大,常需起重设备起吊,所以在模 板预制时都应预埋吊环供起吊用。对于不拆除的预制模板,对模板与新浇筑混凝土的接 合面需进行凿毛处理。
  6. 模板施工
  7. 模板的安装

(1 )模板安装必须按设计图纸测量放样,对重要结构应多设控制点,以利检查校

正。且应经常保持足够的固定设施,以防模板倾覆。

  1. 支架必须支承在稳固的地基或已凝固的混凝土上,并有足够的支承面积,防 止滑动。支架的立柱必须在两个互相垂直的方向上,用撑拉杆固定,以确保稳定。
  2. 对于大体积混凝土浇筑块,成型后的偏差,不应超过模板安装允许偏差的 50%〜100%,取值大小视结构物的重要性而定。

2026一建《水利》电子教材(可搜索)2026一建《水利》电子教材(可搜索)

图4.2-5混凝土预制模板(单位cm )

(a)直壁式;(b)倒悬式

1—面板2—肋墙3—连接预埋环4一预埋吊环

  1. 模板的拆除
  2. 拆模时间应根据设计要求、气温和混凝土强度增长情况而定。对非承重模板, 混凝土强度应达到2.5MPa以上其表面和棱角不因拆模而损坏方可拆除。对f承重板, 要求达到规定的混凝土设计强度的某一个百分率后才能拆模。
  3. 提高模板使用的周转率,是降低模板成本的关键。
  4. 在拆除时应使用专门工具,减少对模板和混凝土的损伤,防止模板联落。立 模后,混凝土浇筑前,应在模板内表面涂以隔离剂,以利拆除。
  5. 拆下的模板应及时清洗,并除去模板面的水泥浆,分类妥善堆存,以备再用。
  6. 模板支护的安全要求

(1 )模板及支架必须符合下列要求:

  1. 保证混凝土浇筑后结构物的形状、尺寸与相互位置符合设计规定。
  2. 具有足够的稳定性、刚度和强度。
  3. 尽量做到标准化、系列化,装拆方便,周转次数高,有利于混凝土工程的机械 化施工。
  4. 模板与混凝土接触的面板以及各块模板接缝处,应平整、密合,防止漏浆,保 证混凝土表面的平整度和混凝土的密实性。
  5. 模板工程采用的材料及制作、安装等工序的成品均应进行质量检查,合格后, 才能进行下一工序的施工。
  6. 重要结构物的模板,承重模板,移动式、滑动式、工具式及永久性的模板,均 须进行模板设计,并提出对材料、制作、安装、使用及拆除工艺的具体要求。
  7. 除悬臂模板外,竖向模板与内倾模板都必须设置内部撑杆或外部拉杆,以保 证模板的稳定性。'

4.2.2钢筋的加工安装技术要求

  1. 钢筋表示方法及钢筋图

1)普通钢筋的表示方法

普通钢筋的表示方法见表4.2-1。

表4.2-1普通钢筋的表示方法

序号 名称 图例 说明
1 钢筋横断面
2 无弯钩的钢筋端部 / 左图表示长、短钢筋投影重疊时,短钢 筋的端部用45°斜画线表示
3 带半圆形弯钩的钢筋端部
4 带直钩的钢筋端部 L
5 带丝扣的钢筋端部
6 无弯钩的钢筋搭接 / |一
7 带半圆形弯钩的钢筋搭接 ( )
8 带直钩的钢筋搭接 I I
9 花篮螺丝钢筋接头 E3
10 机械连接的钢筋接头 E 用文字说明机械连接的方式(如冷挤压 或直螺纹等)

2)钢筋图

  1. 钢筋图中钢筋用粗实线表示,钢筋的截面用小黑圆点表示,钢筋采用编号进 行分类结构轮廓应用细实线表示某钢筋图案例如图4.2-6所示。

2026一建《水利》电子教材(可搜索)2026一建《水利》电子教材(可搜索)

钢筋图

(a)

(b)

图4.2-6某钢筋图案例

(a)立面图;(b)断面图

  1. 钢筋图一般附有钢筋表和材料表其格式见表4.2-2和表4.2-3 ο

表4.2-2钢筋表

编号 直径 形式 单根长(cm) 根数 总长(m) 备注
Φ12 75 75

Γ 3500
365 2 7.30
Φ12 220 220 2660

75 75
371 1 3.71 oc = 135°
並6 3500

S| IS
392 2 7.84
F6 160

o o

160
64 18 11.52

表4.2-3材料表

规格 总长度(m) 单位重(kg/m) 总重(kg) 合计(t)
12 12.09 0.888 10.736 0.015
6 19.36 0.222 4.298
  1. 钢筋图中标注结构的主要尺寸如图4.2-6所示。钢筋图中钢筋的标注形式如 图4.2-7所示。
/ , Ο n^d@s
/ /

\ ◦姆/

(a) (b) (c) (d)

图4.2-7钢筋的标注形式

注:圆圈内填写钢筋编号,**η为钢筋的根数i为钢筋直径及种类的代号ί/为钢筋直径的数值,@为钢筋间距 的代号,s**为钢筋间距的数值。

  1. 2026一建《水利》电子教材(可搜索)2026一建《水利》电子教材(可搜索)箍筋尺寸为内皮尺寸,弯起钢筋的弯起高度为外皮尺寸,单根钢筋的长度应 为钢筋中心线的长度箍筋和弯起钢筋尺寸如图4.2-8所示。

(a)

(b)

图4.2-8箍筋和弯起钢筋尺寸

(a)箍筋尺寸;(b)弯起钢筋尺寸

  1. 平面图中配置双层钢筋的底层钢筋向上或向左弯折,顶层钢筋向下或向右弯 折如图4.2-9所示。配有双层钢筋的墙体钢筋立面图中远面钢筋的弯折向上或向

近面钢筋的弯折向下或向右如图4.2-10所示。标注远面的代号为“YM”近面 的代号为“JM”。

2026一建《水利》电子教材(可搜索)2026一建《水利》电子教材(可搜索)

C YM—|

J L

图4.2-10立面图中的双层钢筋

  1. 钢筋加工
  2. 配料依据

(1 )设计图纸和修改通知。

  1. 浇筑部位的分层分块图。
  2. 混凝土人仓方式。
  3. 钢筋运输、安装方法和接头形式。
  4. 下料长度

下料长度计算是配料计算中的关键。钢筋弯曲时,其外壁伸长,内壁缩短,而中 心线长度并不改变。但是设计图中注明的尺寸是根据外包尺寸计算的,且不包括端头弯 钩长度。显然,外包尺寸大于中心线长度,它们之间存在一个差值,称为“量度差值” 即调整值。因此,钢筋的下料长度应为:

直钢筋下料长度=构件长度一保护层厚度+弯钩增加长度

弯起钢筋下料长度=直段长度+斜段长度一弯曲调整值+弯钩增加长度
箍筋下料长度=箍筋周长+箍筋调整值

上述钢筋若需要连接,还应加钢筋连接长度。

  1. 钢筋代换

在施工中应加强钢筋材料供应的计划性和实时性,尽量避免施工过程中的钢筋 代换。

  1. 以另一种钢号或直径的钢筋代替设计文件中规定的钢筋时,应遵守以下规定:
  2. 应按钢筋承载力设计值相等的原则进行,钢筋代换后应满足规定的钢筋间距、 锚固长度、最小钢筋直径等构造要求。
  3. 以高一级钢筋代换低一级钢筋时,宜采用改变钢筋直径的方法而不宜采用改变 钢筋根数的方法来减少钢筋截面面积。

(2 )用同钢号某直径钢筋代替另一种直径的钢筋时其直径变化范围不宜超过4mm, 代换后钢筋总截面面积与设计文件规定的截面面积之比不得小于98%或大于103%。

  1. 设计主筋采取同钢号的钢筋代换时,应保持间距不变,可以用直径比设计钢 筋直径大一级和小一级的两种型号钢筋间隔配置代换,满足钢筋最小间距要求。
  2. 钢筋加工

钢筋加工一般要经过四道工序:清污除锈、调直、下料剪切、接头加工及弯折。 当钢筋接头采用直螺纹或锥螺纹连接时,还要增加钢筋端头镦粗和螺纹加工工序。

钢筋的调直和清除污锈应符合下列要求:

  1. 钢筋的表面应洁净,使用前应将表面油渍、漆污、锈皮、鳞锈等清除干净。
  2. 钢筋应平直无局部弯折钢筋中心线同直线的偏差不应超过其全长的1%。 成盘的钢筋或弯曲的钢筋均应调直后,才允许使用。

(3 )钢筋在调直机上调直后其表面伤痕不得使钢筋截面面积减少5%以上。

  1. 如用冷拉方法调直钢筋则其调直冷拉率不得大于1%。

钢筋的弯制和末端的弯钩应符合设计要求。如设计未作规定时,所有的受拉光面 圆钢筋的末端应做180°的半圆弯钩弯钩的内径不得小于2.5ί/。当手工弯钩时,可带 有适当的平直部分(图4.2-11)。

2026一建《水利》电子教材(可搜索)

当500MPa级钢筋按设计要求弯转90°时其最小弯转直径应符合下列要求 (1 )钢筋直径小于16mm时最小弯转直径为5倍钢筋直径。

(2 )钢筋直径大于等于16mm时最小弯转直径为7倍钢筋直径(图4.2- 12 )。 当温度低于-20Ϊ时严禁对低合金钢筋进行冷弯加工以避免在钢筋起弯点发生 强化,造成钢筋脆断。

弯起钢筋弯折处的圆弧内半径应大于12.5倍钢筋直径(图4.2-13 )。

2026一建《水利》电子教材(可搜索)2026一建《水利》电子教材(可搜索)

表4.2-4圆钢筋制成的箍筋的末端弯钩长度

箍筋直径(mm) 受力钢筋直径(mm )
^25 28 〜40
5〜10 75 90
12 90 105

加工后钢筋的允许偏差不得超过表4.2-5规定的数值。

表4.2-5加工后钢筋的允许偏差

项次 偏差名称 允许偏差值
1 受力钢筋全长净尺寸的偏差 土 10mm
2 箍筋各部分长度的偏差 土 5mm
3 钢筋弯起点位置的偏差 厂房构件 士 20mm
大体积混凝土 士 30mm
4 钢筋转角的偏差 3。
  1. 钢筋连接
  2. 钢筋的接头方式

现场施工钢筋连接宜采用绑扎搭接、手工电弧焊、气压焊、竖向钢筋接触电渣焊 和机械连接等。

钢筋机械连接接头类型包括:套筒挤压连接、锥螺纹连接和直螺纹连接。其中直 螺纹连接分为镦粗直螺纹连接和滚压直螺纹连接(滚压直螺纹连接包括直接滚压直螺纹 连接、挤肋滚压直螺纹连接、剥肋滚压直螺纹连接)。

钢筋绑扎连接应符合以下要求:

  1. 受拉钢筋小于或等于22mm,受压钢筋直径小于或等于32mm,其他钢筋直径 小于等于25mm,可采用绑扎连接。
  2. 受拉区域内的光圆钢筋绑扎接头的末端应做弯钩,螺纹钢筋的绑扎接头末端 不做弯钩。
  3. 轴心受拉、小偏心受拉及直接承受动力荷载的构件纵向受力钢筋不得采用绑 扎连接。
  4. 钢筋搭接处应在中心和两端用绑丝扎牢绑扎不少于3道。
  5. 钢筋采用绑扎搭接接头时,纵向受拉钢筋的接头搭接长度按受拉钢筋最小锚 固长度值控制。

钢筋接头应分散布置,宜设置在受力较小处,同一构件中的纵向受力钢筋接头宜 相互错开,结构构件中纵向受力钢筋的接头应相互错开为纵向受力钢筋的较大 直径)且不小于500mm。

  1. 钢筋接头的一般要求

钢筋接头应分散布置,并应遵守下列规定:

  1. 配置在同一截面内的下述受力钢筋,其接头的截面面积占受力钢筋总截面面 积的百分率应满足下列要求:
  2. 闪光对焊、熔槽焊、接触电渣焊、窄间隙焊、气压焊接头在受弯构件的受拉区, 不超过50%,受压区不受限制。
  3. 绑扎接头在构件的受拉区不超过25%,在受压区不超过50%。
  4. 机械连接接头,其接头分布应按设计文件规定执行,没有要求时,在受拉区不 宜超过50%;在受压区或装配式构件中钢筋受力较小部位I级接头不受限制。
  5. 若两根相邻的钢筋接头中距小于500mm,或两绑扎接头的中距在绑扎搭接长 度以内,均作为同一截面处理。
  6. 施工中分辨不清受拉区或受压区时,其接头的分布按受拉区处理。
  7. 焊接与绑扎接头距钢筋弯起点不小于10也不应位于最大弯矩处。

4.3混凝土坝的施工技术

4.3.1混凝土坝的施工分缝分块

  1. 分缝分块的缘由

混凝土重力坝分缝有横缝、纵缝和水平施工缝。沿坝轴线方向,将坝的全长划分 为15〜24m的若干坝段。坝段之间的缝称为横缝如图4.3-1所示。横缝的作用是减 小温度应力,适应地基不均匀沉降,满足混凝土浇筑能力和温度控制等施工要求。横缝 有永久性(不需要进行接缝灌浆的,故称为永久缝)和临时性两种。纵缝是为了适应混 凝土浇筑能力、减小施工期温度应力在平行于坝轴线方向设置的临时缝如图4.3-2 所示。拱坝为了温控及防止收缩裂缝和满足混凝土浇筑能力的要求,需分层分块浇筑, 各块之间设置收缩缝,待坝体混凝土冷却到稳定温度(一般为年平均温度或低于年平均 温度2〜3ΐ)时再进行接缝灌浆使拱坝形成整体如图4.3-3所示。收縮缝有横 缝和纵缝两种,横缝内设置铅直方向的梯形键槽,纵缝内设置水平向三角形键槽。按灌 浆方式不同,收缩缝有窄缝和宽缝之分。窄缝施工时不留,是由混凝土自然收缩形成的 缝,封拱时采用施工时缝内预埋的灌浆系统进行接缝灌浆。宽缝是指坝块间留有的缝宽 达0.7〜1.2m,施工时混凝土散热效果较好,封拱时直接用混凝土填塞,但填塞的混凝 土仍可能产生新的收缩缝,需要再次灌浆。

2026一建《水利》电子教材(可搜索)2026一建《水利》电子教材(可搜索)2026一建《水利》电子教材(可搜索)

图 4.3-1

重力坝横缝形式

(a) (b) (c) (d)

图4.3-2重力坝分缝分块

(a)竖缝分块;(b)错缝分块;

(c)斜缝分块;(d)水平施工逢

(a) (b)

图4.3-3拱坝分缝

(a)平面图;(b)立视图

1—横缝2一纵缝

  1. 分缝的形式

1 )横缝的形式

横缝按缝面形式分主要有三种,即缝面不设键槽、不灌浆;缝面设竖向键槽和灌 浆系统;缝面设键槽,但不进行灌浆。

2)纵缝的形式

纵缝形式主要有竖缝、斜缝及错缝等。

  1. 分缝的特点
  2. 横缝分段
  3. 横缝一般是自地基垂直贯穿至坝顶,在上、下游坝面附近设置止水系统。
  4. 有灌浆要求的横缝,缝面一般设置竖向梯形键槽。
  5. 不灌浆的横缝,接缝之间通常采用沥青杉木板、泡沫塑料板或沥青填充。
  6. 竖缝分块
  7. 竖缝分块,是用平行于坝轴线的铅直纵缝,把坝段分成为若干柱状体进行浇 筑,又称柱状分块。施工中一般从上游到下游将一个坝段的几个柱状块体依次编号。这 种分缝分块形式始于20世纪30年代末美国胡佛坝的施工因而它被西方称为传统 的分缝分块形式,也是我国使用最广泛的一种分缝分块形式。
  8. 为了恢复因纵缝而破坏的坝体整体性,纵缝需要设置键槽,并进行接缝灌浆 处理,或设置宽缝回填膨胀混凝土。
  9. 在施工中为了避免冷缝,块体大小必须与混凝土制备、运输和浇筑的生产能 力相适应,即要保证在混凝土初凝时间内所浇的混凝土方量,必须等于或大于块体的一 个浇筑层的混凝土方量。
  10. 采用竖缝分块时,纵缝间距越大,块体水平断面越大,则纵缝数目和缝的总 面积越小,接缝灌浆及模板作业的工作量也就越少,但要求温控越严,否则可能引起裂 缝。从混凝土坝施工发展趋势看,是朝着尽量加大纵缝间距,减少纵缝数目,直至取消 纵缝进行通仓浇筑的方向发展。
  11. 浇块髙度一般在3m以内。
  12. 斜缝分块

(1 )斜缝分块是大致沿坝体两组主应力之一的轨迹面设置斜缝。

  1. 斜缝分块的缝面上出现的剪应力很小,使坝体能保持较好的整体性,因此,斜 缝可以不进行接缝灌浆。
  2. 斜缝不能直通到坝的上游面,以避免库水渗人缝内。在斜缝的终止处,应采 取并缝措施,如布置骑缝钢筋,或设置并缝廊道,以免因应力集中导致斜缝沿缝尖端向 上发展裂缝而贯穿。
  3. 斜缝分块的施工中要注意均匀上升和控制相邻块的高差。高差过大将导致两 块温差过大,易于在后浇块的接触面上产生不利的拉应力而产生裂缝。遇特殊情况,如 作临时断面挡水,下游块进度赶不上而出现过大高差时,则应在下游块采取较严的温控 措施,减少两块温差,避免产生裂缝,保持坝体整体性。
  4. 采用斜缝分块时,对坝块浇筑的先后程序,有一定的限制,必须是上游块先 浇,下游块后浇,不如纵缝分块在浇筑先后程序上的机动灵活。
  5. 错缝分块

(1 )坝体尺寸较小一般长8〜14 m,分层厚度1〜4 m。

  1. 缝面一般不灌浆,但在重要部位如水轮机蜗壳等需要骑缝钢筋,垂直缝和水 平缝上必要时需设置键槽。
  2. 水平缝的搭接部分一般为层厚的1/3-1/2,且搭接部分的水平缝要求抹平, 以减少坝块两端的约束。块体浇筑的先后次序,需按一定规律排列,对施工进度影响 较大。
  3. 通仓浇筑

通仓浇筑,是整个坝段不设纵缝,以一个坝段进行通仓浇筑。通仓浇筑的特点是:

  1. 坝体整体性好,有利于改善坝踵应力状态。
  2. 免除了接缝灌浆、减少了模板工程量,节省工程费用,有利于加快施工进度。
  3. 仓面面积增大,有利于提高机械化水平,充分发挥大型、先进机械设备的 效率。
  4. 浇块尺寸大,温控要求高。

4.3.2混凝土坝的施工质量控制

  1. 施工质量控制内容

为保证混凝土质量达到设计要求,应对混凝土原材料、配合比、施工过程中各主 要工序及硬化后的混凝土质量进行控制与检查。

混凝土坝的施工质量控制应从原材料的质量控制人手,直至混凝土的拌和、运输、 人仓、平仓、振捣、养护等各个环节,混凝土坝作为大体积混凝土工程尚有温度控制和 分期冷却等问题。仅就混凝土的质量控制而言,不仅要在出机口取样,也应在仓内取 样,测试其质量指标,按试件强度的离差系数或标准差进行控制。

  1. 施工质量检测方法

现场混凝土质量检验应以抗压强度为主并以150mm立方体试件、标准养护条件 下的抗压强度为标准。

混凝土试件以机口随机取样为主,每组混凝土试件应在同一储料斗或运输车箱内 取样制作。浇筑地点取一定数量的试件进行比较。

混凝土拆模后,应检查其外观质量。有混凝土裂缝、蜂窝、麻面、错台和模板走 样等质量问题或缺陷时应及时检查和处理。

混凝土抗压强度试件的检测结果未满足规范合格标准要求或对混凝土试件强度的 代表性有怀疑时,可从结构物中钻取混凝土芯样试件或采用无损检验方法,按有关标准 规定对结构物的强度进行检测;如仍不符合要求,应对已建成的结构物,按实际条件验 算结构的安全度,采取必要的补救措施或其他处理措施。

已建成的结构物,应进行钻孔取芯和压水试验。大体积混凝土取芯和压水试验可 按每万立方米混凝土钻孔2〜10m进行****具体钻孔取样部位、检测项目与压水试验的部 位、吸水率的评定标准,应根据工程施工的具体情况确定。钢筋混凝土结构物应以无损 检测为主,必要时采取钻孔法检测混凝土。

4.4碾压混凝土的施工技术

4.4.1碾压混凝土的施工工艺及特点

  1. 碾压混凝土坝的施工工艺

碾压混凝土坝是采用碾压土石坝的施工方法,使用干贫混凝土修建的混凝土坝, 是混凝土坝施工的一种新技术。

1 结构形式

用碾压混凝土筑坝,通常在上游面设置常态混凝土防渗层以防止内部碾压混凝土 的层间渗透;有防冻要求的坝,下游面亦用常态混凝土。为提高溢流面的抗冲耐磨性 能,一般也采用强度等级较高的抗冲耐磨常态混凝土,这样就使断面形成所谓“金包 银”的结构形式。

2 施工工艺

碾压混凝土坝的施工工艺程序是先在初浇层铺砂浆,汽车运输人仓,平仓机平仓, 振动压实机压实,振动切缝机切缝,切完缝再沿缝无振碾压两遍。这种施工工艺在我国 具有普遍性其主要过程如图4.4-1所示。

2026一建《水利》电子教材(可搜索)

a b c d

图4.4-1碾压混凝土坝施工工艺流程图

a自卸汽车供料b平仓机平仓c振动压实机压实d振动切缝机装刀片并切缝

  1. 碾压混凝土坝的施工特点

碾压混凝土坝施工主要特点有:采用干贫混凝土;大量掺加粉煤灰,减少水泥 用S;采用通仓薄层浇筑;大坝横缝采用切缝法等成缝方式;碾压或振捣达到混凝土 密实。

1 采用干贫混凝土

碾压混凝土拌合物的FC值碾压混凝土拌合物的工作度以S为计量单位应 根据施工现场的气候条件变化动态选用和控制仓面宜选用2〜12s。机口 KC值宜为 2 〜8so

2 大量掺加粉煤灰,减少水泥用量

由于碾压混凝土是干贫混凝土,要求掺水量少,水泥用量也很少。为保持混凝土 有一定的胶凝材料必须掺人大量粉煤灰掺量占总胶凝材料的50%〜70%,且为Π级 以上)。这样不仅可以减少混凝土的初期发热量,增加混凝土的后期强度,简化混凝土 的温控措施,而且有利于降低工程成本。

3 采用通仓薄层浇筑

碾压混凝土坝不采用传统的柱状浇筑法而采用通仓薄层浇筑RCD工法碾压厚 度通常为50cm、75cm、100cm, RCC工法通常为30cm o这样可增加散热效果取消冷却水管减少模板工程量简化仓面作业有利于加快施工进度。通仓浇筑要求尽 量减少坝内孔洞,不设纵缝,坝段间的横缝用切缝机切割,以尽量增大仓面面积,减少 仓面作业的干扰。

在摊铺碾压混凝土前,通常先在建基面铺一层常态混凝土垫层进行找平,厚度一 般为1.0〜2.0m。由于垫层混凝土受到岩基约束力影响,极易开裂,故尽可能减薄。

  1. 大坝横缝成缝方式

碾压混凝土坝是若干个坝段一起浇筑混凝土,所以横缝采用振动切缝机切缝,设 置诱导孔或设置填缝材料等方法形成横缝。填缝材料为PVC、镀锌薄钢板等。诱导孔 成孔后孔内应填塞干燥砂子。

  1. 碾压或振捣达到混凝土密实

碾压混凝土依靠振动压实机碾压达到混凝土密实。碾压前,通过碾压试邀确定碾 压遍数及振动压实机行走速度。常态混凝土依靠振捣器达到混凝土密实;变态Ϋ昆凝土振 捣宜使用强力振捣器。

4.4.2碾压混凝土的施工质量控制

  1. 碾压混凝土坝的施工质量控制要点

影响碾压混凝土坝施工质量的因素主要有碾压时拌合料的干湿度,卸料、平仓、 碾压的质量控制以及碾压混凝土的养护和防护等。

  1. )配合比设计参数
  2. 水胶比。根据设计提出的混凝土强度、抗渗性、抗冻性、拉伸变形等要求确 定其值不宜大于0.65。
  3. 砂率。通过试验选取最佳砂率值。使用天然粗集料时,三级配碾压Ϋ昆凝土的 砂率为28%〜32%二级配为32%〜37%;使用人工粗集料时砂率应增加3%〜6%。
  4. 单位用水量。根据碾压混凝土 值、集料种类、最大粒径、砂率、石粉含量、 掺合料和外加剂等选定。
  5. 掺合料。掺合料种类、掺量应通过试验确定掺量超过65%时,应作专门的 试验论证。
  6. 外加剂。外加剂品种和掺量应通过试验确定。
  7. 碾压时拌合料干湿度的控制

碾压混凝土的干湿度一般用rc值表示。n?值太小表示拌和太湿,振动压实机易 沉陷难以正常工作。rc值太大表示拌合料太干灰浆太少集料架空不易压实。 但混凝土人仓料的干湿又与气温、日照、辐射、湿度、蒸发量、雨量、风力等自然因素 相关碾压时难以控制。现场值的测定可以采用rc仪或凭经验手感测定。

在碾压过程中若振动碾压3〜4遍后仍无灰浆泌出混凝土表面有干条狀裂纹出 现甚至有粗集料被压碎现象则表明混凝土料太干若振动碾压1〜2遍后表面就 有灰浆泌出,有较多灰浆粘在振动压实机上,低档行驶有陷车情况,则表明拌合料太 湿。在振动碾压3〜4遍后混凝土表面有明显灰浆泌出表面平整、润湿、先滑碾 滚前后有弹性起伏现象,则表明混凝土料干湿适度。

  1. 卸料、平仓、碾压中的质量控制

卸料、平仓、碾压,主要应保证层间结合良好。卸料、铺料厚度要均匀,减少集 料分离,使层内混凝土料均匀,以利于充分压实。卸料、平仓、碾压的质量要求与控制 措施是:

  1. 要避免层间间歇时间太长,防止冷缝发生。
  2. 防止集料分离和拌合料过干。
  3. 为了减少混凝土分离卸料落差不应大于2m堆料高不应大于1.5m。
  4. 人仓混凝土及时摊铺和碾压。相对压实度是评价碾压混凝土压实质量的指标, 对于建筑物的外部混凝土相对压实度不得小于98%,对于内部混凝土相对压实度不得 小于97%。
  5. 常态混凝土和碾压混凝土结合部的压实控制,无论采用“先碾压后常态”还 是“先常态后碾压”或两种混凝土同步人仓,都必须对两种混凝土结合部重新碾压。由 于两种料的初凝时间相差可达4h除应注意接缝面外还应防止常态混凝土水平层面 出现冷缝。

应对常态混凝土掺加高效缓凝剂,使两种材料初凝时间接近,同处于塑性状态, 保持层面同步上升,以保证结合部的质量。

  1. 每一碾压层至少在6个不同地点、每2小时检测一次。压实密度可采用核子 水分密度仪、谐波密实度计和加速度计等方法检测,目前较多采用挖坑填砂法和核子水 分密度仪法进行检测。
  2. 碾压混凝土的养护和防护
  3. 施工过程中,碾压混凝土仓面应保持湿润。大风、干燥、高温气候下施工时, 可采取仓面喷雾措施,防止混凝土表面水分散失。
  4. 正在施工和刚碾压完毕的仓面,应防止外来水流人。
  5. 混凝土终凝后应立即进行保湿养护。对水平施工缝,养护应持续至上一层碾 压混凝土开始铺筑为止。对永久外露面宜养护28d以上。台阶棱角应加强养护。
  6. 碾压混凝土的质量控制手段

目前常用的几种质量控制手段有:

  1. 在碾压混凝土生产过程中常用VeBe仪测定碾压混凝土的稠度以控制配 合比。
  2. 在碾压过程中,可使用核子密度仪测定碾压混凝土的湿密度和压实度,对碾压 层的均匀性进行控制。每铺筑碾压混凝土 100〜200m2至少应有一个检测点每层应有 3个以上检测点测试宜在压实后lh内进行。表面型核子水分密度仪应在现场用挖坑 填砂法或标样法率定。
  3. 碾压混凝土的强度在施工过程中是以监测密度进行控制的。钻孔取样是评定碾 压混凝土质量的综合方法。钻孔取样可在碾压混凝土达到设计龄期后进行,钻孔的部位 和数量应根据需要确定。钻孔取样评定的内容如下:

(1 )芯样获得率:评定碾压混凝土的均质性。

  1. 压水试验:评定碾压混凝土抗渗性。
  2. 芯样的物理力学性能试验:评定碾压混凝土的均质性和力学性能。
  3. 芯样断口位置及形态描述:描述断口形态,分别统计芯样断口在不同类型 碾压层层间结合处的数量,并计算占总断口数的比例,评定层间结合是否符合设计 要求。
  4. 芯样外观描述:评定碾压混凝土的均质性和密实性。

2026一建《水利》电子教材(可搜索)2026一建《水利》电子教材(可搜索)

5.1堤防工程施工技术

5.1.1堤身填筑施工方法

1.堤基清理的要求

(1)筑堤工作开始前,必须按设计要求对堤基进行清理。

  1. 堤基清理范围包括堤身、铺盖和压载的基面。堤基清理边线应比设计基面边 线宽出30〜50cm。老堤加高培厚其清理范围包括堤顶和堤坡。
  2. 堤基清理时,应将堤基范围内的淤泥、腐殖土、泥炭、不合格土及杂草、树 根等清除干净。
  3. 堤基内的井窖、树坑、坑塘等应按堤身要求进行分层回填处理。
  4. 堤基清理后,应在第一层铺填前进行平整压实,压实后土体干密度应符合设 计要求。
  5. 堤基冻结后有明显冰夹层、冻胀现象时未经处理,不得在其上施工。
  6. 填筑作业面的要求
  7. 地面起伏不平时,应按水平分层由低处开始逐层填筑,不得顺坡铺填;堤防 横断面上的地面坡度陡于1:5时应将地面坡度削至缓于1 : 5o
  8. 分段作业面长度机械施工时段长不应小于100m,人工施工时段长可适当 减短。
  9. 作业面应分层统一铺土、统一碾压,严禁出现界沟,上、下层的分段接缝应 错开。
  10. 在软土堤基上筑堤时,如堤身两侧设有压载平台,两者应按设计断面同步分 层填筑,严禁先筑堤身后压载。
  11. 相邻施工段的作业面宜均衡上升,段间出现高差,应以斜坡面相接,结合坡 度为1 : 3〜丨5。
  12. 已铺土料表面在压实前被晒干时,应采用铲除或洒水湿润等方法进行处理。
  13. 用光面碾磙压实黏性土填筑层,在新层铺料前,应对压光层面作刨毛处理。填 筑层检验合格后因故未继续施工,因搁置较久或经过雨淋、干湿交替使表面产生疏松层 时,复工前应进行复压处理。
  14. 施工中若发现局部“弹簧土”、层间光面、层间中空、松土层或剪切破坏等现 象时应及时处理,并经检验合格后方可铺填新土。
  15. 施工过程中应保证观测设备的埋设安装和测量工作的正常进行,并保护观测 设备和测量标志完好。
  16. 在软土地基上筑堤,或用较高含水量土料填筑堤身时,应严格控制施工速 度,必要时应在地基、坡面设置沉降和位移观测点,根据观测资料分析结果,指导安全 施工。
  17. 对占压堤身断面的上堤临时坡道作补缺口处理,应将已板结老土刨松,与新 铺土料统一按填筑要求分层压实。
  18. 堤身全段面填筑完成后,应作整坡压实及削坡处理,并对堤防两侧护堤地面 的坑洼处进行铺填平整。
  19. 铺料作业的要求
  20. 应按设计要求将土料铺至规定部位,严禁将砂(砾)料或其他透水料与黏性 土料混杂,上堤土料中的杂质应予清除。
  21. 铺料要求均匀、平整。每层的铺料厚度和土块直径的限制尺寸应通过现场试 验确定。
  22. 土料或砾质土可采用进占法或后退法卸料,砂(砾)料宜用后退法卸料;砂 (砾)料或砾质土卸料时如发生颗粒分离现象,应将其拌和均匀。
  23. 堤边线超填余量机械施工宜为30cm,人工施工宜为10cm。
  24. 土料铺填与压实工序应连续进行,以免土料含水量变化过大影响填筑质量。
  25. 压实作业要求
  26. 施工前,先做碾压试验,确定机具、碾压遍数、铺土厚度、含水量、土块限 制直径,以保证碾压质量达到设计要求。
  27. 分段碾压,各段应设立标志,以防漏压、欠压、过压。

(3 )碾压行走方向,应平行于堤轴线。

  1. 分段、分片碾压,相邻作业面的搭接碾压宽度,平行堤轴线方向不应小于 0-5m;垂直堤轴线方向不应小于3ma
  2. 拖拉机带碾磙或振动碾压实作业,宜采用进退错距法,碾迹搭压宽度应大于 10cm;铲运机兼作压实机械时宜采用轮迹排压法轮迹应搭压轮宽的l/3o
  3. 机械碾压应控制行走速度平碾彡2km/h,振动碾彡2km/h铲运机为2挡。
  4. 碾压时必须严格控制土料含水量。土料含水量应控制在最优含水率±3%范 围内。

(8 )砂(砾)料压实时洒水量宜为填筑方量的20%~40%;中细砂压实的洒水量, 宜按最优含水量控制;压实施工宜用履带式拖拉机带平碾、振动碾或气胎碾。

  1. 堤防工程防汛抢险
  2. 堤防防汛抢险施工的抢护原则为:前堵后导、强身固脚、减载平压、缓流消 浪。施工中应遵守各项安全技术要求,不应违反程序作业。
  3. 堤身漏洞险情的抢护应遵守下列规定:
  4. 堤身漏洞险情的抢护以“前截后导,临重于背”为原则。在抢护时,应在临水 侧截断漏水来源,在背水侧漏洞出水口处采用反滤围井的方法,防止险情扩大。
  5. 堤身漏洞险情在临水侧抢护以人力施工为主时,应配备足够的安全设施,确认 安全可靠,且有专人指挥和专人监护后,方可施工。
  6. 堤身漏洞险情在临水侧抢护以机械设备为主时,机械设备应停站或行驶在安全 或经加固可以确认较为安全的堤身上,防止因漏洞险情导致设备下陷、倾斜或失稳等其 他安全事故。
  7. 管涌险情的抢护宜在背水面,采取反滤导渗,控制涌水,留有渗水出路。以 人力施工为主进行抢护时,应注意检查附近堤段水浸后变形情况,如有坍塌危险应及时 加固或采取其他安全有效的方法。

4 当遭遇超标准洪水或有可能超过堤坝顶时,应迅速进行加高抢护,同时做好 人员撤离安排,及时将人员、设备转移到安全地带。

5 为削减波浪的冲击力,应在靠近堤坡的水面设置芦柴、柳枝、湖草和木料等 材料的捆扎体,并设法锚定,防止被风浪水流冲走。·

6 当发生崩岸险情时,应抛投物料,如石块、石笼、混凝土多面体、土袋和柳 石枕等,以稳定基础,防止崩岸进一步发展;应密切关注险情发展的动向,时刻检查附 近堤身的变形情况,及时采取正确的处理措施,并向附近居民示警。

7 堤防决口抢险应遵守下列规定:

  1. 当堤防决口时,除有关部门快速通知附近居民安全转移外,抢险施工人员应配 备足够的安全救生设备。:
  2. 堤防决口施工应在水面以上进行,并逐步创造静水闭气条件,确保人身安全。
  3. 当在决口抢筑裹头时,应从水浅流缓、土质较好的地带采取打桩、抛填大体积 物料等安全裹护措施,防止裹头处突然坍塌将人员与设备冲走。
  4. 决口较大采用沉船截流时,应采取有效的安全防护措施,防止沉船底部不平整 发生移动而给作业人员造成安全隐患。

5.1.2护岸护坡的施工方法

  1. 护岸施工原则

堤防护岸工程通常包括水上护坡和水下护脚两部分。水上与水下之分均指枯水施 工期而言如图5.1-1所示。护岸工程的施工原则是先护脚后护坡。堤岸防护工程一般 可分为坡式护岸(平顺护岸)、坝式护岸、墙式护岸等几种。

2026一建《水利》电子教材(可搜索)

  1. 坡式护岸

岸坡及坡脚一定范围内覆盖抗冲材料,抵抗河道水流的冲刷,包括护脚、护坡、 封顶三部分。这种护岸形式对河床边界条件改变和对近岸水流条件的影响均较小,是较 常采用的形式。

1护脚工程施工技术

下层护脚为护岸工程的根基,其稳固与否,决定着护岸工程的成败,实践中所强

调的“护脚为先”就是对其重要性的经验总结。护脚工程及其建筑材料要求能才氏御水流 的冲刷及推移质的磨损;具有较好的整体性并能适应河床的变形;较好的水下防腐朽性 能;便于水下施工并易于补充修复。经常采用的形式有抛石护脚、抛枕护脚、抛石笼护 脚、沉排护脚等。

  1. 护坡工程施工技术

护坡工程除受水流冲刷作用外,还要承受波浪的冲击及地下水外渗的侵蚀。因处 于河道水位变动区,时干时湿,其建筑材料应坚硬、密实,能长期耐风化。

目前,常见的护坡工程结构形式有砌石护坡、现浇混凝土护坡、预制混凝土板护 坡和模袋混凝土护坡、植草皮以及生态护坡等。

砌石护坡应按设计要求削坡,并铺好垫层或反滤层。砌石护坡包括干砌石护坡、 浆砌石护坡和灌砌石护坡。

  1. 干砌石护坡

坡面较缓(1.0 : 3.0—1.0 : 2.5)、受水流冲刷较轻的坡面,可采用干砌石护坡。干 砌石护坡应由低向高逐步铺砌,要嵌紧、整平,铺砌厚度应达到设计要求;上下层砌石 应错缝砌筑。

坡面有涌水现象时应在护坡层下铺设15cm以上厚度的碎石、粗砂或砂烁作为反 滤层。封顶用平整块石砌护。

干砌石护坡的坡度,根据土体的结构性质而定,土质坚实的砌石坡度可陡些,反 之则应缓些。一般坡度1.0 : 3.0〜1.0 : 2.5,个别可为1.0 : 2.0。

(2 )浆砌石护坡

坡度在1 : 2〜1 : 1,或坡面位于沟岸、河岸,下部可能遭受水流冲刷}"中击力强 的防护地段,宜采用浆砌石护坡。浆砌石护坡由面层和起反滤层作用的垫层组成。 面层铺砌厚度为25〜35cm,垫层又分单层和双层两种单层厚5〜15cm双层厚 20〜25cm。原坡面如为砂、砾、卵石可不设垫层。对长度较大的浆砌石护坡应沿 纵向每隔10~15m设置一道宽约2cm的伸缩缝并用沥青杉板条或聚苯乙稀挤塑板 填塞。

浆砌石护坡,应做好排水孔的施工。

  1. 灌砌石护坡

运用灌砌石护坡时要确保混凝土的质量,并做好削坡和灌人振捣工作。

  1. 坝式护岸

坝式护岸是指修建丁坝、顺坝,将水流挑离堤岸,以防止水流、波浪或潮汐对堤 岸边地的冲刷,这种形式多用于游荡性河流的护岸。

坝式防护分为丁坝、顺坝、丁顺坝、潜坝四种形式,坝体结构基本相同。

丁坝是一种间断性的有重点的护岸形式,具有调整水流的作用。在河床宽阔、水 浅流缓的河段,常采用这种护岸形式。

丁坝坝头底脚常有垂直漩涡发生,以致冲刷为深塘,故坝前应予保护或将坝头构 筑坚固,丁坝坝根须埋人堤岸内。

  1. 墙式护岸

墙式护岸是指顺堤岸修筑竖直陡坡式挡墙,这种形式多用于城区河流或海岸防护。

在河道狭窄,堤外无滩且易受水冲刷,受地形条件或已建建筑物限制的重要堤段,常采 用墙式护岸。

墙式防护(防洪墙)分为重力式挡土墙、扶壁式挡土墙、悬臂式挡土墙等形式。墙 式护岸一般临水侧采用直立式,在满足稳定要求的前提下,断面应尽量减小,以减少工 程量和少占地为原则。墙体材料可采用钢筋混凝土、混凝土和浆砌石等。墙基应嵌人堤 岸护脚一定深度,以满足墙体和堤岸整体抗滑稳定和抗冲刷的要求。如冲刷深度大,还 需采取抛石等护脚固基措施,以减少基础埋深。

5.2河湖疏浚工程施工技术

5.2.1水下工程施工

  1. 施工准备

河湖疏浚工程施工现场准备工作应包括下列内容:

(1 )疏浚区、吹填区及取土区障碍物的清理。

  1. 落实施工船舶停泊和补给码头。
  2. 落实施工通道。
  3. 准备物料堆场。
  4. 选择施工船舶停泊和避风锚地,并办理相关手续。
  5. 落实用水用电。
  6. 落实现场通信手段,配备水上交通船舶和陆地交通用车。

(8 )落实施工现场管理机构生活设施和办公用房。

  1. 工前测量。
  2. 施工放样与施工标志设置。

(11 )设立水位站。

  1. 设立GPS参考台。

(13 )需要准备的其他工作等。

水下工程作业前应通过试生产确定最佳的船舶前移量、横摆速度、挖泥机具下放 深度和排泥口吹填土堆集速度等技术参数。

  1. 施工放样及施工标志

(1 )施工放样测站点的高程精度不应低于四等水准测量精度要求,放样点位相对 于测站点的误差不应超过表5.2-1的规定。

表5.2-1放样点位精度要求

序号 项目 平面位置误差(m)
1 开挖边线 岸边 ±◦.5
水下 ±1.0
2 各种管线安装 ±◦.5
3 开挖中心线 ±1.0

绩表

序号 项目 平面位置误差(m)
4 疏浚设备定位 ±1.0
5 围堰轴线 ±0.3

摘自《疏浚与吹填工程技术规范》SL 17—2014o

  1. 岸上标志可采用标杆或标牌。当水深小于2.5m时,水上标识可采用标杆;水 深大于等于2.5m时,可采用浮标。标志应当能标出挖槽的起、止点,中心线,左右边 界线,边坡线,转折点和工程分界线等。
  2. 辅助工程施工

辅助工程施工主要包括排泥区或吹填区的围堰及排水系统施工。排水系能包括泄 水口和排水沟渠两部分。

  1. 施工方法

疏浚工程宜采用顺流开挖方式。吹填工程施工除抓斗船采用顺流施工法夕卜,其他 船型应采用逆流施工法。

  1. 下列情况下,疏浚工程应分段施工:
  2. 疏浚区长度大于绞吸挖泥船水下管线的有效伸展长度或大于链斗、祇斗挖泥 船抛一次主锚缆可能挖泥的长度。
  3. 挖槽尺度规格不一或工期要求不同。

(3 )挖槽转向曲线段需分成若干直线段进行施工。

  1. 纵断面上土层厚薄悬殊或土质出现较大变化。

(5 )受航行或水工建筑物等干扰因素制约。

  1. 下列情况下,疏浚工程应分条施工:

(1 )疏浚区宽度大于挖泥船一次最大挖宽。

(2 )疏浚区横断面土层厚薄悬殊。

(3 )挖槽横断面为复合式。

  1. 应急排洪、通水、通航工程。

分条施工时,应按照“远土近调、近土远调”的原则,依次由远到近或由近到远分 条开挖。

  1. 下列情况下,疏浚工程应分层施工:

(1 )疏浚区泥层厚度大于挖泥船一次可能疏挖的厚度。

(2)疏浚区内存在水上开挖土方。

(3 )工程对边坡质量要求较高或为复式边坡。

  1. 疏浚区垂直方向土质变化较大,需更换挖泥机具或对不同土质存放有不同 要求。

(5 )合同要求分期达到设计深度。

  1. 紧急的疏洪、引水工程。

分层施工应遵循“上层厚、下层薄”的原则。

  1. 工程量计算

疏浚工程如以水下方计算工程量,设计工程量应为设计断面方量、计算超宽、计 算超深工程量之和,并应分别列出。计算允许超深、超宽值满足《疏浚与吹填工程技术 规范》SL 17—2014要求。

吹填工程量按吹填土方量计算时,总工程量应为设计吹填方量与设计允许超填方 量以及地基沉降量之和超填厚度不应大于0.2m。吹填土流失量也应计算并列出,但 不计人总设计工程量,由施工单位在工程报价中考虑并反映,工程结算时不再计列。

5.2.2水下工程施工质量控制

  1. 疏浚断面控制

(1 )断面中心线偏移不应大于1.0m。

  1. 应以横断面为主进行检验测量,必要时可进行纵断面测量。横断面测量间距 应与原始地形测量相一致,纵断面测量间距视河道宽度及工程重要性确定,可取横断面 间距的1〜2倍。纵、横断面边坡处测点间距宜为2〜5m槽底范围内宜为5〜10m。监 理单位复核检验测量点数平行检测不应少于施工单位检测点数的5%;跟踪检测不应 少于施工单位检测点数的10%。
  2. 断面开挖宽度和深度应符合设计要求,断面每边允许超宽值和测点允许超深 值应符合《疏浚与吹填工程技术规范》SL 17—2014要求。
  3. 水下断面边坡按台阶形开挖时超欠比应控制在1.0~1.5o
  4. 欠挖与回淤控制
  5. 局部欠挖如超出下列规定时,应进行返工处理:
  6. 欠挖厚度小于设计水深的5%,且不大于0.3m。
  7. 横向浅埂长度小于设计底宽的5%,且不大于2.0m。
  8. 纵向浅埂长度小于2.5m。
  9. 一处超挖面积不大于5.0m2。
  10. 对冲刷或回淤比较严重,难以满足上述控制指标的疏浚工程,应根据具体情 况按合同规定的质量标准执行。
  11. 其他要求
  12. 疏浚土在疏挖和输送过程中不应对河道造成回淤,不应发生泄漏,不应对周 围环境造成污染。
  13. 疏浚土输送位置、施工顺序、施工质量应符合设计要求。

(3 )辅助工程的质量检验应参照水利水电工程质量检验标准的规定执行。

(4 )工程验收组织应按照《水利水电建设工程验收规程》SL 223—2008的要求执行 验收的内容应符合相关规定。单元工程完工测量由施工单位完成,并对所测的资料逐项 检查,发现质量不合格应及时进行补挖或补填,并进行补充测量,测量成果应报监理单 位审查复核14日内完成单元工程施工质量评定。合格的单元工程完工测量成果汇总 后报项目法人单位认定并可作为工程竣工验收依据。

必要时,项目法人单位或工程验收主持单位,可委托有资质的第三方检测单位, 在工程完工后7日内对完工工程进行抽样检测检测成果合格可作为工程竣工验收

依据。

工程完工后项目法人应提出验收申请验收主持单位应在工程完工14曰内及时 组织验收。工程完工验收后项目法人应与施工单位在30个工作日内专人负责工程的 交接工作,交接过程应有完整的文字记录,双方交接负责人签字。

6章 水闸、泵站与水电站工程

2026一建《水利》电子教材(可搜索)6.1水闸施工技术

6.1.1水闸的分类及组成

  1. 常用水闸的分类

水闸是一种利用闸门挡水和控制泄水的低水头水工建筑物,多建于河 道、渠系及水库、湖泊岸边。

  1. )按承担的任务分类(图6.1-1)

2026一建《水利》电子教材(可搜索)

  1. 节制闸:拦河或在渠道上建造,用于拦洪、调节水位或控制下泄流量。位于 河道上的节制闸也称拦河闸。
  2. 进水闸:建在河道、水库或湖泊的岸边,用来控制引水流量。位于渠道首部 用于取水或控制进水流量的进水闸又称为渠首闸。干渠以下各级渠道首部控制分水流量 的水闸又称为分水闸。
  3. 分洪闸:常建于河道的一侧,用来将超过下游河道安全泄量的洪水泄入分洪 区(蓄洪区或滞洪区)或分洪道。分洪闸是双向过水的,洪水过后再从此处将蓄水排人 河道。
  4. 排水闸(排涝闸):常建于江河沿岸,用来排除内河或低洼地区对农作物或其 他设施有害的渍(涝)水。排水闸也是双向过水的,当江水水位高于内湖或洼地时,排 水闸以挡水为主,防止江水漫淹农田或民房;当江水低于内湖或洼地时,排水闸以排渍 排涝为主。
  5. 挡潮闸(防潮闸):建在人海河道感潮河段挡潮御卤、蓄淡排涝的水闸。涨潮 时关闸,防止海水倒灌;退潮时开闸泄水,具有双向挡水的特点。挡潮闸类似排水闸, 但操作更为频繁。外海潮水比内河水高时关闭闸门,防止海水向内河倒灌;外海潮水低 于内河水时再开闸放水。
  6. 冲砂闸(排砂闸):枢纽或渠系中的冲砂建筑物,用于排除进水闸、节制闸前 或渠系中沉积的泥沙。兼有泄洪作用的冲砂闸又称为泄洪冲砂闸。
  7. 泄水闸(退水闸):排泄水库或渠道中多余水量的水闸。
  8. 此外还有为排除冰块、漂浮物等而设置的排冰闸、排污闸等。

2)按闸室结构形式分类

水闸可分为开敞式、胸墙式及涵洞式等如图6.1-2所示。

2026一建《水利》电子教材(可搜索)2026一建《水利》电子教材(可搜索)2026一建《水利》电子教材(可搜索)2026一建《水利》电子教材(可搜索)

(b) (c)

图6.1-2闸室结构形式

(a)开敞式;(b)胸墙式;(c)涵洞式

  1. 开敞式:闸门门顶以上不设胸墙的水闸,过闸水流表面不受阻挡,泄流能 力大。
  2. 胸墙式:闸孔上部设置固定或活动挡水胸墙的闸,可以减少挡水时同门上的 受力,增加挡水变幅。同时减小闸门高度和启闭力,降低工作桥高度。
  3. 涵洞式:闸身为埋在填土下的输水涵洞,洞口设置闸门的水闸,闸门后为有 压或无压洞身。多用于小型水闸。
  4. 水闸的组成

水闸主要包括上游连接段、闸室和下游连接段三部分如图6.1-3所示。

2026一建《水利》电子教材(可搜索)

图6.1-3水闸的组成部分

1-±游防冲槽2-±游护底3—铺盖4一底板5—护坦(消力池)6—海漫 74游防冲槽8—中墩9一闸门10—胸墙**11—交**通桥12-<E作桥13—启闭机;

14 一上游护坡15-±游翼墙16—边墩17—下游翼墙18-^F游护坡

1 )上游连接段

上游连接段用以引导水流平顺地进人闸室,保护两岸及河床免遭冲刷,并与闸室 等共同构成防渗地下轮廓,确保在渗流作用下两岸和闸基的抗渗稳定性。一般包括上游 翼墙、护底、铺盖、上游防冲槽和两岸的护坡等。

翼墙,建在闸室上下游的两侧,用于引导水流并兼有挡土及侧向防渗作用的建 筑物。

防冲槽,建在海漫末端或上游护底前端,是挖槽抛石形成的防冲棱体。

2 闸室

闸室是水闸的主体部分,其作用是:控制水位和流量,兼有防渗防冲作用。闸室 段结构包括:闸门、闸墩[中墩、边墩(岸墩、岸墙)]、底板、胸墙、工作桥、交通 桥、启闭机等。

闸门用来控制过闸流量;闸门安放在闸底板上,横跨孔口,有闸墩支撑。闸门分 为检修闸门和工作闸门。工作闸门用于正常运行时挡水,控制下泄流量;检修闸门用于 检修时临时挡水。

闸墩用于连接两岸或分隔闸孔,支承闸门、胸墙、工作桥、交通桥等墩式结构物。 闸墩将闸门、胸墙以及闸墩本身挡水所承受的水压力传递给底板。

胸墙设于工作闸门上部,帮助闸门挡水。可以大大减小闸门的尺寸。胸墙也可以 做成活动型,当遭遇特大洪水时开启胸墙加大泄流量。

底板是闸室的基础,用以将闸室上部结构的重量及荷载传至地基,建在软基上的 闸室主要由底板与地基间的摩擦力来维持稳定。底板还兼有防渗和防冲的作用。

工作桥和交通桥用来安装启闭设备、操作闸门和联系两岸交通。

闸槛为闸门关闭时闸底板与闸门底缘接触的部位。

3 下游连接段

下游连接段用以消除过闸水流的剩余能量,引导出闸水流均匀扩散,调整流速分 布和减缓流速,防止水流出闸后对下游的冲刷。一般包括消力池、护坦、海漫、下游防 冲槽以及下游翼墙和两岸的护坡等。

海漫,建在护坦或消力池(消能池)下游用以调整流速分布、保护河床免受冲刷的 柔性护底建筑物。

6.1.2水闸主体结构的施工方法

  1. 水闸混凝土施工

水闸主体结构施工主要包括闸室上部结构以及闸底板、闸墩、止水设施和门槽等 方面的施工内容,其中混凝土工程是水闸施工中的主要环节。

1水闸混凝土施工原则

混凝土工程的施工宜掌握以闸室为中心,按照“先深后浅、先重后轻、先高后矮、 先主后次”的原则进行。

1 先深后浅。相邻两部位建基面深浅不一时,若先施工浅部位的混凝土,则在 浇筑深的部位时,可能会扰动已浇部位的基土,导致混凝土沉降、位移或断裂。

2 先重后轻。其是为了给重的部位有预沉时间,使地基达到相对稳定,以减轻对 邻接部位混凝土产生的不良影响。如邻接两岸挡土墙的消力池、铺盖等部位,应尽量推 迟到挡土墙施工并回填到一定高度后再开始浇筑,以减轻边荷载影响而造成的消力池、 铺盖混凝土边缘部位开裂。

3 先高后矮。主要是为了平衡施工力量,加速施工进度。处于闸室中心的闸底 板及其上部的闸墩、胸墙和桥梁,高度较大、层次较多、工作量较集中,需要的施工时 间也较长,在混凝土浇筑完后,接着还要进行闸门、启闭机安装等工序,因而必须集中 力量优先进行。其他如铺盖、消力池、翼墙等部位的施工,则可穿插其中进行,以利施

工力量的均衡。

  1. 先主后次。指先主体部位,后次要部位,既是基于施工安全考虑,亦从节省 投资、缩短工期着眼。但如遇到流砂、渗水特别严重的地基时,为避免地基破辟,节省 地基处理费用,可以打破常规,抓住主要矛盾,先集中力量突击下部工程,以后再进行 上部墩、墙和桥梁的施工。
  2. 平底板施工

水闸底板有平底板与反拱底板两种,平底板为常用底板。平底板的施工,总是底板 先于墩墙,而反拱底板的施工一般是先浇墩墙,预留连接钢筋,待沉降稳定后再浇反拱 底板。

水闸平底板的混凝土浇筑,一般采用逐层浇筑法。但当底板厚度不大,拌合站的 生产能力受到限制时,亦可采用台阶浇筑法。

平底板混凝土的浇筑,一般先浇上、下游齿墙,然后再从一端向另一端浇筑。当 底板混凝土方量较大且底板顺水流长度在12m以内时可安排两个作业组分层通仓 浇筑。首先两组同时浇筑下游齿墙,待齿墙浇平后,将第二组调至上游齿墙,另一组自 下游向上游开浇第一坯底板。上游齿墙组浇完,立即调至下游开浇第二坯,而第一坯组 浇完又掉头浇第三坯。这样交替连环浇筑可缩短每坯间隔时间,加快进度,避免产生 冷缝。

水闸平底板钢筋安装方法有整装法和散装法。工程中使用的钢筋直径在30mm以内 时,一般可采用整装法。在绑扎底板的下层钢筋时,要用水泥砂浆垫块控制混疑土保护 层厚度。层面钢筋要固定在混凝土支撑柱上,其高度比底板厚度小一个保护层厚度。

  1. 施工缝施工

施工缝的位置应设在结构受力较小的部位,易于凿毛和清理,并考虑对夕卜观质量 的影响。施工缝的处理应符合下列规定:

  1. 可采用凿毛、冲毛或刷毛等方法处理、清除表层的水泥浆薄膜和松散软弱层, 并冲洗干净,排除积水。
  2. 混凝土强度达到2.5MPa后,方可进行浇筑上层混凝土的准备工作;浇筑前, 水平缝应铺厚10〜20mm的同配合比的水泥砂浆垂直缝应随浇筑层刷水泥浆或界 面剂。
  3. 止水设施的施工

为了适应地基的不均匀沉降和伸缩变形,在水闸设计中均设置温度缝与沉降缝, 并常用沉降缝替代温度缝的作用。缝有铅直和水平的两种缝宽一般为1.0〜2.0cm。缝 中填料及止水设施,在施工中应按设计要求确保质量。

  1. 沉降缝填料的施工

沉降缝的填充材料,常用的有沥青油毛毡、沥青杉木板、泡沫板及密封胶等。其 安装方法有以下两种:

一种是将填充材料用铁钉固定在模板内侧后,再浇筑混凝土,这样拆模后填充材 料即可贴在混凝土上然后立沉陷缝的另一侧模板和浇筑混凝土具体过程如图6.1-4 所示。如果沉降缝两侧的结构需要同时浇筑,则沉降缝的填充材料在安装时要坚立平 直,浇筑时沉降缝两侧流态混凝土的上升高度要一致。

另一种是先在缝的一侧立模浇筑混凝土,并在模板内侧预先钉好安装填充材料的 长铁钉数排并使铁钉的1/3留在混凝土外面然后安装填料、敲弯铁尖使填料固定 在混凝土面上再立另一侧模板和浇筑混凝土具体过程如图6.1-5所示。

2026一建《水利》电子教材(可搜索)2026一建《水利》电子教材(可搜索)

立模 浇筑 拆模

图6.1-4先装填料后浇筑混凝土的填料施工

1 一模板2—填料3—铁钉

立模 浇筑 拆模

图6.1-5先浇筑混凝土后装填料的填料施工

1 一模板2-填料3—铁钉

  1. 止水材料

常用的止水材料有紫铜片、橡胶、聚氯乙烯(塑料)等。

紫铜止水片的制作应符合下列规定:

  1. 清除表面的油渍、浮皮和污垢。
  2. 宜用压模压制成型,转角和交叉处接头,宜在加工厂制作,并留有适当长度 的直线段,以利现场搭接;接缝应焊接牢固。
  3. 采用双面焊时止水接头焊接宜采用搭接或对接搭接长度不应小于20mm。
  4. 长时间外露应加强防护措施。

塑料和橡胶止水带应避免油污和长期暴晒。塑料止水片的接头宜用电热熔接牢固。 橡胶止水带的接头可用氯丁橡胶粘结其搭接长度不应小于100mm,重要部位应热压 粘结。止水片的安设宜嵌固,不应使用钉子。紫铜止水片的沉降槽,应用聚乙烯闭孔泡 沫板条或沥青灌填密实。对于沥青灌填密实的水平紫铜止水片的凹槽应向上,以便于沥 青灌填。

  1. 止水缝部位的混凝土浇筑

浇筑止水缝部位混凝土的注意事项包括:

(1 )水平止水片应在浇筑层的中间,在止水片高程处,不得设置施工缝。

  1. 浇筑混凝土时,不得冲撞止水片,当混凝土将淹没止水片时,应再次清除其 表面污垢并注意防止止水片向下弯折。
  2. 振捣器不得触及止水片。
  3. 嵌固止水片的模板应适当推迟拆模时间。
  4. 平面闸门门槽施工

采用平面闸门的中小型水闸,在闸墩部位都设有门槽。为了减小启闭门力及闸门 封水,门槽部分的混凝土中埋有导轨等铁件,如滑动导轨,主轮、侧轮及反轮导轨,止 水座等。这些铁件的埋设可采取预埋及留槽后浇混凝土两种方法。小型水闸的导轨铁件 较小可在闸墩立模时将其预先固定在模板的内侧如图6.1-6所示。闸墩混凝土浇筑 时导轨等铁件即浇人混凝土中。由于中型水闸导轨较大、较重,在模板上固定较为困 难,宜采用预留槽,用浇二期混凝土的施工方法。

1 )门槽垂直度控制

门槽及导轨必须垂直无误,所以在立模及浇筑过程中应随时用吊锤校正。校正时, 可在门槽模板顶端内侧钉一根大铁钉钉人2/3长度然后把吊锤系在铁钉端部待 吊锤静止后,用钢尺量取上部与下部吊锤线到模板内侧的距离,如相等则该模板垂直, 否则按照偏斜方向予以调正。

2门槽二期混凝土浇筑

在闸墩立模时,于门槽部位留出较门槽尺寸大的凹槽。闸墩浇筑时,预先将导轨 基础螺栓按设计要求固定于凹槽的侧壁及正壁模板,模板拆除后基础螺栓即埋人混凝土 中如图6.1-7所示。

2026一建《水利》电子教材(可搜索)2026一建《水利》电子教材(可搜索)2026一建《水利》电子教材(可搜索)2026一建《水利》电子教材(可搜索) LJ——LI r^j ■馳f

图6.1-6闸门导轨一次装好、 一次浇筑混凝土

1-闸墩模板2—门槽模板3—撑头

4一开脚螺栓5—侧导轨6—门槽角钢;

7—滚轮导轨

闸墩平剖面

°0-' ?一期混凝土)

图6.1-7导轨后装然后

浇筑二期混凝土

1 一闸墩模板2—门槽模板撑头未标示;

3—导轨横剖面4C期混凝土边线

5—基础螺栓预埋于一期混凝土中

导轨安装前,要对基础螺栓进行校正,安装过程中必须随时用垂球进行校正,使 其铅直无误。导轨就位后即可立模浇筑二期混凝土。

闸门底槛设在闸底板上,在施工初期浇筑底板时,若铁件不能完成,亦可在闸底 板上留槽以后浇筑二期混凝土图6.1-8 )。

浇筑二期混凝土时,应采用补偿收缩细石混凝土,并细心捣固,不要振动已装好 的金属构件。门槽较高时,不要直接从高处下料,可以分段安装和浇筑。二期?昆凝土拆 模后,应对埋件进行复测,并做好记录,同时检查混凝土表面尺寸,清除遗留的杂物、 钢筋头,以免影响闸门启闭。

  1. 弧形闸门的导轨安装及二期混凝土浇筑

弧形闸门的启闭是绕水平轴转动,转动轨迹由支臂控制,所以不设门槽,但为 了减小启闭门力,在闸门两侧亦设置转轮或滑块,因此也有导轨的安装及二期混凝土 施工。

为了便于导轨的安装在浇筑闸墩时根据导轨的设计位置预留20cmX80cm的凹槽槽内埋设两排钢筋以便用焊接方法固定导轨。安装前应对预埋钢筋进行校正并 在预留槽两侧,设立垂直闸墩侧面并能控制导轨安装垂直度的若干对称控制点。安装 时,先将校正好的导轨分段与预埋的钢筋临时点焊接数点,待按设计坐标位置逐一校正 无误,并根据垂直平面控制点,用样尺检验调整导轨垂直度后,再焊接牢固,最后浇筑

2026一建《水利》电子教材(可搜索)2026一建《水利》电子教材(可搜索)2026一建《水利》电子教材(可搜索)二期混凝土图6.1-9

I

j木钢筋

图6.1-8底槛的安装

I .

I — I

阁6.1-9弧形闸门侧轨安装示意图

1 一垂直平面控制点2—预埋钢筋

3—预留槽4一底槛5-侧轨;

6—样尺7—门槽二期混凝土

6.1.3闸门的安装方法

  1. 闸门的组成及分类

闸门是水工建筑物的孔口上用来调节流量,控制上下游水位的活动结构。由封闭 或开放的门叶和预埋在闸墩、底板、胸墙内的埋件组成。

闸门按作用分为工作闸门、事故闸门、检修闸门、露顶闸门、潜孔闸门。闸门按 结构形式分为平面闸门(按行走支承方式和运行轨迹不同可分为平面定轮闸门、平面 滑动闸门、平面链轮闸门、升卧式平面闸门、横拉式闸门和反钩式闸门等)、弧形闸门 (又分为竖轴弧形闸门、反向弧形闸门、偏心钗弧形闸门、充压式弧形闸门)、人字闸 门、一字闸门、圆筒闸门、环形闸门、浮箱闸门等。闸门规格分档见表6.1-1。

表6.1-1闸门规格分档表

序号 类型 规格分档_FH_ =门叶面积m2 X水头m
1 小型 彡200
2 中型 200 <FH( 1000
3 大型 1000 5000
4 超大型 > 5000
  1. 闸门安装前准备工作

1 )闸门及埋件安装前应具备下列资料:

  1. 设计图样、施工图样和技术文件。
  2. 闸门出厂合格证。
  3. 闸门制造验收资料和出厂检验资料。
  4. 闸门制造竣工图或能反映闸门出厂时实际结构尺寸的图样。
  5. 发货清单、到货验收文件及装配编号图。
  6. 安装用控制点位置图。

(2 )闸门安装验收所用的量具和仪器的精度应达到下列要求:

  1. 钢卷尺精度不低于一级。
  2. 经纬仪的精度不低于DJ2级。
  3. 水准仪的精度不低于DS3级。
  4. 全站仪的测角精度不低于Γ测距精度不低于1mm + 2 X Z) X ΙΟΛηιη,**D**为 测量距离单位mm。
  5. 闸门安装前应检查标志,标志内容包括:制造厂名、产品名称、生产许可证 标志及编号、产品型号或主要技术参数、制造日期、闸门中心位置和总重量。
  6. 闸门焊接的基本要求

焊缝按其重要性分为三类。

  1. 一类焊缝:
  2. 闸门主梁、边梁、臂柱的腹板及翼缘板的对接焊缝。
  3. 闸门及拦污栅吊耳板、拉杆的对接焊缝。
  4. 闸门主梁腹板与边梁腹板连接的组合焊缝(对接焊缝与角焊缝)或角焙缝。主 梁翼缘板与边梁翼缘板连接的对接焊缝。
  5. 转向吊杆的组合焊缝或角焊缝。
  6. 人字闸门端柱隔板与主梁腹板及端板的组合焊缝。
  7. 二类焊缝:
  8. 闸门面板的对接焊缝。
  9. 拦污栅主梁和边梁的腹板及翼缘板的对接焊缝。
  10. 闸门主梁、边梁、支臂的翼缘板与腹板的组合焊缝或角焊缝。
  11. 闸门吊耳板与门叶的组合焊缝或角焊缝。
  12. 主梁、边梁与门叶面板相连接的组合焊缝或角焊缝。
  13. 支臂与连接板的组合焊缝或角焊缝。
  14. 三类焊缝:

不属于一、二类焊缝的其他焊缝。

(4 )焊缝外观质量要求见表6.1-2。

  1. 焊缝内部质量检测可选用射线或超声波检测,焊缝表面检测可选用渗透检测 或磁粉检测。当用一种无损检测方法不能对发现的缺陷进行定性或定量时,应采用其他 无损检测方法进行复查。按各自标准确定是否合格。
  2. 焊后应进行消除应力处理。有稳定结构尺寸要求的部件宜采用整体?肖除应力 热处理或振动时效处理。不宜采用局部热处理。

表6.1-2焊缝外观质量要求(单位mm)

序号 项目 允许欠缺尺寸
一类焊缝 二类焊缝 三类焊缝
1 裂纹 不允许
2 焊瘤 不允许
3 飞溅 消除干净
4 电弧擦伤 不允许
5 未焊透 不允许
6 表面夹渣 不允许
7 咬边 深彡0.5 深彡1 深彡1.5
8 表面气孔 不允许
9 焊缝边缘 直线度 焊条电弧焊、.气体保护焊 在焊缝任意300mm长度内 3
埋弧焊 在焊缝任意300mm长度内彡4
10 对接焊缝 未焊满 不允许
11 焊缝余局 焊条电弧焊

气体保护焊
埋弧焊
12 焊缝宽度 焊条电弧焊 气体保护焊
埋弧焊
13 角焊缝 角焊缝厚度不足(按焊缝计算厚度) 不允许
14 焊脚 焊条电弧焊 气体保护焊
埋弧焊
15 焊脚不对称 差值 <1 +0.1/<

1.★为允许偏差值具体见《水利水电工程钢闸门制造、安装及验收规范》GB/T 14173—2008。 2. K 焊脚。

  1. 埋件安装

闸门的埋件是指埋设在混凝土内的门槽固定构件,包括底槛、主轨、侧轨、反轨 和门楣等。

(1 )预埋在一期混凝土中的锚栓或锚板,在混凝土浇筑前应进行位置检查、核对。

  1. 埋件安装前,应将门槽中的模板等杂物以及有油污的地方清除干净。混凝 土结合面应凿毛并冲洗干净。二期混凝土门槽的断面尺寸以及锚栓或锚板的位置应 复验。
  2. 埋件安装前,应对尺寸进行复验。
  3. 埋件安装调整好后,应将调整螺栓与锚栓或锚板焊固,在浇筑二期混凝土过

程中防止埋件变形或移位。

  1. 埋件安装并检查合格后应在5d内浇筑二期混凝土。如过期或有碰撞应复 测。二期混凝土一次浇筑高度不宜超过5m。混凝土强度达到70%以后方可拆模。
  2. 工程挡水前,应对全部检修门槽和共用门槽进行试槽。
  3. 平面闸门门体(门叶)安装

(1 )平面闸门形式

平面闸门有直升式和升卧式两种形式。

  1. 平面闸门门体(门叶)组成

平面闸门的门叶由承重结构[包括:面板、梁系、竖向联结系或隔板、门背(纵 向)联结系和支承边梁等、行走支承、止水装置和吊耳等组成如图6.1-10所示。

2026一建《水利》电子教材(可搜索)2026一建《水利》电子教材(可搜索)

/2
/3 1 ::
\ / \、 \ /
|/
_/ _ _/ _

/I ir*

10

图6.1-10平面闸门的结构布置

1—竖向隔板2—水平次梁3—主梁4一竖向联结系5—主轮

6—支承边梁7—侧止水8—吊点9一反轨10—主轨

I1—

(3 )门体安装

平面闸门安装主要包括埋件安装和门体安装两部分。

  1. 如门叶尺寸较小,则在工厂制成整体运至现场,经复测检查合格,装上止水橡 皮等附件后,直接吊人门槽。如门叶尺寸较大,由工厂分节制造,运到工地后,再现场 组装(采用螺栓连接或焊接),然后吊人门槽。
  2. 止水橡皮的螺栓孔位置应与门叶和止水压板上的螺栓孔位置一致,孔径应比螺 栓直径小1mm,应采用专用空心钻头造孔,不应烫孔,均匀拧紧螺栓后,其端部至少 应低于止水橡皮自由面8mm。止水橡皮安装后两侧止水中心距离和顶止水中心至底 止水底缘距离的极限偏差±3mm止水表面的平整度为2mm。闸门处于工作状态时 止水橡皮的压缩量应符合图样规定,并进行透光检查或冲水试验。
  3. 弧形闸门安装

弧形闸门根据其安装位置不同,分为露顶式弧形闸门和潜孔式弧形闸门両种形式。 弧形闸门的承重结构由弧形面板、主梁、次梁、竖向联结系或隔板、起重桁架、 支臂和支承铰组成。

露顶式弧形闸门包括底槛、侧止水座板、侧轮导板、铰座和门体。

潜孔式弧形闸门,顶部有混凝土顶板和顶止水,其埋件除与露顶式相同的部分外, 一般还有饺座钢梁和顶门楣。

  1. 闸门启闭试验
  2. 平面闸门应做静平衡试验方法为将闸门吊离地面100mm通过滚轮或滑 道的中心测量上、下游与左、右方向的倾斜平面闸门的倾斜不应超过门高的1 /1000, 且不大于8mm;平面链轮闸门的倾斜应不超过门高的1/1500,且不大于3mm,当超过 上述规定时,应予以配重。
  3. 闸门安装完毕后,应在无水情况下做全行程启闭试验。试验前应检查自动挂 脱梁挂钩脱钩是否灵活可靠:冲水阀在行程范围内的升降是否自如,在最低位置时止水 是否严密;清除门叶上以及门槽内所有杂物并检查吊杆的连接情况。启闭时,应在止 水橡皮处浇水润滑。有条件时,工作闸门应做动水启闭试验,事故闸门应做动水关闭 试验。
  4. 闸门启闭过程中应检查滚轮、支铰等转动部位的运行情况,闸门有无卡阻现 象,启闭设备左右两侧是否同步,止水橡皮有无损伤。
  5. 闸门全部处于工作部位后,应用灯光或其他方法检查止水橡皮的压缩程度,不 应有透光或有间隙。如闸门为上游止水,则应在支承装置和轨道接触后检查。
  6. 闸门在承受设计水头压力时通过任意lm长度的水封范围内漏水量不应超过 0.1 L/s ο
  7. 验收

闸门验收分为制造验收(闸门出厂前进行)和安装验收。

6.1.4启闭机与机电设备的安装方法

  1. 启闭机分类

启闭机按结构形式分为固定卷扬式启闭机、液压式启闭机、螺杆式启闭机、轮盘 式启闭机、移动式启闭机(包括门式启闭机、桥式启闭机和台车式启闭机)等。固定卷 扬式、螺杆式、液压式启闭机型号的表示方法如图6.1-11〜图6.1-13所示。启闭机按 表6.1-3分档。

2026一建《水利》电子教材(可搜索)2026一建《水利》电子教材(可搜索)

Q Ρ- □ X □

图6.1-12螺杆式启闭机型号的表示方法

2026一建《水利》电子教材(可搜索)工作行程m

□——□ X □——□

启门力kN

吊点数单吊点省略双吊点为2

液压缸结构形式I柱塞式Π活塞式

液压传动

普通

平面闸门(或Η弧形闸门)

启闭机

图6.1-13液压式启闭机型号的表75方法

表6.1-3启闭机按启闭力Γ分档表单位kN

启闭机形式 小型 中型 大型 超大型
固定卷扬式、移动式、液压式 Γ<250 1000 > Γ 250 2500 ^7^1000 T > 2500
螺杆式 7~<250 500 250 7 >500
  1. 固定卷扬式启闭机安装

1 )安装程序

固定卷扬式启闭机的一般安装程序是:

1 )埋设基础螺栓及支撑垫板。

2 安装机架。

3 浇筑基础二期混凝土。

4 在机架上安装提升机构。

5 安装电气设备和保护元件。

6 连接闸门作启闭机操作试验,使各项技术参数和继电保护值达到设计要求。

2卷扬式启闭机安装

卷扬式启闭机由电动机、减速箱、传动轴和绳鼓所组成。卷扬式启闭机是由电力 或人力驱动减速齿轮,从而驱动缠绕钢丝绳的绳鼓,借助绳鼓的转动,收放钢丝绳使闸 门升降。

1 )安装顺序

  1. 在水工建筑物混凝土浇筑时埋人机架基础螺栓和支承垫板,在支承垫板上放置 调整用楔形板。
  2. 安装机架。按闸门实际起吊中心线找正机架的中心、水平、高程,拧紧基础螺 母,浇筑基础二期混凝土,固定机架。
  3. 在机架上安装、调整传动装置,包括:电动机、弹性联轴器、制动器、减速器、 传动轴、齿轮联轴器、开式齿轮、轴承、卷筒等。

2传动装置安装、调整顺序

  1. 按闸门实际起吊中心找正卷筒的中心线和水平线,并将卷筒轴的轴承座螺杆 拧紧。
  2. 以与卷筒相连的开式大齿轮为基础,使减速器输出端开式小齿轮与大诸轮啮合正确。
  3. 以减速器输人轴为基础,安装带制动轮的弹性联轴器,调整电动机位置使联轴 器的两片的同心度和垂直度符合技术要求。
  4. 根据制动轮的位置,安装与调整制动器;若为双吊点启闭机,要保证传动轴与 两端齿轮联轴节的同轴度。
  5. 传动装置全部安装完毕后,检查传动系统动作的准确性、灵活性,并检查各部 分的可靠性。
  6. 安装排绳装置、滑轮组、钢丝绳、吊环、扬程指示器、行程开关、过载限制器、 过速限制器及电气操作系统等。
  7. 螺杆式启闭机安装

螺杆式启闭机是中小型平面闸门普遍采用的启闭机。它由摇柄、主机和螺栓组成。 螺杆的下端与闸门的吊头连接,上端利用螺杆与承重螺母相扣合。当承重螺母通过与其 连接的齿轮被外力(电动机或手摇)驱动而旋转时,它驱动螺杆作垂直升降运动,从而 启闭闸门。

安装过程包括基础埋件的安装、启闭机安装、启闭机单机调试、启闭机负荷试验。

安装前,首先检查启闭机各传动轴、轴承及齿轮的转动灵活性和啮合情况,着重 检查螺母螺纹的完整性,必要时应进行妥善处理。

检查螺杆的平直度每米弯曲超过0.2mm或有明显弯曲处可用压力机进行机械校 直。螺杆螺纹容易碰伤,要逐圈进行检查和修正。无异状时,在螺纹外表涂以润滑油 脂,并将其拧入螺母,进行全面的配合检查,不合适处应修正螺纹。然后整体竖立,将 它吊人机架或工作桥上就位,以闸门吊耳找正螺杆下端连接孔,并进行连接。

挂一线坠,以螺杆下端头为准,移动螺杆启闭机底座,使螺杆处于垂直状态。对 双吊点的螺杆式启闭机,当两侧螺杆找正后,安装中间同步轴,螺杆找正和同步轴连接 合格后,最后把机座固定。

对电动螺杆式启闭机,安装电动机及其操作系统后应作电动操作试验及行程限位 固定等。

  1. 液压式启闭机安装

1 )安装前,应检查液压式启闭机是否符合下列要求:

  1. 液压缸各部位应无碰伤和损坏,活塞杆应无变形;
  2. 活塞杆缩进后应与液压缸可靠固定;
  3. 液压泵站应完好,元器件和管路应无损坏、无渗油;
  4. 电气设备应完好,元器件应无损坏。

2液压管路现场焊接应采用氫弧焊焊接时应将焊接热影响区内密封件拆除 焊接后应进行酸洗钝化处理,酸洗后的表面不得有颜色不均匀的疤痕。管路安装完毕后 应进行整体循环冲洗。管道整体循环冲洗应使用专用液压栗站,应切断液压式启闭机 液压系统和液压缸回路;冲洗时,管内流速应达到紊流状态,滤网过滤精度不应低于 ΙΟμπι,冲洗时间应以冲洗液固体颗粒污染度等级达到设计要求为准。

  1. 移动式启闭机安装

安装前,应检查是否具备下列条件:

  1. 随机技术文件应齐全;

(2 )设备及附件应符合设计要求;

(3 )轨道基础面、安装预埋件应符合设计要求。

  1. 启闭机试验

启闭机试验分为:空运转试验,启闭机出厂前,在未安装钢丝绳和吊具的组装状 态下进行的试验。空载试验,启闭机在无荷载状态下进行的运行试验和模拟操作。动载 试验启闭机在1.1倍额定荷载状态下进行的运行试验和操作。主要目的是检查起升机 构、运行机构和制动器的工作性能。静载试验启闭机在1.25倍额定荷载状态下进行 的静态试验和操作。主要目的是检验启闭机各部件和金属结构的承载能力。

  1. 固定卷扬式启闭机

启闭机空载运行前,应检查电气控制设备、电缆接线等,满足设计要求;试验时 应在全行程往返3次主要质量标准和要求有

(1 )钢丝绳和动滑轮组任何部位均不得与其他部件或建筑物有摩擦。

  1. 钢丝绳应有序逐层缠绕在卷筒上,不得挤叠或乱槽。
  2. 多卷筒多层缠绕的启闭机,钢丝绳换层应同步。

启闭机的荷载试验应先将闸门在门槽内进行无水和静水条件下的试验,全行程升 降各2次试验经检查合格后宜根据被启闭闸门的运行条件按设计要求进行工作闸 门启闭机的动水启闭试验、事故闸门启闭机的动水闭门和静水启门试验,全行程升降各 2次快速闸门启闭机应进行动水闭门试验。

  1. 螺杆式启闭机

空载试验应在全行程内往返3次。荷载试验应将闸门在门槽内无水或静水中全 行程启闭2次动水启闭的工作闸门应进行动水启闭试验。

  1. 液压式启闭机

液压泵第一次启动时应将液压泵站上的溢流阀全部打开连续空转30~40min, 液压泵不应有异常现象。

液压泵空转正常后,在监视压力表的同时,将溢流阀逐渐旋紧使管路系统充油, 充油时应排除空气管路充满油后调整液压泵溢流阀使液压泵在其工作压力的25%、 50%、75%和100%的情况下分别连续运转15min,应无异常温升应不大于25K。

试验完成后调整液压泵站上的溢流阀使其压力达到工作压力的1.1倍B寸动作排 油。排油时应平稳、无异常。

现地操作低速向液压缸充油,反复动作几次,应排净系统和液压缸内的空气。

无水联调试验应现地操作升降闸门2次检验缓冲装置减速和闸门卡阻况闸 门应运行平稳、无异常;闸门下滑应符合设计要求,当无设计要求时,提升闸门后,在 48h内闸门下滑量应不大于200mm;有水试验应在无水联调试验合格后进行,根据液 压式启闭机使用条件做静水和动水试验。液压式启闭机压力、启闭速度、行程等各项参 数均应符合设计要求,所有信号及显示应准确,保护装置应安全可靠,实时在线监测系 统、无电液控应急操作装置功能应符合设计要求。

  1. 移动式启闭机

空载试验起升机构和行走机构应分别在行程内往返3次。

静载试验,按启闭机额定荷载的**75%**_、_100%、125%逐级递增进行,低一级试验 合格后进行高一级试验;使启闭机吊点处于起吊额定荷载位置,定出测量基准点,试验 荷载由75%逐步升至125%的额定荷载离地面100〜200mm停留不小于lOmin后 应无失稳现象。卸去荷载后,门架或桥架应无永久变形。

动载试验在额定荷载起升点起升110%的额定荷载,做重复的起升、下降、停车 等动作累计启动及运行时间应不小于lh;起升110%的额定运行荷载,大、小车 在全行程内分别往返运行。

6.2泵站与水电站的布置及机组安装

6.2.1泵站的布置

  1. 泵站工程的基本组成

泵站(抽水站、扬水站、抽水机站)工程主要由主泵房(厂房)、辅机房、进出水 建筑物等组成。主泵房是安装水泵机组并为其安全运行及安装检修提供便利条件的房 间,是泵站工程中的主体工程。辅机房是安装为水泵机组正常工作服务的各种辅助设 备的房间。泵站的进出水建筑物包括进水建筑物和出水建筑物。进水建筑物一般有前 池、进水池等,但对于从河流取水的泵站,除泵房直接从水源中取水外,进水建筑物还 应包括取水头部、引水管(涵)或引水渠、集水井等。出水建筑物一般为出水池、压力 水箱或出水管路等。为保证泵站的正常运行,进水侧设置拦污栅、清污机和检修闸门, 出水侧设置拍门、快速闸门、蝴蝶阀或真空破坏阀等断流设备。泵站示意如图6.2-1 所示。

2026一建《水利》电子教材(可搜索)/

油说闭机油《窄

水 fl

—/

<:三

I 心 ffiiooo

ΙΚΜΙ_Ι 水孔

ΙΙΙΙΙΙΙΙΙΙΙΙ

水泥桩处

♦5001 ■

〉=■

»»»/» 則MW 'ΠΠΤ^·

图6.2-1泵站示意图立式轴流泵

/­

/

'/

根据泵站担负的任务不同,泵站分为灌溉泵站、排水泵站、排灌结合泵站。根据 扬程不同分为高扬程泵站总扬程大于60m的泵站中扬程泵站总扬程10〜60m的 泵站低扬程泵站总扬程低于10m的泵站。

泵房分为:堤身式泵房、堤后式泵房、开敞式泵房(露天式泵房)、淹没式泵房 (潜水式泵房)、干室型泵房、湿室型泵房、块基型泵房、分基型泵房等。

  1. 泵站枢纽的布置

泵站工程的枢纽布置就是综合考虑各种条件和要求,确定建筑物种类并合理布置其 相对位置和处理相互关系。枢纽布置主要是根据泵站所承担的任务来考虑,不罔的泵站, 其主体工程,即泵房、进出水管道、进出水建筑物等的布置应有所不同。相应的涵闸、 节制闸等附属建筑物应与主体工程相适应。此外,考虑综合利用要求,如果在站区内有 公路、航运、过鱼等要求时,应考虑公路桥、船闸、鱼道等的布置与主体工程的关系。

  1. 水电站的布置
  2. 水电站的布置形式

水电站的典型布置形式主要有坝式水电站、河床式水电站及引水式水电站三种。

  1. 坝式水电站

坝式水电站是利用拦河坝使河道水位壅高,以集中水头。常建于河流中、上游的 高山峡谷中,一般为中、高水头水电站。

最常见的布置方式是发电厂房位于挡水坝下游靠近坝址处的水电站,即坝后式水 电站。

  1. 河床式水电站

河床式水电站是发电厂房与挡水闸、坝呈一列式布置在河床上共同起挡水作用的 水电站。常建于河流中、下游,一般为低水头、大流量的水电站。

  1. 引水式水电站

引水式水电站是利用引水道来集中河段落差形成发电水头的水电站。常建于流量 小、河道纵坡降大的河流中、上游。

  1. 水电站枢纽建筑物的组成

水电站枢纽工程主要建筑物包括:挡水建筑物,泄水建筑物,水电站进水建筑物, 水电站引水及尾水建筑物,水电站平水建筑物,发电、变电和配电建筑物等。

  1. 挡水建筑物:挡水建筑物用来拦截河流,集中落差,形成水库,如坝、闸等。
  2. 泄水建筑物:泄水建筑物用来宣泄洪水,或放水供下游使用,或放水以降低 水库水位,如溢洪道、泄洪隧洞、放水底孔等。
  3. 水电站进水建筑物:水电站进水建筑物用来将水引人引水道,如有压的深孔 和浅孔式进水口或无压的开敞式进水口。
  4. 水电站引水及尾水建筑物:水电站引水建筑物用来将发电用水自水庠输送给 水轮发电机组;尾水建筑物用来把发电用过的水排人下游河道。常见的建筑物为渠道、 隧洞、压力管道等,也包括渡槽、涵洞、倒虹吸等交叉建筑物。
  5. 水电站平水建筑物:水电站平水建筑物用来平稳由于水电站负荷变化在引水 或尾水建筑物中造成的流量及压力(水深)变化,如有压引水道中的调压室、无压引水道末端的压力前池等。
  6. 发电、变电和配电建筑物:包括安装水轮发电机组的主厂房(包括安装场)及其 控制、辅助设备的副厂房、安装变压器的变压器场及安装高压配电装置的高压开关站。
  7. 其他建筑物:如过船、过木、过鱼、拦砂、冲砂等建筑物。
  8. 主厂房结构

(1 )厂房上部结构,指厂房屋顶、侧墙、排架、楼板等位于主机间地板以上部分 的结构物。

  1. 厂房下部结构,指蜗壳、尾水管、发电机墩、厂房四周挡水挡土墙等位于主 机间地板以下部分的结构物。
  2. 发电机层,指装设立轴水轮发电机组的厂房中位于主机间底板以上的空间。
  3. 水轮机层,指装设立轴水轮发电机组的厂房中位于主机间地板以下到蜗壳层 以上的空间。
  4. 蜗壳层,指装设立轴水轮发电机组的厂房中位于水轮机层地板以下到尾水管 顶端高程以上的建筑物。
  5. 尾水管层,指装设立轴水轮发电机组的厂房中位于尾水管顶端高程以下到底 板高程以上的建筑物。

6.2.3水轮发电机组与水泵机组安装

  1. 水轮机的类型
  2. 水轮机的分类

水轮机是将水能转换为旋转机械能的一种水力原动机。根据转轮区内水流的流动 特征和转轮转换水流能量形式的不同,现代水轮机可分为反击式和冲击式两大类。通过 传动设备,它可以带动发电机取得电能。水轮机和发电机是水电站的主要设备,通常合 称为水轮发电机组,简称机组。

水电站常用水头如下:

水电站最大水头_水电站上下游水位在一定组合下出现的最大水位高程差。 水电站最小水头**H^n,**水电站上下游水位在一定组合下出现的最小水位高程差。

水轮机的工作水头,采用水电站水头减去从进水口到蜗壳进口前以及尾水管出口 至下游的全部水头损失。

水电站全部机组额定功率(出力)的总和称为水电站装机容量,一台机组的额定功 率(出力)称为机组的单机容量。机组的单机容量即为水轮发电机额定容量Λ,是指 发电机在额定参数(电压、电流、频率、功率因数)运行时输出的电功率,也称为水轮 发电机的额定功率(出力)。机组的单机容量按下列公式计算

Pg = P&s = 9.81 QH& = 9.81 QH&„

其中P为水轮机的额定功率(出力)0为通过水轮机的流量m7s; Η为水轮 机的工作水头m;屯为水轮发电机组的效率,等于水轮机的效率ά与发电机的效率 ά,的乘积。

大型机组的效率可以达到90%,中型机组的效率可以达到80%〜85%,小型机组 的效率一般为65%〜80%。

(1 )反击式水轮机

反击式水轮机是同时利用水流的位能、压能和动能做功的水轮机。

反击式水轮机转轮区内的水流在通过转轮叶片流道时,始终是连续地充;涛整个转 轮的有压流动,并在转轮空间曲面形叶片的约束下,连续不断地改变流速的欠小和方 向,从而对转轮叶片产生一个反作用力,驱动转轮旋转。

反击式水轮机按水流在转轮内运动方向和特征及转轮构造的特点可分为?昆流式、 轴流式、斜流式和贯流式四种。根据转轮叶片能否转动,将轴流式、斜流式和贯流式又 分别分为定桨式和转桨式。

  1. 混流式水轮机

混流式水轮机的水流从四周沿径向进人转轮,然后近似以轴向流出转轮。混流式 水轮机应用水头范围广(约为20〜700m)、结构简单、运行稳定且效率高,是现代应 用最广泛的一种水轮机。

  1. 轴流式水轮机

轴流式水轮机水流在导叶与转轮之间由径向流动转变为轴向流动,而在转轮区内 水流保持轴向流动。轴流式水轮机的应用水头为3〜80m。

轴流式水轮机在中低水头、大流量水电站中得到了广泛应用。

  1. 斜流式水轮机

斜流式水轮机水流在转轮区内沿着与主轴成某一角度的方向流动。斜流式水轮机 的转轮叶片大多做成可转动的形式具有较宽的高效率区适用水头为40〜20Om。其 结构形式及性能特征与轴流转桨式水轮机类似,但由于其倾斜桨叶操作机构的结构特别 复杂,加工工艺要求和造价均较高,一般较少使用。

  1. 贯流式水轮机

贯流式水轮机是一种流道近似为直筒状的卧轴式水轮机,水流在流道内基本上沿 轴向运动,提高了过流能力和水力效率。根据其发电机装置形式的不同,可分为全贯流 式和半贯流式两类。

贯流式水轮机的适用水头为1〜25m。它是低水头、大流量水电站的一种专用机型 由于其卧轴式布置及流道形式简单,所以土建工程量少,施工简便,因而在开发平原地 区河道和沿海地区潮汐等水力资源中得到较为广泛的应用。

  1. 冲击式水轮机

冲击式水轮机在转轮进口处把水流的位能和压能通过喷嘴转换为射流的动Bg是 仅利用水流动能做功的水轮机。

冲击式水轮机的转轮始终处于大气中,来自压力钢管的高压水流在进人水轮机之 前已转变成高速自由射流,该射流冲击转轮的部分轮叶,并在轮叶的约束下发生流速大 小和方向的改变,从而将其动能大部分传递给轮叶,驱动转轮旋转。

冲击式水轮机按射流冲击转轮的方式不同可分为水斗式、斜击式和双击式三种。

  1. 水斗式水轮机

水斗式水轮机,亦称切击式水轮机。从喷嘴出来的高速自由射流沿转轮圆周切线 方向垂直冲击轮叶。这种水轮机适用于高水头、小流量水电站。大型水斗式水轮机的应 用水头约为300~ 1700m,小型水斗式水轮机的应用水头为40〜250m。

  1. 斜击式水轮机

对于斜击式水轮机,从喷嘴出来的自由射流沿着与转轮旋转平面成一角度的方向, 从转轮的一侧进人轮叶再从另一侧流出轮叶。与水斗式相比,其过流量较大,但效率较 低因此这种水轮机一般多用于中小型水电站适用水头一般为20〜300m。

-③双击式水轮机

对于双击式水轮机,从喷嘴出来的射流先后两次冲击转轮叶片。这种水轮机结构 简单、制作方便但效率低、转轮叶片强度差仅适用于单机出力不超过1000kW的小 型水电站。适用水头一般为5〜100m。

  1. 水轮机的型号

水轮机的型号由三部分组成,每一部分用短横线隔开,各部分符号的表示方 法如图6.2-2所示。

第一部分

第〒部分

水轮机形式
形式 符号
混流式 HL
轴流定桨式 ZD
轴流转桨式 ΖΖ
斜流式 XL
贯流定桨式 GD
贯流转桨式 GZ
水斗式 CJ
斜击式 XJ
奴击式 SJ

转轮型号(用比转数表示)

主轴布置形式
形式 符号
立轴 L
卧轴 W

,第二部分

引水室特征
特征 符号
金屈蜗壳 V
混凝土蜗壳 Η
灯泡式 Ρ
竖井式 S
轴伸式 Ζ
罐式 G
虹吸式 X
明槽式 Μ

转轮标称直径(cm)

團6.2-2水轮机的型号各部分符号的表示方法

(1 )第一部分由汉语拼音字母与阿拉伯数字组成,其中拼音字母表示水轮机形式; 阿拉伯数字表示转轮型号,人型谱的转轮的型号为比转数数值,未人型谱的转轮的型号 为各单位自己的编号,旧型号为模型转轮的编号。可逆式水轮机在水轮机形式代表符号 后加“N”表示。

(2)第二部分由两个汉语拼音字母组成,分别表示水轮机主轴布置形式和水轮机 引水室特征。

(3 )第三部分是阿拉伯数字表示以cm为单位的水轮机转轮的标称直径。

HL220-LJ-500,表示转轮型号为220的混流式水轮机立轴金属蜗壳转 轮直径为500cm。

  1. 水泵水轮机

抽水蓄能电站主要包括上水库、高压引水系统、蓄能电站厂房、下水库。厂房装 设具有抽水及发电两种功能的机组,称为水泵水轮发电机组,也称为抽水蓄能机组。根 据机组的水力特性和机械结构的组成方式,分为四机式机组、三机式机组、二机可逆式 机组。

(1 )四机式机组。水轮机与发电机、水泵与电动机完全分开布置,而管路系统及 输配电设备为公用。优点:各自的效率最高。缺点:设备多、占地多、投资高。

(2)三机式机组。一台水泵和一台水轮机均和同一台电机相连,该电机可作为同步

发电机运行,又可作为同步电动机运行。优点:抽水蓄能的效率比二机可逆式机组高。 缺点:比二机可逆式机组投资高,主要原因是多一台水力机械,且水泵和水轮机都需要 单独的蜗壳、尾水管和进水阀。为使机组在水泵和水轮机工作时能以同一个方向旋转, 水泵和水轮机蜗壳需要彼此转向相反,造成机组平面宽度增大。

3二机可逆式机组。转轮正转为水轮机运行方式反转为水泵运行方式。电动 发电机既可以作为发电机,又可以作为电动机。机组由可逆式水泵水轮机和同步发电机 组成二机式机组。优点:动力设备少、结构简单紧凑、投资低。

可逆式水泵水轮机可设计成混流式大多用于高水头工作水头从30〜800m 目前应用最多、斜流式主要应用于150m以下水头变化幅度较大的场合、轴流式 应用较少和贯流式应用于潮汐电站水头20m以下。混流式水泵水轮机又分为 单级式和多级式12级以上。单级式是指水泵水轮机轴上只装有一个转轮多级式是 指水泵水轮机轴上装有2个及2个以上转轮。

4水轮机的基本构造

水轮机主要有四大部件组成,即进水部件、导水部件、工作部件和泄水部件。工 作部件——转轮是将水能转化为旋转机械能的过流部件,对于不同类型的水轮机构造各 有不同。

混流式水轮机的主要组成部件包括:

1 工作部件——转轮,其作用是将蜗壳引人水流的水能转换为转轮的旋转机 械能。

2 导水部件——导水机构,其主要作用是根据机组负荷变化来调节进人转轮的 流量,达到改变水轮机功率的目的,同时使水流按一定速度和方向进人转轮,使水流在 转轮前形成旋转,形成一定的速度环量。导水机构的导叶(导水叶)称为活动导叶。

3 进水部件——蜗壳,其作用是使水流形态适合于导叶,以减少水头损失。蜗 壳有钢筋混凝土蜗壳简称混凝土蜗壳和金属蜗壳。当水头在40m以下时多采用混 凝土蜗壳,为了防止蜗壳内水向外渗漏,通常在蜗壳内壁加钢板衬砌(里衬)作为保 护层。

4 泄水部件——尾水管,其作用是回收一部分附加动力真空(动能),多利用静 态真空(位能)并向下游排水。尾水管不能产生能量,只是回收利用一部分原来被舍弃 的能量。

5 其他部件——主轴、座环、导轴承、止漏环和基础环等。

  1. 水轮机的主轴是连接水轮机转轮与水轮发电机主轴,将转轮获得的旋转机械能 (转矩)传递给发电机的重要构件。主轴与转轮以及发电机主轴的连接通常依靠刚性法 兰盘,采用高强度联轴螺栓连接。
  2. 座环。座环位于蜗壳与导水机构之间,是由上环、下环和中间若干立柱,整体 浇铸而成的钢构件,是水轮机过流部件之一,必须保证水流以最小的水力损失通过,故 立柱具有流线型断面,通常做成翼型,又称固定导叶,与活动导叶高度相等。座环同时 是水轮机的承重部件,整个机组固定部分和转动部分的重量、水轮机的轴向水推力以及 蜗壳上部部分混凝土的重量都通过座环传递到厂房下部的基础上;座环还承受蜗壳的内 水压力。在水轮机安装时,座环通常作为装配机组的基准架。导水机构在工厂内装配时,机组在安装时,通常需要根据座环的位置进行校正。座环的下环通常设置灌浆孔, 以备在座环安装完毕后浇灌混凝土,使之与基础的混凝土紧密连接。
  3. 导轴承。在水轮机主轴下端靠近转轮处装有一个导轴承,用于承受由主轴传来 的水轮机转动部分的径向力和振动力,并固定水轮机轴线的位置,防止主轴摆动。导轴 承内镶有耐磨的轴瓦,轴瓦和轴颈之间用油或水进行润滑。
  4. 止漏环。为防止(减少)转轮与周围的固定部件之间缝隙漏水,常在转轮的上 冠与下环边缘及其对应的固定部件上,镶以用铜或不锈钢制作的止漏环,又称为密封 环、迷宫环。
  5. 基础环。大型水轮机的基础环是水轮机构件中最先安装的一部分,埋设在厂房 水下部分水轮机的混凝土支座中,由铸铁或铸钢制作,下端与尾水管的顶部相接,上端 与座环的下环相接。小型机组可以将座环的下环延伸一段,代替基础环。
  6. 水泵机组的选型

水泵机组包括水泵、动力机和传动设备。它是泵站工程的主要设备,又称为主机 组。泵站的辅助设备、电气设备和泵站中的各种建筑物都是为主机组的运行和维护服务 的。水泵机组的选型主要是水泵的选型,然后以水泵选型为依据选择动力机型号及传动 等配套设备。

1水泵类型

水泵品种系列繁多,按工作原理分主要有叶片泵、容积泵和其他类型泵。

泵站工程中最常用的水泵类型是叶片泵,叶片泵是靠叶轮的旋转作用,把能量传 给液体的机械,属这一类的有离心泵、轴流泵及混流泵等。水泵按泵轴安装形式分为立 式、卧式和斜式;按电机是否能在水下运行分为常规泵机组和潜水电泵机组等。

水泵比转数(又称比转速、比速)是反映叶片泵共性的综合性的特征数,是水泵 规格化的基础也是现今通用的相似准数。比转数常用符号《。表示单位是“r/min” 由于它不是一个实际的转速且无实际意义,一般略去不写。各种类型的水泵有不同的规 格,表示规格的参数有口径、转速、流量、扬程、功率、效率及汽蚀余量(或允许吸出 真空高度)等。

1 )离心泵

  1. 分类

按叶轮进水方向分为单吸式和双吸式;按叶轮的数目分为单级和多级,单级泵只 有一个叶轮,多级泵则有两个以上叶轮;按泵轴安装形式分为立式、卧式和斜式。

  1. 性能规格

离心泵的比转数ns的范围为30〜300r/min,其中**na =** 30〜80r/min的称为低比转 数离心泵,ns = 80〜150r/min的称为中比转数离心泵ns = 150〜300r/min的称为高 比转数离心泵。

单级双吸卧式离心泵常见的系列为Sh、S、SA型。例如20Sh-19表示该泵为进口 直径为20英寸EP 500mm单级双吸卧式离心泵该泵比转数为19X10 = 190r/mino 2 )轴流泵

  1. 分类

轴流栗通常按泵轴的安装方向和叶片是否可调进行分类。按泵轴的安装方向分为立式、卧式和斜式三种,卧式轴流泵又分轴伸式、猫背式、贯流式和电机泵等;按叶片 调节方式分为固定叶片轴流泵、半调节轴流泵和全调节轴流泵三种。

  1. 性能规格

轴流泵的比转数久在500r/min以上属高比转数低扬程水泵通常用于扬程低于 10m的泵站。

我国使用的轴流泵型号多为ZLB、ZLQ、ZWB、ZWQ等Z表示轴流泵L表示立 式W表示卧式X表示斜式B表示半调节Q表示全调节。字母前面的数宇表示水 泵出口的直径(英寸或mm)后面的数字乘以10后表示水泵的比转数久。

(3 )混流泵

混流栗按泵轴的安装方向分为立式、卧式;按其压水室形式不同分为蜗壳式和导 叶式。我国混流泵的扬程范围一般为5〜20m。近年来发展的导叶式混流泵有取代部分 扬程较高的轴流泵的趋势,扬程较高的混流泵也有取代扬程很低的离心泵的趋势。

2)水泵结构形式选择

水泵的结构形式(泵轴安装形式)分为立式、卧式和斜式3种。其中

(1 )立式水泵叶轮淹没于水下,启动方便,电动机安装在上层,便于防洪和通 风,但厂房高度较高,对安装精度要求较高,检修较麻烦,适用于水源水位变幅较大的 场所。

  1. 卧式水泵安装精度比立式水泵低,造价低,便与检修,但一般启动前需要冲 水排气,泵房平面尺寸较大,但荷载分部较均匀,适用于地基承载力较低,水源水位变 幅不大的场所。
  2. 斜式水泵安装检修方便,可安装在斜坡上,其叶轮淹没于水下,便于启动,但 轴受力不均匀,偏磨较重。适用于水源水位变幅不大且流量和扬程均较小的场所。
  3. 水轮发电机组的安装

组装,指将零部件按照一定的工序组合成一个完整部件的工艺过程。

安装,指将部件按照设计意图组合成套,并按要求将设备固定在规定位置,使其 具有设定功能的工艺作业过程。

(1)水轮发电机组安装包括:水轮机安装、调速系统安装调试、水轮机主阀及附 件安装、发电机安装、励磁系统及静止变频启动装置(SFC)安装调试、辅助设备安装 调试等。

  1. 水轮机安装分为:
  2. 立式混流式、轴流式水轮机安装,包括埋人部件安装、转轮装配、导水机构预 装、转动部件安装、导叶及接力器安装、水导轴承及主轴密封安装、筒形阀安装、水轮 机附件安装等。
  3. 卧式混流式水轮机安装,包括埋人部件安装、蜗壳及导水机构安装、轴承座安 装、轴瓦安装调试、主轴安装、转轮及附件安装等。
  4. 水斗式水轮机安装,包括基础埋件及尾水里衬安装、稳水栅安装、机壳安装、 配水环管安装、水轮机主轴安装、喷嘴及折向器安装、转轮安装等。
  5. 调速系统安装调试,包括油压装置安装与调试、调速器安装与调试、调速系统 管路安装、调速系统充油及现场试验等。
  6. 水轮机主阀及附件安装,包括基础埋件安装、蝴蝶阀安装、球阀安装、伸缩节 安装、旁通阀及管路系统设备安装、主阀操作机构安装、主阀现场试验等。
  7. 发电机安装分为:
  8. 立式水轮发电机安装,包括定子组装、转子组装、机架组装、轴瓦研刮及轴承 预装、发电机总体安装、发电机附件安装。
  9. 卧式水轮发电机安装,包括基础埋件安装、轴承座安装、轴瓦安装调试、轴承 检查及间隙调整、定子安装、转子安装及发电机组总装。
  10. 励磁系统及静止变频启动装置(SFC)安装调试,包括励磁系统设备安装、励磁 系统设备调试试验、静止变频启动装置(SFC)安装、静止变频启动装置(SFC)调试 试验等。
  11. 辅助设备安装调试,包括管件及管道附件制作、管道焊接、管道安装、管道及 管件的试验、管道吹扫清洗、油系统设备安装调试、水系统设备安装调试、气系统设备 安装调试等。
  12. 灯泡贯流式水轮发电机组安装,包括埋人部件安装、导水机构组装、主轴及 轴承组装、转轮装配及试验、导水机构及接力器安装、主轴安装调试、转轮及转轮室安 装、转子组装、定子组装、灯泡头组合体组装、机组总装配、附件安装等。
  13. 水轮发电机定转子安装电气试验,包括定子绕组嵌装前检查、定子绕组安装 过程中的交流耐压试验、定子电气试验、转子磁极及附件电气试验等。
  14. 水轮发电机组启动试运行,包括机组充水试验、机组空载试验、机组并网及 负载试验等。

(5 )设备安装前应具有以下技术资料:

  1. 施工图纸及技术文件,包括设计报告、设计修改通知等。
  2. 设备图纸及设备技术要求,包括安装说明书、运行维护说明书及技术报告。
  3. 设备出厂质量文件,包括出厂检验记录、试验记录、验收合格证、主要零部件 的材质性能报告。
  4. 施工组织设计或施工方案。
  5. 安装场地应统一规划,实施定置管理,安装现场满足下列基本要求:
  6. 安装环境温度不宜低于5Ϊ空气相对湿度不宜高于85%;安装现场应能防风、 防雨、防尘并应有足够的照明和通风,场内粉尘、噪声、高温、光辐射等危害因素应不 超过限值,对有其他特殊环境条件要求的设备部件安装应按设备技术要求进行。
  7. 安装现场应配置充足的灭火器材和安全保护设施,设置明显的安全警示标志; 放置危险化学品和易燃易爆物品的场所,应做到专人使用、保管;场所周围应采取防 火、防毒、防爆等防火措施;安装与生产在同一场所并对安全生产有影响时,应采取安 全隔离措施。
  8. 施工用水源、电源、气源和通信系统应配备齐全,起重运输机械应具备使用条 件。机组本体安装应在安装间、本机组段和相邻的机组段厂房屋顶封闭完成后进行,机 组金属结构埋设部件组装、安装可根据现场条件确定。
  9. 机组设备、工器具和施工材料堆放整齐,场地应保持清洁有序,道路畅通、工 完场清。
  10. 机组设备安装前,应对交付安装的土建部位进行检查验收,对有缺陪的部位 应处理合格,检查验收应形成记录并签字确认。
  11. 设备在安装前应进行全面清扫、检查,对重要部件的主要尺寸及配合公差,应 对照出厂记录和设备技术要求进行复核。设备检查和缺陷处理应有记录和签证。
  12. 设备基础垫板埋设后应加固牢靠,其高程允许偏差不宜超过-5〜Omm中心 和分布位置允许偏差应小于5mm,水平度允许偏差应小于0.5mm/m。用于埋设部件加 固调整的基础螺栓、千斤顶、拉紧器、楔子板、基础板等均应点焊牢固。埋设部件与混 凝土结合面应无油污、锈蚀或油漆。
  13. 地脚螺栓采用与预埋钢筋焊接时,预埋钢筋的材质和可焊性应与地脚螺栓基 本一致,其断面积应大于地脚螺栓的断面积,且与地脚螺栓中心线平行;地月却螺栓采 用双面焊接时焊接长度应大于5倍地脚螺栓直径采用单面焊接时焊接长度应大于 10倍地脚螺栓直径。地脚螺栓距离预留孔壁的距离应大于15mm。地脚螺栓应在预留孔 的混凝土达到设计强度的75%以上时进行紧固,紧固力应均匀,紧固力矩及轴向拉力 数值应符合设备技术要求紧固后螺栓露出长度应不少于2个螺距。

(11 )楔子板应成对使用搭接长度在2/3以上相互间的偏斜角应小于3°。对于 承受重要部件的楔子板安装后应用0.05mm塞尺检查接触情况,每侧接触长度应大于 70%。

  1. 设备安装应在基础混凝土强度达到设计值的70%以上后进行。
  2. 复核设备组合面加工精度和表面粗糙度,应符合设备技术说明,组合面合缝 处间隙用0.05mm塞尺检查时不能贯通。局部间隙用0.10mm塞尺检查时,深度应不 大于组合面宽度的1/3,有间隙的部位总长应不大于全长的20%。组合螺栓及牵肖钉周围 不应有间隙。组合缝处安装面错牙应不大于0.05mm。

(14 )部件的装配符合下列要求:

  1. 多台机组同时安装时,每台机组应使用标有同系列标号的部件进行装酉己。
  2. 同类部件及测点在安装记录里应顺序编号。对固定部件,应从+Y开岁台从发 电机端视顺时针标号对转动部件应从转子1号磁极的位置开始除主轴上盘车测点 为逆时针编号外,其余均为从发电机端视顺时针编号。
  3. 螺栓及销钉安装符合下列要求:
  4. 有预应力要求的连接螺栓安装预应力允许偏差不超过设计预应力值的±10%。
  5. 安装细牙连接螺栓时,螺纹应涂防咬合润滑剂。
  6. 连接螺栓应分次均匀对称紧固;采用热态紧固的螺栓,应一次紧固到位,紧固 后在室温下抽查20%左右螺栓的伸长值,螺栓伸长值偏差应不超过设备技术要求规定 值的±20%。
  7. 各部件安装定位后,应按设备技术要求钻饺销钉孔并配装销钉。
  8. 螺栓、螺母、销钉均应按设备技术要求锁定牢固。
  9. 现场制造的承压设备及连接件进行强度耐水压试验时试验压力为1.5倍额 定工作压力但最低试验压力不应小于0.4MPa,在试验压力下保持15mino设备及其 连接件进行严密性耐压试验时试验压力为1.25倍额定工作压力,在试验压力下保持 30mino进行严密性试验时试验压力为实际最大工作压力在试验压力下保持8h。单

个冷却器应按设备技术要求的试验压力进行耐水压试验,设备技术要求未明确时,试验 压力应为额定工作压力的1.5倍且不低于0.4MPa,保持压力60mino试验过程中检 查各部位应无渗漏、裂纹、变形等异常现象。

  1. 机组设备各部位进行渗漏试验时,试验介质可采用煤油或工作介质。煤油涂 刷保持4h工作介质浸泡保持24h应无渗漏现象。容器完成渗漏试验后不宜再拆卸。
  2. 水轮发电机组安装完成后应进行启动试运行,试运行合格后,进行机组启动 阶段验收和移交。随机备品备件、安装专用工具及文件资料应在机组验收后移交。
  3. 尾水管里衬混凝土浇筑满足下列要求:
  4. 应有防止尾水管里衬变形的措施。
  5. 混凝土浇筑时应对称均匀上升浇筑层面高差应不大于0.5m。
  6. 混凝土浇筑上升速度应不大于0.3m/h,且未初凝的混凝土厚度应不大于0.6m。
  7. 混凝土浇筑过程中应监测尾水管里衬的变形,并根据监测情况适时调整混凝土 浇筑顺序和浇筑上升速度。
  8. 座环现场机加工应在水轮机层混凝土强度达到100%,且座环基础灌浆完成 后进行。
  9. 水泵机组的安装

(1 )水泵机组安装包括主机组、辅助设备、电气设备和进出水管道安装,其中:

  1. 主机组安装中,立式机组主要工作分为轴承、水泵、机组电动机安装;卧式与 斜式机组主要工作分为轴瓦研刮和轴承装配,水泵、机组电动机、传动装置安装;灯泡 贯流式机组主要工作分为固定部件、轴承装配,水泵、机组电动机安装。
  2. 辅助设备安装主要工作分为:油压装置、空气压缩装置、供排水泵、真空破坏 装置、辅助设备的管及管件安装。
  3. 电气设备安装主要工作分为:主电动机、变配电设备、电气二次设备、监控及 通信系统、其他电气设备安装。
  4. 进出水管道安装主要工作分为:管道安装、阀门安装。
  5. 设备安装前,应获得下列文件:
  6. 设备安装图及技术要求。
  7. 与设备安装有关的建筑结构及管路图。
  8. 制造商提供的设备及零件和备件清单、设备及部件装配图、设备安装使用说明书。
  9. 主要设备基础及建筑物的验收资料。
  10. 与设备安装有关的基准线、基准点和水准标高点。
  11. 安装前的设备基础混凝土强度和沉降观测资料。
  12. 设备安装前,检查制造商提供的安装专用工器具、备品备件、设备图样及技 术资料等是否满足安装和运行的要求。检查安装检测所采用的检测仪器、仪表和设备是 否满足有关要求。
  13. 设备安装前应对设备进行全面清理和检查。对与安装有关的尺寸及配合公差 应进行校核,部件装配应注意配合标记。多台同型号设备同时安装时,每台设备应用标 有同序列标号的部件进行装配。安装时各金属滑动面应清除毛刺并涂润滑油。

(5 )主水泵和主电动机组合面的合缝检查应符合下列要求:

  1. 用0.05mm塞尺检查合缝间隙,塞尺不应通过合缝间隙。
  2. 当允许有局部间隙时可用0.10mm塞尺检查,局部间隙的深度不应迢过组合面 宽度的1/3总长不应超过周长的20%。
  3. 精致螺栓、定位销的配合公差应符合设计要求。
  4. 组合缝处的安装面高差不应超过0.10mm。
  5. 承压设备及其连接件的耐压试验符合规定。
  6. 油槽等开敞式容器安装前应进行煤油渗漏试验时间至少4h,无渗漏现象。
  7. 起重运输设备应满足要求。严禁以管道、设备或脚手架、脚手平台等作为起 吊重物的承(支)力点。利用建筑物结构起吊或运输设备重物的,应进行验算。
  8. 设备的涂层满足相关规定,无起泡、皱纹,颜色一致。其中设备涂色符合 表6.2-1的规定。

表6.2-1设备涂色规定

序号 设备名称及部位 颜色
1 泵壳内表面、轮毂、导叶等过流表面
2 水泵外表面 蓝灰或果绿
3 电动机轴和水泵轴
4 水泵、电动机踏脚板、回油箱
5 电动机定子外表面、上机架、下机架外表面 米黄或浅灰
6 栏杆(不包括镀铬和不锈钢栏杆) 银白或米黄
7 附属设备、压力油箱、储气罐 灰蓝或浅灰
8 压力油管、进油管、净油管
9 回油管、排油管、溢油管、污油管
10 技术供水进水管 天蓝
11 技术供水排水管 绿
12 生活用水管
13 污水管及一般下水管
14 低压压缩空气管
15 高、中压压缩空气管 白底红色环
16 抽气及负压管 白底绿色环
17 消防水管及消火栓
18 阀门及管道附件(不包括铜及不锈钢阀门及附件)

1.设备涂色如与站房装饰不协调时,除管道涂色外,其余可做适当变动。

2.阀门手轮、手柄应涂红色,铜及不锈钢阀门不涂色,阀门予以编号。管道上用白色箭头(气管用红 色)标示介质流动方向。

  1. 设备安装前,检查预留的孔、洞、基础预埋件是否满足设计要求。设备安装 后,有封堵要求的孔、洞应封堵严密。设备安装后应无漏水、漏气、漏油等现象。 (11 )安装施工现场应符合下列要求:

①土建施工满足设备安装的条件,户内设备安装场地应能防风、防雨雪、防尘。

  1. 泵房内的沟道和地坪已基本完成并清理干净,有设备进人通道时,宜有混凝土 粗地面。
  2. 对温度、湿度等有特殊要求的设备安装应按设计或设备说明书的规定进行。
  3. 应有符合要求的安全防护设施。放置易燃、易爆物品的场所应符合相关的安全 要求。
  4. 安装用起重机应满足主机组安装的技术要求,并已通过当地特种设备检验部门 的检验。
  5. 设备基础混凝土强度应达到设计值的70%以上。
  6. 设备安装不宜与土建施工或其他作业交叉进行。确需交叉进行的,应做好设备 防尘、防水、防损坏等保护措施。

篇 水利水电工程相关法规

7章相关法规

2026一建《水利》电子教材(可搜索)7.1水法与工程建设有关的规定

第7章

看本章精讲课

做本章自测题

7.1.1河流上修建永久性拦河闸坝的补救措施

1.水法的地位

从广义上讲,水法(有的国家也称为“水资源法”)是一个国家调整水 资源的开发、利用、节约、保护以及管理水资源和防治水害过程中发生的各祌社会关系 的法律法规的总称。水法有广义和狭义之分,都是国家法律体系的重要组成部分。这里 所称的水法是狭义上的水法是指2002年8月29日第九届全国人民代表大会常务委员 会第二十九次会议通过2002年10月1日起施行的《中华人民共和国水法» (以下简 称《水法》)。《水法》是关于水事的基本法,其法律效力仅在宪法之下。

中华人民共和国成立后颁发的第一部《水法》是1988年1月21日经第六届全国 人大常委会审议通过于同年7月1日起施行的《水法》共七章五十三条。随着社会 经济发展和水资源形势的变化等,原《水法》的一些规定已经不能适用实际需要,所 以2002年8月29日第九届全国人民代表大会常务委员会第二十九次会议通过《中华人 民共和国水法修订草案以中华人民共和国主席令第74号发布自2002年10月 1日起施行。根据2009年8月27日第十一届全国人民代表大会常务委员会第十次会议 通过的《全国人民代表大会常务委员会关于修改部分法律的决定》进行局部修改;根 据2016年7月2日第十二届全国人民代表大会常务委员会第二十一次会议通过的《全 国人民代表大会常务委员会关于修改〈中华人民共和国节约能源法〉等六部法律的决 定》进行局部修改。修订后的《水法》共八章八十二条,分别为第一章总则;第二章水 资源规划;第三章水资源开发利用;第四章水资源、水域和水工程的保护;第五章水资 源配置和节约使用;第六章水事纠纷处理与执法监督检查;第七章法律责任;第八章附 则等。

2.水资源的利用与管理

《水法》第三条规定:“水资源属于国家所有。水资源的所有权由国务院代表国家 行使。农村集体经济组织的水塘和由农村集体经济组织修建管理的水库中的水,归各该 农村集体经济组织使用。”

《水法》第四条规定:“开发、利用、节约、保护水资源和防治水害,应当全面规 划、统筹兼顾、标本兼治、综合利用、讲求效益,发挥水资源的多种功能,协调好生 活、生产经营和生态环境用水。”

《水法》第七条规定:“国家对水资源依法实行取水许可制度和有偿使用讳ϋ度。但

是,农村集体经济组织及其成员使用本集体经济组织的水塘、水库中的水除外。国务院 水行政主管部门负责全国取水许可制度和水资源有偿使用制度的组织实施。”

《水法》第六十九条规定:“有下列行为之一的,由县级以上人民政府水行政主管 部门或者流域管理机构依据职权,责令停止违法行为,限期采取补救措施,处二万元以 上十万元以下的罚款;情节严重的,吊销其取水许可证:

1 )未经批准擅自取水的;

2未依照批准的取水许可规定条件取水的。”

《水法》第七十条规定:“拒不缴纳、拖延缴纳或者拖欠水资源费的,由县级以上 人民政府水行政主管部门或者流域管理机构依据职权,责令限期缴纳;逾期不缴纳的, 从滞纳之日起按日加收滞纳部分千分之二的滞纳金,并处应缴或者补缴水资源费一倍以 上五倍以下的罚款。”

  1. 水资源的属性

水和水资源是两个概念,这两个概念既有联系也有区别。水,侧重于水的自然属 性水的自然属性包括水是一种化学分子结构式为h2o的氢氧化合物无色无味在 液态时被称为水,在固态时被称为冰,在气态时被称为水蒸气。在一个标准大气压下, 水的沸点为100T,冰点为Οΐ水在时密度达到最大值为1 OOOkg/m3。水资源是 从资源的开发利用角度出发,强调水的可利用性。水资源是基础性自然资源、战略性经 济资源和生态环境的控制性要素。水资源系统是一个动态的、循环的闭合系统,地表 水、地下水和空中水彼此可以相互转化,某一种形式的水资源的变化可以影响其他形式 的水资源。《水法》所称的水资源是指地表水和地下水。水常常被用于指代具体物,而 水资源则用于指代抽象的、作为所有权和使用权客体的宏观资源。作为具体物的水可以 为自然人、法人或其他组织所有(使用);而作为抽象物的水资源,需强调水资源的公 有和共有属性,维护社会公共利益,水资源的所有权只能是国家。《中华人民共和国宪 法》第九条规定:“矿藏、水流、森林、山岭、草原、荒地、滩涂等自然资源,都属于 国家所有,即全民所有;由法律规定属于集体所有的森林和山岭、草原、荒地、滩涂 除外。”

由于水资源属于国家所有,是国有的公共资源,所以任何人都不能将其随意据为 己有,如果要取用水资源,就必须获得政府的许可,即国家对水资源依法实行取水许可 制度。所谓取水许可按照国务院1993年8月1日颁发的《取水许可制度实施办法》 的规定,是指所有直接从江河、湖泊或地下取水的单位和个人,除为家庭生活等目的少 量取水,或者在为紧急公共利益而必须取水的情况外,都应当向人民政府水行政主管部 门申请取水许可证,并按照规定的时间、地点、方式和限额取水的制度。这里的取水是 指利用水工程或者机械提水设施取水。

1988年的《水法》并没有规定实行水资源有偿使用制度。水资源有偿使用制度是 随着市场经济的发展提出来的。所谓水资源有偿使用制度,是指国家作为水资源的所有 人对开发利用水资源的自然人、法人或其他组织收取·定费用的行为。水资源有偿使用 是水资源属于国家所有的具体体现,是节约用水的重要手段和有效措施。水资源有偿使 用制度与取水许可制度是相互依存,取水许可制度是水资源有偿使用制度的一个重要内 容。所谓水资源费,是指直接从江河、湖泊和地下取水的单位和个人因为消耗水资源(水量、水质、水温、水能等)向国家缴纳的费用,费用的目的是用于对水资源的恢复 和管理。所谓水费,是指使用水利工程供应的水而向水利工程管理单位支付的费用,费 用的主要目的是用于补偿供水成本以及合理的供水收益。所谓水价,是指使用水工程供 应的水的价格,即单位水所缴纳水费的标准。供水成本包括工程的运行管理费、大修费 和折旧以及按照规定可以计人成本的其他费用。水费分为农业水费、工业水费、城镇生 活用水水费以及水力发电用水水费等。

  1. 修建永久性拦河闸坝的规定

《水法》第二十七条规定:“国家鼓励开发、利用水运资源。在水生生物洒游通道、 通航或者竹木流放的河流上修建永久性拦河闸坝,建设单位应当同时修建过鱼.、过船、 过木设施或者经国务院授权的部门批准采取其他补救措施并妥善安排施工禾B蓄水期 间的水生生物保护、航运和竹木流放,所需费用由建设单位承担。

在不通航的河流或者人工水道上修建闸坝后可以通航的,闸坝建设单位应当同时 修建过船设施或者预留过船设施位置。”

《水法》所说的水运是指内河航运。水运与其他运输方式相比,具有运能大、成本 低、占地少、能耗少的特点,所以,应当鼓励开发利用水运资源。航道是水运的基础, 在已经通航的河流上修建拦河闸坝等设施时,应当合理维护通航和竹木流放条件,建设 必要的过船建筑物或驳运设施等。从保护生态环境需要,建设水生生物洄游通道。《中 华人民共和国渔业法》规定,在鱼、虾、蟹洄游通道上建闸、筑坝,对渔业资源有严重 影响的,建设单位应当建造过鱼设施或采取其他补救措施。为了发挥水资源的综合效 益,原先不具备通航条件的河流或人工开挖的水道上,由于修建闸坝工程抬髙了水位、 改善了水流条件等从而使河道具备了通航的条件时,闸坝建设单位根据需要选择建设过 船设施或给其他单位以及今后建设过船设施预留位置。

《水法》第二十八条规定:“任何单位和个人引水、截(蓄)水、排水,不得损害 公共利益和他人的合法权益。”

《水法》第七十六条规定:“引水、截(蓄)水、排水,损害公共利益或者他人合 法权益的,依法承担民事责任。”

7.1.2水工程保护的规定

  1. 禁止性规定和限制性规定

《水法》从保持河道、运河、渠道畅通以及保证湖泊、水库正常发挥效益出发,针 对各类生产建设活动的特点以及可能产生的危害,分别作出了禁止性规定限制性 规定。

禁止性规定包括《水法》第三十七条规定:“禁止在江河、湖泊、水库、运河、渠 道内弃置、堆放阻碍行洪的物体和种植阻碍行洪的林木及高秆作物。

禁止在河道管理范围内建设妨碍行洪的建筑物、构筑物以及从事影响河势稳定、 危害河岸堤防安全和其他妨碍河道行洪的活动。”

根据《中华人民共和国防洪法》(以下简称《防洪法》)第二十一条的规定,河 道管理范围按有堤防和无堤防两种情况而有所不同。有堤防的河道、湖泊,其管理 范围为两岸堤防之间的水域、沙洲、滩地、行洪区和堤防及护堤地;无堤防的河道、湖泊,其管理范围为历史最高洪水位或者设计洪水位之间的水域、沙洲、滩地和行 洪区。

限制性规定包括《水法》第三十八条规定:“在河道管理范围内建设桥梁、码头和 其他拦河、跨河、临河建筑物、-构筑物,铺设跨河管道、电缆,应当符合国家规定的防 洪标准和其他有关的技术要求,工程建设方案应当依照防洪法的有关规定报经有关水行 政主管部门审查同意。

因建设前款工程设施,需要扩建、改建、拆除或者损坏原有水工程设施的,建 设单位应当负担扩建、改建的费用和损失补偿。但是,原有工程设施属于违法工程的 除外。”

所谓限制性规定,主要是考虑在河道管理范围内从事上述生产活动有可能对河 道稳定以及防洪安全产生不良影响,但为了生产和防洪安全的共同需要,有必要设定 必要的法律制度和实施严格的管理措施,将生产活动对防洪安全的影响降低到最低程 度或可以控制的范围。故《水法》没有绝对禁止上述活动,而是通过行政许可加以 限制。

  1. 水工程的管理范围和保护范围规定

《水法》第四十三条规定:“国家对水工程实施保护。国家所有的水工程应当按照 国务院的规定划定工程管理和保护范围。

国务院水行政主管部门或者流域管理机构管理的水工程,由主管部门或者流域管 理机构商有关省、自治区、直辖市人民政府划定工程管理和保护范围。

前款规定以外的其他水工程,应当按照省、自治区、直辖市人民政府的规定,划 定工程保护范围和保护职责。

在水工程保护范围内,禁止从事影响水工程运行和危害水工程安全的爆破、打井、 采石、取土等活动。”

水工程是指在江河、湖泊和地下水源上开发、利用、控制、调配和保护水资源的 各类工程。《中国水利百科全书》将水利工程定义为对自然界的地表水和地下水进行控 制和调配,以达到除害兴利的目的而修建的工程,并按服务对象分为防洪工程、农田水 利工程(也称为排灌工程)、发电工程、航道及港口工程、城镇供水排水工程、环境水 利工程、河道堤防和海堤工程、海涂围垦工程等,所以水工程就是水利工程。由于行业 和部门的分工,人们习惯狭义地将水利部门管理建设的上述工程称为水利工程,为避免 歧义,故《水法》将规范的涉水工程称为水工程。

水工程的管理范围和保护范围是不同的,管理范围是指为了保证工程设施正常运 行管理的需要而划分的范围,如堤防工程的护堤地等,水工程管理单位依法取得土地的 使用权,故管理范围通常视为水工程设施的组成部分。保护范围是指为了防止在工程设 施周边进行对工程设施安全有不良影响的其他活动,满足工程安全需要而划定的一定范 围。范围内土地使用单位的土地使用权没有改变,但其生产建设活动受到一定的限制, 即必须满足工程安全的要求。水工程的管理范围和保护范围依据工程的重要性和工程所 在地土地的状况进行划定。有关技术标准有详细要求。

根据中共中央办公厅、国务院办公厅印发的《关于全面推行河长制的意见》,全面 建立省、市、县、乡四级河长体系。各省(自治区、直辖市)设立总河长,由党委或政府主要负责同志担任;各省(自治区、直辖市)行政区域内主要河湖设立河长,由省 级负责同志担任;各河湖所在市、县、乡均分级分段设立河长,由同级负责同志担任。 2018年底前全面建立河长制。

各级河长负责组织领导相应河湖的管理和保护工作,包括水资源保护、水域岸线 管理、水污染防治、水环境治理等,牵头组织对侵占河道、围垦湖泊、超标排污、非法 采砂、破坏航道、电毒炸鱼等突出问题依法进行清理整治,协调解决重大问题;对跨行 政区域的河湖明晰管理责任,协调上下游、左右岸实行联防联控;对相关部门和下一级 河长履职情况进行督导,对目标任务完成情况进行考核,强化激励问责。

  1. 水闸工程管理范围和保护范围

1)管理范围

水闸工程的管理范围是水闸管理单位直接管理和使用的范围,包括:

  1. 水闸工程各组成部分的覆盖范围。包括上游引水渠、闸室、下游消雪g防冲工 程和两岸连接建筑物。
  2. 为保证工程安全、加固维修、美化环境等需要,在水闸工程建筑物覆盖范围 以外划出的一定范围其值可参照表7.1-1确定。

表7.1-1水闸工程建筑物覆盖范围以外的管理范围

建筑物等级 1 2 3 4 5
水闸上、下游的宽度(m) 500-1000 300-500 100-300 50 〜100 5◦〜100
水闸两侧的宽度(m) 100-200 50-100 30-50 30 〜50 30-50

注:堤防上的水闸,管理范围应与堤防管理范围统筹确定。

2)保护范围

水闸工程的保护范围是为保证工程安全,在工程管理范围以外划定一定的宽度。 水闸工程的保护范围可根据工程的具体情况确定。

  1. 堤防工程管理范围和保护范围

1)管理范围

堤防工程的管理范围一般应包括以下工程和设施的建筑场地和管理用地:

  1. 堤身,堤内外戗堤,防渗导渗工程及堤内、外护堤地。
  2. 穿堤、跨堤交叉建筑物:包括各类水闸、船闸、桥涵、泵站、鱼道、伐道、道 口、码头等。
  3. 附属工程设施:包括观测、交通、通信设施、测量控制标点、护堤哨所、界 碑、里程碑及其他维护管理设施。
  4. 护岸控导工程:包括各类立式和坡式护岸建筑物,如丁坝、顺坝、坝垛、石 矶等。
  5. 综合开发经营生产基地。
  6. 管理单位生产、生活区建筑:包括办公用房屋、设备材料仓库、维修生产车 间、砂石料堆场、职工住宅及其他生产生活福利设施。

护堤地管理范围,应根据工程级别并结合当地的自然条件、历史习惯和土地资源 开发利用等情况进行综合分析确定:

(1 )护堤地的顺堤向布置应与堤防走向一致。

  1. 护堤地横向宽度应从堤防内外坡脚线开始起算。设有戗堤或防渗压重铺盖的 堤段,应从戗堤或防渗压重铺盖坡脚线开始起算。
  2. 堤内、外护堤地宽度可参照表7.1-2规定的数值确定。

表7.1-2护堤地宽度数值表

工程级别 1 2、3 4、5
护堤地宽度(m) 30-100 2◦〜60 5〜30
  1. 堤防工程首尾端护堤地纵向延伸长度,应根据地形特点适当延伸,一般可参 照相应护堤地的横向宽度确定。
  2. 特别重要的堤防工程或重点险工险段,根据工程安全和管理运用需要,可适 当扩大护堤地范围。
  3. 海堤工程的护堤地范围一般临海一侧的护堤地宽度为100〜200m;背海一侧 的护堤地宽度为20~50m。背海侧顺堤向挖有海堤河的护堤地宽度应以海堤河为界。
  4. 城市堤防工程的护堤地宽度,在保证工程安全和管理运用方便的前提下,可 根据城区土地利用情况对表7.1-2中规定的数值进行适当调整。

护岸控导工程管理范围,除工程自身的建筑范围外,可按以下不同情况分别确定: (1 )邻近堤防工程或与堤防工程形成整体的护岸控导工程,其管理范围应从护岸 控导工程基脚连线起向外侧延伸30〜50m。但延伸后的宽度不应小于规定的护堤地 范围。

  1. 与堤防工程分建且超出护堤地范围以外的护岸控导工程,其管理范围:横向 宽度应从护岸控导工程的顶缘线和坡脚线起分别向内、外侧各延伸30〜50m;纵向长度 应从工程两端点分别向上下游各延伸30〜50m。
  2. 在平面布置上不连续,独立建造的坝垛、石矶工程,其管理范围应从工程基 脚轮廓线起沿周边向外扩展30〜50m。
  3. 河势变化较剧烈的河段,根据工程安全需要,其护岸控导工程的管理范围应 适当扩大。

2)保护范围

在堤防工程背水侧紧邻护堤地边界线以外,应划定一定的区域,作为工程保护范 围。堤防工程保护范围的横向宽度可参照表7.1-3规定的数值确定。

表7.1-3堤防工程保护范围的横向宽度数值表

工程级别 1 2、3 4、5
保护范围的宽度(m) 200-300 100-200 50 〜100

堤防T程临水侧的保护范围应按照国家颁布的《中华人民共和国河道管理条例》 有关规定执行。

  1. 水库工程管理范围和保护范围

根据《水库丁.程管理设计规范》SL 106—2017,工程管理范围应包括:工程区管理

范围和运行区管理范围;保护范围包括工程保护范围和水库保护范围。

1管理范围

工程区管理范围包括:大坝、输水道、溢洪道、电站厂房、开关站、输变电、船 闸、码头、渔道、输水渠道、供水设施、水文站、观测设施、专用通信及交通设施等 各类建筑物周围的管理范围和水库土地征用线以内的库区。管理范围用地应揆表7.1-4 控制。

表7.1-4水库工程区管理范围用地指标

工程区域 上游 下游 左右岸 其他
大型水库大坝 从坝轴线向上游

15◦〜200m
从坝轴线向下游 200〜300m 从坝段外延

1 ◦◦〜300m
中型水库大坝 从坝轴线向上游

10◦〜150m
从坝轴线向下游

150 〜200m
从坝段外延

100〜250m
逾洪道

(与水库坝体分离的)
由工程两侧轮廓幾或开挖边 线向外5◦〜200m,消力池 以下100〜300m
其他建筑物 从工程外轮廓线或开挖边线 向外30〜50m

1.上、下游和左右岸管理范围端线应与库区土地征用线相衔接。

  1. 大坝坝端管理范围经论证确有必要扩大的,可适当扩大。
  2. 平原水库管理范围可根据实际情况适当减小。

运行区管理范围包括:办公室、会议室、资料档案室、仓库、防汛调度室、值班 室、车库、食堂、值班宿舍及其附属设施等建(构)筑物的周边范围,规划用地面积大 型水库应为125〜195m7人中型水库应为135〜235m2/人。有条件设置渔场、林场、 畜牧场的,按其规划确定占地面积。

水库工程管理范围的土地应与工程建设征地一并征用,并办理确权发证手续,工 程验收后移交水库管理单位。

2保护范围

1 工程保护范围在工程管理范围边界线外延。大型水库上、下游300〜500m, 两侧200〜300m;中型水库上、下游200〜300m两侧100〜200m。

2 水库保护范围:由坝址以上,库区两岸(包括干、支流)土地征用线以上至 第一道分水岭脊线之间的陆地。

工程和水库保护范围内的土地不征用,应根据工程管理的要求和有关法规制定保 护范围的管理办法。

7.1.3水资源规划及水工程建设许可的要求

  1. 水资源规划的要求

《水法》第十四条规定:“国家制定全国水资源战略规划。

开发、利用、节约、保护水资源和防治水害,应当按照流域、区域统一制定规划。 规划分为流域规划和区域规划。流域规划包括流域综合规划和流域专业规划;区域规划包括区域综合规划和区域专业规划。

前款所称综合规划,是指根据经济社会发展需要和水资源开发利用现状编制的开 发、利用、节约、保护水资源和防治水害的总体部署。前款所称专业规划,是指防洪、 治涝、灌溉、航运、供水、水力发电、竹木流放、渔业、水资源保护、水土保持、防沙 治沙、节约用水等规划。”

《水法》第十五条规定:“流域范围内的区域规划应当服从流域规划,专业规划应 当服从综合规划。

流域综合规划和区域综合规划以及与土地利用关系密切的专业规划,应当与国民 经济和社会发展规划以及土地利用总体规划、城市总体规划和环境保护规划相协调,兼 顾各地区、各行业的需要。”

按照上述规定,水资源规划按层次分为:全国战略规划、流域规划和区域规划。 其中流域规划又划分为流域综合规划和流域专业规划;区域规划又划分为区域综合规划 和区域专业规划。水资源规划的关系是:流域范围内的区域规划应当服从流域规划,专 业规划应当服从综合规划。流域综合规划和区域综合规划以及与土地利用关系密切的专 业规划,应当与国民经济和社会发展规划以及土地利用总体规划、城市总体规划和环境 保护规划相协调,兼顾各地区、各行业的需要。

中共中央关于制定国民经济和社会发展第十个五年计划建议中指出:“水资源的可 持续利用是我国经济社会发展的战略问题。”水资源战略规划主要是提出水资源合理开 发、优化配置、高效利用、有效保护和综合利用的总体布局和实施方案,目的是为我国 水资源的可持续利用和科学管理提供规划基础。流域规划主要是解决流域治理开发中的 战略部署,总结治理的经验和教训,探讨水害防治与水资源开发利用的具体规律,对流 域的重大水问题进行研究,提出治理工程总体布局并进行多方案比较,为一定时期内流 域治理开发提供依据。区域规划是按地理、经济和行政单元对水资源开发利用和防治水 害等进行总体部署。

流域是指地表水和地下水分水线所包围的集水区域。流域是研究水文现象,进行 水资源开发利用规划的基本单元。

  1. 水工程建设许可的要求

《水法》第十九条规定:“建设水工程,必须符合流域综合规划。在国家确定的重 要江河、湖泊和跨省、自治区、直辖市的江河、湖泊上建设水工程,未取得有关流域管 理机构签署的符合流域综合规划要求的规划同意书的,建设单位不得开工建设;在其他 江河、湖泊上建设水工程,未取得县级以上地方人民政府水行政主管部门按照管理权限 签署的符合流域综合规划要求的规划同意书的,建设单位不得开工建设。水工程建设涉 及防洪的,依照防洪法的有关规定执行;涉及其他地区和行业的,建设单位应当事先征 求有关地区和部门的意见。”

《水法》第六十五条规定:“在河道管理范围内建设妨碍行洪的建筑物、构筑物,或 者从事影响河势稳定、危害河岸堤防安全和其他妨碍河道行洪的活动的,由县级以上人 民政府水行政主管部门或者流域管理机构依据职权,责令停止违法行为,限期拆除违法 建筑物、构筑物,恢复原状;逾期不拆除、不恢复原状的,强行拆除,所需费用由违法 单位或者个人负担,并处一万元以上十万元以下的罚款。

未经水行政主管部门或者流域管理机构同意,擅自修建水工程,或者建设桥梁、 码头和其他拦河、跨河、临河建筑物、构筑物,铺设跨河管道、电缆,且防洪法未作规 定的,由县级以上人民政府水行政主管部门或者流域管理机构依据职权,责令停止违法 行为,限期补办有关手续;逾期不补办或者补办未被批准的,责令限期拆除违法建筑 物、构筑物;逾期不拆除的,强行拆除,所需费用由违法单位或者个人负担,并处一万 元以上十万元以下的罚款。

虽经水行政主管部门或者流域管理机构同意但未按照要求修建前款所歹G工程设 施的,由县级以上人民政府水行政主管部门或者流域管理机构依据职权,责令限期改 正,按照情节轻重,处一万元以上十万元以下的罚款。”

  1. 水工程建设规划同意书制度

为加强对水工程建设的监督管理,保障水工程建设符合流域综合规划和防洪规划 的要求,根据《水法》《防洪法》和《中华人民共和国行政许可法》,水利部颁布《水 工程建设规划同意书制度管理办法试行中华人民共和国水利部令第31号决 定自2007年开始对水工程建设实行规划同意书制度。2015年12月16日中华人民 共和国水利部令第47号修改2017年12月22日中华人民共和国水利部令第49号 修改。

1水工程是指水库、拦河闸坝、引调、提水工程、堤防、水电站含航运 水电枢纽工程)等在江河、湖泊上开发、利用、控制、调配和保护水资源的各类工程。 桥梁、码头、道路、管道等涉河建设工程不用办理规划同意书。

水工程未取得流域管理机构或者县级以上地方人民政府水行政主管部门按照管理 权限审查签署的水工程建设规划同意书的,不得开工建设。有关水行政主管部门是指水 利部流域管理机构或者县级以上地方人民政府水行政主管部门,水利部负责水工程建设 规划同意书制度实施的监督管理,不受理申请和审查签署规划同意书。

水工程建设规划同意书是水行政主管部门依法核发的,确认有关建设工程符合流 域综合规划和防洪规划要求的法律凭证,是建设单位建设工程的法律凭证,是建设活动 中接受监督检查时的法定依据。

2 )由流域管理机构负责审查并签署下列水工程建设规划同意书:

  1. 长江、黄河、淮河、海河、珠江、松花江、辽河的干流及其主要一级支流和太 湖以及其他跨省、自治区、直辖市的重要江河上建设的水工程。
  2. 省际边界河流(河段)、湖泊上建设的水工程。
  3. 国际河流(含跨界、边界河流和湖泊)及其主要支流上建设的水工程。
  4. 流域管理机构直接管理的河流(河段)、湖泊上建设的水工程。

上述以外的其他水工程建设规划同意书,由县级以上地方人民政府水行政主管部 门按照省、自治区、直辖市人民政府水行政主管部门规定的管理权限负责审查并签署。

3水工程建设单位以下简称建设单位应当向有水工程建设规划同意书审查 签署权限的流域管理机构或者县级以上地方人民政府水行政主管部门(以下简称审查签 署机关)提出水工程建设规划同意书申请,并提交下列材料:

  1. 水工程建设规划同意书申请表。
  2. 拟报批水工程的(预)可行性研究报告(项目申请报告、备案材料)。
  3. 与第三者利害关系的相关说明。
  4. 审查签署机关要求的其他材料。

4 水行政主管部门应当自收到申请之日起5个工作日内对申请材料进行审查并 根据下列情况分别作出处理:

  1. 属于本机关受理范围,申请材料齐全、符合法定形式的,应当予以受理,并出 具书面受理凭证。
  2. 申请材料不齐全或者不符合法定形式的,应当一次告知建设单位予以补正。
  3. 不属于本机关受理范围的,应当作出不予受理的决定,并告知建设单位向有受 理权限的机关提出申请。

5 水行政主管部门对受理的水工程建设规划同意书申请,应当依据有关法律、法 规以及流域综合规划和防洪规划进行审查;对符合下列条件的,作出批准的决定,并签 署水工程建设规划同意书:

  1. 水工程建设规模、任务符合流域综合规划和防洪规划的总体要求。
  2. 建设规模等级和标准符合《防洪标准》GB 50201—2014及其他有关技术 和管理规定的要求。
  3. 不影响其他水工程,或者有消除影响的补救措施。

水工程建设不符合前款规定条件之一的,审查签署机关应当作出不予批准的决定, 并下达水工程建设规划同意书不予签署通知书。

水工程建设规划同意书可以对水工程的设计方案和管理措施提出有关要求。

水工程所在江河、湖泊的流域综合规划或者防洪规划尚未编制或者批复的,建设 单位应当就水工程是否符合流域治理、开发、保护的要求或者防洪的要求编制专题论证 报告。建设单位可以委托流域综合规划、防洪规划的编制单位或者其他有关单位承担专 题论证报告编制工作。审查签署机关应当组织专家对专题论证报告进行审查,水工程符 合流域治理、开发、保护和防洪要求的,作出批准的决定,并签署水工程建设规划同 意书。

6 水行政主管部门应当自受理水工程建设规划同意书申请之日起20个工作日内 作出决定。20个工作日内不能作出决定的经本机关负责人批准可以延长10个工作 曰,并应当将延长期限的理由告知建设单位。

组织专家对专题论证报告进行审查所需的时间不计算在前款规定的审查期限内, 但审查签署机关应当将所需时间告知建设单位。

水工程建设规划同意书签署后,水工程的(预)可行性研究报告(项目申请报告、 备案材料)未获得审批(核准、备案)需要重新编制的,建设单位应当重新申请水工程 建设规划同意书。

7.2防洪的有关法律规定

7.2.1防洪规划方面的规定

  1. 防洪组织体系

为了防治洪水防御、减轻洪涝灾害维护人民的生命和财产安全保障社会主义现代化建设顺利进行1997年8月29日第八届全国人民代表大会常务委员会第 二十七次会议通过《防洪法》中华人民共和国主席令第88号公布自1998年1月1 日起施行。该法分为总则、防洪规划、治理与防洪、防洪区和防洪工程设施的管理、防 汛抗洪、保障措施、法律责任和附则等八章共六十六条。2009年8月27日中华人民 共和国第十一届全国人民代表大会常务委员会第十次会议通过了《全国人民代表大会 常务委员会关于修改部分法律的决定》删去了《防洪法》第五十二条。根据2015年4 月24日第十二届全国人民代表大会常务委员会第十四次会议《关于修改〈中华人民共 和国港口法〉等七部法律的决定》对其进行修正根据2016年7月2日第十二届全 国人民代表大会常务委员会第二十一次会议通过的《全国人民代表大会常务委员会关于 修改〈中华人民共和国节约能源法〉等六部法律的决定》,对其进行修改。

《防洪法》确定,国务院水行政主管部门在国务院的领导下,负责全国防洪的组织、 协调、监督、指导等日常工作。国务院水行政主管部门在国家确定的重要江河、湖泊设 立的流域管理机构,在所管辖的范围内行使法律、行政法规规定和国务院水行政主管部 门授权的防洪协调和监督管理职责。国务院建设行政主管部门和其他有关部门在国务院 的领导下,按照各自的职责,负责有关的防洪工作。县级以上地方人民政府水行政主管 部门在本级人民政府的领导下,负责本行政区域内防洪的组织、协调、监督、申旨导等日 常工作。县级以上地方人民政府建设行政主管部门和其他有关部门在本级人民政府的领 导下,按照各自的职责,负责有关的防洪工作。

  1. 防洪规划

《防洪法》规定,开发利用和保护水资源,应当服从防洪总体安排,实行兴利与除 害相结合的原则。江河、湖泊治理以及防洪工程设施建设,应当符合流域综合规划,与 流域水资源的综合开发相结合。《防洪法》所称综合规划是指开发利用水资源和防治水 害的综合规划。

《防洪法》指出,防洪规划是指为防治某一流域、河段或者区域的洪涝灾害而制定 的总体部署,包括国家确定的重要江河、湖泊的流域防洪规划,其他江河、河段、湖泊 的防洪规划以及区域防洪规划。防洪规划应当服从所在流域、区域的综合规划;区域防 洪规划应当服从所在流域的流域防洪规划。防洪规划是江河、湖泊治理和防洪程设施 建设的基本依据。

《防洪法》要求,编制防洪规划,应当遵循确保重点、兼顾一般,以及防汛和抗旱 相结合、工程措施和非工程措施相结合的原则,充分考虑洪涝规律和上下游、左右岸的 关系以及国民经济对防洪的要求,并与国土规划和土地利用总体规划相协调。防洪规划 应当确定防护对象、治理目标和任务、防洪措施和实施方案,划定洪泛区、蓄滞洪区和 防洪保护区的范围,规定蓄滞洪区的使用原则。防洪措施分为工程措施和非工程措施。 防洪工程措施是指为防御洪水而采取的诸如修筑堤防、整治河道、修建分洪工程以及水 库等工程技术手段;防洪非工程措施是指为减少洪灾损失或改变洪灾损失分担方式而采 取的法令、政策、经济和防洪工程以外的技术等手段。分洪工程是指分泄河道不能承受 的超标准洪水的各种工程建筑物。

《防洪法》第十七条规定:“在江河、湖泊上建设防洪;f程和其他水工程、水电站 等,应当符合防洪规划的要求;水库应当按照防洪规划的要求留足防洪库容。前款规定的防洪工程和其他水工程、水电站未取得有关水行政主管部门签署的符合防洪规划要求 的规划同意书的,建设单位不得开工建设。”防洪库容是指水库防洪高水位至防洪限制 水位之间的水库库容,用于拦截洪水,满足水库下游保护对象的防洪要求。

《防洪法》第五十四条规定:“违反本法第十七条规定,未经水行政主管部门签署 规划同意书,擅自在江河、湖泊上建设防洪工程和其他水工程、水电站的,责令停止违 法行为,补办规划同意书手续;违反规划同意书的要求,严重影响防洪的,责令限期拆 除;违反规划同意书的要求,影响防洪但尚可采取补救措施的,责令限期采取补救措 施,可以处一万元以上十万元以下的罚款。”

7.2.2在河道湖泊上建设工程设施的防洪要求

  1. 工程建设的防洪要求

根据《防洪法》,防洪区是指洪水泛滥可能淹及的地区,分为洪泛区、蓄滞洪区和 防洪保护区。其中洪泛区是指尚无工程设施保护的洪水泛滥所及的地区;蓄滞洪区是指 包括分洪口在内的河堤背水面以外临时贮存洪水的低洼地区及湖泊等;防洪保护区是指 在防洪标准内受防洪工程设施保护的地区。《防洪法》规定,洪泛区、蓄滞洪区和防洪 保护区的范围,在防洪规划或者防御洪水方案中划定,并报请省级以上人民政府按照国 务院规定的权限批准后予以公告。

《防洪法》第十八条规定:“防治江河洪水,应当蓄泄兼施,充分发挥河道行洪能 力和水库、洼淀、湖泊调蓄洪水的功能,加强河道防护,因地制宜地采取定期清淤疏浚 等措施,保持行洪畅通。防治江河洪水,应当保护、扩大流域林草植被,涵养水源,加 强流域水土保持综合治理。”

《防洪法》第二十七条规定:“建设跨河、穿河、穿堤、临河的桥梁、码头、道路、 渡口、管道、缆线、取水、排水等工程设施,应当符合防洪标准、岸线规划、航运要 求和其他技术要求,不得危害堤防安全,影响河势稳定、妨碍行洪畅通;其工程建 设方案未经有关水行政主管部门根据前述防洪要求审查同意的,建设单位不得开工 建设。

前款工程设施需要占用河道、湖泊管理范围内土地,跨越河道、湖泊空间或者穿 越河床的,建设单位应当经有关水行政主管部门对该工程设施建设的位置和界限审查批 准后,方可依法办理开工手续;安排施工时,应当按照水行政主管部门审査批准的位置 和界限进行。”

防洪标准是指根据防洪保护对象的重要性和经济合理性而由国家确定的防御洪水 标准。

  1. 洪水影响评价

《防洪法》第三十三条规定:“在洪泛区、蓄滞洪区内建设非防洪建设项目,应当 就洪水对建设项目可能产生的影响和建设项目对防洪可能产生的影响作出评价,编制洪 水影响评价报告,提出防御措施。洪水影响评价报告未经有关水行政主管部门审查批准 的,建设单位不得开工建设。

在蓄滞洪区内建设的油田、铁路、公路、矿山、电厂、电信设施和管道,其洪水 影响评价报告应当包括建设单位自行安排的防洪避洪方案。建设项目投入生产或者使用时,其防洪工程设施应当经水行政主管部门验收。

在蓄滞洪区内建造房屋应当采用平顶式结构。”

洪水影响评价包括:洪水对建设项目可能产生的影响、建设项目可能对防洪产生 的影响、减轻或避免影响防洪的措施等。房屋采用平顶式结构是一种紧急避洪措施。

《防洪法》第五十七条规定:“违反本法第二十七条规定,未经水行政主管部门对 其工程建设方案审查同意或者未按照有关水行政主管部门审查批准的位置、界P艮在河 道、湖泊管理范围内从事工程设施建设活动的,责令停止违法行为,补办审查同意或者 审查批准手续;工程设施建设严重影响防洪的,责令限期拆除,逾期不拆除的,强行拆 除,所需费用由建设单位承担;影响行洪但尚可采取补救措施的,责令限期采取补救措 施,可以处一万元以上十万元以下的罚款。”

《防洪法》第五十八条规定:“违反本法第三十三条第一款规定,在洪泛区、蓄滞 洪区内建设非防洪建设项目,未编制洪水影响评价报告或者洪水影响评价报告未经审查 批准开工建设的,责令限期改正;逾期不改正的,处五万元以下的罚款。违反本法第 三十三条第二款规定,防洪工程设施未经验收,即将建设项目投人生产或者使用的,责 令停止生产或者使用,限期验收防洪工程设施,可以处五万元以下的罚款。”

7.2.3防汛抗洪方面的紧急措施

  1. 防汛抗洪指挥体系

《防洪法》第三十八条规定:“防汛抗洪工作实行各级人民政府行政首长负责制,统 一指挥、分级分部门负责。”

行政首长负责是指全国由国务院负责,省、市、县由省长、市长、县长负总责。 在统一指挥的原则下,以分级分部门负责为基础实现防汛抗洪工作的统一指挥。

《防洪法》第三十九条规定:“国务院设立国家防汛指挥机构,负责领导、组织全 国的防汛抗洪工作,其办事机构设在国务院水行政主管部门。

在国家确定的重要江河、湖泊可以设立由有关省、自治区、直辖市人民政府和该 江河、湖泊的流域管理机构负责人等组成的防汛指挥机构,指挥所管辖范围内白勺防汛抗 洪工作,其办事机构设在流域管理机构。

有防汛抗洪任务的县级以上地方人民政府设立由有关部门、当地驻军、人民武装 部负责人等组成的防汛指挥机构,在上级防汛指挥机构和本级人民政府的领导下,指挥 本地区的防汛抗洪工作,其办事机构设在同级水行政主管部门;必要时,经城市人民政 府决定,防汛指挥机构也可以在建设行政主管部门设城市市区办事机构,在防汛指挥机 构的统一领导下,负责城市市区的防汛抗洪日常工作。”

国家防汛指挥机构即目前的国家防汛抗旱总指挥部,由国务院国务委员任总指挥 长,应急管理部部长、水利部部长、中央军委联合参谋部负责人任副总指挥长,应急管 理部副部长兼水利部副部长任秘书长,中央、国务院、中央军委所属有关部门的领导人 任副秘书长。国家防汛抗旱总指挥部办公室设在应急管理部,承担总指挥部日常工作, 办公室主任由应急管理部防汛抗旱司司长担任。《中华人民共和国防汛条例》第六条规 定:“国务院设立国家防汛总指挥部,负责组织领导全国的防汛抗洪工作,其力、事机构 设在国务院水行政主管部门。长江和黄河,可以设立由有关省、自治区、直辖市人民政府和该江河的流域管理机构(以下简称流域机构)负责人等组成的防汛指挥机构,负责 指挥所辖范围的防汛抗洪工作,其办事机构设在流域机构。长江和黄河的重大防汛抗洪 事项须经国家防汛总指挥部批准后执行。国务院水行政主管部门所属的淮河、海河、珠 江、松花江、辽河、太湖等流域机构,设立防汛办事机构,负责协调本流域的防汛日常 工作。”所以,《防洪法》上的重要江河、湖泊是指长江、黄河、淮河、海河、珠江、松 花江和辽河、太湖等。

  1. 紧急防汛期

《防洪法》第四十一条规定:“省、自治区、直辖市人民政府防汛指挥机构根据当 地的洪水规律,规定汛期起止日期。当江河、湖泊的水情接近保证水位或者安全流量, 水库水位接近设计洪水位,或者防洪工程设施发生重大险情时,有关县级以上人民政府 防汛指挥机构可以宣布进人紧急防汛期。”

汛期一般分为春汛(桃花汛)、伏汛(主要汛期)和秋汛。保证水位是指保证江河、 湖泊在汛期安全运用的上限水位。相应保证水位时的流量称为安全流量。江河、湖泊的 水位在汛期上涨可能出现险情之前而必须开始警戒并准备防汛工作时的水位称为警戒 水位。

设计洪水位是指水库遇到设计洪水时,在坝前达到的最高水位,是水库在正常运 用设计情况下允许达到的最高水位。

《防洪法》第四十五条规定:“在紧急防汛期,防汛指挥机构根据防汛抗洪的需要, 有权在其管辖范围内调用物资、设备、交通运输工具和人力,决定采取取土占地、砍伐 林木、清除阻水障碍物和其他必要的紧急措施;必要时,公安、交通等有关部门按照防 汛指挥机构的决定,依法实施陆地和水面交通管制。

依照前款规定调用的物资、设备、交通运输工具等,在汛期结束后应当及时归还; 造成损坏或者无法归还的,按照国务院有关规定给予适当补偿或者作其他处理。取土占 地、砍伐林木的,在汛期结束后依法向有关部门补办手续;有关地方人民政府对取土后 的土地织复垦,对砍伐的林木组织补种。”

紧急防汛期系指当江河、湖泊的水情接近保证水位或者安全流量,水库水位接近 设计洪水位,或者防洪工程设施发生重大险情时,有关县级以上人民政府防汛指挥机构 确定进人紧急防汛期。在紧急防汛期,防汛指挥机构可以根据防汛抗洪的需要做出紧急 处置。

7.2.4防汛抗洪的组织要求

  1. 防汛与抢险的要求

为了做好防汛抗洪工作,保障人民生命财产安全和经济建设的顺利进行,根据《水 法》1991年6月28日国务院第八十七次常务会议通过了《中华人民共和国防汛条例》 这是新中国第一部管理防汛工作的法规,标志着我国防汛管理步人了法治轨道。但是, 随着社会经济的发展和防汛抗洪实际工作的要求,《中华人民共和国防汛条例》存在的 问题和局限性也逐渐显现出来,国务院对《中华人民共和国防汛条例》进行了修正, 2005年7月15日国务院《关于修改〈中华人民共和国防汛条例〉的决定》进行第一次 修正。2011年1月8日《国务院关于废止和修改部分行政法规的决定》进行第二次修正

(以下简称《防汛条例》)。该条例分为总则、防汛组织、防汛准备、防汛与抢险、善后 工作、防汛经费、奖励与罚则、附则等八章共四十九条。

《防汛条例》规定,防汛工作实行“安全第一,常备不懈,以防为主,全力抢险” 的方针,遵循团结协作和局部利益服从全局利益的原则。防汛工作实行各级人民政府行 政首长负责制,实行统一指挥,分级分部门负责。各有关部门实行防汛岗位责任制。任 何单位和个人都有参加防汛抗洪的义务。中国人民解放军和武装警察部队是防汛抗洪的 重要力量。

《防汛条例》第二十三条规定:“省级人民政府防汛指挥部,可以根据当地的洪水 规律,规定汛期起止日期。当江河、湖泊、水库的水情接近保证水位或者安全流量时, 或者防洪工程设施发生重大险情,情况紧急时,县级以上地方人民政府可以宣布进人紧 急防汛期,并报告上级人民政府防汛指挥部。”

汛期是指江河、湖泊中每年出现汛水的期间。汛是指江河、湖泊中每年季节性或 周期性的涨水现象。保证水位是指保证江河、湖泊、水库在汛期安全运用的上限水位。 相应保证水位时的流量称为安全流量。江河、湖泊的水位在汛期上涨可能出现险情之前 而必须开始警戒并准备防汛工作时的水位称为警戒水位。

《防汛条例》第二十七条规定:“在汛期,河道、水库、水电站、闸坝等水工程管 理单位必须按照规定对水工程进行巡查,发现险情,必须立即采取抢护措施,并及时向 防汛指挥部和上级主管部门报告。其他任何单位和个人发现水工程设施出现险‘隋,应当 立即向防汛指挥部和水工程管理单位报告。”

《防汛条例》第三十二条规定:“在紧急防汛期,为了防汛抢险需要,防汛指挥部 有权在其管辖范围内,调用物资、设备、交通运输工具和人力,事后应当及时归还或者 给予适当补偿。因抢险需要取土占地、砍伐林木、清除阻水障碍物的,任何单位和个人 不得阻拦。前款所指取土占地、砍伐林木的,事后应当依法向有关部门补办手续。”

《防汛条例》第三十三条规定:“当河道水位或者流量达到规定的分洪、滞洪标准 时,有管辖权的人民政府防汛指挥部有权根据经批准的分洪、滞洪方案,采取分洪、滞 洪措施。采取上述措施对毗邻地区有危害的,须经有管辖权的上级防汛指挥机构批准, 并事先通知有关地区。

在非常情况下,为保护国家确定的重点地区和大局安全,必须作出局部牺牲时, 在报经有管辖权的上级人民政府防汛指挥部批准后,当地人民政府防汛指挥部可以采取 非常紧急措施。

实施上述措施时,任何单位和个人不得阻拦,如遇到阻拦和拖延时,有管辖权的 人民政府有权组织强制实施。”

分洪和滞洪措施通常是指利用低洼地或在湖泊修筑圩堤分泄或分蓄河道超标准洪 水的措施。

  1. 防汛工作的要求

《防汛条例》第六条规定:“国务院设立国家防汛总指挥部,负责组织领导全国的 防汛抗洪工作,其办事机构设在国务院水行政主管部门。

长江和黄河,可以设立由有关省、自治区、直辖市人民政府和该江河的流域管理 机构(以下简称流域机构)负责人等组成的防汛指挥机构,负责指挥所辖范围的防汛抗洪工作,其办事机构设在流域机构。长江和黄河的重大防汛抗洪事项须经国家防汛总指 挥部批准后执行。国务院水行政主管部门所属的淮河、海河、珠江、松花江、辽河、太 湖等流域机构,设立防汛办事机构,负责协调本流域的防汛日常工作。”

《防汛条例》第七条规定:“有防汛任务的县级以上地方人民政府设立防汛指挥部, 由有关部门、当地驻军、人民武装部负责人组成,由各级人民政府首长担任指挥。各级 人民政府防汛指挥部在上级人民政府防汛指挥部和同级人民政府的领导下,执行上级防 汛指令,制定各项防汛抗洪措施,统一指挥本地区的防汛抗洪工作。”

防汛减灾工作是一项社会性的公益事业,也是一项非常复杂的系统工程,需要各 级政府对其实施有效的社会管理,因此,《防汛条例》明确规定,有防汛任务的县级以 上地方人民政府设立防汛指挥部,明确了防汛指挥部的政府职能,同时明确了防汛紧急 情况下各部门各单位的职责。对防汛抗洪工作实行统一领导、统一指挥、统一调度是 夺取防洪抗灾胜利的最基本条件,防汛指挥部必须具有很强的权威性。《防汛条例》规 定了防汛抗洪工作实行各级人民政府行政首长负责制,这是防汛抗洪必须具备的组织保 证。《防洪法》第三十八条规定:“防汛抗洪工作实行各级人民政府行政首长负责制,统 一指挥、分级分部门负责。”所以,防汛工作责任制必须依法严格执行,并贯穿到防汛 工作的全过程。

《防汛条例》第八条规定:“石油、电力、邮电、铁路、公路、航运、工矿以及商 业、物资等有防汛任务的部门和单位,汛期应当设立防汛机构,在有管辖权的人民政府 防汛指挥部统一领导下,负责做好本行业和本单位的防汛工作。”

《防汛条例》第九条规定:“河道管理机构、水利水电工程管理单位和江河沿岸在 建工程的建设单位,必须加强对所辖水工程设施的管理维护,保证其安全正常运行,组 织和参加防汛抗洪工作。”

《防汛条例》第四十二条规定:“有下列事迹之一的单位和个人,可以由县级以上 人民政府给予表彰或者奖励:

  1. 在执行抗洪抢险任务时,组织严密,指挥得当,防守得力,奋力抢险,出色 完成任务者;
  2. 坚持巡堤查险,遇到险情及时报告,奋力抗洪抢险,成绩显著者;
  3. 在危险关头,组织群众保护国家和人民财产,抢救群众有功者;
  4. 为防汛调度、抗洪抢险献计献策,效益显著者;
  5. 气象、雨情、水情测报和预报准确及时,情报传递迅速,克服困难,抢测洪 水,因而减轻重大洪水灾害者;
  6. 及时供应防汛物料和工具,爱护防汛器材,节约经费开支,完成防汛抢险任 务成绩显著者;
  7. 有其他特殊贡献,成绩显著者。”
  8. 防汛准备的要求

《防汛条例》第十一条规定:“有防汛任务的县级以上人民政府,应当根据流域综 合规划、防洪工程实际状况和国家规定的防洪标准,制定防御洪水方案(包括对特大洪 水的处置措施)。

长江、黄河、淮河、海河的防御洪水方案,由国家防汛总指挥部制定,报国务院批准后施行;跨省、自治区、直辖市的其他江河的防御洪水方案,有关省、自治区、直 辖市人民政府制定后,经有管辖权的流域机构审查同意,由省、自治区、直辖市人民政 府报国务院或其授权的机构批准后施行。

有防汛抗洪任务的城市人民政府,应当根据流域综合规划和江河的防御洪水方案, 制定本城市的防御洪水方案,报上级人民政府或其授权的机构批准后施行。

防御洪水方案经批准后,有关地方人民政府必须执行。”

《防汛条例》第十二条规定:“有防汛任务的地方,应当根据经批准的防御洪水方 案制定洪水调度方案。长江、黄河、淮河、海河(海河流域的永定河、大清河、漳卫南 运河和北三河)、松花江、辽河、珠江和太湖流域的洪水调度方案,由有关流域机构会 同有关省、自治区、直辖市人民政府制定,报国家防汛总指挥部批准。跨省、自治区、 直辖市的其他江河的洪水调度方案,由有关流域机构会同有关省、自治区、直辖市人民 政府制定,报流域防汛指挥机构批准;没有设立流域防汛指挥机构的,报国家防汛总指 挥部批准。其他江河的洪水调度方案,由有管辖权的水行政主管部门会同有关地方人民 政府制定,报有管辖权的防汛指挥机构批准。

洪水调度方案经批准后,有关地方人民政府必须执行。修改洪水调度方案,应当 报经原批准机关批准。”

洪水调度方案是规范防汛抗洪工作程序,有效防控、科学防洪,实施洪水管理的 具体措施。洪水调度方案要与防御洪水方案所确定的目标、原则和总体对策一致,要具 体,具有可操作性。

《防汛条例》第十三条规定:“有防汛抗洪任务的企业应当根据所在流域或者地区 经批准的防御洪水方案和洪水调度方案,规定本企业的防汛抗洪措施,在征得其所在地 县级人民政府水行政主管部门同意后,由有管辖权的防汛指挥机构监督实施。”

《防汛条例》第十四条规定:“水库、水电站、拦河闸坝等工程的管理部ι'ί,应当 根据工程规划设计、经批准的防御洪水方案和洪水调度方案以及工程实际状况,在兴利 服从防洪,保证安全的前提下,制定汛期调度运用计划,经上级主管部门审查利:准后, 报有管辖权的人民政府防汛指挥部备案,并接受其监督。汛期调度运用计划经利:准后, 由水库、水电站、拦河闸坝等工程的管理部门负责执行。”

《防汛条例》第十五条规定:“各级防汛指挥部应当在汛前对各类防洪设施组织检 查,发现影响防洪安全的问题,责成责任单位在规定的期限内处理,不得贻误防汛抗洪 工作。各有关部门和单位按照防汛指挥部的统一部署,对所管辖的防洪工程设施进行汛 前检查后,必须将影响防洪安全的问题和处理措施报有管辖权的防汛指挥部和上级主管 部门,并按照该防汛指挥部的要求予以处理。"

《防汛条例》第二十一条规定:“各级防汛指挥部应当储备一定数量的防汛抢险物 资,由商业、供销、物资部门代储的,可以支付适当的保管费。受洪水威胁的单位和群 众应当储备一定的防汛抢险物料。

防汛抢险所需的主要物资,由计划主管部门在年度计划中予以安排。”

对于拒不执行经批准的防御洪水方案、洪水调度方案,或者拒不执行有管辖权的 防汛指挥机构的防汛调度方案或者防汛抢险指令的,《防汛条例》第四十三条规定:“视 情节和危害后果,由其所在单位或者上级主管机关给予行政处分;应当给予治安管理处罚的,依照《中华人民共和国治安管理处罚条例》的规定处罚;构成犯罪的,依法追究 刑事责任。”

  1. 在建水利工程安全度汛工作

根据《水利部印发〈关于加强在建水利工程安全度汛工作的指导意见〉的通知》(水 建设202416号),项目法人对在建水利工程安全度汛承担首要责任,施工单位承担 直接责任,设计、监理单位承担相应主体责任。实行代建、工程总承包等管理模式的, 代建、工程总承包等单位依据有关规定和合同承担相应责任,不替代项目法人的首要责 任。流域管理机构和地方各级水行政主管部门依管理权限对在建水利工程安全度汛承担 监管责任。

  1. 落实责任
  2. 项目法人首要责任。项目法人负责建立本工程安全度汛风险查找、研判、预 警、防范、处置、责任等风险管控“六项机制”,组织编制、论证、上报工程度汛方案 和超标准洪水应急预案,保障工程建设进度达到安全度汛要求,建立健全应急值守制 度,组织开展应急演练培训,督促落实抢险队伍和物资储备,检查度汛措施落实情况, 加强与负责项目监管的流域管理机构或地方水行政主管部门、属地防汛指挥机构的沟通 联系,服从统一指挥调度。
  3. 各参建单位相应责任。施工单位应当保证工程建设质量和进度满足安全度汛 要求,制定安全度汛措施,组建抢险队伍,备足防汛物资和设备,加强汛前隐患排查整 治和汛期安全巡查;设计单位应当明确工程安全度汛标准、工程形象面貌及度汛技术要 求;监理单位应当审核施工单位度汛措施,开展度汛措施落实情况检查。
  4. 水行政主管部门监管责任。流域管理机构和地方各级水行政主管部门应当对 本单位、本地区在建水利工程逐项明确安全度汛监管责任主体,建立安全度汛重点工 程(包括重大水利工程,保护重要城镇、工矿企业、交通干线的在建水库工程、堤防工 程在2级及以上堤防上建设的工程等)清单,实施重点监管。
  5. 在建水利工程安全度汛“三个责任人”。建立在建水利工程安全度汛“三个责 任人”。项目法人主要负责人作为首要责任人,施工单位项目经理作为直接责任人,负 责项目监管的流域管理机构或地方水行政主管部门主要负责人或分管负责人作为监管责 任人,在《年度在建水利工程安全度汛备案表》中明确在建水利工程安全度汛“三个责 任人”,并在施工现场显著位置公布。
  6. 编制度汛方案
  7. 项目法人应当依据批准的设计文件、施工组织设计或年度实施方案、《在建水 利工程度汛方案编制指南》组织编制工程度汛方案,并报负责项目监管的流域管理机构 或地方水行政主管部门备案。水行政主管部门负责监管的重点工程度汛方案,需通过专 家咨询论证后报负责项目监管的流域管理机构或地方水行政主管部门批准。度汛方案应 当于每年汛前完成报备或报批工作,汛期新开工项目应当于开工前完成度汛方案的报备 或报批。
  8. 编制超标准洪水应急预案。项目法人应当依据《在建水利工程超标准洪水应急 预案编制指南》组织对溃坝、溃堰、建筑物冲毁等风险进行评估,编制超标准洪水应急 预案,与度汛方案一同报送负责项目监管的流域管理机构或地方水行政主管部门备案。

水行政主管部门负责监管的重点工程超标准洪水应急预案需通过专家咨询论证后,报负 责项目监管的流域管理机构或地方水行政主管部门批准,并报属地防汛指挥札构备案。 其他工程可不单独编制超标准洪水应急预案,但应当在度汛方案中设立超标准洪水应急 预案专章。超标准洪水应急预案应当于每年汛前完成报备或报批工作,汛期新开工项目 应当于开工前完成超标准洪水应急预案的报备或报批。

  1. 应急培训演练。项目法人应当在汛前组织各参建单位开展抢险救援等应急知 识培训、实战应急演练,提升应急处置能力。
  2. 安全度汛措施
  3. 安全度汛工作机制。在建水利工程应当由项目法人组织设计、施工、监理等 参建单位完善抢险救援、技术支持、对外联络、后勤保障等工作机制。项目法人应当与 各参建单位签订安全度汛责任书。
  4. 保障工程建设进度。项目法人及各参建单位应当在保证工程质量和安全的前 提下,采取有效措施保障工程建设进度,确保水库大坝、穿(破)堤、施工围堰、导流 工程、深基坑、水下工程等工程或部位形象面貌达到度汛要求。对特殊原因工程或部位 形象面貌达不到度汛要求的必须制定应急处置方案,报负责项目监管的流域管理机构或 地方水行政主管部门审核后实施。要做好与度汛有关工程的验收工作,确保已完工程或 部位在汛期发挥作用。
  5. 隐患排查整改。项目法人应当组织各参建单位在汛前和汛期按照《在建水利 工程安全度汛监督检查重点问题清单》,开展安全度汛工作检查。
  6. 施工营地安全管理。施工营地应当远离河沟、高边坡、深基坑等区域,严禁 建在地质灾害隐患点和山洪灾害危险区域内。汛期应当加强对施工营地周边已知地质灾 害隐患点的监测预警,落实预警信息发布叫应工作,确保预警信息及时传递至现场作业 人员。施工营地建设时应当明确避险转移路线和避险安置地点,项目法人应当组织培训 现场作业人员,确保熟悉避险转移路线和避险安置地点。
  7. 抢险队伍和物资准备。施工单位负责组建抢险队伍。施工单位应当根据有关 标准和规定要求备足备齐抢险物料、救生器材等防汛物资和设备,按照储备安全和调运 便捷的要求,科学设置储备点或储备仓库。
  8. 雨水情监测预报预警。项目法人应当加强与水文、气象等部门的沟通联络,及 时掌握实况信息和相关预测预报预警成果,科学研判雨情、水情、汛情、工情及山洪、 地质灾害情况,并将相关信息发送各参建单位。工程建设内容中包括水文测报系统的要 优先建设并尽早投人使用,重点工程应当按照相关技术标准将测报信息共享至属地水文 机构。
  9. 汛期值班值守。汛期值班责任人由项目法人相关负责人担任,落实汛期现场 值班值守、领导干部到岗带班、重要岗位24h值班做好组织协调、指挥调度、应急处 置、上传下达工作。
  10. 应急处置。在建水利工程度汛可能出现水库垮坝、堤防决口等重大险‘睛时,项 目法人应当按照预案要求及时启动应急响应采取应急处置措施尽最大可t旨消除险 情,减少损失。
  11. 险情信息报送机制。出现重大险情,项目法人要立即向负责项目监管的流域管理机构或地方水行政主管部门和属地防汛指挥机构报告。重点工程出现重大险情的,负 责项目监管的流域管理机构或地方水行政主管部门应当在lh内向水利部总值班室、水 利工程建设司、水旱灾害防御司报送信息;国际河流上的重点工程出现重大险情的,还 应当报告水利部国际合作与科技司。
  12. 《在建水利工程度汛方案编制指南》大纲
  13. 编制依据及适用范围
  14. 1编制依据

法律法规、规程规范、工程建设合同、设计文件、度汛技术要求、施工组织设计、水 行政主管部门及防汛指挥机构要求等。

本方案编制主要依据1.《中华人民共和国防洪法2016年修订》《中华人民共 和国防汛条例》;《水利工程建设安全生产管理规定》《突发事件应急预案管理办法》《水 利建设项目稽察常见问题清单》。2.《生产经营单位生产安全事故应急预案编制导则》 GB/T29639—2020,《防洪标准》GB 50201—2014、《水利水电工程等级划分及洪水标准》 SL 252—2017,《防汛储备物资验收标准》SL 297—2004,《防汛物资储备定额编制规程》 SL 298—2004、《水利水电工程施工组织设计规范》SL 303—2017、《水利水电工程施工通 用安全技术规程》SL 398—2007,《水利水电工程施工导流设计规范》SL 623—2013,《水 利水电工程围堰设计规范》SL 645—2013、《水利水电工程施工安全管理导则》SL 721— 2015、《水电工程施工期防洪度汛报告编制规程》NB/T 10492—2021、《水电水利工程施 工度汛风险评估规程》DL/T 5307—2013o 3.流域综合规划、流域防洪规划等。4.设计文 件及批文施工合同、设计图纸、度汛技术要求及施工组织设计或年度实施方案。5.水行 政主管部门及防汛指挥机构对项目度汛的要求以及批准的防洪度汛预案等。)

1.2适用范围

有度汛任务的项目应当编制度汛方案。明确本方案涵盖时段、覆盖工程范围;本工程 与其他邻近项目、流域防洪度汛的关系。

(度汛方案的编制可根据项目度汛具体情况,对本大纲编制内容进行增减;本方案适 用时段应当充分考虑汛期相应的时间;覆盖范围主要包括工程本身范围以及对工程域外可 能影响范围,并简要说明本工程度汛方案对影响范围内临近项目可能产生的影响以及对所 在河流度汎的影响。)

  1. 工程概述及度汛要求
  2. 1基本情况

工程概况、规模、等级,洪水标准,施工营地等工程总体布置情况;涉及度汛的临时 建筑物等级、标准及布置以及工程建设管理模式等。

  1. 2水文地质
  2. 3 工程面貌及度汛要求

本方案编制时与度汛相关的永久工程、临时设施面貌情况及度汛对这些项目面貌的要 求,度汛方式及度汛总体布置方案。

  1. 度汛组织机构及职责
  2. 1 组织机构

工程度汛组织机构的组成形式,组成单位、人员;成立各工作小组。

(项目法人和设计、施工、监理等参建单位组成的安全度汛组织机构,需地方政府及 相关部门协调的也可将其列入;由相关单位人员组建“指挥办公室、抢险救援、技术支 撑、对外联络、后勤保障”等工作小组,并明确各工作小组负责人及成员。)

3.2职责与责任

各单位的度汛职责及责任清单。

  1. 度汛保障
  2. 1 汛前工程进度

根据工程不同阶段,为满足度汛要求,在建工程及临时设施在汛前应该完成白勺面貌安 排及汛前应该完成的防护措施计划。

4.2度汛资源保障

度汛物资、机械、设备清单,采购、保管与储存;汛期综合后勤保障,以及;孔期值班 及抢险人员及工作安排等。

  1. 3 汛前检查

对照度汛要求及标准,明确汛前对工程及防护措施进行验收或检查内容;各种环境、 资源保障措施落实情况的检查要求。

  1. 4汛期信息获取

明确从水文、气象等部门获取汛期气象信息及雨情、水情、汛情、工情、险‘睛和预警 信息及通报的方式和通信保障渠道。

  1. 5 汛期施工及工程调度

汛期施工部位或已建工程部位及度汛安全防护;根据雨水情实况和相关预则预报成 果,工程范围内挡水、泄水和排水等工程的度汛调度方案。

  1. 6巡查监测及报告

施工现场雨情、水情、汛情、工情及险情等防汛情况巡查监测要求;对危及建筑物安 全和其他安全度汛隐患检查的内容、排查方式、治理的时限与频次;度汛情况报告的主要 内容、时限及报告程序、方式。

4.7度汛风险处置

根·据汛期施工部位或已建工程部位可能存在的风险,制定具体的抢险、疏散筝风险控 制和处置措施;当风险扩大时与应急预案的衔接程序。

  1. 超标准洪水应急预案
  2. 1 风险识别及评估

对施工现场、营地可能存在的安全风险进行识别,评估其对工程本身及对周边"地区及 上下游人民生命、财产、环境的影响。

〔应对工程范围内可能发生超过本工程施工期设防标准的洪水、恶劣天气、也质灾害 及溃坝、溃堰、基坑淹没(管涌)、建筑物冲毁、设备故障、冰(排)凌等风险进行识别。〕

  1. 2超标准洪水影响分析
  2. 3应急响应与处置

根据超标准洪水的极端情况和引发险情的紧急程度,制定具体的抢险、人员转移避 险等风险控制应急处置措施;当风险扩大时与属地应急抢险机构等上一级应急预案的衔接 程序。

  1. 预报预警与演练
  2. 1预报预警

6.2应急演练

附录

A附图

  1. 工程地理位置图。
  2. 工程对外交通图。

(主要是汛期哪些陆路、水路可以使用,可以通行车辆的类型。)

  1. 工程施工总布置图。
  2. 施工营地布置图。
  3. 施工导流布置图。
  4. 工程区域内山洪、地质灾害分布图。
  5. 应急避险路线图。

B附表

  1. 防洪度汎组织机构表及成员联系方式。
  2. 防洪度汛检查表。
  3. 防汛物资、设备一览表。
  4. 工程特性表。
  5. 历史洪水或超标准洪水成果表。
  6. 《在建水利工程超标准洪水应急预案编制指南》大纲
  7. 总则
  8. 1编制目的
  9. 2编制依据

1.3适用范围

本方案在施工期发生超出度汛方案洪水标准时启用,适用于施工超标准洪水引起的灾 害事件的防御。

〔简述本工程挡水建筑物(围堰)的设计标准相应水位,发生超过度汛方案标准的洪 水时对工程范围内和工程范围外产生的影响。〕

  1. 4编制原则

应急预案编制应当遵循“以人为本、依法依规、符合实际、注重实效”的原则,以应 急处置为核心,明确应急职责、规范应急程序、细化保障措施。

  1. 工程简介
  2. 1 工程概况

工程概况及汛前工程总体面貌要求。

  1. 2应急组织机构及职责

工程现场应急组织机构沿用工程度汛组织机构。

  1. 3 度汛方案

简述永久工程和临时工程施工度汛标准,施工度汛方案主要内容(引用)。

  1. 超标准洪水影响分析
  2. 1洪水分析

根据历史上本流域或河流的雨水情与汎情特点、洪水特征、流域超标准洪冰发生情 况,结合流域或河流防御洪水方案、洪水调度方案等内容,分析施工期可能发生合ΐ)施工超 标准洪水情况。

  1. 2风险评估

在施工超标准洪水分析的基础上,对施工超标准洪水可能引起的基坑管涌、围堰坍 塌、建筑物冲毁、堤(坝)溃破、库区(基坑)淹没、设备故障、冰凌洪水及次生灾害等 安全风险评估。

  1. 3监测预警

明确雨水情、风险识别等监测内容、监测方法、频次及监测信息管控,研判濫测结果 及时发出预警,明确预警的对象、内容及方式。

〔监测内容:水位、雨水情、工情和基坑管涌、堰体渗漏等险情。监测信息管控:包 括指挥机构内部监测信息获取、传递、接收及分析预测等,以及向外报送信息内容、负责 报送单位、报送时限等制度规定。预警对象项目法人单位、参建单位和相关t任人员 地方政府、属地防汛指挥机构、项目主管部门,情况紧急下,可视情况向超常规调度洪水 影响区、工程失事影响区预警。预警内容:包括预警信号、具体内容(雨水情、险情及影 响分析)、防御意见和建议等。预警方式:通过电话、传真及现场预警装备等形式预警, 面向公众的预警发布需经有权限的地方防汛指挥机构同意。〕

  1. 应急响应
  2. 1应急响应程序和权限
  3. 2应急抢险措施

根据风险评估结果,制定应对基坑管涌、围堰胡·塌、建筑物冲毁、堤(坝)溃破、库 区(基坑)淹没、设备故障、冰凌洪水及次生灾害等风险的抢险措施,相■据响应程序启动 抢险措施。

  1. 3应急支援

发生施工超标准洪水,导致工程失事,对周边地区或上下游产生较大影响时,应当及 时向地方政府、防汛指挥机构、水行政主管部门报告影响情况,提出请求支援内容。

  1. 4响应调整与终止

明确响应级别调整与终止的条件、程序及权限。

  1. 应急保障
  2. 1 现场应急保障

5.2应急支援保障

有条件的地区应调查明确属地应急抢险机构等社会可支援的资源情况。

  1. 附件

1 工程地理位置图、平面布置图、导流平面布置图及汛前工程面貌图。

2 应急救援队伍行动路线图;疏散逃生线路图、涉险警戒范围图、汛期时近交通 图;风险影响范围图。

3 应急指挥机构、地方政府、地方防汛指挥机构、水行政主管部门、应急故援队伍 人员表及联系方式。

  1. 《在建水利工程安全度汛监督检查重点问题清单》
  2. 清单使用

(1 )清单采用检查表形式,用于各级水行政主管部门对在建水利工程安全度汛工作的 监督检查,参建单位安全度汛自查时可参考使用。

  1. 清单采用“1+N”方式。表7.2-1为在建水利工程安全度汛监督检查重点问题 清单为主表所有在建水利工程安全度汛监督检查时均应填写表7.2-2为水库枢纽工 程现场监督检查重点问题清单。在建水利工程安全度汛监督检查重点问题清单中的典型项 目安全度汛监督检查现场重点问题清单,可根据工程实际情况组合使用。
  2. 检查发现清单以外的其他问题可在表7.2-1中“检查中发现的其他问题” 一栏 中进行描述。
  3. 对大中型水利工程,可根据标段或单项工程分别检查、填写。
  4. 检查单位可根据工程特点,对清单中内容进行适当增加或细化。如工程不涉及清 单中有关事项,按缺项处理。
  5. 清单一式3份分别交项目法人、工程安全度汛工作监管单位以及检查组留存。
  6. 检查表

表7.2-1:在建水利工程安全度汛监督检查重点问题清单

表7.2-2水库枢纽工程现场监督检查重点问题清单

表7.2-1在建水利工程安全度汛监督检查重点问题清单

检査时间: 年 月 日 天气:晴□阴口雨口

项目名称
_、主要参建单位
项目法人
设计单位
监理单位
施工单位

二、安全度汛措施落实情况

检查内容 检查事项 责任单位 存在问题
1.度汛组织机构 1. 度汛组织机构是否建立:
2. 度汛责任是否明确:

(3)安全度汛目标责任书是否签订:
是□否□ 是□否□ 是□否□ 项目法人
1. 是否组织编制度汛方案:
2. 是否组织开展度汛方案论证:
3. 度汛方案是否报备:’
是□否□ 是□否□ 是□否□ 项目法人
2.度汛方案 1. 是否明确度汛标准:
2. 是否明确度汛形象要求:
是□否□ 是□否□ 设计单位
⑥是否制定度汛措施: 是□否□ 施工单位
⑦是否审核度汛措施: 是□否□ 监理单位
3.制度建设 ①是否建立度汛(防汛)制度: 是□否□ 各参建单位

续表

检查内容 检查事项 贵任单位 存在问题
4.超标准洪水应急

预案及演练
1. 是否编制超标准洪水应急预案: 是□否口
2. 是否组织开展应急预案论证: 是□否口
3. 是否组织开展应急预案演练: 是□否口
项目法人
④是否参与应急预案演练: 是□否□ 各参建单位
5.度汛检查 ①是否组织度汛专项检查: 是□否口 项目法人
②是否参与度汛专项检查: 是□否口 各参建单位
③是否组织度汛自查: 是□否口 施工单位
④检查发现的隐患是否闭环管理: 是□否□ 各参建单位
6.防汛值守 ①是否按要求安排防汛值班: 是□否口 各参建单位
7.水情预报及通讯 ①是否能及时获取水雨情信息: 是□否口 项目法人
②是否及时获取暴雨、洪水、山洪、地质等预警信息: 是□否□ 项目法人
③是否具备良好的通信设施: 是□否口 各参建单位
8.防汛抢险队伍和

物资
1. 是否组建防汛抢险队伍: 是□否口
2. 是否配备防汛物资及设备: 是□否口
3. 物资保管是否妥当: 是口否口
施工单位
9.系统信息填报 1. 是否及时准确填报安全度汛信息: 是□否口
2. 是否及时更新安全度汛信息: 是□否口
项目法人

三、工程现场安全度汛情况(详见在建水利工程安全度汛监督检查重点问题清单中的典型项目安全度汛监督 检查现场重点问题清单其中水库枢纽工程见表7.2-2

四、检查中发现的其他问题:

项目法人负责人签名: 检查组组长签名:

本表一式3份1份交项目法人单位1份交工程安全度汛工作监管单位检查组留存1份。

表7.2-2水库枢纽工程现场监督检查重点问题清单

检查时间: 年 月曰 天气:晴□阴□雨口

工程名称
检查内容 检查事项 存在问题
1.度汛形象面貌 1. 工程高程是否满足设计要求: 是□否□
2. 是否满足泄洪要求: 是□否口
3. 进度不符合度汛要求时是否

有应急措施: 是□否口
2.施工围堰 1. 是否制定专项方案: 是口否口
2. 是否经验收合格: 是□否口
3. 是否按设计要求设置监测设施: 是□否口
3.导流设施 1. 是否通过导(截)流验收: 是□否口
2. 导流洞是否存在堵塞: 是□否□
3. 导流明渠是否存在堵塞: 是□否□
4. 下游河道排洪能力是否满足要求: 是□否□
5. 下游河道是否存在行洪阻碍物: 是□否口

续表

检查内容 检查事项 存在问题
4.深基坑 1. 是否制定专项方案:
2. 是否按方案实施并验收合格:
3. 周边是否存在违规堆载:
4. 是否针对管涌隐患采取措施:
是□否□ 是□否□ 是□否□ 是□否□
5.高边坡 1. 是否制定专项方案:
2. 是否按方案实施并验收合格:
3. 是否存在碎石浮渣:
4. 是否设置截、排水设施:
是□否□ 是□否□ 是□否□ 是□否□
6.堆(弃)渣场 ①是否按规定堆渣:

2是否按规定设置挡渣建筑物

③周边是否设置防洪(排水)设施:
是□否□ 是□否□ 是□否□
7.隧洞口 1. 截、排水沟是否通畅:
2. 洞脸是否存在碎石浮渣:
3. 是否存在崩塌滑坡隐患:
4. 洞口是否设置挡、排水设施:
是□否□ 是□否□ 是□否□ 是□否□
8.脚手架及模板支撑 1. 是否经验收合格:
2. 是否阻碍行洪:
是□否□ 是□否□
9.起重设备 1. 是否通过检验与验收:
2. 是否设置防风加固措施:
是□否□ 是□否□
10.防汛道路 ①是否通畅: 是□否□
11.办公区与生活区 1. 板房是否设置防风缆:
2. 是否设置防雷接地:
3. 周边是否存在山洪、地质灾害点:
4. 是否设Η挡、排水设施:
5. 是否开展洪涝地质灾害评估:
6. 是否存在洪涝地质灾害风险:
7. 是否落实转移路线及安置点:
是□否□ 是□否□ 是□否□ 是□否□ 是□否□ 是□否□ 是□否□
12.施工用电 1. 是否配备备用电源:
2. 是否按规定接零、接地:
3. 配电箱是否设置防雨设施:
4. 电线是否按规范敷设:
是□否□ 是□否□ 是□否□ 是□否□
13.库区岸坡 1. 库区是否存在地质灾害点:
2. 存在地质灾害点是否采取防治措施:
3. 是否存在阻碍行洪的漂浮物:
是□否□ 是□否口 是□否□

14.其他

为南方片,黄河、淮河、海河、松花江、辽河流域为北方片。

  1. 汛期。南方片汛期一般为4-10月北方片汛期一般为6—9月。我国每年人 汛日期按照《水利部关于印发我国人汛日期确定办法的通知》(水防2019119号) 确定如人汛时间晚于4月1日以4月1日作为人汛日期。汛期结束日期各地可结合 本地当年汛情确定。

(3 )主汛期。南方片主汛期为6-8月北方片主汛期为7-8月。

  1. 防汛关键期。防汛关键期均为7月16日一8月15日。

(5 )凌汛期。黄河流域凌汛期一般为11月一次年3月松辽流域凌汛期一般为11 月一次年4月。

7.3水土保持的有关法律规定

7.3.1修建工程设施的水土保持规定

  1. 水土保持法

为预防和治理水土流失,保护和合理利用水土资源,减轻水、旱、风沙灾害,改 善生态环境保障经济社会可持续发展1991年6月29日第七届全国人民代表大会常 务委员会第二十次会议通过《中华人民共和国水土保持法》,该法的实施标志着我国水 土保持工作开始走上法治化的轨道。对预防和治理水土流失,改善农业生产条件和生态 环境,促进我国经济社会可持续发展发挥了重要作用。但是,随着经济社会的迅速发展 和人们对生态环境要求的不断提高,水土保持工作也遇到了一些新问题,需要通过修 改现行法加以解决。2010年12月25日第十一届全国人民代表大会常务委员会第十八 次会议通过修订后的《中华人民共和国水土保持法》(以下简称《水土保持法》)2010 年12月25日中华人民共和国主席令第39号公布自2011年3月1日起施行。

1993年国务院颁发了《水土保持法实施条例》此外在《环境保护法》《土地管 理法》《水法》《森林法》《草原法》以及《农业法》(以上法律条例均为简称)中也有防 治水土流失的规定。《水土保持法》涉及水和土两种自然资源,这两种资源已经有《水 法》和《土地管理法》来规定,《水法》侧重水资源的开发利用和水害防治,《土地管理 法》强调的是合理利用土地,《水土保持法》侧重于水土流失的防治。

  1. 水土保持

水土保持是针对水土流失现象提出的,是水土流失的相对语,是对自然因素和人 为活动造成水土流失所采取的预防和治理措施。

  1. 自然因素包括地形、地质条件、土壤、降雨、植被等,其中降雨是产生水土 流失的基本动力。水土流失是指由于自然或人为活动的原因导致土地表层由于缺乏植被 的保护,被雨水冲蚀后致使土层逐渐变薄、肥力丧失的现象。
  2. 人为活动包括破坏森林资源、坡地耕种以及工程建设的开矿、修路和采石等。 水土流失形式包括水的损失和土的损失(土壤侵烛)。
  3. 土壤侵烛是指土壤及其他地表组成物质在水力、风力、冻融、重力等作用下 被破坏、剥烛、转运和沉积的过程。其中,水力侵蚀是指土壤及其他物质在降雨和地表 径流作用下被破坏、剥蚀、转运和沉积的过程;风烛是风力作用引起的土壤流失;冻融侵蚀是指在冬季寒冷地区,由于表层土体和岩石间的水分冻结而产生的体积膨胀,对土 体和岩石产生很大的压力,当气候变暖冻结融化时,因下层冻土传热慢融化也慢,形成 不透水层,而产生地表径流造成的水土流失;重力侵烛是指由于重力作用使得沟坡边的 土失去其平衡而产生的破坏、迁移和堆积的过程。

4水土流失程度用侵蚀模数表示即单位时间内单位面积上土壤流失的数量。

  1. 水土流失预防

《水土保持法》规定,国家对水土保持工作实行“预防为主、保护优先、全面规划、 综合治理、因地制宜、突出重点、科学管理、注重效益”的方针。贯彻落实这个方针, 就必须坚持“从事可能引起水土流失的生产建设活动的单位和个人,必须采取措施保护 水土资源,并负责治理因生产建设活动造成的水土流失”的原则。

根据上述基本要求,国家在水土流失重点预防区和重点治理区,实行地方各级人 民政府水土保持目标责任制和考核奖惩制度。在水土保持规划中,对水土流失潜在危险 较大的区域,划定为水土流失重点预防区;对水土流失严重的区域,划定为水土流失重 点治理区。

根据《生产建设项目水土流失防治标准》GB/T 50434—2018,生产建设项目水土 流失防治标准指标包括水土流失治理度、土壤流失控制比、渣土防护率、表土保护率、 林草植被恢复率、林草覆盖率等六项。

1 水土流失治理度(%)。项目水土流失防治责任范围内水土流失治理达标面积 占水土流失总面积的百分比。

2 土壤流失控制比。项目水土流失防治责任范围内容许土壤流失量与治理后每 平方公里年平均土壤流失量之比。

3 渣土防护率(%)。项目水土流失防治责任范围内采取措施实际挡护的永久弃 渣、临时堆土数量占永久弃渣和临时堆土总量的百分比。

挡护指拦挡、表面采取工程和植物防护或临时苫盖防护。

4 表土保护率(%)。项目水土流失防治责任范围内保护的表土数量占可剥离表 土总量的百分比。

5 林草植被恢复率。项目水土流失防治责任范围内林草类植被面积占可恢复林 草植被面积的百分比(%)。

6 林草覆盖率(%)。项目水土流失防治责任范围内林草类植被面积占总面积的 百分比。

水土流失防治指标值按水土保持区划分东北黑土区、北方风沙区、北方土石山区、 西北黄土高原区、南方红壤区、西南紫色土区、西南岩溶区、青藏高原区八个区分别 制定。

生产建设项目按建设和生产运行情况,划分为建设类项目和建设生产类项目。建 设类项目防治标准应按施工期、设计水平年两个时段分别确定。建设生产类项目[指生 产期仍存在开挖、取土(石、砂)、弃土(石、渣、灰、矸石、尾矿)等扰动地表活动 的项目]防治标准应按施工期、设计水平年和生产期三个时段分别确定。生产建设项目 水土流失防治标准等级分为三级(一级标准、二级标准、三级标准)。生产建设项目水 土流失防治标准等级应根据项目所在地区水土保持敏感程度和水土流失影响程度确定。

1 一级标准。项目位于各级人民政府和相关机构确定的水土流失重点预防区和 重点治理区、饮用水水源保护区、水功能一级区的保护区和保留区、自然保护区、世界 文化和自然遗产地、风景名胜区、地质公园、森林公园、重要湿地,且不能避让的,以 及位于县级及以上城市区域的,应执行一级标准。

2 二级标准。项目位于湖泊和已建成水库周边、四级以上河道两岸3km汇流范 围内或项目周边500m范围内有乡镇、居民点的且不在一级标准区域的应执行二级 标准。

四级河道指流域面积大于或等于100km2的河道。

3 三级标准。项目位于一级、二级标准区域以外的,应执行三级标准。

《水土保持法》第十三条规定:“水土保持规划的内容应当包括水土流失狀况、水 土流失类型区划分、水土流失防治目标、任务和措施等。

水土保持规划包括对流域或者区域预防和治理水土流失、保护和合理利用水土资 源作出的整体部署,以及根据整体部署对水土保持专项工作或者特定区域预防牙Π治理水 土流失作出的专项部署。

水土保持规划应当与土地利用总体规划、水资源规划、城乡规划和环境保护规划 等相协调。”

《水土保持法》第十七条规定:“禁止在崩塌、滑坡危险区和泥石流易发区从事取 土、挖砂、采石等可能造成水土流失的活动。”

《水土保持法》第二十条规定:“禁止在二十五度以上陡坡地开垦种植农作物。在 二十五度以上陡坡地种植经济林的,应当科学选择树种,合理确定规模,采取水土保持 措施,防止造成水土流失。

省、自治区、直辖市根据本行政区域的实际情况,可以规定小于二十五度的禁止 开垦坡度。禁止开垦的陡坡地的范围由当地县级人民政府划定并公告。”

《水土保持法》第二十三条规定:“在五度以上坡地植树造林、抚育幼林、种植中 药材等,应当采取水土保持措施。在禁止开垦坡度以下、五度以上的荒坡地开星种植农 作物,应当采取水土保持措施。具体办法由省、自治区、直辖市根据本行政区域的实际 情况规定。”

《水土保持法》第二十四条规定:“生产建设项目选址、选线应当避让水土流失重 点预防区和重点治理区;无法避让的,应当提高防治标准,优化施工工艺,减少地表扰 动和植被损坏范围,有效控制可能造成的水土流失。”

7.3.2水土流失的治理要求

  1. 编制水土保持方案的规定

《水土保持法》规定,国家对水土保持工作实行“预防为主,保护优先,全面规划, 综合治理,因地制宜,突出重点,科学管理,注重效益”的方针。贯彻落实这个方针, 就必须坚持“从事可能引起水土流失的生产建设活动的单位和个人,必须采取措施保护 水土资源,并负责治理因生产建设活动造成的水土流失”的原则。

《水土保持法》第二十五条规定:“在山区、丘陵区、风沙区以及水土保持规划确 定的容易发生水土流失的其他区域开办可能造成水土流失的生产建设项目,生产建设单位应当编制水土保持方案,报县级以上人民政府水行政主管部门审批,并按照经批准的 水土保持方案,采取水土流失预防和治理措施。没有能力编制水土保持方案的,应当委 托具备相应技术条件的机构编制。

水土保持方案应当包括水土流失预防和治理的范围、目标、措施和投资等内容。

水土保持方案经批准后,生产建设项目的地点、规模发生重大变化的,应当补充 或者修改水土保持方案并报原审批机关批准。水土保持方案实施过程中,水土保持措施 需要作出重大变更的,应当经原审批机关批准。

生产建设项目水土保持方案的编制和审批办法,由国务院水行政主管部门制定。”

可能造成水土流失的生产建设项目,是指在生产建设过程中进行地表扰动、土石 方挖填,并依法需要办理审批、核准、备案手续的项目。

《水土保持法》第二十六条规定:“依法应当编制水土保持方案的生产建设项目,生 产建设单位未编制水土保持方案或者水土保持方案未经水行政主管部门批准的,生产建 设项目不得开工建设。”

《水土保持法》第三十二条规定:“开办生产建设项目或者从事其他生产建设活动 造成水土流失的,应当进行治理。

在山区、丘陵区、风沙区以及水土保持规划确定的容易发生水土流失的其他区域 开办生产建设项目或者从事其他生产建设活动,损坏水土保持设施、地貌植被,不能恢 复原有水土保持功能的,应当缴纳水土保持补偿费,专项用于水土流失预防和治理。专 项水土流失预防和治理由水行政主管部门负责组织实施。水土保持补偿费的收取使用管 理办法由国务院财政部门、国务院价格主管部门会同国务院水行政主管部门制定。

生产建设项目在建设过程中和生产过程中发生的水土保持费用,按照国家统一的 财务会计制度处理。”

  1. 水土保持方案分类

根据《生产建设项目水土保持方案管理办法》(水利部令第53号),水土保持方案 分为“水土保持方案报告书"和“水土保持方案报告表”。

  1. 水土保持方案报告书。征占地面积5公顷以上或者挖填土石方总量5万立方 米以上的生产建设项目,应当编制水土保持方案报告书。水行政主管部门审批水土保持 方案报告书。
  2. 水土保持方案报告表。征占地面积0.5公顷以上、不足5公顷或者挖填土石方 总量1000立方米以上、不足5万立方米的生产建设项目应当编制水土保持方案报告 表。水土保持方案报告表,实行承诺制管理。申请人依法履行承诺手续,水行政主管部 门在受理后即时办结。
  3. 不需要编制水土保持方案。征占地面积不足0.5公顷并且挖填土石方总量不足 1000立方米的生产建设项目不需要编制水土保持方案但应当按照水土保持有关技 术标准做好水土流失防治工作。
  4. 水土保持措施

水土保持的措施分为防冲措施、储存措施、复垦措施、利用措施和植物措施。其 中,防冲措施是指针对生产建设项目而布设的相应防冲拦渣工程;储存措施是指为弃土 弃渣、尾矿尾砂而专门设置尾矿库或储渣储土库;复垦措施是指针对废弃的开采场等覆土垦殖,增加植被,恢复利用;利用措施是指对废弃物综合利用。

  1. 水土保持设施验收

《水土保持法》第二十七条规定:“依法应当编制水土保持方案的生产建设项目中 的水土保持设施,应当与主体工程同时设计、同时施工、同时投产使用;生产建设项目 竣工验收,应当验收水土保持设施;水土保持设施未经验收或者验收不合格的,生产建 设项目不得投产使用。”为保证经过批准的水土保持方案的严格实施,建设项目中的水 土保持设施,必须与主体工程同时设计、同时施工、同时投产使用(简称“三同时”)。 建设工程竣工验收时,应当同时验收水土保持设施,并有水行政主管部门参加。水土保 持设施验收不合格的,工程项目不得投人使用。

7.4大中型水利水电工程建设征地补偿和移民安置的有关规定

7.4.1大中型水利水电工程建设征地补偿标准的规定

  1. 建设征地补偿依据

2006年3月29日国务院第130次常务会议通过修订后的《大中型水利水电工程建 设征地补偿和移民安置条例》中华人民共和国国务院令第471号以下简称《条例》 自2006年9月1日起施行。《条例》分为总则、移民安置规划、征地补偿、移民安置、 后期扶持、监督管理、法律责任和附则等八章共六十三条。根据中华人民共和国国务院 令第679号对《条例》第二十二条进行修改自2017年6月1日起施行。

《土地管理法》第五十一条规定:“大中型水利、水电工程建设征收土地的补偿费 标准和移民安置办法,由国务院另行规定。”《水法》第二十九条规定:“国家寸水工程 建设移民实行开发性移民的方针,按照前期补偿、补助与后期扶持相结合的原贝!],妥善 安排移民的生产和生活,保护移民的合法权益。移民安置应当与工程建设同步进行。建 设单位应当根据安置地区的环境容量和可持续发展的原则,因地制宜,编制移民安置规 划,经依法批准后,由有关地方人民政府组织实施。所需移民经费列人工程建设投资计 划。”这为《条例》的制定提供了主要依据。

《条例》提出,国家实行开发性移民方针,采取前期补偿、补助与后期扶持相结合 的办法,使移民生活达到或者超过原有水平。《条例》规定大中型水利水电工程建设征 地补偿和移民安置应当遵循的原则是1以人为本保障移民的合法权益满足移民 生存与发展的需求2顾全大局服从国家整体安排兼顾国家、集体、个人利益

3节约利用土地合理规划工程占地控制移民规模4可持续发展与资源综合 开发利用、生态环境保护相协调5因地制宜统筹规划。

  1. 移民安置实施管理体制

《条例》指出,移民安置工作实行政府领导、分级负责、县为基础、项目法人参与 的管理体制。国务院水利水电工程移民行政管理机构(以下简称国务院移民管理机构) 负责全国大中型水利水电工程移民安置工作的管理和监督。县级以上地方人民政府负责 本行政区域内大中型水利水电工程移民安置工作的组织和领导;省、自治区、直辖市人 民政府规定的移民管理机构,负责本行政区域内大中型水利水电工程移民安置工作的管 理和监督。

  1. 建设征地补偿标准

《条例》第十六条规定:“征地补偿和移民安置资金、依法应当缴纳的耕地占用税和 耕地开垦费以及依照国务院有关规定缴纳的森林植被恢复费等应当列人大中型水利水电 工程概算。征地补偿和移民安置资金包括土地补偿费、安置补助费,农村居民点迁建、 城(集)镇迁建、工矿企业迁建以及专项设施迁建或者复建补偿费(含有关地上附着物 补偿费),移民个人财产补偿费(含地上附着物和青苗补偿费)和搬迁费,库底清理费, 淹没区文物保护费和国家规定的其他费用。”

国家规定的其他费用包括勘测设计科研费、实施管理费、技术培训费等。

《条例》第二十条规定:“依法批准的流域规划中确定的大中型水利水电工程建设 项目的用地,应当纳人项目所在地的土地利用总体规划。大中型水利水电工程建设项目 核准或者可行性研究报告批准后,项目用地应当列人土地利用年度计划。属于国家重点 扶持的水利、能源基础设施的大中型水利水电工程建设项目,其用地可以以划拨方式 取得。”

《条例》第二十一条规定:“大中型水利水电工程建设项目用地,应当依法申请并 办理审批手续,实行一次报批、分期征收,按期支付征地补偿费。对于应急的防洪、治 涝等工程,经有批准权的人民政府决定,可以先行使用土地,事后补办用地手续。”

《条例》第二十二条规定:“大中型水利水电工程建设征收土地的土地补偿费和安 置补助费,实行与铁路等基础设施项目用地同等补偿标准,按照被征收土地所在省、自 治区、直辖市规定的标准执行。

被征收土地上的零星树木、青苗等补偿标准,按照被征收土地所在省、自治区、 直辖市规定的标准执行。

被征收土地上的附着建筑物按照其原规模、原标准或者恢复原功能的原则补偿; 对补偿费用不足以修建基本用房的贫困移民,应当给予适当补助。

使用其他单位或者个人依法使用的国有耕地,参照征收耕地的补偿标准给予补偿; 使用未确定给单位或者个人使用的国有未利用地,不予补偿。

移民远迁后,在水库周边淹没线以上属于移民个人所有的零星树木、房屋等应当 分别依照本条第二款、第三款规定的标准给予补偿。”

7.4.2大中型水利水电工程建设移民安置工程实施与验收的规定

  1. 移民安置规划大纲

为了做好移民安置工作,《条例》规定,大中型水利水电工程应当编制移民安置规 划大纲,按照审批权限报省、自治区、直辖市人民政府或者国务院移民管理机构审批; 经批准的移民安置规划大纲是编制移民安置规划的基本依据,应当严格执行,不得随意 调整或者修改;确需调整或者修改的,应当报原批准机关批准。

移民安置规划大纲应当根据工程占地和淹没区实物调查结果以及移民区、移民安 置区经济社会情况和资源环境承载能力编制。工程占地和淹没区实物调查应当全面准 确,调查结果经调查者和被调查者签字认可并公示后,由有关地方人民政府签署意见。 实物调查工作开始前,工程占地和淹没区所在地的省级人民政府应当发布通告,禁止在 工程占地和淹没区新增建设项目和迁人人口,并对实物调查工作作出安排。

《条例》规定,移民安置规划大纲应当主要包括移民安置的任务、去向、标准和农 村移民生产安置方式以及移民生活水平评价和搬迁后生活水平预测、水库移民后期扶持 政策、淹没线以上受影响范围的划定原则、移民安置规划编制原则等内容。

移民安置规划应当对农村移民安置、城(集)镇迁建、工矿企业迁建、专项设施 迁建或者复建、防护工程建设、水库水域开发利用、水库移民后期扶持措施、征地补 偿和移民安置资金概(估)算等作出安排。对淹没线以上受影响范围内因水库蓄水造 成的居民生产、生活困难问题应当纳人移民安置规划按照经济合理的原贝J妥善 处理。

  1. 移民安置的组织实施

为了保证移民安置工作顺利进行,《条例》规定移民区和移民安置区县级以上地方 人民政府负责移民安置规划的组织实施。大中型水利水电工程开工前,项目法人应当 根据经批准的移民安置规划,与移民区和移民安置区所在的省、自治区、直辖市人民 政府或者市、县人民政府签订移民安置协议;签订协议的省、自治区、直辖市人民政 府或者市人民政府,可以与下一级有移民或者移民安置任务的人民政府签订移民安置 协议。

项目法人应当根据大中型水利水电工程建设的要求和移民安置规划,在每年汛期 结束后60日内向与其签订移民安置协议的地方人民政府提出下年度移民安置计划建 议;签订移民安置协议的地方人民政府,应当根据移民安置规划和项目法人的年度移民 安置计划建议,在与项目法人充分协商的基础上,组织编制并下达本行政区域的下年度 移民安置年度计划。

为了加强移民安置资金的管理和使用,针对不同的移民安置形式,《条例》规定了 有关移民安置资金的兑付形式:

1 农村移民在本县通过新开发土地或者调剂土地集中安置的,县级人民政府应 当将土地补偿费、安置补助费和集体财产补偿费直接全额兑付给该村集体经济组织或者 村民委员会;

2 农村移民分散安置到本县内其他村集体经济组织或者村民委员会的,应当由 移民安置村集体经济组织或者村民委员会与县级人民政府签订协议,按照协议安排移民 的生产和生活;

3 农村移民在本省行政区域内其他县安置的,与项目法人签订移民安置协议的 地方人民政府,应当及时将相应的征地补偿和移民安置资金交给移民安置区县级人民政 府,用于安排移民的生产和生活;农村移民跨省安置的,项目法人应当及时将相应的征 地补偿和移民安置资金交给移民安置区省、自治区、直辖市人民政府,用于安補^移民的 生产和生活;

4 搬迁费以及移民个人房屋和附属建筑物、个人所有的零星树木、青苗、农副 业设施等个人财产补偿费,由移民区县级人民政府直接全额兑付给移民;

5 移民自愿投亲靠友的,应当由本人向移民区县级人民政府提出申请,并提交 接收地县级人民政府出具的接收证明;移民区县级人民政府确认其具有土地等农业生产 资料后,应当与接收地县级人民政府和移民共同签订协议,将土地补偿费、安置补助费 交给接收地县级人民政府,统筹安排移民的生产和生活,将个人财产补偿费和搬迁费发 给移民个人。

《条例》同时规定,城(集)镇迁建、工矿企业迁建、专项设施迁建或者复建补偿 费,由移民区县级以上地方人民政府交给当地人民政府或者有关单位。因扩大规模、提 高标准增加的费用,由有关地方人民政府或者有关单位自行解决。

  1. 移民安置验收

为了加强移民安置工作以及建设工程的监督管理和验收,《条例》第三十七条规定: “移民安置达到阶段性目标和移民安置工作完毕后,省、自治区、直辖市人民政府或者 国务院移民管理机构应当组织有关单位进行验收;移民安置未经验收或者验收不合格 的,不得对大中型水利水电工程进行阶段性验收和竣工验收。”

《条例》提出国家对移民安置实行全过程监督评估。签订移民安置协议的地方人民 政府和项目法人应当采取招标的方式,共同委托移民安置监督评估单位对移民搬迁进 度、移民安置质量、移民资金的拨付和使用情况以及移民生活水平的恢复情况进行监督 评估;被委托方应当将监督评估的情况及时向委托方报告。

2026一建《水利》电子教材(可搜索)

2026一建《水利》电子教材(可搜索)8.1工程建设标准体系

第8章 看本章精讲课 做本章自测题

8.1.1标准的使用要求

  1. 标准相关规定
  2. 《中华人民共和国标准化法》

(2 )《中华人民共和国标准化法实施条例》

(3 )《强制性国家标准管理办法》(国家市场监督管理总局令第25号)

(4 )《工程建设国家标准管理办法》(建设部令第24号)

(5 )《工程建设行业标准管理办法》(建设部令第25号)

(6 )《实施工程建设强制性标准监督规定》(建设部令第81号) (7 )《水利标准化工作管理办法》(水国科20222卯号)

(8 )《水利工程建设标准强制性条文管理办法(试行)》(水国科2012546号)

  1. 标准的层次
  2. 标准包括国家标准、行业标准、地方标准和团体标准、企业标准等五个层次。 国家标准分为强制性标准、推荐性标准,行业标准、地方标准是推荐性标准。

强制性标准必须执行。国家鼓励采用推荐性标准。

  1. 国家工程建设标准分为强制性标准和推荐性标准。凡属于产品标准方面的内 容,不得在工程建设国家标准中加以规定。
  2. 行业标准分为强制性标准和推荐性标准。行业标准在相应的国家标准实施后, 应当及时修订或废止。
  3. 标准的制定
  4. 强制性国家标准。对保障人身健康和生命财产安全、国家安全、生态环境安 全以及满足经济社会管理基本需要的技术要求,应当制定强制性国家标准。法律、行政 法规和国务院决定对强制性标准的制定另有规定的,从其规定。
  5. 推荐性国家标准。对满足基础通用、与强制性国家标准配套、对各有关行业 起引领作用等需要的技术要求,可以制定推荐性国家标准。
  6. 行业标准。对没有推荐性国家标准、需要在全国某个行业范围内统一的技术 要求,可以制定行业标准。
  7. 地方标准。为满足地方自然条件、风俗习惯等特殊技术要求,可以制定地方 标准。
  8. 团体标准。国家鼓励学会、协会、商会、联合会、产业技术联盟等社会团体 协调相关市场主体共同制定满足市场和创新需要的团体标准,由本团体成员约定采用或 者按照本团体的规定供社会自愿采用。
  9. 企业可以根据需要自行制定企业标准,或者与其他企业联合制定企业标准。

推荐性国家标准、行业标准、地方标准、团体标准、企业标准的技术要求不得低 于强制性国家标准的相关技术要求。

国家鼓励社会团体、企业制定高于推荐性标准相关技术要求的团体标准、企业 标准。

  1. 标准的实施
  2. 强制性国家标准的技术要求应当全部强制,并且可验证、可操作。强制性国 家标准的编号由强制性国家标准代号(GB)、顺序号和年代号构成。国务院标准化行政 主管部门应当自发布之日起二十日内在全国标准信息公共服务平台上免费公开强制性国 家标准文本。
  3. 强制性国家标准发布后实施前,企业可以选择执行原强制性国家标准或者新 强制性国家标准。新强制性国家标准实施后,原强制性国家标准同时废止。
  4. 强制性国家标准发布后,有下列情形之一的,由国务院标准化行政主管部门 依据国务院授权解释:
  5. 强制性国家标准的规定需要进一步明确具体含义的;
  6. 出现新的情况,需要明确适用强制性国家标准依据的;
  7. 需要解释的其他事项。

强制性国家标准解释草案由组织起草部门研究提出并报国务院标准化行政主管 部门。强制性国家标准的解释与标准具有同等效力。解释发布后,国务院标准化行政 主管部门应当自发布之日起二十日内在全国标准信息公共服务平台上免费公开解释 文本。

属于强制性国家标准实施过程中有关具体问题的咨询,由组织起草部门研究答复。

  1. 标准的编号

(1 )强制性国家标准(GB ),推荐性国家标准(GB/T)0

  1. 工程强制性国家标准(GB **—XXXX ),工程推荐性国家标准(GB/T **—X XXX)。其中,****为标准的顺序号X X X X为发布标准的年份。

(3 )水利行业强制性标准(SL ****—X XXX),推荐性标准(SL/T ****—X X XX)。

其中根据国家标准编号相关规定2019年4月8日前发布的水利行业标准编号 为“SL x x X”为全文推荐行业标准或条文强制行业标准的统一编号2019

年4月8日后发布的水利推荐性行业标准编号为aSL/T ****—X XXX",强制性行 业标准编号为USL ****—X XXX ”。

  1. 工程建设标准强制性条文

(1 )根据《实施工程建设强制性标准监督规定》、老《标准化法》(1988年颁布) 和《建设工程质量管理条例》,工程建设强制性标准是指直接涉及工程质量、安全、卫 生及环境保护等方面的工程建设标准强制性条文。

  1. 在新《标准化法》(20Π年颁布)之前,《水利工程建设标准强制性条文》是 从SL标准中认定的部分条文或《建设工程质量管理条例》颁布后新制定与修订的SL 标准中用黑体字列出的条文。
  2. 新《标准化法>(2017年颁布)后,将取消条文强制,实行技术要求全部强制。 2016年国办印发的《强制性标准整合精简工作方案》要求将条文强制逐步整合为全文 强制。
  3. 标准的框架
  4. 水利标准体系

根据《中华人民共和国标准化法》和水利部《水利标准化工作管理办法》等法律法 规及国家关于标准化工作的相关规定,水利标准是指水利行业需要统一的技术要求。

水利标准包括国家标准、行业标准、地方标准和团体标准、企业标准。国家标准 分为强制性标准、推荐性标准。行业标准一般为推荐性标准,工程建设类可以定强制 性标准。水利部对团体标准的制定进行规范、指导和监督。地方标准和企业标准的管理 按国家和地方有关规定执行。

水利部国际合作与科技司是水利标准化工作的主管机构。水利部有关业务司局是 有关国家标准和水利行业标准的主持机构(其主要职责之一是解释本专业领域标准)。 标准制定的第一起草单位是主编单位(其主要职责之一是承办标准解释)。标准制定分 为起草、征求意见、审查和报批四个阶段。等同采用或修改采用国际标准时,采用征求 意见、审查和报批三个阶段。标准的局部修订采用审查和报批两个阶段。标准铕!I定周期 原则上不超过2年修订周期原则上不超过1年。

行业标准由水利部审批、编号、发布,并报国务院标准化行政主管部门备案。行 业标准的发布时间为水利部批准时间开始实施时间不应超过其后的3个月。行业标准 的出版发行,由主管机构委托具有相关出版资质的单位负责。

强制性标准必须执行,相关业务主管部门应履行强制性标准实施与监督腎理职责。 强制性标准文本应免费向社会公开。推动推荐性标准文本免费向社会公开。鼓励社会 团体、企业通过标准信息公共服务平台向社会公开团体标准、企业标准。建立标准实 施信息反馈和跟踪评估机制。根据反馈和跟踪评估情况,按照水利标准复审有关规定 对标准进行复审。复审周期一般不超过5年复审结论应作为修订、废止相关标准的 依据。

《水利部关于发布〈水利技术标准体系表〉的通知》水国科MM48号发布 了 2024年版《水利技术标准体系表》列人《水利技术标准体系表》的水和j技术标 准主要由水利部组织编制的国家标准和水利行业标准组成,不包括地方标准、团体 标准和企业标准。共收录水利技术标准644项包括国家标准151项、行业标准493 项表8.1-1 : 2024年版水利技术标准体系结构图8.1-1 )由专业门类、功能序列 构成。

专业门类划分为15类与水利部行政职能和水利专业分类密切相关反映水利事 业的主要对象、作用和目标,体现水利行业特色,满足行业管理需求。

功能序列分为13个序列统筹水利勘测、规划、设计、建设、运行全生命周期 管理,符合水利工程建设管理的普遍规律,反映了国民经济和社会发展所具有的共性 特征。

专业门类

综合 流域治理管理 数字孪生水利 水利工程移民 农村供水 灌溉排水 水土保持 河湖管理 节约用水

蓄滞洪区 水旱灾害防御 水利水电工程 水生态水环境

水资源 水文

试验与检验检测I 材料与仪器设备I

监测预报I 安全与监督I 质量与评价I 运行维护I 验收I 监理I 施工与安装I 设计I

规划— 勘测I 通用I

功能序列

图8.1-1水利技术标准体系结构框图
表8.1-1水利技术标准体系结构统计表

功能

专业 合计

(项)
01 02 03 04 05 06 07 08 09 10 11 12 13
通用 勘测 规划 设计 施工



安装
监理 验收 節餅 质量



评价
安全



监督
监测

预报
材料



仪器 设备
试验

与 检验 检测
合计(项) 644 61 17 32 134 51 2 14 66 58 42 72 52 43
A 水文 72 2 1 2 2 1 1 2 34 19 8
B 水资源 40 3 1 9 6 4 11 2 2 1 1
C 水生态水环境 29 2 4 1 5 16 1
D 水利水电工程 279 10 15 5 72 36 1 8 44 8 22 1 29 28
E 水旱灾害防御 33 6 1 4 4 1 2 5 2 6 2
F 蓄滞洪区 3 1 1 1
G 节约用水 28 9 2 4 8 5
Η 河湖管理 17 3 2 5 1 4 1 1
I 水土保持 24 4 1 1 5 3 1 2 1 4 1 1
J 灌溉排水 21 4 2 5 2 1 2 1 1 3
K 农村供水 7 1 3 1 2
L 水利工程移民 9 2 4 1 2
Μ 数字孪生水利 58 12 16 5 8 2 8 6 1
N 流域治理管理 12 2 2 2 1 2 3
0 综合 12 6 2 1 3
  1. 水利技术标准内容

根据《水利技术标准编写规程》SL/T 1-2024,工程建设类水利技术标准应由前引 部分、正文部分、补充部分组成。其中:

1 前引部分应包括封面、发布公告、前言和目次。

2 正文部分应包括总则和技术篇章,可包括术语和符号。

3 )补充部分应包括标准用词说明,可包括附录、标准历次版本编写者信息、。

  1. 标准用词

标准的条文中应采用表示严格程度的标准用词应符合表8.1-2的规定。虽制性标 准的条文中不应使用“宜” “不宜” “可”。推荐性标准不宜使用“必须” “严禁”。

表8.1-2标准用词说明

标准用词 严格程度
必须 很严格,非这样做不可
严禁
严格,在正常情况下均应这样做
不应
允许稍有选择,在条件许可时首先应这样做
不宜
有选择,在一定条件下可以这样做

8.2与施工相关的标准

8.2.1强制性标准

根据《水利部关于发布〈水利技术标准体系表〉的通知》水国科20以48号 2024年版《水利技术标准体系表》专业门类中的“水利水电工程”拟制订《水利水电 工程设计通用规范》SL、《大中型水利水电工程施工与验收通用规范》SL、《水利水电 工程建设与运行安全通用规范》SL、《水利水电工程金属结构及启闭设备通用规范》 GB专业门类中的“水旱灾害防御”拟制订《防洪治涝工程项目规范》GB;专业门类 中的“灌溉排水”拟制订《农业灌溉与排水工程项目规范》GB;专业门类中的“农村 供水”拟制订《农村供水工程项目规范》GB等全文强制性标准。

截至2024年6月底上述标准尚未颁布。强制性标准仍然是指《水利工程建设标准 强制性条文》。以下是部分强制性条文。)

  1. 劳动安全

1 《水利水电工程劳动安全与工业卫生设计规范》GB 50706—2011

  1. 2.2采用开敞式高压配电装置的独立开关站,其场地四周应设置高度不低于 2.2m的围墙。
  2. 2.6地网分期建成的工程,应校核分期投产接地装置的接触电位差和跨步电位 差,其数值应满足人身安全的要求。
  3. 2.9在中性点直接接地的低压电力网中,零线应在电源处接地。
    1. 11安全电压供电电路中的电源变压器严禁采用自耦变压器。
    1. 13独立避雷针、装有避雷针或避雷线的构架以及装有避雷针的照明灯塔 上的照明灯电源线,均应采用直接埋人地下的带金属外皮的电缆或穿人埋地金属管的绝 缘导线且埋人地中长度不小于10m。装有避雷针线的构架物上严禁架设通信线、 广播线和低压线。
  4. 2.16易发生爆炸、火灾造成人身伤亡的场所应装设应急照明。

4.5.7机械排水系统的排水管管口高程低于下游校核洪水位时,必须在排水管道 上装设逆止阀。

4.5.8防洪防淹设施应设置不少于2个的独立电源供电且任意一电源均应能满 足工作负荷的要求。

  1. 《水工建筑物滑动模板施工技术规范》SL 32—2014

9.3.2操作平台及悬挂脚手架上的铺板应严密、平整、固定可靠并防滑;操作 平台上的孔洞应设盖板或防护栏杆,操作平台上孔洞盖板的打开与关闭应是可控和可 靠的。

9.3.3操作平台及悬挂脚手架边缘应设防护栏杆其高度应不小于120cm,横挡 间距应不大于35cm,底部应设高度不小于30cm的挡板且应封闭密实。在防护栏杆外 侧应挂安全网封闭。

  1. 4.5人货两用的施工升降机在使用时,严禁人货混装。
  2. 10.5拆除滑模时,应采取防止操作人员坠落的措施,对空心筒类构筑物,应 在顶端设置安全行走平台。
  3. 《核子水分一密度仪现场测试规程》SL 275—2014

2附录B

B. 1凡使用核子水分一密度仪的单位均应取得“许可证”,操作人员应经培训并 取得上岗证书。

B.2由专业的人员负责仪器的使用、维护保养和保管,但不得拆装仪器内放 射源。

B.3仪器工作时应在仪器放置地点的3m范围设置明显放射性标志和警戒线 无关人员应退至警戒线外。

B.4仪器非工作期间,应将仪器手柄置于安全位置。核子水分一密度仪应装箱上 锁,放在符合辐射安全规定的专门地方,并由专人保管。

B.5仪器操作人员在使用仪器时,应佩戴射线剂量计,监测和记录操作人员所受 射线剂量,并建立个人辐射剂量记录档案。

B.6每隔6个月按相关规定对仪器进行放射源泄露检查检查结果不符合要求的 仪器不得再投入使用。

  1. 《水利水电工程施工组织设计规范》SL 303—2017
    1. 17 土石围堰、混凝土围堰与浆砌石围堰的稳定安全系数应满足下列要求:

1 土石围堰边坡稳定安全系数应满足表8.2-1的规定。

表8.2-1 土石围堰边坡稳定安全系数

围堰级别 计算方法
瑞典圆弧法 简化毕肖普法
3级 彡 1.20 彡 1.30
4级、5级 彡 1.05 彡 1.15

2重力式混凝土围堰、浆砌石围堰采用抗剪断公式计算时安全系数I'应不小 于3.0,排水失效时安全系数7T应不小于2.5;抗剪强度公式计算时安全系数父应不小 于 1.05 ο

    1. 20不过水围堰堰顶高程和堰顶安全加高值应符合下列规定

1堰顶高程应不低于设计洪水的静水位与波浪高度及堰顶安全加高值之利其堰 顶安全加高应不低于表8.2-2的规定值。

表8.2-2不过水围堰堰顶安全加高下限值(m )

围堰型式 围堰级别
3级 4〜5级
土石围堰 0.7 0.5
混凝土围堰、浆砌石围堰 0.4 0.3
  1. 土石围堰防渗体顶部在设计洪水静水位以上的加高值斜墙式防渗体为0.8〜 0.6m心墙式防渗体为0.6〜0.3m。3级土石围堰的防渗体顶部应预留完工后的沉降 超高。

3考虑涌浪或折冲水流影响当下游有支流顶托时应组合各种流量顶托情况 校核围堰堰顶高程。

4形成冰塞、冰坝的河流应考虑其造成的壅水高度。

  1. 6.12防尘、防有害气体等综合处理措施应符合下列规定:

4对含有瓦斯等有害气体的地下工程应编制专门的防治措施。

  1. )《水工建筑物地下开挖工程施工规范》SL 378—2007

8.4.2竖井吊罐及斜井运输车牵引绳,应有断绳保险装置。

8.4.11井口应设阻车器、安全防护栏或安全门。

  1. 12斜井、竖井自上而下扩大开挖时应有防止导井堵塞和人员坠落的措施。

    1. 1地下洞室开挖施工过程中洞内氧气体积不应少于20%。

13.2.4几个工作面同时爆破时,应有专人统一指挥,确保起爆人员的安全和相 邻炮区的安全。

  1. 11爆破完成后待有害气体浓度降低至规定标准时方可进入现场处理哑 炮并对爆破面进行检查,清理危石。清理危石应由有施工经验的专职人员负责实施。 13.3.5竖井和斜井运送施工材料或出渣时应遵守下列规定:

  2. 严禁人、物混运,当施工人员从爬梯上下竖井时,严禁运输施工材料或出渣;

  3. 井口应有防止石渣和杂物坠落井中的措施。

  4. 《小型水电站施工安全标准》GB 51304—2018

  5. 1.9危险作业场所、易燃易爆有毒危险品存放场所、库房、变配电场所以及禁 止烟火场所等应设置相应的禁止、指示、警示标志。

  6. 1爆破、高边坡、隧洞、水上、高处、多层交叉施工、大件运输、大 型施工设备安装及拆除等危险作业应有专项安全技术措施,并应设专人进行安全监护。

    1. 2高处作业的安全防护应符合下列规定

1高处作业前应检查排架、脚手板、通道、马道、梯子等设施符合安全要求方 可作业。高处作业使用的脚手架平台,应铺设固定脚手板,临空边缘应设高度不低于 1.2m的防护栏杆。

4高处临边、临空作业应设置安全网安全网距工作面的最大高度不应超过 3.0m,水平投影宽度应不小于2.0m。安全网应挂设牢固,随工作面升高而升高。

8高处作业时应对下方易燃、易爆物品进行清理和采取相应措施后方可进行 电焊、气焊等动火作业,并应配备消防器材和专人监护。

2.5.3施工现场的井、洞、坑、沟、口等危险处应设置明显的警示标志,并应采 取加盖板或设置围栏等防护措施。

3.3.4当砂石料料堆起拱堵塞时,严禁人员直接站在料堆上进行处理。应根据料 物粒径、堆料体积、堵塞原因采取相应措施进行处理。

3.3.9设备检修时应切断电源,在电源启动柜或设备配电室悬挂“有人检修,不 许合闸”的警示标志。

  1. 10在破碎机腔内检查时应有人在机外监护并且保证设备的安全锁机构 处于锁定位置。

3.4.2混凝土拌和应符合下列规定:

4搅拌机运行中不应使用工具伸人滚筒内掏挖。需要人工清理时应先停机。 需要进人搅拌筒内工作时,筒外应有人监护。

    1. 1闸门安装应符合下列规定

8底水封或防撞装置安装时门体应处于全关或全开状态启闭机应挂 停机牌,并应派专人值守,严禁启动。

  1. 13检查机组内部不应少于3人并应佩带手电进人钢管、蜗壳和发电机 风洞内部时必须留1人在进人口守候。

3.7.5进行电气试验时,应符合下列规定:

3耐电压试验时应有专人指挥升压操作应有监护人监护。操作人员应穿绝缘 鞋。现场应设临时围栏,挂警示标志,并应派专人警戒。

3.7.7导叶进行动作试验时,应事先通告相关人员,确保通讯通畅可靠,在进人 水轮机室、蜗壳处悬挂警示标志,并有专人监护,严禁靠近导叶。

  1. 《水利水电地下工程施工组织设计规范》SL 642—2013

7.2.3下列地区不应设置施工临时设施:

1严重不良地质区或滑坡体危害区。

2泥石流、山洪、沙暴或雪崩可能危害区。

5受爆破或其他因素影响严重的区域。

  1. 《水利水电工程施工安全防护设施技术规范》SL 714-2015

3.2.10电梯井、闸门井、门槽、电缆竖井等的井口应设有临时防护盖板或设置 围栏,在门槽、闸门井、电梯井等井道口(内)安装作业,应根据作业面情况,在其下 方井道内设置可靠的水平安全网作隔离防护层。

3.3.6排架、井架、施工用电梯、大坝廊道、隧洞等出人口和上部有施]:作业的 通道,应设有防护棚,其长度应超过可能坠落范围,宽度不应小于通道的宽度。当可能 坠落的高度超过24 m时应设双层防护棚。

3.5.3各种施工设备、机具传动与转动的露出部分,如传动带、开式齿轮、电 锯、砂轮、接近于行走面的联轴节、转轴、皮带轮和飞轮等必须安设拆装方便、网孔尺 寸符合安全要求的封闭的钢防护网罩或防护挡板或防护栏杆等安全防护装置。

    1. 3施工现场的配电箱、开关箱等安装使用应符合下列规定

6配电箱、开关箱应装设在干燥、通风及常温场所设置防雨、防尘利防砸设 施。不应装设在有瓦斯、烟气、蒸汽、液体及其他有害介质环境中,不应装设在易受外 来固体物撞击、强烈振动、液体浸溅及热源烘烤的场所。

3.7.4施工用电线路架设使用应符合下列要求:

7线路穿越道路或易受机械损伤的场所时必须设有套管防护。管内不得有接头 其管口应密封。

    1. 10载人提升机械应设置下列安全装置并保持灵敏可靠

1上限位装置上限位开关

2上极限限位装置越程开关

3下限位装置下限位开关

4断绳保护装置。

5限速保护装置。

6超载保护装置。

  1. 12.5在有毒有害气体可能泄漏的作业场所,应配置必要的防毒护具,以备急 用,并应及时检查、维护、更换,保证其始终处在良好的待用状态。

4.1.4皮带栈桥供料线运输应符合下列安全规定:

9供料线下方及布料皮带覆盖范围内的主要人行通道上部必须搭设牢固的防护 棚,转梯顶部设置必要防护,在该范围内不应设置非施工必需的各类机房、仓库。

    1. 4起重机械安装运行应符合下列规定

1起重机械应配备荷载、变幅等指示装置和荷载、力矩、高度、行程等限位、限 制及连锁装置。

  1. 2.5门式、塔式、桥式起重机械安装运行应符合下列规定:

4桥式起重机供电滑线应有鲜明的对比颜色和警示标志。扶梯、走道与滑线间和 大车滑线端的端梁下应设有符合要求的防护板或防护网。

4.3.2缆机安装运行应符合下列规定:

1设有从地面通向缆机各机械电气室、检修小车和控制操作室等处所的通道、楼 梯或扶梯。所有转动和传动外露部位应装设有防护网罩,并涂上安全色。

    1. 1灌浆作业应符合下列要求

3交叉作业场所各通道应保持畅通危险出人口、井口、临边部位应设有警告 标志或钢防护设施。

    1. 14皮带机安装运行应符合下列规定

4皮带的前后均应设置事故开关当皮带长度大于100m时在皮带的中部还应 增设事故开关,事故开关应安装在醒目、易操作的位置,并设有明显标志。

    1. 1制冷系统车间应符合下列规定

7氨压机车间还应符合下列规定

1 控制盘柜与氨压机应分开隔离布置,并符合防火防爆要求。

2 所有照明、开关、取暖设施等应采用防爆电器。

3 设有固定式氨气报警仪。

4 配备有便携式氨气检测仪。

5 设置应急疏散通道并明确标识。

  1. 1.2木材加工机械安装运行应符合下列规定:

3应配备有锯片防护罩、排屑罩、皮带防护罩等安全防护装置锯片防护罩底部 与工件的间距不应大于20mm在机床停止工作时防护罩应全部遮盖住锯片。

  1. 1-2进人施工生产区域人员应正确穿戴安全防护用品。进行2m 含2m以 上高空作业应佩戴安全带并在其上方固定物处可靠拴挂3.2m以上高空作业时,其 下方应铺设安全网。安全防护用品使用前应认真检查,不应使用不合格的安全防护 用品。
  2. 1.7焊接作业安全防护应符合下列要求:

10高处焊割作业点的周围及下方地面上火星所及的范围内应彻底清除可燃、 易爆物品,并配置足够的灭火器材。

10.1.11金属加工设备防护罩、挡屑板、隔离围栏等安全设施应齐全、有效。有 火花溅出或有可能飞出物的设备应设有挡板或保护罩。

  1. 1.2机组安装现场对预留进人孔、排水孔、吊物孔、放空阀、排水阀、预留 管道口等孔洞应加防护栏杆或盖板封闭。
  2. 1.7尾水管、蜗壳内和水轮机过流面进行环氧砂浆作业时,应有相应的防火、 防毒设施并设置安全防护栏杆和警告标志。

11.2.6高压试验现场应设围栏,拉安全绳,并悬挂警告标志。高压试验设备外 壳应接地良好含试验仪器接地电阻不得大于4Ω。

    1. 1水轮发电机组整个运行区域与施工区域之间必须设安全隔离围栏在围 栏人口处应设专人看守,并挂“非运行人员免进”的标志牌,在高压带电设备上均应挂 “高压危险” “请勿合闸”等标志牌。
  1. 工业卫生

1 《水利水电工程施工通用安全技术规程》SL 398—2007

3.4.2生产作业场所常见生产性粉尘、有毒物质在空气中允许浓度及限值应符合 表8.2-3的规定。

    1. 4生产车间和作业场所工作地点噪声声级卫生限值应符合表8.2-4规定。
    1. 6施工作业噪声传至有关区域的允许标准见表8.2-5o

表8.2-3常见生产性粉尘、有毒物质在空气中允许浓度及限值

序号 有害物质名称 阈限值mg/m3
最高容许浓度

Pc—MAC
时间加权平均容许 浓度**PC—TWA** 短时间接触容许 浓度 PC—STEL
1 矽尘
总尘 含 10%~50% 游离 SiO2 1 2
含50%〜80%游离SiO2 0.7 1.5
含80%以上游离SiO2 0.5 1.0
呼吸尘 含 10%~50% 游离 SiO2 0.7 1.0
含50%〜80%游离SiO2 0.3 0.5
含80%以上游离SiO2 0.2 0.3
2 石灰石粉尘 p-ή /l| 8 10
呼吸尘 4 8
3 硅酸盐水泥 总尘游离SiO2 <10% 4 6
呼吸尘游离SiO2<10% 1.5 2
4 电焊烟尘 4 6
5 其他粉尘 8 10
6 锰及无机化合物(按Μη计) 0.15 0.45
7 一氧化碳 非高原 20 30
咼原 海拔2000〜3000m 20
海拔大于3000m 15
8 20 30
9 溶剂汽油 300 450
10 丙酮 300 450
11 三硝基甲苯(ΤΝΤ) 0.2 0.5
12 铅及无机化合物 按Pb计 铅尘 0.05
铅烟 0.03
13 四乙基铅皮、按Pb计 0.02 0.06

表8.2-4生产性噪声声级卫生限值

曰接触噪声时间h 卫生限值dB A
8 85
4 88
2 91
1 94

表8.2-5非施工区域的噪声允许标准

等效声级限值dB A
昼间 夜间
以居住、文教机关为主的区域 55 45
居住、商业、工业混杂区及商业中心区 60 50
工业区 65 55
交通干线道路两侧 70 55
    1. 11工程建设各单位应建立职业卫生管理规章制度和施工人员职业健康档案 对从事尘、毒、噪声等职业危害的人员应每年进行一次职业体检,对确认职业病的职工 应及时给予治疗,并调离原工作岗位。
  1. 1生活供水水质应符合表8.2-6要求并经当地卫生部门检验合格方可使用。 生活饮用水源附近不得有污染源。

表8.2-6生活饮用水水质标准

指标 编号 项目 标准
1 色度不超过15度并不应呈现其他异色
感官性状指标 2 浑浊度 不超过3度特殊情况不超过5度
3 臭和味 不应有异臭异味
4 肉眼可见物 不应含有
5 pH值 6.5 〜6.8
6 总硬度以CaO计 不超过450mg/L
7 不超过0.3mg/L
化学指标 8 不超过0.1mg/L
9 不超过1.0mg/L
10 不超过1.0mg/L
11 挥发酚类 不超过0.002mg/L
12 阴离子合成洗涤剂 不超过0.3mg/L
13 氟化物 不超过1.0mg几适宜浓度0.5〜1.0mg/L
14 氰化物 不超过0.05mg/L
15 不超过0.04mg/L
毒理学指标 16 不超过0.01mg/L
17 不超过0.001mg儿
18 不超过0.01 mg儿
19 铬(六价) 不超过0.05mg/L
20 不超过0.05mg/L

续表

指标 编号 项目 标准
细菌学指标 21 细菌总数 不超过100个/mL水
22 大肠菌数 不超过3个/mL水
23 游离性余氯 在接触30min后不应低于0.3mg/L,管网末梢水不低于0.05mg/L
  1. 《水利水电地下工程施工组织设计规范》SL 642—2013
    1. 1施工过程中洞内氧气浓度不应小于20%,有害气体和粉尘含量应符合下

列要求:

1甲烷、一氧化碳、硫化氢含量应满足表8.2-7的要求。

表8.2-7空气中有害气体的最高允许浓度

名称 最局允许含量 附注
%(按体积计算) mg/m3
甲烷CHJ ^1.0
一氧化碳CO 彡 0.0024 30 一氧化碳的最高允许含量与作业时间
作业时间 最高允许含量mg/m3
<1h 50
<0.5h 100
15 〜20min 200
硫化氢H2S 彡 0.00066 10 反复作业的间隔时间应在2h以上
  1. 开挖
  2. 《水工建筑物岩石地基开挖施工技术规范》SL 47—2020
    1. 4严禁采用自下而上造成岩体倒悬的开挖方式。
  3. 《水工建筑物地下开挖工程施工规范》SL 378—2007

5.2.2地卞洞室洞口削坡应自上而下分层进行,严禁上下垂直作业。进?同前,应 做好开挖及其影响范围内的危石清理和坡顶排水,按设计要求进行边坡加固。

5.5.5当特大断面洞室设有拱座采用先拱后墙法开挖时应注意保护利1加固拱 座岩体。拱脚下部的岩体开挖,应符合下列条件:

1 拱脚下部开挖面至拱脚线最低点的距离不应小于1.5m。

2 顶拱混凝土衬砌强度不应低于设计强度的75%。

11-2.8对存在有害气体、高温等作业区,必须做专项通风设计,并设置监测 装置。

12.3.7洞内供电线路的布设应符合下列规定:

3电力起爆主线应与照明及动力线分两侧架设。

  1. 4.5洞内电、气焊作业区,应设有防火设施和消防设备。

13.2.6当相向开挖的两个工作面相距小于30m或5倍洞径距离爆破时双方人

员均应撤离工作面相距15m时应停止一方工作单向开挖贯通。

13.2.7竖井或斜井单向自下而上开挖距贯通面5m时应自上而下贯通。

13.2. 10采用电力起爆方法装炮时距工作面30m以内应断开电源可在30m 以外用投光灯或矿灯照明。

  1. 锚固与支护

《水利水电工程锚喷支护技术规范》SL 377—2007

    1. 17竖井或斜井中的锚喷支护作业应遵守下列安全规定

(1 )井口应设置防止杂物落人井中的措施。

  1. 采用溜筒运送喷射混凝土混合料时,井口溜筒喇叭口周围应封闭严密。
  2. 疏浚与吹填

《疏浚与吹填工程技术规范》SL 17—2014

    1. 6对施工作业区存在安全隐患的地方应设置必要的安全护栏和警示标志。
    1. 7应制订冲洗带油甲板的环保防护措施及发生油污泄漏事故的急救预案。

5.7.9施工船舶应符合以下安全要求:

(1 )施工船舶必须具有海事、船检部门核发的各类有效证书。

(2)施工船舶应按海事部门确定的安全要求,设置必要的安全作业区或警戒区,并 设置符合有关规定的标志,以及在明显处昼夜显示规定的号灯、号型。

(3 )施工船舶严禁超载航行。

  1. 施工船舶在汛期施工时,应制订汛期施工和安全渡汛措施;在严寒封冻地区 施工时,应制订船体及排泥管线防冰冻、防冰凌及防滑等冬期施工安全措施。
  2. 13严禁将各类垃圾和油水混合物直接排人江、河、湖、库中。
  3. 混凝土工程

1 )《水工建筑物滑动模板施工技术规范》SL 32—2014

3.3.4对首次采用的树种,应先进行试验,达到要求后方可使用。

5.2.3人员进出滑模的通道应安全可靠。

6.3.3千斤顶和支承杆的最少数量,应符合下列规定:

(1 )计算提升力时取6.2.2条中1款、2款、3款之和或1款、2款、6款之和的 大值。

(2)千斤顶、支承杆的允许承载力及其最少数量计算方法应符合6.2.3条的规定。

    1. 2混凝土面板堆石坝面板滑模设计应符合下列规定

(6)混凝土面板堆石坝滑动模板应具有制动保险装置;采用卷扬机牵引时,卷扬 机应设置安全可靠的地锚。

  1. 1.4所有滑模安装都应符合下列规定:

(4)当滑模安装高度达到或超过2.0m时,对安装人员必须采取高空作业保护措施。 7.4.9陡坡上的滑模施工,应具有保证安全的措施。当牵引机具为卷扬机时,卷 扬机应设置安全可靠的地锚;对滑模应设置除牵引钢丝绳以外的防止其自由下滑的保险 器具。

8.0.5每滑升1〜3m应对建筑物的轴线、尺寸、形状、位置及标高进行测量检 查,并做好记录(施工记录表格见附录D)。

  1. 1.3在滑模施工中应及时掌握当地气象情况,遇到雷雨、六级和六级以上大风 时,露天的滑模应停止施工,采取停滑措施。全部人员撤离后,应立即切断通向操作平 台的供电电源。

  2. 2.2在施工的建(构)筑物周围应划出施工危险警戒区,警戒线至建(构)筑 物外边线的距离应不小于施工对象高度的1/10,且不小于10m。警戒线应设置围栏和 明显的警戒标志,施工区出人口应设专人看守。

  3. 2.3危险警戒区内的建筑物出人口、地面通道及机械操作场所,应搭设高度不 小于2.5m的安全防护棚。

9.2.4当滑模施工进行立体交叉作业时,在上、下工作面之间应搭设安全隔 离棚。

9.4.2施工升降机应有可靠的安全保护装置,运输人员的提升设备的钢丝绳的安 全系数不应小于12,同时,应设置两套互相独立的防坠落保护装置,形成并联的保险。 极限开关也应设置两套。

9.5.2滑模施工现场的场地和操作平台上应分别设置配电装置。附着在操作平 台上的垂直运输设备应有上下两套紧急断电装置。总开关和集中控制开关应有明显 标志。

  1. 1露天施工滑模应有可靠的防雷接地装置防雷接地应单独设置不应与 保护接地混合。
  2. 《水工碾压混凝土施工规范》SL 53—1994

1.0.3施工前应通过现场碾压试验验证碾压混凝土配合比的适应性,并确定其施 工工艺参数。

4.5.5每层碾压作业结束后,应及时按网格布点检测混凝土的压实容重。所测容 重低于规定指标时,应立即重复检测,并查找原因,采取处理措施。

    1. 6连续上升铺筑的碾压混凝土层间允许间隔时间是指下层混凝土拌合物 拌合加水时起到上层混凝土碾压完毕为止),应控制在混凝土初凝时间以内。
  1. 1施工缝及冷缝必须进行层面处理处理合格后方能继续施工。
  2. 《水工混凝土施工规范》SL 677—2014

3.6. 1拆除模板的期限应遵守下列规定

1 不承重的侧面模板混凝土强度达到2.5MPa以上,保证其表面及棱角不因拆 模而损坏时,方可拆除。

2 钢筋混凝土结构的承重模板,混凝土达到下列强度后(按混凝土设计强度标 准值的百分率计),方可拆除。

  1. 悬臂板、梁跨度2m, 75%;跨度Z>2m, 100%。
  2. 其他梁、板、拱跨度50%; 2m<跨度8m, 75%;跨度Z> 8m, 100%。

10.4.6各种预埋铁件应待混凝土达到设计要求的强度,并经安全验收合格后, 方可启用。

  1. 爆破工程

《水电水利工程爆破施工技术规范》DL/T 5135—2013

    1. 13爆破后人员进人工作面检查等待时间应按下列规定执行

1明挖爆破时应在爆破后5min进人工作面当不能确认有无盲炮时应在爆 破后15min进人工作面。

2地下洞室爆破应在爆破后15min,并经检查确认洞室内空气合格后,方可准许 人员进人工作面。

3拆除爆破应等待倒塌建筑物和保留建筑物稳定之后方可准许人 员进人现场。

    1. 15保护层及邻近保护层的爆破孔不得使用散装流态炸药。

3.2.3装药完成后,应将剩余爆破器材及时撤出现场,退回爆破器材库。

5.2.5相向掘进的两个工作面两端施工应统一指挥。在相距5倍洞径或30m 爆破时双方人员均需撤离工作面相距15m时必须采用一个工作面爆破直至 贯通。

    1. 6在间距小于20m的两个及以上平行洞室中的一个工作面需进行爆破时必 须通知相邻洞室工作面的作业人员撤离至安全地点。

8.2.2推荐性标准

  1. 施工安全技术标准

1《水利水电工程施工通用安全技术规程》SL 398—2007

1 适用范围。大中型水利水电工程施工安全技术管理、安全防护与安全施工,小 型水利水电工程可参照执行。

2 下列标准中的条款引用成为本标准的条款。凡是注日期的引用文件,其随后 所有的修改单(不含勘误的内容)或修改版均不适合于本标准。但是,使用本标准的各 方应探讨使用下列文件最新版本的可能性。凡是不注明日期的引用文件,其最新版本适 用于本标准。

《爆破安全规程》GB 6722

《建筑施工场界环境噪声排放限值》GB 12523

《水电水利工程施工安全防护设施技术规范》DL5162

《施工现场临时用电安全技术规范》JGJ 46

《建筑施工高处作业安全技术规范》JGJ 80

《高处作业吊篮》JG/T 5032

《公路工程技术标准》JTG 801

2 《水利水电工程土建施工安全技术规程》SL 399—2007

1 适用范围。大中型水利水电工程施工安全技术管理、安全防护与安全施工,小 型水利水电工程可参照执行。

2 下列标准中的条款引用成为本标准的条款。凡是注日期的引用文件,其随后 所有的修改单(不含勘误的内容)或修改版均不适合于本标准。但是,使用本标准的各 方应探讨使用下列文件最新版本的可能性。凡是不注明日期的引用文件,其最新版本适

用于本标准。

《安全标志》GB 2894

《爆破安全规程》GB 6722

《安全带》GB 6095

《安全帽》GB 2811

《安全网》GB 5725

《密目式安全立网》GB 16909

《水电水利工程施工安全防护设施技术规范》DL5162

《建筑机械使用安全技术规程》JGJ 33

《施工现场临时用电安全技术规范》JGJ 46

《建筑施工扣件式钢管脚手架安全技术规范》JGJ 130

《公路工程施工安全技术规程》JTJ 076

  1. 《水利水电工程机电设备安装安全技术规程》SL 400—2016

1 适用范围。大中型水利水电工程机电设备安装、调试、试运行及维修,小型 水利水电工程机电设备安装、调试、试运行及维修可参照执行。

2 本标准主要引用下列标准:

《安全标志及其使用导则》GB 2894

《手持式电动工具的管理、使用、检查和维修安全技术规程》GB/T 3787

《安全网》GB 5725

《个体防护装备选用规范》GB/T 11651

《建设工程施工现场消防安全技术规范》GB 50720

《施工现场临时用电安全技术规范》JGJ 46

《建筑施工高处作业安全技术规范》JGJ 80

  1. 《水利水电工程施工作业人员安全操作规程》SL 401—2007

1 适用范围。大中型水利水电工程施工现场作业人员安全技术管理、安全防护 与安全、文明施工,小型水利水电工程机可参照执行。

2 本标准主要引用下列标准:

《起重机手势信号》GB/T 5082

《塔式起重机安全规程》GB 5144

《特种作业人员安全技术考核管理规则》GB 5306

《大爆破安全规程》GB 13349

1-0.6施工班组应坚持执行工前安全会、工中巡回检查和工后安全小结的每日 “三工活动”和每周一次的“安全日”活动。

1.0.7新参加水利水电工程施工的作业人员以及转岗的作Jk人员作业前施工 企业应进行不少于一周的学习培训,考试合格后,方可进入现场作业。

1.0.8施工企业应坚持定期培训、教育制度,施工作业人员应每年进行一次本专 业安全技术和本标准(《水利水电工程施工作业人员安全操作规程》)的学习、培训和 考核,考核不合格者不应上岗。

5 )《水利工程施工安全防护设施技术规范》SL 714—2015

  1. 适用范围。水利水电工程新建、扩建、改建及维修加固工程施工现场安全防 护设施的设置。
  2. 本标准主要引用下列标准:

《安全标志及其使用导则》GB 2894

《环境空气质量标准》GB 3095

《手持式电动工具的管理、使用、检查和维修安全技术规程》GB/T 3787

《爆破安全规程》GB 6722

《个体防护装备选用规范》GB/T 11651

《涂装作业安全规程有限空间作业安全技术要求》GB 12942

《建筑施工扣件式钢管脚手架安全技术规范》JGJ 130

《公路工程技术标准》JTG B01

  1. 相关标准的主要技术要求

水利部组织对原能源部、水利部颁布的《水利水电建筑安装安全技术工作规程》 SD 267—88进行修订。标准修订后形成上述5个标准各标准在内容上各有侧重、互 为补充,形成一个相对完整的水利水电工程建筑安装安全技术标准体系。在处理解决具 体问题时5个标准应相互配套使用。上述5个标准除已经列入《水利工程建设标准强 制性条文》的条款外,安全方面其他技术要求见下列各节。

  1. 消防技术要求

(1 )根据施工生产防火安全的需要,合理布置消防通道和各种防火标志,消防通 道应保持通畅宽度不得小于3.5m。

  1. 闪点在45ΐ以下的桶装、罐装易燃液体不得露天存放存放处应有防护栅栏 通风良好。
  2. 施工生产作业区与建筑物之间的防火安全距离,应遵守下列规定:
  3. 用火作业区距所建的建筑物和其他区域不得小于25m。
  4. 仓库区、易燃、可燃材料堆集场距所建的建筑物和其他区域不小于20m。
  5. 易燃品集中站距所建的建筑物和其他区域不小于30m。
  6. 加油站、油库,应遵守下列规定:
  7. 独立建筑与其他设施、建筑之间的防火安全距离应不小于50m。
  8. 周围应设有高度不低于2.0m的围墙、栅栏。
  9. 库区内道路应为环形车道路宽应不小于3.5m,并设有专门消防通道,保持 畅通。
  10. 罐体应装有呼吸阀、阻火器等防火安全装置。
  11. 应安装覆盖库(站)区的避雷装置且应定期检测其接地电阻不大于10Ω。
  12. 罐体、管道应设防静电接地装置接地网、线用40mmX4mm扁钢或幻0圆钢 埋设且应定期检测其接地电阻不大于30Ω。
  13. 主要位置应设置醒目的禁火警示标志及安全防火规定标识。
  14. 应配备相应数量的泡沫、干粉灭火器和砂土等灭火器材。
  15. 应使用防爆型动力和照明电气设备。
  16. 库区内严禁一切火源、吸烟及使用手机。

⑪工作人员应熟悉使用灭火器材和消防常识。

⑫运输使用的油罐车应密封,并有防静电设施。

5木材加工厂场、车间应遵守下列规定

  1. 独立建筑与周围其他设施、建筑之间的安全防火距离不小于20m。
  2. 安全消防通道保持畅通。
  3. 原材料、半成品、成品堆放整齐有序,并留有足够的通道,保持畅通。
  4. 木屑、刨花、边角料等弃物及时清除,严禁置留在场内,保持场内整洁。
  5. 设有10m3以上的消防水池、消火栓及相应数量的灭火器材。
  6. 作业场所内禁止使用明火和吸烟。
  7. 明显位置设置醒目的禁火警示标志及安全防火规定标识。
  8. 施工用电技术要求

1 )基本规定

1 施工单位应编制施工用电方案及安全技术措施。

2 从事电气作业的人员,应持证上岗;非电工及无证人员禁止从事电气作业。

3 从事电气安装、维修作业的人员应掌握安全用电基本知识和所用设备的性能, 按规定穿戴和配备好相应的劳动防护用品,定期进行体检。

4 在建工程(含脚手架)的外侧边缘与外电架空线路的边线之间应保挣安全操 作距离。最小安全操作距离应不小于表8.2-8的规定。

表8.2-8在建工程含脚手架的外侧边缘与外电架空线路的边线之间最小安全操作S巨离

外电线路电压kV < 1 1〜10 35 〜110 154-220 330-500
最小安全操作距离m 4 6 8 10 ' 15

注:上、下脚手架的斜道严禁搭设在有外电线路的一侧。

5施工现场的机动车道与外电架空线路交叉时架空线路的最低点与洛面的垂 直距离应不小于表8.2-9的规定。

表8.2-9施工现场的机动车道与外电架空线路交叉时的最小垂直距离

外电线路电压kV < 1 1〜10 35
最小垂直距离m 6 7 7

6机械如在高压线下进行工作或通过时其最高点与高压线之间的最+垂直距 离不得小于表8.2-10的规定。

表8.2-10机械最高点与高压线间的最小垂直距离

线路电压kV < 1 1〜20 35 〜110 154 220 330
机械最高点与高压线间的 最小垂直距离m 1.5 2 4 5 6 7
  1. 旋转臂架式起重机的任何部位或被吊物边缘与10kV以下的架空线路边线最小 水平距离不得小于2m。

(8 )施工现场开挖非热管道沟槽的边缘与埋地外电缆沟槽边缘之间的距离不得小 于 0.5m0

  1. 对达不到规定的最小距离的部位,应采取停电作业或增设屏障、遮拦、围栏、 保护网等安全防护措施,并悬挂醒目的警示标志牌。
  2. 用电场所电气灭火应选择适用于电气的灭火器材,不得使用泡沫灭火器。
  3. 现场临时变压器安装

施工用的10kV及以下变压器装于地面时应有0.5m的高台,高台的周围应装设 栅栏其高度不低于1.7m,栅栏与变压器外廓的距离不得小于lm杆上变压器安装的 高度应不低于2.5m,并挂“止步、高压危险”的警示标志。变压器的引线应采用绝缘 导线。

  1. 施工照明

(1)现场照明宜采用高光效、长寿命的照明光源。对需要大面积照明的场所,宜 采用高压汞灯、高压钠灯或混光用的卤钨灯。照明器具选择应遵守下列规定:

  1. 正常湿度时,选用开启式照明器。
  2. 潮湿或特别潮湿的场所,应选用密闭型防水防尘照明器或配有防水灯头的开启 式照明器。
  3. 含有大量尘埃但无爆炸和火灾危险的场所,应采用防尘型照明器。
  4. 对有爆炸和火灾危险的场所,或有瓦斯的巷道内,应按危险场所等级选择相应 的防爆型照明器。
  5. 在振动较大的场所,应选用防振型照明器。
  6. 对有酸碱等强腐蚀的场所,应采用耐酸碱型照明器。
  7. 照明器具和器材的质量均应符合有关标准、规范的规定,不得使用绝缘老化或 破损的器具和器材。

(2 ) 一般场所宜选用额定电压为220V的照明器对下列特殊场所应使用安全电压 照明器:

  1. 地下工程有高温、导电灰尘且灯具离地面高度低于2.5m等场所的照明,电 源电压应不大于36V。
  2. 在潮湿和易触及带电体场所的照明电源电压不得大于24V。
  3. 在特别潮湿的场所、导电良好的地面、锅炉或金属容器内工作的照明电源电压 不得大于12V。

(3 )使用行灯应遵守下列规定:

  1. 电源电压不超过36V。
  2. 灯体与手柄连接坚固、绝缘良好并耐热耐潮湿。
  3. 灯头与灯体结合牢固,灯头无开关。
  4. 灯泡外部有金属保护网。
  5. 金属网、反光罩、悬吊挂钩固定在灯具的绝缘部位上。

(4)照明变压器应使用双绕组型,严禁使用自耦变压器。

  1. 地下工程作业、夜间施工或自然采光差等场所,应设一般照明、局部照明或 混合照明,并应装设自备电源的应急照明。
  2. 高处作业技术要求

1 )高处作业的标准

(1 )凡在坠落高度基准面2m和2m以上有可能坠落的高处进行作业均称为高处 作业。高处作业的级别高度在2〜5m时称为一级高处作业高度在5〜15m时称 为二级高处作业高度在15〜30m时称为三级高处作业高度在30m以上日寸称为 特级高处作业。

(2)高处作业的种类分为一般高处作业和特殊高处作业两种。其中特殊®处作业 又分为以下几个类别:强风高处作业、异温高处作业、雪天高处作业、雨天高处作业、 夜间高处作业、带电高处作业、悬空高处作业、抢救高处作业。一般高处作业系指特殊 高处作业以外的高处作业。

2)安全防护措施

  1. 高处作业下方或附近有煤气、烟尘及其他有害气体,应采取排除或隔离等措 施,否则不得施工。
  2. 高处作业前,应检查排架、脚手板、通道、马道、梯子和防护设施,符合安 全要求方可作业。高处作业使用的脚手架平台,应铺设固定脚手板,临空边缘应设高度 不低于1.2m的防护栏杆。
  3. 在坝顶、陡坡、屋顶、悬崖、杆塔、吊桥、脚手架以及其他危险边沿·进行悬 空高处作业时,临空面应搭设安全网或防护栏杆。
  4. 安全网应随着建筑物升高而提高安全网距离工作面的最大高度不超过3m。 安全网搭设外侧比内侧高0.5m,长面拉直拴牢在固定的架子或固定环上。
  5. 在带电体附近进行高处作业时距带电体的最小安全距离应满足表8.2-11 的规定,如遇特殊情况,应采取可靠的安全措施。

表8.2-11高处作业时与带电体的安全距离

电压等级(kV) 10及以下 20 〜35 44 6◦〜110 154 220 330
工器具、安装构件、接地线等与带电体的距离(m) 2.0 3.5 3.5 4.0 5.0 5.0 6.0
工作人员的活动范围与带电体的距离(m) 1.7 2.0 2.2 2.5 3.0 4.0 5.0

整体组立杆塔与带电体的距离(m)

应大于倒杆距离 (自杆塔边缘到带电体的最近侧为塔高)

  1. 在2m以下高度进行工作时可使用牢固的梯子、高凳或设置临时小平台禁 止站在不牢固的物件(如箱子、铁桶、砖堆等物)上进行工作。
  2. 从事高处作业时,作业人员应系安全带。高处作业的下方,应设置警戒线或 隔离防护棚等安全措施。
  3. 上下脚手架、攀登高层构筑物,应走斜马道或梯子,不得沿绳、立杆或栏杆 攀爬。
  4. 高处作业时,不得坐在平台、孔洞、井口边缘,不得骑坐在脚手架栏杆、躺在脚手板上或安全网内休息,不得站在栏杆外的探头板上工作和凭借栏杆起吊物件。
  5. 特殊高处作业,应有专人监护,并有与地面联系信号或可靠的通信装置。

(11 )在石棉瓦、木板条等轻型或简易结构上施工及进行修补、拆装作业时,应采 取可靠的防止滑倒、踩空或因材料折断而坠落的防护措施。

(12)高处作业周围的沟道、孔洞井口等,应用固定盖板盖牢或设围栏。

(13 )遇有六级及以上的大风,禁止从事高处作业。

  1. 进行三级、特级、悬空高处作业时,应事先制订专项安全技术措施。施工前, 应向所有施工人员进行技术交底。
  2. 常用安全工具技术要求
  3. 安全帽、安全带、安全网等施工生产使用的安全防护用具,应符合国家规定 的质量标准,具有厂家安全生产许可证、产品合格证和安全鉴定合格证书,否则不得采 购、发放和使用。
  4. 常用安全防护用具应经常检查和定期试验,其检验标准和试验周期见 表 8.2-12**ο**
  5. 高处临空作业应按规定架设安全网,作业人员使用的安全带,应挂在牢固 的物体上或可靠的安全绳上,安全带严禁低挂高用。拴安全带用的安全绳,不宜超过 3m0
  6. 在有毒有害气体可能泄漏的作业场所,应配置必要的防毒护具,以备急用,并 及时检查维修更换,保证其处在良好的待用状态下。
  7. 电气操作人员应根据工作条件选用适当的安全电工用具和防护用品,电工 用具应符合安全技术标准并定期检查,凡不符合技术标准要求的绝缘安全用具、登 高作业安全工具、携带式电压和电流指示器,以及检修中的临时接地线等,均不得 使用。

表8.2-12常用安全用具的检验标准与试验周期

名称 检查与试验质量标准要求 检查试验周期
塑料安全帽 1. 外表完整、光洁;
2. 帽内缓冲带、帽带齐全无损;
3. 耐40〜120Ό高温不变形
4. 耐水、油、化学腐蚀性良好;
5. 可抗3kg的钢球从5m高处垂直坠落的冲击力
一年一次
安全带 检查:

1. 绳索无脆裂,断脱现象;
2. 皮带各部接口完整、牢固,无電朽和虫蛀现象;
3. 销口性能良好。

试验:

1. 静荷使用255kg重物悬吊5min无损伤
2. 动荷将重ffi为120kg的重物从2〜2.8m高架上冲击安 全带,各部件无损伤
1. 每次使用前均应检查;
2. 新带使用一年后抽样试验;
3. 旧带每隔6个月抽查试验一次
安全网 1. 绳芯结构和网筋边绳结构符合要求;
2. 两件各120kg的重物同时由4.5m高处坠落冲击完好无损
每年一次,每次使用前进行外表 检查
  1. 施工通风、散烟及除尘技术要求

地下工程施工时,做好通风,可以有效控制工作面的有害气体和粉尘含量,及时 给工作面提供新鲜空气,改善工作面的温度、湿度和气流速度等状况,创造满足有关标 准的工作环境。通风方式分为两种,即自然通风与机械通风,自然通风适应长度不超过 40m的短洞。机械通风分为三种基本形式即压人式、吸出式和混合式。

  1. 压人式通风。通过风管将新鲜空气直接送至工作面,冲淡污浊空气,并经过 洞身排至洞外。优点是工作面集中的施工人员可以较快获得新鲜空气。缺点是工作面的 污浊空气扩散至全部洞身。在竖井、斜井和短洞开挖中宜采用该方法。
  2. 吸出式通风。通过风管将工作面的污浊空气吸走并排至洞外,新鲜空气由洞 身输人工作面。优点是工作面的污浊空气能较快通过管道吸出,避免污浊空气扩散至全 部洞身。缺点是新鲜空气流到工作面比较慢,且易受到污染。在小断面长洞开挖中宜采 用该方法。
  3. 混合式通风。工作面经常性供风采用压人式,爆破后通风采用吸出式。在大 断面长洞开挖中宜采用该方法。

洞内施工禁止使用汽油动力设备。湿钻凿岩、爆破后喷雾、出渣前喷水巧'以有效 降低空气中的粉尘含量。

  1. 其他有关技术要求

爆破、高边坡、隧洞、水上(下)、高处、多层交叉施工、大件运输、大型施工设 备安装及拆除等危险作业应有专项安全技术措施,并设专人进行安全监护。

施工现场的井、洞、坑、沟、口等危险处应设置明显的警示标志,并应采取加盖 板或设置围栏等防护措施。

昼夜平均气温低于5T或最低气温低于-3Ϊ时应编制冬期施工作业计fej并应 制定防寒、防毒、防滑、防冻、防火、防爆等安全措施。

  1. 爆破作业技术要求

(1)爆破器材装卸应遵守下列规定:

  1. 从事爆破器材装卸的人员,应经过有关爆破材料性能的基础教育和熟悉其安全 技术知识。装卸爆破器材时,严禁吸烟和携带引火物。

.②搬运装卸作业宜在白天进行,炎热的季节宜在清晨或傍晚进行。如需在夜间装 卸爆破器材时,装卸场所应有充足的照明,并只允许使用防爆安全灯照明,禁止使用油 灯、电石灯、汽灯、火把等明火照明。

  1. 装卸爆破器材时,装卸现场应设置警戒岗哨,有专人在场监督。
  2. 搬运时应谨慎小心,轻搬轻放,不得冲击、撞碰、拉拖、翻滚和投掷。.严禁在 装有爆破材料的容器上踩踏。
  3. 人力装卸和搬运爆破器材每人一次以25〜30kg为限搬运者相距不得少于 3mo
  4. 同一车上不得装运两类性质相抵触的爆破器材,且不得与其他货物混装。雷管 等起爆器材与炸药不允许同时在同一车厢或同一地点装卸。
  5. 装卸过程中司机不得离开驾驶室。遇雷电天气,禁止装卸和运输爆破器材。
  6. 装车后应加盖帆布,并用绳子绑牢,检查无误后方可开车。

(2)爆破器材的运输

  1. 气温低于10Ϊ运输易冻的硝化甘油炸药时应采取防冻措施气温低于-15Ϊ 运输难冻的硝化甘油炸药时,也应采取防冻措施。
  2. 禁止用翻斗车、自卸汽车、拖车、机动三轮车、人力三轮车、摩托车和自行车 等运输爆破器材。
  3. 运输炸药雷管时装车高度要低于车厢10cm。车厢、船底应加软垫。雷管箱不 许倒放或立放,层间也应垫软垫。
  4. 水路运输爆破器材停泊地点距岸上建筑物不得小于250m。
  5. 汽车运输爆破器材,汽车的排气管宜设在车前下侧,并应设置防火罩装置;汽 车在视线良好的情况下行驶时时速不得超过20km (工区内不得超过15km);在弯 多坡陡、路面狭窄的山区行驶时速应保持在5km以内。行车间距平坦道路应大于 50m,上下坡应大于300m。

(3 )爆破现场管理

爆破作业应统一指挥,统一信号,专人警戒并划定安全警戒区。爆破后须经爆破 人员检查,确认安全后,其他人员方能进人现场。洞挖、通风不良的狭窄场所,还应通 风排烟、恢复照明及安全处理后,方可进行其他作业。

爆破工作开始前,应明确规定安全警戒线,制订统一的爆破时间和信号,并在指 定地点设安全哨,执勤人员应有红色袖章、红旗和口笛。

(4 )明挖爆破音响信号规定如下:

  1. 预告信号间断鸣三次长声即鸣30s、停、鸣30s、停、鸣30s;此时现场停 止作业,人员迅速撤离。
  2. 准备信号在预告信号20min后发布间断鸣一长、一短三次即鸣20s、鸣 10s、停、鸣 20s、鸣 10s、停、鸣 20s、鸣 10s。
  3. 起爆信号在准备信号lOmin后发出连续三短声即鸣10s、停、鸣10s、停、 鸣 10so
  4. 解除信号:应根据爆破器材的性质及爆破方式,确定炮响后到检查人员进人现 场所需等待的时间。检查人员确认安全后,由爆破作业负责人通知警报房发出解除信 号一次长声鸣60s;在特殊情况下,如准备工作尚未结束,应由爆破负责人通知警 报房拖后发布起爆信号,并用广播器通知现场全体人员。
  5. 装药和堵塞应使用木、竹制作的炮棍。严禁使用金属棍棒装填。
  6. 火花起爆,应遵守下列规定:
  7. 深孔、竖井、倾角大于30°的斜井、有瓦斯和粉尘爆炸危险等工作面的爆破 禁止采用火花起爆。
  8. 炮孔的排距较密时导火索的外露部分不得超过1.0m,以防止导火索互相交错 而起火。
  9. 一人连续单个点火的火炮暗挖不得超过5个明挖不得超过10个并应在爆 破负责人指挥下,做好分工及撤离工作。
  10. 当信号炮响后,全部人员应立即撤出炮区,迅速到安全地点掩蔽。
  11. 点燃导火索应使用香或专用点火工具,禁止使用火柴、香烟和打火机。
  12. 电力起爆,应遵守下列规定:
  13. 用于同一爆破网路内的电雷管,电阻值应相同。康铜桥丝雷管的电阻极差不得 超过0.25Ω镍铬桥丝雷管的电阻极差不得超过0.5Ω。
  14. 网路中的支线、区域线和母线彼此连接之前,各自的两端应短路、绝缘。
  15. 装炮前工作面一切电源应切除照明至少设于距工作面30m以外的地方只有 确认炮区无漏电、感应电后,才可装炮。
  16. 雷雨天严禁采用电爆网路。
  17. 供给每个电雷管的实际电流应大于准爆电流,具体要求是:
  18. 直流电源一般爆破不小于2.5A对于洞室爆破或大规模爆破不小于3A。
  19. 交流电源一般爆破不小于3A;对于洞室爆破或大规模爆破不小于4A。
  20. 网路中全部导线应绝缘。有水时导线应架空。各接头应用绝缘胶布包好,两条 线的搭接口禁止重叠至少应错开0.1m。
  21. 测量电阻只许使用经过检查的专用爆破测试仪表或线路电桥。严禁使用其他电 气仪表进行量测。
  22. 通电后若发生拒爆,应立即切断母线电源,将母线两端拧在一起,锁上电源开 关箱进行检查。进行检查的时间对于即发电雷管至少在lOmin以后对于延发电雷 管至少在15min以后。
  23. 导爆索起爆,应遵守下列规定:
  24. 导爆索只准用快刀切割,不得用剪刀剪断导火索。
  25. 支线要顺主线传爆方向连接搭接长度不应少于15cm,支线与主线传爆方向的 夹角应不大于90°。
  26. 起爆导爆索的雷管,其聚能穴应朝向导爆索的传爆方向。
  27. 导爆索交叉敷设时应在两根交叉导爆索之间设置厚度不小于10cm的木质 垫板。
  28. 连接导爆索中间不应出现断裂破皮、打结或打圈现象。

(9 )导爆管起爆,应遵守下列规定:

  1. 用导爆管起爆时,应有设计起爆网路,并进行传爆试验。网路中所使用的连接 元件应经过检验合格。
  2. 禁止导爆管打结,禁止在药包上缠绕。网路的连接处应牢固,两元件应相距 2m。敷设后应严加保护防止冲击或损坏。
  3. 一个8号雷管起爆导爆管的数量不宜超过40根层数不宜超过3层。
  4. 只有确认网路连接正确,与爆破无关人员已经撤离,才准许接人引爆装置。 (10 )地下爆破

地下相向开挖的两端在相距30m以内时装炮前应通知另一端暂停工作退到安 全地点。当相向开挖的两端相距15m时一端应停止掘进单头贯通。斜井相向开挖, 除遵守上述规定外并应对距贯通尚有5m长地段自上端向下打通。

地下井挖洞内空气含沼气或二氧化碳浓度超过1%时,禁止进行爆破作业。 洞室爆破应满足下列基本要求:

①参加爆破工程施工的临时作业人员,应经过爆破安全教育培训,经口试或笔试合格后,方准许参加装药填塞作业。但装起爆体及敷设爆破网路的作业,应由持证爆破 员或爆破工程技术人员操作。:.

②不应在洞室内和施工现场改装起爆体和起爆器材。

33篇 水利水电工程项目管理实务)

资质与施

2026一建《水利》电子教材(可搜索)9.1水利水电工程企业资质

第9章 看本章精讲课 做本章自测题

9.1.1设计资质

  1. 勘察单位资质

工程勘察范围包括建设工程项目的岩土工程、水文地质勘察和工程测 量。工程勘察资质分为三个类别:

1 )工程勘察综合资质

工程勘察综合资质是指包括全部工程勘察专业资质的工程勘察资质。工程勘察综合 资质只设甲级。工程勘察综合甲级资质承担各类建设工程项目的岩土工程、水文地质勘 察、工程测量业务(海洋工程勘察除外),其规模不受限制岩土工程勘察丙级项g除外

2 工程勘察专业资质

工程勘察专业资质包括:岩土工程专业资质、岩土工程(分项)专业资质、水文地 质勘察专业资质和工程测量专业资质。其中:

1 岩土工程(分项)专业资质包括:岩土工程勘察、岩土工程设计、岩土工程 物探测试检测监测等岩土工程(分项)专业资质。

2 岩土工程、岩土工程设计、岩土工程物探测试检测监测专业资质设甲、乙两 个级别;

岩土工程勘察、水文地质勘察、工程测量专业资质设甲、乙、丙三个级别。

3 )工程勘察专业资质甲级承担本专业资质范围内各类建设工程项目的工程勘察业 务,其规模不受限制;乙级承担本专业资质范围内各类建设工程项目乙级及以下规模的工 程勘察业务。丙级承担本专业资质范围内各类建设工程项目丙级规模的工程勘察业务。

3 工程勘察劳务资质

工程勘察劳务资质包括:工程钻探和凿井。工程勘察劳务资质不分等级。工程勘 察劳务资质承担相应的工程钻探、凿井等工程勘察劳务业务。

  1. 设计单位资质

设计单位资质标准分为四个序列,工程设计综合资质、工程设计行业资质、工程 设计专业资质、工程设计专项资质,其中:

1 )工程设计综合资质

工程设计综合资质是指涵盖21个行业的设计资质。工程设计综合资质只设甲级。

2水利水电工程涉及的行业资质

水利水电工程涉及21个行业中的两个工程设计行业资质即水利行业和电力行业

(电力行业含火电、水电、核电、新能源)。

水利工程设计行业资质是指涵盖水利行业资质标准中的全部设计类型的设计资质。 水利工程设计行业资质设甲、乙、丙级三个级别。

电力行业资质设甲级、乙级。

3 工程设计专业资质

工程设计专业资质是指某个行业资质标准中的某一个专业的设计资质。水利工程 设计专业资质设甲、乙、丙级三个级别。水利专业设计资质分为八个专业,即水库枢 纽、引调水、灌溉排涝、河道整治、城市防洪、围垦、水土保持、水文设施。

水利工程设计范围包括水利行业建设工程项目的主体工程和配套工程(含厂/矿 区内的自备电站、道路、专用铁路、通信、各种管网管线和配套的建筑物等全部配套工 程)以及与主体工程、配套工程相关的工艺、土木、建筑、环境保护、水土保持、消 防、安全、卫生、节能、防雷、抗震、照明工程等。

电力行业专业资质设甲级、乙级,包括与水利水电工程相关的专业资质是水力发 电(含抽水蓄能、潮汐)专业。

4 工程设计专项资质

工程设计综合甲级资质承担各行业建设工程项目的设计业务,其规模不受限制; 但在承接工程项目设计时,须满足标准中与该工程项目对应的设计类型对专业及人员配 置的要求。承担其取得的施工总承包(施工专业承包)一级资质证书许可范围内的工程 施工总承包(施工专业承包)业务。

水利工程设计行业资质甲级承担水利行业建设工程项目主体工程及其配套工程的 设计业务,其规模不受限制。乙级承担水利行业中、小型水利建设工程项目的主体工程 及其配套工程的设计业务。丙级承担水利行业小型建设项目的工程设计业务。

水利工程设计专业资质甲级承担本专业水利建设工程项目主体工程及其配套工程 的设计业务,其规模不受限制。乙级承担本专业中、小型水利建设工程项目的主体工程 及其配套工程的设计业务。丙级承担本专业小型水利建设项目的设计业务。

电力行业资质业务范围与以上要求类似。

  1. 设计规模划分

1 )水利行业

水利行业建设项目设计规模划分见表9.1-L·

表9.1-1水利行业建设项目设计规模划分表

序号 建设项目 单位 大型 中型 小型 备注
1 水库枢纽 亿m3 多1 1 〜0.1 < 0.1 库容
MW 彡300 300〜50 < 50 装机
2 引调水 m3/s ^5 5 〜0.5 < 0.5 流量
3 灌溉排涝 万亩 30 30〜3 <3 面积
4 河道整治 堤防等级 彡1级 2、3级 4、5级
5 城市防洪 万人 >50 50 〜20 <20 城市人口
6 围垦 万亩 多5 5 〜0.5 <0.5 面积

续表

序号 建设项目 单位 大型 中型 小型 备注
7 水土保持 km2 ^500 500-150 <150 综合治理面积
8 水文设施 万元 彡 1000 1000-200 < 200 投资额

2电力行业

水力发电建设项目设计规模划分见表9.1-2。

表9.1-2水力发电建设项目设计规模划分表

建设项目 单位 特大型 大型 中型 小型 备注
水力发电 MW ^250 50 〜250 <50 单机容量

9.1.2施工资质

  1. 资质序列

水利工程建设项目施工投标时,投标人应具有相应的企业资质。施工企业资质分为 总承包12个类别涉及水利水电工程的有水利水电工程、电力工程2个类别J、专业 承包36个类别和施工劳务不分类别和等级可承担各类施工劳务作业三个序列。

1 )取得水利水电工程施工总承包资质的企业(简称施工总承包企业),可以从事 资质证书许可范围内的相应工程总承包、工程项目管理等业务。施工总承包企业可以对 所承接的施工总承包工程内各专业工程全部自行施工,也可以将专业工程或劳务作业依 法分包给具有相应资质的专业承包企业或施工劳务企业。

2 取得专业承包资质的企业,可以承接施工总承包企业分包的专业工程和发包 人依法发包的专业工程。专业承包企业可以对所承接的专业工程全部自行施工,也可以 将劳务作业依法分包给具有相应资质的施工劳务企业。

3 取得施工劳务资质的企业,可以承接施工总承包企业或专业承包企业分包的 劳务作业。

  1. 施工总承包资质承包工程范围

根据住房和城乡建设部《关于印发〈施工总承包企业特级资质标准〉的通知》(建 市200772号、《住房城乡建设部关于印发〈建筑业企业资质标准〉的通知》建市 2014159号以及《住房城乡建设部关于简化建筑业企业资质标准部分指标的通知》 建市2016226号水利水电工程施工总承包企业资质等级分为特级、一级、二级、 三级。电力工程施工总承包企业资质等级分为特级、一级、二级、三级。

(注:电力工程是指与电能的生产、输送及分配有关的工程。包括火力发电、水力发电等工 程及其配套工程。)

1 )水利水电工程施工总承包特级资质

1 )取得水利水电工程施工总承包特级资质的企业可承担水利水电工程各等级工 程施工总承包、设计及开展工程总承包和项目管理业务。

2取得水利水电工程施工总承包特级资质的企业若再取得房屋建筑、公路、铁

路、市政公用、港口与航道等专业中2项施工总承包一级资质即可承接上述各专业工 程的施工总承包、工程总承包和项目管理业务,及开展相应设计主导专业人员齐备的施 工图设计业务。

建设部《关于印发〈施工总承包企业特级资质标准〉的通知》建市200772号 曾规定特级资质的企业限承担施工单项合同额3000万元以上的房屋建筑工程。《住房城乡建设部 关于印发〈建筑业企业资质管理规定和资质标准实施意见〉的通知》建市201520号将前 述限定改为“取得特级资质的企业限承担施工单项合同额6000万元以上的建筑工程”。《住房 城乡建设部关于建筑业企业资质管理有关问题的通知》建市2015154号中又将"取得特 级资质的企业限承担施工单项合同额6000万元以上的建筑工程”取消。

2 水利水电工程施工总承包一级资质

取得水利水电工程施工总承包一级资质的企业可承担各类型水利水电工程的施工。

3 水利水电工程施工总承包二级资质

取得水利水电工程施工总承包二级资质的企业可承担工程规模中型以下水利水电 工程和建筑物级别3级以下包含本数下同水工建筑物的施工但下列工程规模限 制在以下范围内:

坝高70m以下、水电站总装机容量150MW以下、水工隧洞洞径小于8m (或断面 面积相等的其他型式且长度小于1000m、堤防级别2级以下。

4 水利水电工程施工总承包三级资质

取得水利水电工程施工总承包三级资质的企业可承担单项合同额6000万元以下的 下列水利水电工程的施工:

1 型以下水利水电工程和建筑物级别4级以下水工建筑物的施工总承包但 下列工程限制在以下范围内:

坝高40m以下、水电站总装机容量20MW以下、泵站总装机容量800kW以下、水 工隧洞洞径小于6m 或断面面积相等的其他型式且长度小于500m、堤防级别3级以下。

5 电力工程施工总承包特级资质

1 )取得电力工程施工总承包特级资质的企业可承担电力工程各等级工程施工总 承包、设计及开展工程总承包和项目管理业务;

2取得电力工程施工总承包特级资质的企业若再取得房屋建筑、矿山、冶炼 石油化工等专业中2项施工总承包一级资质即可承接上述各专业工程的施工总承包、 工程总承包和项目管理业务,及开展相应设计主导专业人员齐备的施工图设计业务。

6 电力工程施工总承包一级资质

取得电力工程施工总承包一级资质的企业可承担各类发电工程、各种电压等级送 电线路和变电站工程的施工。

7 电力工程施工总承包二级资质

取得电力工程施工总承包二级资质的企业可承担单机容量20万kW以下发电工程、 220kV以下送电线路和相同等级变电站工程的施工。

8 电力工程施工总承包三级资质

取得电力工程施工总承包三级资质的企业可承担单机容量10万kW以下发电工程、 110kV以下送电线路和相同等级变电站工程的施工。

  1. 专业承包资质承包工程范围

(1 )水工金属结构制作与安装工程专业承包资质分为一级、二级、三级。

  1. 取得水工金属结构制作与安装工程专业承包一级资质的企业可承担各类压力钢 管、闸门、拦污栅等水工金属结构工程的制作、安装及启闭机的安装。
  2. 取得水工金属结构制作与安装工程专业承包二级资质的企业可承担大麵以下压 力钢管、闸门、拦污栅等水工金属结构工程的制作、安装及启闭机的安装。
  3. 取得水工金属结构制作与安装工程专业承包三级资质的企业可承担中型以下压 力钢管、闸门、拦污栅等水工金属结构工程的制作、安装及启闭机的安装。
  4. 水利水电机电安装工程专业承包资质分为一级、二级、三级。
  5. 取得水利水电机电安装工程专业承包一级资质的企业可承担各类水电站、泵站 主机(各类水轮发电机组、水泵机组)及其附属设备和水电(泵)站电气设备的安装 工程。
  6. 取得水利水电机电安装工程专业承包二级资质的企业可承担单机容量1O0MW以 下的水电站、单机容量lOOOkW以下的泵站主机及其附属设备和水电(泵)站电气设备 的安装工程。
  7. 取得水利水电机电安装工程专业承包三级资质的企业可承担单机容量25MW以 下的水电站、单机容量500kW以下的泵站主机及其附属设备和水电(泵)站电气设备 的安装工程。
  8. 河湖整治工程专业承包资质分为一级、二级、三级。
  9. 取得河湖整治工程专业承包一级资质的企业可承担各类河道、水库、湖泊以及 沿海相应工程的河势控导、险工处理、疏浚与吹填、清淤、填塘固基工程的施□:。
  10. 取得河湖整治工程专业承包二级资质的企业可承担堤防工程级别2级以下堤防 相应的河道、湖泊的河势控导、险工处理、疏浚与吹填、填塘固基工程的施工。
  11. 取得河湖整治工程专业承包三级资质的企业可承担堤防工程级别3级以下堤防 相应的河湖疏浚整治工程及吹填工程的施工。
  12. 隧道工程专业承包资质分为一级、二级、三级。
  13. 取得隧道工程专业承包一级资质的企业可承担各类隧道工程的施工。
  14. 取得隧道工程专业承包二级资质的企业可承担断面面积60m2以下且单洞长度 1000m以下的隧道工程施工。
  15. 取得隧道工程专业承包三级资质的企业可承担断面面积40m2以下且单洞长度 500m以下的隧道工程施工。

9.2施工组织设计

9.2.1水利水电工程施工工厂设施

  1. 施工工厂设施的任务

水利水电工程施工组织设计中,施工工厂设施的任务包括:

  1. 制备施工所需的建筑材料。
  2. 供应水、电和压缩空气。

3 建立工地内外通信联系。

4 维修和保养施工设备。

5 )加工制作非标准金属构件等。

  1. 主要施工工厂设施

1砂石料加工系统

砂石加工厂通常由破碎、筛分、制砂等车间和堆场组成,同时还设有供配电、给 水排水和污水处理等辅助设施。

砂石料加工系统生产规模可按毛料处理能力划分为特大型、大型、中型、小型, 划分标准见表9.2-1。

表9.2-1砂石料加工系统生产规模划分标准

类型 砂石料加工系统处理能力t/h
特大型 ^1500
大型 ^500, <1500
中型 彡 120<500
小型 <120

砂石加工系统设计中应采取除尘、降低或减少噪声措施以及废水处理措施。砂石 加工生产过程中产生的弃渣应运至指定地点堆存。

2混凝土生产系统

混凝土生产系统的规模应满足质量、品种、出机口温度和浇筑强度的要求,单位 小时生产能力可按月高峰强度计算月有效生产时间可按500h计不均匀系数按1.5 考虑,并按最大仓面人仓强度要求校核。

根据设计进度计算的高峰月浇筑强度,计算混凝土浇筑系统单位小时生产能力可 按式9.2-1 )计算:

P = KhQm/MN 9.2-1

式中**P**——混凝土系统所需小时生产能力m3/h

Qm—高峰月混凝土浇筑强度m3/月);

Μ——月工作日数d一般取25d;

N——日工作时数h一般取20h;

Kh 时不均匀系数一般取1.5。

混凝土最大仓面浇筑时,必须在底层混凝土初凝前覆盖下一层混凝土,即混凝土 拌合设备的小时生产能力还必须满足式9.2-2的要求。

1.1(ΓΏ)/ί1-ί2 9.2-2

式中 ft.——混凝土系统拌合楼所需生产能力m3/h ;

F 最大仓面面积m2 ;

D——最大仓面混凝土分层浇筑厚度m;

tx——混凝土初凝时间h,按有关水工混凝土技术规范和标准考虑;

ί2——混凝土出机后到浇筑人仓的时间h按有关水工混凝土技术规范和标 准考虑一般混凝土不要超过1.5h,温控混凝土不要超过45min。

3 混凝土制冷(热)系统

1混凝土制冷系统

混凝土的拌和出机口温度高于混凝土温控要求的人仓温度时,需设置预冷系统。 选择混凝土预冷材料时,主要考虑采用集料堆场降温、冷水拌和、加冰搅拌、预冷集料 等单项或多项综合措施,一般不把胶凝材料(水泥、粉煤灰等)选作预冷材料。

预冷集料是降低混凝土温度的有效措施,水利水电工程上常用的预冷集料有以下 几种:

  1. 水冷法。将粗集料装人集料预冷罐,用低温水(地下水或机制冷水)浸泡或循 环冷却,或者在通过冷却廊道输送集料的胶带表面淋洒低温水。
  2. 风冷法。用循环冷风吹人集料仓进行冷却。
  3. 真空汽化法。将储料罐(或密闭罐)抽成真空(适度真空),使集料表面的附着 水汽化,吸取集料热量,以降低集料温度。
  4. 液氮预冷法。

2 )混凝土制热系统

混凝土制热系统的主要任务是为低温季节混凝土施工提供满足人仓温度要求的预 热混凝土。提高混凝土拌合料温度宜用热水拌和,若加热水拌和不满足要求,方可考虑 加热集料,水泥不应直接加热。

低温季节混凝土施工气温标准为当日平均气温连续5d稳定在5Ϊ以下或最低气 温连续5d稳定在-3ΐ以下时应按低温季节进行混凝土施工。

4 风、水、电、通信及照明

1 压缩空气系统

压缩空气系统主要提供石方开挖、混凝土施工、水泥输送、灌浆、机电及金属结 构安装所需的压缩空气。压气站位置宜靠近耗气负荷中心,接近供电和供水点,处于空 气洁净、通风良好、交通方便,远离需要安静和防振的场所。

2 供水系统

供水系统主要提供工地施工用水、生活用水和消防用水。施工供水量应满足不同 时期日高峰生产和生活用水需要,并按消防用水量进行校核。

3 施工供电系统

各施工阶段用电高峰负荷宜按需要系数法计算;当资料缺乏时,用电高峰负荷可 按全部工程用电设备总容量的25%〜40%估算;当计算条件具备时,应按负荷曲线法 计算分年用电量。

为了保证施工供电必要的可靠性和合理地选择供电方式,将用电负荷按其重要性 和停电造成的损失程度分为三类,即一类负荷、二类负荷和三类负荷。

水利水电工程施工现场一类负荷主要有井、洞内的照明、排水、通风和基坑内的 排水、汛期的防洪、泄洪设施以及医院的手术室、急诊室、重要的通信站以及其他因停 电即可能造成人身伤亡或设备事故引起国家财产严重损失的重要负荷。由于单一电源无 法确保连续供电供电可靠性差因此大中型工程应具有两个以上的电源否贝J应建自 备电厂。

除隧洞、竖井以外的土石方开挖施工,混凝土浇筑施工,混凝土搅拌系统,制冷系统,供水系统,供风系统,混凝土预制构件厂等主要设备属二类负荷。

木材加工厂、钢筋加工厂的主要设备属三类负荷。

砂石加工系统、金属结构及机电安装、机修系统、施工照明等主要设备中,部分 属二类负荷,部分属三类负荷。

9.2.2水利水电工程施工现场规划

  1. 施工分区规划

根据主体工程施工需求及现场地形条件,水利水电工程施工场地一般分为以下几 个分区:

1 主体工程施工区。

2 施工工厂区。

3 当地建材开采区。

4 工程存、弃渣场区。

5 仓库、站、场、码头等储运系统区。

6 机电、金属结构和大型施工机械设备安装场区。

7 施工管理及生活区。

8 工程建设管理及生活区。

  1. 施工材料、设备仓库面积的确定

1各种材料储存量的估算

各种材料储存量应根据施工、供应和运输条件确定。对受季节影响的材料,应 考虑施工和生产中断因素;水运应考虑洪水、枯水和严寒等季节影响。材料储存量按 式9.2-3 )估算:

q = QdK/n

式中**q** 需要的材料储存量t或m1;

Q 高峰年材料总需要量t或m3 ;

η——年工作日数d;

d——需要材料的储存天数d ;

K——材料总需要量的不均匀系数一般取1.2〜1.5。

2施工仓库建筑面积

  1. 材料、器材仓库建筑面积按式9.2-4 )估算:

W=q/PKJ

式中 **W—**材料、器材仓库建筑面积m2;

q 需要材料储存量t或m3;

K'——面积利用系数;

P——每平方米有效面积的材料存放量t或m3 )。

  1. 施工设备仓库建筑面积按式9.2-5 )估算:

W = na/K2

式中 w一施工设备仓库建筑面积m2;

η——储存施工设备台数;

(9.2-3)

(9.2-4)

(9.2-5)

a 每台设备的占地面积m2;

K2——面积利用系数库内有行车时取0.3,无行车时取0.17。

  1. 永久机电设备仓库建筑面积按式9.2-6 和式9.2-7 )估算:

2026一建《水利》电子教材(可搜索)(9.2-6)

(9.2-7)

式中**F**——设备库总面积包括铁路与卸货场的占地面积m2;

F——仓库保管净面积指仓库总面积中扣除卸货场的占地面积后的部分m2

Q—同时保管仓库内的机组设备总重量t

3施工仓库占地面积

仓库占地面积按式9.2-8估算

(9.2-8)

式中**A** 仓库占地面积m2;

W——仓库建筑面积或堆存场面积m2;

K3——占地面积系数,参照有关规范选用。

9.2.3水利水电工程施工进度计划

  1. 施工进度计划安排

1 施工期的划分

根据《水利水电工程施工组织设计规范》SL 303—2017,工程建设全过程可划分为 工程筹建期、工程准备期、主体工程施工期和工程完建期四个施工时段。编施工总 进度时,工程施工总工期应为后三项工期之和。工程建设相邻两个阶段的工作可交叉 进行。

1 工程筹建期:工程正式开工前,为主体工程施工具备进场开工条件所需时间, 其工作内容包括:对外交通、施工供电和通信系统、施工场地征地以及移民等工作。

2 工程准备期:准备工程开工起至关键线路上的主体工程开工或河道截流闭气 前的工期,一般包括:场地平整、场内交通、导流工程、临时房屋和施工工厂设施建 设等。

3 主体工程施工期:自关键线路上的主体工程开工或河道截流闭气开纟台,至第 一台发电机组发电或工程开始发挥效益为止的工期。

4 工程完建期:自水利水电工程第一台发电机组投人运行或工程开始发挥效益 起,至工程完工的工期。

2 编制施工总进度应遵循的原则

1 )遵守基本建设程序。

2采用国内平均先进施工水平合理安排工期。

3 )资源(人力、物资和资金等)均衡分配。

4 单项工程施工进度与施工总进度相互协调,各项目施工程序前后兼顾、衔接 合理、干扰少、施工均衡。

5 在保证工程施工质量、总工期的前提下,充分发挥投资效益。

6 应确保工程项目的施工在安全、连续、稳定、均衡的状态下进行。

  1. 应研究工程分期建设,降低初期建设投资,提前发挥效益的合理性。
  2. 施工进度计划表达方法

工程设计和施工阶段常采用的进度计划表达方法包括:横道图、工程进度曲线、 施工进度管理控制曲线、形象进度图、网络进度计划等。

1 )横道图

用横道图表示的施工进度计划,一般包括两个基本部分,即左侧的工作名称及工 作的持续时间等基本数据部分和右侧的横道线部分。图9.2-1所示即为用横道图表示的 某水闸工程的施工进度计划。该计划明确表示出各项工作的划分、工作的开始时间和完 成时间、工作的持续时间、工作之间的相互搭接关系,以及整个工程项目的开工时间、 完工时间等。

|项次 工程项目 持续时间 (d) 第一年 第二年
9 10 11 12 1 2 3 4 5 6 7 8
1 基坑土方开挖 30
2 C10混凝土蛰层 20
3 C25混凝土闸底板 30
4 C25混凝土闸墩 55
5 C40混凝土闸上公路桥板 30
6 二期混凝土 25
7 闸门安装 15
8 底槛、导轨等埋件安装 20

图9.2-1某水Ι'ΨΠ:程施工进度计划横道图

横道计划的优点是形象、直观,且易于编制和理解,因而长期以来被广泛应用于 建设工程进度控制中。但利用横道图表示工程进度计划,存在下列缺点:

(1 )不能明确地反映出各项工作之间错综复杂的相互关系,在计划执行的过程中, 当某些工作的进度由于某种原因提前或拖延时,不便于分析其对其他工作及总工期的影 响程度,不利于建设工程进度的动态控制。

  1. 不能明确地反映出影响工期的关键工作和关键线路,无法反映出整个工程项 目的关键所在,不便于进度控制人员抓住主要矛盾。
  2. 不能反映出工作所具有的机动时间,看不到计划的潜力所在,无法进行最合 理的组织和指挥。
  3. 不能反映工程费用与工期之间的关系,不便于缩短工期和降低成本。
  4. 工程进度曲线

工程进度曲线是以时间为横轴,以完成累计工作量(该工作量的具体表示内容可 以是实物工程S的大小、工时消耗或费用支出额也可以用相应的百分比来表示)为纵 轴,按计划时间累计完成任务量的曲线作为预定的进度计划。从整个项目的实施进度来 看由于项目的初期和后期进度比较慢因而进度曲线大体呈S形。该方法如图9.2-2 所示。

2026一建《水利》电子教材(可搜索)

按计划时间累计完成任务量的曲线作为预定的进度计划,将工程项目实施过程中 各检查时间实际累计完成任务量的S形曲线也绘制于同一坐标系中对实际进度与计划 进度进行比较如图9.2-3所示。

2026一建《水利》电子教材(可搜索)

Δβ,— 7时刻超额完成的任务fl;

Δ7—7,时刻实际进度拖后的时间;

**^Qh K**时刻拖欠的任务量;

Δ7——工期拖延预测值。

通过比较可以获得如下信息:

  1. 实际工程进展速度。
  2. 进度超前或拖延的时间。
  3. 工程量的完成情况。
  4. 后续工程进度预测。

9.2.4水利水电工程专项施工方案

  1. 专项施工方案的内容

根据《水利水电工程施工安全管理导则》SL 721—2015,施工单位应在施工:前,对 达到一定规模的危险性较大的单项工程编制专项施工方案;对于超过一定规模的危险性 较大的单项工程,施工单位应组织专家对专项施工方案进行审查论证。专项施工方案应 包括以下内容:

  1. 工程概况:危险性较大的单项工程概况、施工平面布置、施工要求和技术保 证条件等。
  2. 编制依据:相关法律、法规、规章、制度、标准及图纸(国标图集)、施工组 织设计等。
  3. 施工计划:包括施工进度计划、材料与设备计划等。
  4. 施工工艺技术:技术参数、工艺流程、施工方法、质量标准、检查验收等。
  5. 施工安全保证措施:组织保障、技术措施、应急预案、监测监控等。
  6. 劳动力计划:专职安全生产管理人员、特种作业人员等。

(7 )设计计算书及相关图纸等。

  1. 专项施工方案有关程序要求

专项施工方案应由施工单位技术负责人组织施工技术、安全、质量等部门的专业 技术人员进行审核。经审核合格的,应由施工单位技术负责人签字确认。实行分包的, 应由总承包单位和分包单位技术负责人共同签字确认。

不需专家论证的专项施工方案,经施工单位审核合格后应报监理单位,由项目总 监理工程师审核签字,并报项目法人备案。

超过一定规模的危险性较大的单项工程专项施工方案应由施工单位组织召开审查 论证会。审查论证会应有下列人员参加:

(1 )专家组成员。

(2 )项目法人单位负责人或技术负责人。

  1. 监理单位总监理工程师及相关人员。
  2. 施工单位分管安全的负责人、技术负责人、项目负责人、项目技术负责人、专 项施工方案编制人员、项目专职安全生产管理人员。
  3. 勘察、设计单位项目技术负责人及相关人员等。

专家组应由5名及以上符合相关专业要求的专家组成各参建单位人员不得以专家 身份参加审查论证会。

施工单位应根据审查论证报告修改完善专项施工方案,经施工单位技术负责人、 总监理工程师、项目法人单位负责人审核签字后,方可组织实施。

施工单位应严格按照专项施工方案组织施工,不得擅自修改、调整专项施工方案。

如因设计、结构、外部环境等因素发生变化确需修改的,修改后的专项施工方案 应当重新审核。对于超过一定规模的危险性较大的单项工程的专项施工方案,施工单位 应重新组织专家进行论证。

  1. 专项施工方案的实施与监督

监理、施工单位应指定专人对专项施工方案实施情况进行旁站监理。发现未按专 项施工方案施工的,应要求其立即整改;存在危及人身安全紧急情况的,施工单位应立 即组织作业人员撤离危险区域。

总监理工程师、施工单位技术负责人应定期对专项施工方案实施情况进行巡查。 对于危险性较大的单项工程,施工单位、监理单位应组织有关人员进行验收。验收合格 的,经施工单位技术负责人及总监理工程师签字后,方可进人下一道工序。

监理单位应编制危险性较大的单项工程监理规划和实施细则,制定工作流程、方 法和措施。

监理单位发现未按专项施工方案实施的,应责令整改;施工单位拒不整改的,应 及时向项目法人报告;如有必要,可直接向有关主管部门报告。

项目法人接到监理单位报告后,应立即责令施工单位停工整改;施工单位仍不停 工整改的,项目法人应及时向有关主管部门和安全监督机构报告。

  1. 危险性较大的单项工程的规模标准

1 达到一定规模的危险性较大的单项工程

1 基坑支护、降水工程。开挖深度达到3 含3m 〜5m或虽未超过3m但地质 条件和周边环境复杂的基坑(槽)支护、降水工程。

2 土方和石方开挖工程。开挖深度达到3 含3m ~5m的基坑的土方和 石方开挖工程。

3 )模板工程及支撑体系

  1. 各类工具式模板工程:包括大模板、滑模、爬模、飞模等工程。
  2. 混凝土模板支撑工程搭设高度5〜8m;搭设跨度10〜18m;施工总荷载10〜 15kN/m2;集中线荷载15〜20kN/m;高度大于支撑水平投影宽度且相对独立无联系构 件的混凝土模板支撑工程。
  3. 承重支撑体系:用于钢结构安装等满堂支撑体系。

4 )起重吊装及安装拆卸工程

  1. 采用非常规起重设备、方法且单件起吊重量在10〜100kN的起重吊装工程。
  2. 采用起重机械进行安装的工程。
  3. 起重机械设备自身的安装、拆卸。

5 )脚手架工程

  1. 搭设高度24〜50m的落地式钢管脚手架工程。
  2. 附着式整体和分片提升脚手架工程。
  3. 悬挑式脚手架工程。
  4. 吊篮脚手架工程。
  5. 自制卸料平台、移动操作平台工程。
  6. 新型及异型脚手架工程。

6 拆除、爆破工程。

7 围堰工程。

8 )水上作业工程。

9 沉井工程。

10 临时用电工程。

11 其他危险性较大的工程。

2 超过一定规模的危险性较大的单项工程

1 )深基坑工程

  1. 开挖深度超过5m 含5m )的基坑(槽)的土方开挖、支护、降水工程。
  2. 开挖深度虽未超过5m但地质条件、周围环境和地下管线复杂或影B向毗邻建 筑(构筑)物安全的基坑(槽)的土方开挖、支护、降水工程。

(2 )模板工程及支撑体系

  1. 工具式模板工程:包括滑模、爬模、飞模工程。
  2. 混凝土模板支撑工程搭设高度8m及以上搭设跨度18m及以上施工总荷 载15kN/m2及以上集中线荷载20kN/m及以上。
  3. 承重支撑体系用于钢结构安装等满堂支撑体系承受单点集中荷载700kg以上。
  4. 起重吊装及安装拆卸工程
  5. 采用非常规起重设备、方法且单件起吊重量在100kN及以上的起重吊装工程。
  6. 起重重量300kN及以上的起重设备安装工程高度200m及以上内爬起重设备 的拆除工程。

(4 )脚手架工程

  1. 搭设高度50m及以上的落地式钢管脚手架工程。
  2. 提升高度150m及以上的附着式整体和分片提升脚手架工程。
  3. 架体高度20m及以上的悬挑式脚手架工程。
  4. 拆除、爆破工程
  5. 采用爆破拆除的工程。
  6. 可能影响行人、交通、电力设施、通信设施或其他建筑物、构筑物安全的拆除 工程。
  7. 在文物保护建筑、优秀历史建筑或历史文化风貌区控制范围的拆除工程。 (6 )其他
  8. 开挖深度超过16m的人工挖孔桩工程。
  9. 地下暗挖工程、顶管工程、水下作业工程。
  10. 采用新技术、新工艺、新材料、新设备及尚无相关技术标准的危险性较大的单 项工程。

9.3建设项目管理有关要求

9.3.1建设项目管理专项制度

《水利工程建设项目管理规定(试行)》水建1995 128号(2016年修正)]明 确,水利工程项目建设实行项目法人责任制、招标投标制和建设监理制,简称“三项” 制度。

  1. 项目法人责任制

项目法人责任制作为水利工程建设项目管理的基本制度之一,对保障水利工程建 设的有序实施发挥了重要作用。《水利部关于印发水利工程建设项目法人管理指导意见 的通知》(水建设2020258号)提出如下要求:

1)项目法人组建

政府出资的水利工程建设项目,应由县级以上人民政府或其授权的水行政主管部 门或者其他部门负责组建项目法人。政府与社会资本方共同出资的水利工程建设项目, 由政府或其授权部门和社会资本方协商组建项目法人。社会资本方出资的水利工程建设 项目,由社会资本方组建项目法人,但组建方案需按照国家关于投资管理的法律法规及

相关规定经工程所在地县级以上人民政府或其授权部门同意。水利工程建设项巨可行性 研究报告中应明确项目法人组建主体,提出建设期项目法人机构设置方案。

  1. 项目法人组建部门

在国家确定的重要江河、湖泊建设的流域控制性工程及中央直属水利工程,原则 上由水利部或流域管理机构负责组建项目法人。

其他项目的项目法人组建层级,由省级人民政府或其授权部门结合本地实际,根 据项目类型、建设规模、技术难度、影响范围等因素确定。其中新建库容10亿m3以 上或坝高大于70m的水库、跨地级市的大型引调水工程应由省级人民政府或其授权 部门组建项目法人,或由省级人民政府授权工程所在地市级人民政府组建项目法人。

跨行政区域的水利工程建设项目,一般应由工程所在地共同的上一级政府或其授 权部门组建项目法人,也可分区域由所在地政府或其授权部门分别组建项目法人。分区 域组建项目法人的,工程所在地共同的上一级政府或其授权部门应加强对各区域项目法 人的组织协调。鼓励各级政府或其授权部门组建常设专职机构,履行项目法人职责,集 中承担辖区内政府出资的水利工程建设。

积极推行按照建设运行管理一体化原则组建项目法人。对已有工程实施改、扩建 或除险加固的项目,可以以已有的运行管理单位为基础组建项目法人。

  1. 回避要求

各级政府及其组成部门不得直接履行项目法人职责;政府部门工作人员在项目法 人单位任职期间不得同时履行水利建设管理相关行政职责。

  1. 项目法人职责

项目法人对工程建设的质量、安全、进度和资金使用负首要责任,应承担以下主 要职责:

(1 )组织开展或协助水行政主管部门开展初步设计编制、报批等相关工作。

  1. 按照基本建设程序和批准的建设规模、内容,依据有关法律法规和技术标准 组织工程建设。
  2. 根据工程建设需要组建现场管理机构,任免其管理、技术及财务等重要岗位 负责人。
  3. 负责办理工程质量、安全监督及开工备案手续。
  4. 参与做好征地拆迁、移民安置工作,配合地方政府做好工程建设其他外部条 件落实等工作。
  5. 依法对工程项目的勘察、设计、监理、施工、咨询和材料、设备等组织招标 或采购,签订并严格履行有关合同。
  6. 组织施工图设计审查,按照有关规定履行设计变更的审查或审核与报相:工作。
  7. 负责监督检查现场管理机构和参建单位建设管理情况,包括工程质量、安全 生产、工期进度、资金支付、合同履约、农民工工资保障以及水土保持和环境保护措施 落实等情况。
  8. 负责组织设计交底工作,组织解决工程建设中的重大技术问题。
  9. 组织编制、审核、上报项目年度建设计划和资金预算,配合有关部门落实年 度工程建设资金,按时完成年度建设任务和投资计划,依法依规管理和使用建设资金。
  10. 负责组织编制、审核、上报在建工程度汛方案和应急预案,落实安全度汛措 _施_组织应急预案演练对在建工程安全度汛负责。
  11. 组织或参与工程及有关专项验收工作。
  12. 负责组织编制竣工财务决算,做好资产移交相关工作。
  13. 负责工程档案资料的管理,包括对各参建单位相关档案资料的收集、整理、 归档工作进行监督、检查。
  14. 负责开展项目信息管理和参建各方信用信息管理相关工作。
  15. 接受并配合有关部门开展的审计、稽察、巡查等各类监督检查,组织落实整 改要求。
  16. 法律法规规定的职责及应当履行的其他职责。
  17. 协调机制

县级以上人民政府可根据工作需要建立工程建设工作协调机制,加强对水利工程 建设的组织领导,协调落实工程建设地方资金和征地拆迁、移民安置等工程建设相关的 重要事项,为项目法人履职创造良好的外部条件。

  1. 项目法人基本条件

水利工程建设项目法人应具备以下基本条件:

  1. 具有独立法人资格,能够承担与其职责相适应的法律责任。
  2. 具备与工程规模和技术复杂程度相适应的组织机构,一般可设置工程技术、计 划合同、质量安全、财务、综合等内设机构。
  3. 总人数应满足工程建设管理需要大、中、小型工程人数一般按照不少于30、 12、6人配备其中工程专业技术人员原则上不少于总人数的50%。
  4. 项目法人的主要负责人、技术负责人和财务负责人应具备相应的管理能力和 工程建设管理经验。其中,技术负责人应为专职人员,有从事类似水利工程建设管理的 工作经历和经验,能够独立处理工程建设中的专业问题,并具备与工程建设相适应的专 业技术职称。大型水利工程和坝高大于70m的水库工程项目法人、技术负责人应具备 水利或相关专业高级职称或执业资格,其他水利工程项目法人技术负责人应具备水利或 相关专业中级以上职称或执业资格。

(5 )水利工程建设期间,项目法人主要管理人员应保持相对稳定。

  1. 社会资源利用

不能按照基本条件组建项目法人的,应通过委托代建、项目管理总承包、全过程 咨询等方式,引人符合相关要求的社会专业技术力量,协助项目法人履行相应管理职 责。代建、项目管理总承包和全过程咨询单位,如具备相应监理资质和能力,可依法承 担监理业务。代建、项目管理总承包和全过程咨询单位,按照合同约定承担相应职责, 不替代项目法人的责任和义务。

  1. 招标投标制

招标投标制是指通过招标投标的方式,选择水利工程建设的勘察设计、施工、监 理、材料设备供应等单位。

1 )水利工程建设项目重要设备、材料采购招标投标的要求

为了规范水利工程建设项目重要设备、材料采购管理招标投标活动,根据《水利工 程建设项目招标投标管理规定》水利部令第14号和国家有关规定结合水牙ύ工程建 设特点水利部于2002年颁发并实施《水利工程建设项目重要设备材料采购招标投标 管理办法》水建管2002585号现已废止。水利工程重要设备、材料的招标投 标工作按照《工程建设项目货物招标投标办法》2005年3月1日起施行国家发展和 改革委员会、建设部、铁道部、交通部、信息产业部、水利部、民用航空总局令第27 号执行。该办法于2013年3月11 Η,根据国家发展和改革委员会、工业和信息化部、 财政部等令第23号进行了修订。

1 )水利工程建设项目重要设备、材料等货物的特别定义

水利工程建设项目重要设备、材料等货物的采购,是指项目重要设备、材料的一 次性采购。

与水利工程建设项目有关的重要设备通常有以下几类:

  1. 直接用于项目永久性工程的机电设备、自动化设备、金属结构及设备、试验设 备、原型观测和测量仪器设备等。
  2. 使用项目资金购置的用于本项目施工的各种施工设备、施工机械和施工车辆等。
  3. 使用项目资金购置的服务于本项目的办公设备、通信设备、电气设备、医疗设 备、环保设备、交通运输车辆和生活设施设备等。

重要材料是指构成永久工程的重要材料,如钢材、水泥、粉煤灰、硅粉、抗磨材 料等;用于项目数量大的消耗材料,如油品、木材、民用爆破材料等。

2 施工、设计和监理单位使用项目资金采购重要设备、材料时,按照与项目法 人签订的合同办理。

3 项目法人重要设备、材料等货物采购招标投标的基本要求

项目法人重要设备、材料等货物采购是工程货物招标中最重要的活动,需遵守《水 利工程建设项目招标投标管理规定》水利部令第14号有关招标投标的范围、标 准、程序要求。针对重要设备、材料招标中具体特点,项目法人重要设备、材料等货 物采购招标还需满足相关条件。水利工程建设项目的重要设备、材料招标应当具备的 条件:

  1. 初步设计已经批准。
  2. 重要设备、材料技术经济指标已基本确定。
  3. 重要设备、材料所需资金已落实。

根据有关规定,招标人对项目实行总承包招标时,未包括在总承包范围内的货物 达到国家规定规模标准的,应当由招标人依法组织招标。招标人对项目实行总承包招标 时,以暂估价形式包括在总承包范围内的货物达到国家规定规模标准的,应当由总承包 中标人和招标人共同依法组织招标。双方当事人的风险和责任承担由合同约定。

4 )资格审查注意事项

招标人对投标人进行资格审查时应注意:

  1. 投标人必须是生产企业、成套设备供应商、经销企业或企业联合体,投标人必 须具有承担招标文件规定的设备、材料质量责任的能力。
  2. 采购重要的水利专用设备时,投标人必须有水利行业主管部门颁发的资质证书 或生产使用许可证《国务院关于取消一批行政许可事项的决定》国发2017

46号取消水利±程启闭机使用许可证核发。水利部《水利工程启闭机使用许可管理 办法》水利部令第41号废止。

  1. 法定代表人为同一个人的两个及两个以上法人,母公司、全资子公司及其控股 公司,都不得在同一货物招标中同时投标。
  2. 一个制造商对同一品牌同一型号的货物,仅能委托一个代理商参加投标,否则 应作无效标处理。

5 )评标要求

技术简单或技术规格、性能、制作工艺要求统一的货物,一般采用经评审的最低 投标价法进行评标。:技术复杂或技术规格、性能、制作工艺要求难以统一的货物,一般 采用综合评估法进行评标。最低投标价不得低于成本。

必须审批的工程建设项目,货物合同价格应当控制在批准的概算投资范围内;确 需超出范围的,应当在中标合同签订前,报原项目审批部门审查同意。项目审批部门应 当根据招标的实际情况,及时作出批准或者不予批准的决定;项目审批部门不予批准 的,招标人应当自行平衡超出的概算。

6水行政主管部门对水利工程建设项目中所包括的货物招标投标活动实施监督 依法查处货物招标投标活动中的违法行为。

2 水利工程勘察设计招标投标的要求

水利工程勘察设计招标投标按照《工程建设项目勘察设计招标投标办法》(国家发 展和改革委员会、工业和信息化部、财政部等令第23号有关要求开展。水利部《水 利工程建设项目勘察设计招标投标管理办法》水总2004511号已经被水 利部办公厅《水利部关于废止有关文件的通知》水办2022117号废止。

3 电子招标的要求

根据《中华人民共和国招标投标法》及其实施条例2013年2月4日国家发展 和改革委员会、工业和信息化部、监察部、住房和城乡建设部、交通运输部、铁道部、 水利部、商务部八部委发布《电子招标投标办法》(中华人民共和国国家发展和改革委 员会等八部委令第20号

电子招标投标活动是指以数据电文形式,依托电子招标投标系统完成的全部或者 部分招标投标交易、公共服务和行政监督活动。数据电文形式与纸质形式的招标投标活 动具有同等法律效力。电子招标投标系统根据功能的不同,分为交易平台、公共服务平 台和行政监督平台。电子招标的要求包括:

1 电子招标投标交易平台应当允许社会公众、市场主体免费注册登录和获取依 法公开的招标投标信息,为招标投标活动当事人、行政监督部门和监察机关按各自职责 和注册权限登录使用交易平台提供必要条件。

2 电子招标投标交易平台运营机构不得以任何手段限制或者排斥潜在投标人,不 得泄露依法应当保密的信息,不得弄虚作假、串通投标或者为弄虚作假、串通投标提供 便利。

3 电子招标投标交易平台运营机构不得以技术和数据接口配套为由,要求潜在 投标人购买指定的工具软件。

4 除《电子招标投标办法》和技术规范规定的注册登记外,任何单位和个人不

得在招标投标活动中设置注册登记、投标报名等前置条件限制潜在投标人下载资格预审 文件或者招标文件。

  1. 在投标截止时间前,电子招标投标交易平台运营机构不得向招标人或者其委 托的招标代理机构以外的任何单位和个人泄露下载资格预审文件、招标文件的潜在投标 人名称、数量以及可能影响公平竞争的其他信息。
  2. 招标人对资格预审文件、招标文件进行澄清或者修改的,应当通过电子招标 投标交易平台以醒目的方式公告澄清或者修改的内容,并以有效方式通知所有已下载资 格预审文件或者招标文件的潜在投标人。
  3. 电子投标的主要管理要求

(1 )使用电子招标投标的,投标人应当通过招标公告或者投标邀请书载明的电子 招标投标交易平台递交数据电文形式的资格预审申请文件或者投标文件。

(2)电子招标投标交易平台的运营机构,以及与该机构有控股或者管理关系可能 影响招标公正性的任何单位和个人,不得在该交易平台进行的招标项目中投杨和代理 投标。

(3 )投标人应当在招标公告或者投标邀请书载明的电子招标投标交易平台注册登 记,如实递交有关信息,并经电子招标投标交易平台运营机构验证。

  1. 电子招标投标交易平台应当允许投标人离线编制投标文件,并且具备分段或 者整体加密、解密功能。

(5 )投标人应当按照招标文件和电子招标投标交易平台的要求编制并加密投标文 件。投标人未按规定加密的投标文件,电子招标投标交易平台应当拒收并提示。

  1. 投标人应当在投标截止时间前完成投标文件的传输递交,并可以补充、修改 或者撤回投标文件。投标截止时间前未完成投标文件传输的,视为撤回投标文件。投标 截止时间后送达的投标文件,电子招标投标交易平台应当拒收。
  2. 电子招标投标交易平台收到投标人送达的投标文件,应当即时向投标人发出 确认回执通知,并妥善保存投标文件。在投标截止时间前,除投标人补充、修改或者撤 回投标文件外,任何单位和个人不得解密、提取投标文件。
  3. 电子开标的主要管理要求

电子开标应当按照招标文件确定的时间,在电子招标投标交易平台上公开进行, 所有投标人均应当准时在线参加开标。开标时,电子招标投标交易平台自动提取所有投 标文件,提示招标人和投标人按招标文件规定方式按时在线解密。解密全部完成后,应 当向所有投标人公布投标人名称、投标价格和招标文件规定的其他内容。

因投标人原因造成投标文件未解密的,视为撤销其投标文件;因投标人之外的原 因造成投标文件未解密的,视为撤回其投标文件,投标人有权要求责任方赔偿因此遭受 的直接损失。部分投标文件未解密的,其他投标文件的开标可以继续进行。

招标人可以在招标文件中明确投标文件解密失败的补救方案,投标文件应按照招 标文件的要求作出响应。

电子招标投标交易平台应当生成开标记录并向社会公众公布,但依法应当保密的 除外。

6 电子评标的主要管理要求

电子评标下,评标应当在有效监控和保密的环境下在线进行。

根据国家规定应当进人依法设立的招标投标交易场所的招标项目,评标委员会成 员应当在依法设立的招标投标交易场所登录招标项目所使用的电子招标投标交易平台进 行评标。评标中需要投标人对投标文件澄清或者说明的,招标人和投标人应当通过电子 招标投标交易平台交换数据电文。·

投标人或者其他利害关系人依法对招标文件、开标和评标结果提出异议,以及招 标人答复,均应当通过电子招标投标交易平台进行。

7 规范招标投标主体行为

根据国家发展和改革委员会、工业和信息化部、公安部、住房和城乡建设部、交通 运输部、水利部、农业农村部、商务部、审计署、广电总局、国家能源局、国家铁路 局、民航局联合颁布的《关于严格执行招标投标法规制度进一步规范招标投标主体行 为的若干意见》发改法规规20221117号对规范招标投标主体行为提出了如下 要求:

1 )强化招标人主体责任

  1. 依法落实招标自主权。任何单位和个人不得以任何方式为招标人指定招标代理 机构,不得违法限定招标人选择招标代理机构的方式,不得强制具有自行招标能力的招 标人委托招标代理机构办理招标事宜。任何单位不得设定没有法律、行政法规依据的招 标文件审查等前置审批或审核环节。对实行电子招标投标的项目,取消招标文件备案或 者实行网上办理。
  2. 严格执行强制招标制度。不得以支解发包、化整为零、招小送大、设定不合理 的暂估价或者通过虚构涉密项目、应急项目等形式规避招标;不得以战略合作、招商引 资等理由搞“明招暗定” “先建后招”的虚假招标;不得通过集体决策、会议纪要、函 复意见、备忘录等方式将依法必须招标项目转为采用谈判、询比、竞价或者直接采购等 非招标方式。对于涉及应急抢险救灾、疫情防控等紧急情况,以及重大工程建设项目经 批准增加的少量建设内容,可以按照《中华人民共和国招标投标法》第六十六条和《中 华人民共和国招标投标法实施条例》第九条规定不进行招标,同时强化项目单位在资金 使用、质量安全等方面的责任。不得随意改变法定招标程序;不得采用抽签、摇号、抓 阄等违规方式直接选择投标人、中标候选人或中标人。除交易平台暂不具备条件等特殊 情形外,依法必须招标项目应当实行全流程电子化交易。
  3. 规范招标文件编制和发布。依法必须招标项目的招标文件,应当使用国家规定 的标准文本。招标文件中资质、业绩等投标人资格条件要求和评标标准应当以符合项目 具体特点和满足实际需要为限度审慎设置,不得通过设置不合理条件排斥或者限制潜在 投标人。依法必须招标项目不得提出注册地址、所有制性质、市场占有率、特定行政区 域或者特定行业业绩、取得非强制资质认证、设立本地分支机构、本地缴纳税收社保等 要求,不得套用特定生产供应者的条件设定投标人资格、技术、商务条件。简化投标文 件形式要求,一般不得将装订、纸张、明显的文字错误等列为否决投标情形。鼓励参 照《公平竞争审查制度实施细则》,建立依法必须招标项目招标文件公平竞争审查机制。 鼓励建立依法必须招标项目招标文件公示或公开制度。严禁设置投标报名等没有法律法 规依据的前置环节。
  4. 规范招标人代表条件和行为。招标人应当选派或者委托责任心强、熟悉业务、 公道正派的人员作为招标人代表参加评标,并遵守利益冲突回避原则。严禁招标人代表 私下接触投标人、潜在投标人、评标专家或相关利害关系人;严禁在评标过程中发表带 有倾向性、误导性的言论或者暗示性的意见建议,干扰或影响其他评标委员会成员公正 独立评标。招标人代表发现其他评标委员会成员不按照招标文件规定的评标标准和方法 评标的,应当及时提醒、劝阻并向有关招标投标行政监督部门报告。
  5. 加强评标报告审查。招标人应当在中标候选人公示前认真审查评标委员会提交 的书面评标报告,发现异常情形的,依照法定程序进行复核,确认存在问题的,依照法 定程序予以纠正。重点关注评标委员会是否按照招标文件规定的评标标准和方法进行评 标;是否存在对客观评审因素评分不一致,或者评分畸高、畸低现象;是否对可能低于 成本或者影响履约的异常低价投标和严重不平衡报价进行分析研判;是否依法通知投标 人进行澄清、说明;是否存在随意否决投标的情况。加大评标情况公开力度,积极推进 评分情况向社会公开、投标文件被否决原因向投标人公开。
  6. 畅通异议渠道。招标人是异议处理的责任主体,在招标公告和公示信肩、中公布 受理异议的联系人和联系方式,在法定时限内答复和处理异议。不得故意拖延、敷衍, 无故回避实质性答复,或者在作出答复前继续进行招标投标活动。
  7. 落实合同履约管理责任。依法必须招标项目的招标人应当按照《公共资源交易 领域基层政务公开标准指引》要求,及时主动公开合同订立信息,并积极推进合同履行 及变更信息公开。

(2 )加强评标专家管理

  1. 严肃评标纪律。评标专家与投标人有利害关系的,应当主动提出回避;不得对 其他评标委员会成员的独立评审施加不当影响;不得私下接触投标人,不得收受投标 人、中介人、其他利害关系人的财物或者其他好处,不得接受任何单位或者个人明示或 者暗示提出的向或者排斥特定投标人的要求;不得透露评标委员会成员身份和评标项 目;不得透露对投标文件的评审和比较、中标候选人的推荐情况、在评标过程中知悉的 国家秘密和商业秘密以及与评标有关的其他情况;不得故意拖延评标时间,或者敷衍塞 责随意评标;不得在合法的评标劳务费之外额外索取、接受报酬或者其他好处;严禁组 建或者加人可能影响公正评标的微信群、QQ群等网络通信群组。
  2. 提高评标质量。发现招标文件内容违反有关强制性规定或者招标文件存在歧义、 重大缺陷导致评标无法进行时,应当停止评标并向招标人说明情况;发现投标文件中含 义不明确、对同类问题表述不一致、有明显文字和计算错误、投标报价可能低于成本影 响履约的,应当先请投标人做必要的澄清、说明,不得直接否决投标;有效投标不足三 个的,应当对投标是否明显缺乏竞争和是否需要否决全部投标进行充分论证,并在评标 报告中记载论证过程和结果;发现违法行为的,以及评标过程和结果受到非法影响或者 干预的,应当及时向行政监督部门报告。
  3. 严格规范和优化评标组织方式。评标场所应当封闭运行,配备专门装置设备, 严禁评标期间评标委员会成员与外界的一切非正常接触和联系,实现所有人员的语言、 行为、活动轨迹全过程可跟踪、可回溯。
  4. 建设监理制

水利工程建设监理是指具有相应资质的水利工程建设监理单位,受项目法人(或建 设单位)委托,按照监理合同对水利工程建设项目实施中的质量、进度、资金、安全生 产、环境保护等进行的管理活动,包括水利工程施工监理、水土保持工程施工监理、机 电及金属结构设备制造监理、水利工程建设环境保护监理。

水利工程建设项目依法实行建设监理。总投资200万元以上且符合下列条件之一 的水利工程建设项目,必须实行建设监理:

1 )关系社会公共利益或者公共安全的。

2 使用国有资金投资或者国家融资的。

3 使用外国政府或者国际组织贷款、援助资金的。

铁路、公路、城镇建设、矿山、电力、石油天然气、建材等开发建设项目的配套 水土保持工程,符合规定条件的,应当开展水土保持工程施工监理。

  1. 代建制

根据《中共中央国务院关于加快水利改革发展的决定》《国务院关于投资体制改革 的决定》国发200420号等有关规定发布了《水利部关于印发水利工程建设项 目代建制管理指导意见的通知》水建管201591号在水利建设项目特别是基层 中小型项目中推行代建制等新型建设管理模式,发挥市场机制作用,增强基层管理力 量,实现专业化的项目管理。

水利工程建设项目代建制,是指政府投资的水利工程建设项目通过招标等方式, 选择具有水利工程建设管理经验、技术和能力的专业化项目建设管理单位(以下简称代 建单位),负责项目的建设实施,竣工验收后移交运行管理单位的制度。

水利工程建设项目代建制为建设实施代建,代建单位对水利工程建设项目施工准 备至竣工验收的建设实施过程进行管理。代建单位按照合同约定,履行工程代建相关职 责,对代建项目的工程质量、安全、进度和资金管理负责。地方政府负责协调落实地方 配套资金和征地移民等工作,为工程建设创造良好的外部环境。

1 代建单位应具备的条件

1 )代建单位具有独立的事业或企业法人资格。

2代建单位具有满足代建项目规模等级要求的水利工程勘测设计、咨询、施工 总承包一项或多项资质以及相应的业绩;或者是由政府专门设立(或授权)的水利工程 建设管理机构并具有同等规模等级项目的建设管理业绩;或者是承担过大型水利工程项 目法人职责的单位。

3 )代建单位具有与代建管理相适应的组织机构、管理能力、专业技术与管理人员。 近3年在承接的各类建设项目中发生过较大以上质量、安全责任事故或者有其他严 重违法、违纪和违约等不良行为记录的单位不得承担项目代建业务。

2 代建单位的确定

拟实施代建制的项目应在可行性研究报告中提出实行代建制管理的方案,经批复 后在施工准备前选定代建单位。代建单位由项目主管部门或项目法人(以下简称项目管 理单位)负责选定。招标选择代建单位应严格执行招标投标相关法律法规,并进人公共 资源交易市场交易。不具备招标条件的,经项目主管部门同级政府批准,可采取其他方

式选择代建单位。

代建单位确定后,项目管理单位应与代建单位依法签订代建合同。代建合同内容 应包括项目建设规模、内容、标准、质量、工期、投资和代建费用等控制指标,明确双 方的责任、权利、义务、奖惩等法律关系及违约责任的认定与处理方式。代建合同应报 项目管理单位上级水行政主管部门备案。

代建单位不得将所承担的项目代建工作转包或分包。代建单位可根据代建合同约 定,对项目的勘察、设计、监理、施工和设备、材料采购等依法组织招标,不得以代建 为理由规避招标。代建单位(包括与其有隶属关系或股权关系的单位)不得承担代建项 目的施工以及设备、材料供应等工作。

  1. 项目管理单位的主要职责

(1 )选定代建单位,并与代建单位签订代建合同。

  1. 落实建设资金,配合地方政府做好征地、移民、施工环境等相关工作。
  2. 监督检查工程建设的质量、安全、进度和资金使用管理情况,并协助做好上 级有关部门(单位)的稽察、检查、审计等工作。

(4 )协调做好项目重大设计变更、概算调整相关文件编报工作。

  1. 组织或参与工程阶段验收、专项验收和竣工验收。
  2. 代建合同约定的其他职责。
  3. 代建单位的主要职贵
  4. 根据代建合同约定,组织项目招标投标,择优选择勘察设计、监理、施工单 位和设备、材料供应商;负责项目实施过程中各项合同的洽谈与签订工作,对所签订的 合同实行全过程管理。
  5. 组织项目实施,抓好项目建设管理,对建设工期、施工质量、安全生产和资 金管理等负责,依法承担项目建设单位的质量责任和安全生产责任。
  6. 组织项目设计变更、概算调整相关文件编报工作。
  7. 组织编报项目年度实施计划和资金使用计划,并定期向项目管理单位报送工 程进度、质量、安全以及资金使用等情况。
  8. 配合做好上级有关部门(单位)的稽察、检查、审计等工作。
  9. 按照验收相关规定,组织项目分部工程、单位工程、合同工程验收;组织参 建单位做好项目阶段验收、专项验收、竣工验收各项准备工作;按照基本建设财务管理 相关规定,编报项目竣工财务决算。竣工验收后及时办理资产移交和竣工财务决算审批 手续。

(7 )代建合同约定的其他职责。

代建项目资金管理要严格执行国家有关法律法规和基本建设财务管理制度,落实 《关于印发〈基本建设项目建设成本管理规定〉的通知》(财建2016504号)的有关 要求。

代建管理费要与代建单位的代建内容、代建绩效挂钩,计人项目建设成本,在工 程概算中列支。代建管理费由代建单位提出申请,由项目管理单位审核后,按项目实施 进度和合同约定分期拨付。代建项目实施完成并通过竣工验收后,经竣工决算审计确 认,决算投资较代建合同约定项目投资有结余,按照财政部门相关规定,从项目结余资金中提取一定比例奖励代建单位。

  1. 政府和社会资本合作PPP )模式

1 应用范围

根据《基础设施和公用事业特许经营管理办法》(国家发展和改革委员会、财政 部、住房和城乡建设部、交通运输部、水利部、中国人民银行令第17号以下简称 《特许经营管理办法》),基础设施和公用事业特许经营,是指政府采用公开竞争方式 依法选择中华人民共和国境内外的法人或者其他组织作为特许经营者,通过协议明确 权利义务和风险分担,约定其在一定期限和范围内投资建设运营基础设施和公用事业 并获得收益,提供公共产品或者公共服务。商业特许经营以及不涉及产权移交环节的 公建民营、公办民营等,不属于《特许经营管理办法》所称基础设施和公用事业特许 经营。

基础设施和公用事业特许经营是基于使用者付费的政府和社会资本合作PPP )模 式,政府就项目投资建设运营与社会资本开展合作,不新设行政许可。特许经营者获得 协议约定期限内对特定基础设施和公用事业项目进行投资建设运营并取得收益的排他性 权利,同时应当按照协议约定提供符合质量效率要求的公共产品或者公共服务,并依法 接受监督管理。政府鼓励并支持特许经营者提升效率、降低成本,增进社会公众福祉, 禁止无法律法规依据擅自增设行政许可事项以及通过前述擅自增设的行政许可事项向特 许经营者收费,增加公共产品或者公共服务成本。禁止以基础设施和公用事业特许经营 名义滥用行政权力排除、限制竞争。

2 付费渠道及经营期限

根据《特许经营管理办法》,使用者付费包括特许经营者直接向用户收费,以及由 政府或其依法授权机构代为向用户收费。政府可以在严防新增地方政府隐性债务、符合 法律法规和有关政策规定要求的前提下,按照一视同仁的原则,在项目建设期对使用者 付费项目给予政府投资支持;政府付费只能按规定补贴运营,不能补贴建设成本。除此 之外,不得通过可行性缺口补助、承诺保底收益率、可用性付费等任何方式使用财政资 金弥补项目建设投资和运营成本。将专项债券用作项目资本金的,应当按照国家关于资 本金管理的规定和专项债券有关规定执行。

基础设施和公用事业特许经营期限应当根据行业特点、所提供公共产品或服务需 求、项目生命周期、项目建设投资和运营成本、投资回收期等综合因素确定,充分保障 特许经营者合法权益。特许经营期限原则上不超过40年投资规模大、回报周期长的 特许经营项目可以根据实际情况适当延长,法律法规另有规定的除外。

3 实施机构

根据《特许经营管理办法》,地方各级人民政府应当规范推进本级政府事权范围内 的特许经营项目,依法依规授权有关行业主管部门、事业单位等作为基础设施和公用事 业特许经营项目实施机构(以下简称实施机构),负责特许经营项目筹备、实施及监管, 并明确其授权内容和范围。

实施机构根据授权,参照可行性研究报吿编写规范,牵头编制特许经营方案。特 许经营期限拟超过40年的应当在特许经营方案中充分论证并随特许经营方案一并报 请批准。实施机构根据经审定的特许经营方案,应当通过招标、谈判等公开竞争方式选择特许经营者。实施机构应当与依法选定的特许经营者签订特许经营协议。

4 实施方式

根据《国务院办公厅转发国家发展和改革委员会、财政部〈关于规范实施政府和社 会资本合作新机制的指导意见〉的通知》国办函2023115号以下简称《指导意 见》),政府和社会资本合作应全部采取特许经营模式实施,根据项目实际情兄,合理 采用建设一运营一移交BOT、转让一运营一移交TOT,改建一运营一移交ROT、 建设一拥有一运营一移交BOOT、设计一建设一融资一运营一移交DBF0T )等具 体实施方式,并在合同中明确约定建设和运营期间的资产权属,清晰界定各方·权责利 关系。

在特许经营协议有效期内,如确需变更协议内容,协议当事人应在协商一致的基 础上依法签订补充协议。特许经营期限届满或提前终止的,应按协议约定依法农规做好 移交或退出工作严禁以提前终止为由将特许经营转变为通过建设一移交BT模式 变相举债;拟继续采取特许经营模式的,应按规定重新选择特许经营者,同等条件下可 优先选择原特许经营者。特许经营期限内因改扩建等原因需重新选择特许经营者的,同 等条件下可优先选择原特许经营者。

5 水利特许经营项目

根据《指导意见》所附《支持民营企业参与的特许经营新建(含改扩建)项目清单 2023年版将特许经营项目分为以下三类

1 )应由民营企业独资或控股的项目。无水利领域项目。

2 民营企业股权占比原则上不低于35%的项目。水利领域系指具有发电功能的 小型水利项目。

3 积极创造条件、支持民营企业参与的项目。水利领域系指具有发电功能的大 中型水利项目。

  1. 水利建设市场主体信用评价

根据《水利部关于印发水利建设市场主体信用评价管理办法的通知》水建设2019 307号建立健全以信用为基础的新型水利建设市场监管体制机制。

1 )信用评价

信用评价,是指依据有关法律法规和水利建设市场主体信用信息,按照规定的标 准、程序和方法,对自愿提出申请的水利建设市场主体的信用状况进行行业评价,结合 水行政主管部门的动态监管结果,确定其信用等级并向社会公开的活动。水利建设市场 主体,是指参与水利建设的勘察、设计、施工、监理、咨询、招标代理、质量检测、机 械制造等单位。

水利建设市场主体信用评价遵循政府指导监管、统一评价、行业自律、自愿参与、 信息共享、社会监督的原则,维护水利建设市场主体合法权益,保守国家秘密和工作秘 密,保护商业秘密和个人隐私。

2信用评价工作的管理

国务院水行政主管部门指导和监督全国信用评价工作,组织制定统一的水利建设 市场主体信用评价标准,并负责对信用评价机构实施监督管理。

流域管理机构、省级水行政主管部门分别负责组织其管辖范围内项目法人对水利建设市场主体的市场行为评价工作。

信用评价机构按照法律法规,根据评价标准,组织开展水利建设市场主体信用评 价具体工作,在全国水利建设市场监管服务平台公开评价结果,对评价结果负责。信用 评价机构,是指经国务院水行政主管部门备案登记,依法依规开展水利建设市场主体信 用评价工作的全国性社会团体2023年度是中国水利工程协会、中国水利水电勘测设 计协会、中国水利企业协会)。

3 评价标准

水利建设市场主体信用评价标准指标包括静态指标和动态指标。水利建设市场主 体信用评价采用静态指标和动态指标综合评分的方法。动态指标按照《水利建设市场经 营主体信用信息管理办法》执行。

水利建设市场主体信用等级分为AAA、AA、A、B和C三等五级各信用等级对 应的综合得分又分别为:

AAA级90分<X<100分信用很好

AA级80分彡义<90分信用良好

A级70分彡X<80分信用较好

B_级:_60分70分信用一般

C级X< 60分信用较差。

4 评价程序

信用评价工作原则上每年开展1次。评价结果公开后进人动态管理阶段。

申请信用评价的水利建设市场主体具有多项主体资格的可以同时申请2项或者2 项以上类型的信用评价。

信用评价机构负责开展信用评价具体工作,提出信用评价结果,应将水利建设市 场主体信用评价结果进行公示接受社会监督公示期为7个工作日。对信用评价结果 有异议的水利建设市场主体、单位或个人,应在公示期内,以书面形式向信用评价机构 提出复核申请或异议说明理由并提供相关证明材料。信用评价机构应在15个工作曰 内对提出的申请或异议完成复核,并将复核结果予以回复。

水利建设市场主体信用等级有效期为3年。期满前水利建设市场主体应重新申 请信用评价,原信用等级逾期作废。有效期内信用等级发生变化的,以最新信用等级 为准。

5 动态管理

信用评价工作实行动态管理。水利建设市场主体取得信用等级后,即进入动态管 理阶段。信用评价机构依据《水利建设市场经营主体信用信息管理办法》,及时对水利 建设市场主体不良行为记录进行动态量化扣分,核定信用等级。

水利建设市场主体在不良行为记录信息公开期满或有关部门对不良行为记录信息 予以撤销后,由信用评价机构取消相应扣分,动态核定信用等级。

被列人“黑名单”的水利建设市场主体信用评价实行一票否决制,取消其信用 等级。

在“黑名单”公开期限内,不受理其信用评价申请。

水利建设市场主体取得信用等级满1年后可申请信用等级升级。

  1. 水利建设市场经营主体信用信息管理

根据《水利建设市场经营主体信用信息管理办法》(水建设2024201号)以及《水 利部关于做好水利建设市场经营主体信用修复工作的通知》(水建设2025192号) 信用信息,是指县级以上水行政主管部门和其他国家机关以及法律、法规授权白勺具有管 理公共事务职能的组织在履行法定职责、提供公共服务过程中,产生和获取的用以识 别、分析、判断水利建设市场经营主体信用状况的信息;信用信息修复,是指水利建设 市场经营主体因失信行为受到一定期限约束,在履行法定义务、纠正失信行为后向处罚 机关提出申请,由处罚机关按规定审核同意后,通过采取终止公示行政处罚信息等方 式,帮助其解除失信惩戒措施限制、恢复信用的活动。

1 )信用信息管理原则和责任

水利建设市场经营主体信用信息管理遵循依法依规、保护权益、公平公正、审慎 适度、协同联动的原则,坚持“谁产生、谁提供、谁负责” “谁使用、谁管理、谁负 责” “谁认定、谁修复、谁负责”,保障信用信息全面归集、按需共享、合规使用、高 效修复、安全存储,确保信用信息的真实性、准确性、完整性和一致性。各级水行政主 管部门按各自职责范围负责推进、指导、协调、监督水利建设市场经营主体信用信息管 理工作。

国务院水行政主管部门建立的全国水利建设市场监管平台是全国水利建设市场经 营主体信用信息归集、共享、公示、应用和修复的统一平台。与“信用中国”网站(网 址http://www.creditchina.gov.cn )已完成对接数据交换时间为每日18时。全国水利 建设市场监管平台公示的行政处罚信息,同步推送至“信用中国”网站予以公示。

2)信用信息归集与共享

(1 )信息纳人范围。水利建设市场经营主体信用信息纳人范围执行《全国公共信 用信息基础目录》。地方水利建设市场经营主体信用信息纳入范围还应执行地方公共信 用信息补充目录。

除法律、法规或党中央、国务院政策文件另有规定外,县级以上水行政主管部门 根据履行职责需要在《全国公共信用信息基础目录》以及地方公共信用信息补充目录所 列范围之外采集的信息,不得作为水利建设市场经营主体信用信息使用。

  1. 信息分类。水利建设市场经营主体信用信息分为基础登记信息、行攻管理信 息、运营信息、社会评价信息和其他信息。

基础登记信息包括具有法人资格的单位的主体识别信息、高层管理人员信息等, 相关从业人员的身份识别信息、职称和职业信息等。

行政管理信息包括行政许可信息、行政处罚信息、行政监督检查信息、行政奖励 信息、司法信息、严重失信主体名单信息等,其中行政处罚信息、严重失信主体名单信 息等统称失信信息,分为轻微失信信息、一般失信信息、严重失信信息。

运营信息包括工程业绩信息、管理体系评定信息、设备设施信息、税务缴έ内信息、 知识产权信息、资质认定信息等。

社会评价信息包括信用评价结果信息等。

其他信息包括信用修复信息、信用承诺信息等。

  1. 信息归集。全国水利监管平台按照信用信息分类,通过水利建设市场经营主体填报、部门信息共享等方式,全面归集水利建设市场经营主体信用信息,不得归集涉 及国家秘密的信用信息。

水利建设市场经营主体应在全国水利监管平台依法依规自行填报基础登记信息、 运营信息以及行政奖励信息等信用信息,上传相关证明材料,对信用信息以及证明材料 的真实性、准确性、完整性、及时性负责;不得填报涉及国家秘密的信用信息,不得上 传涉及国家秘密的相关证明材料。国务院水行政主管部门根据工作需要,可组织核查工 程业绩信息、行政奖励信息等重要信用信息。

  1. 信息录入及失信等级。县级以上水行政主管部门和流域管理机构对水利建设 市场经营主体作出行政处罚应自作出相关决定之日起7个工作日内在全国水利监管平 台录人相关信息;在行政监督检查等工作中,对水利建设市场经营主体作出约谈、情况 通报、建议解除合同等处理的自作出相关处理之日起7个工作日内在全国水利监管平 台录人相关信息。失信信息类型、行政处罚种类及公示期见表9.3-1。

表9.3-1失信信息类型、行政处罚种类及公示期

失信信息类型 行政处罚种类 最短公示期 最长公示期
轻微失信信息 1. 警告;
2. 通报批评;
3. 以简易程序作出的罚款
3个月
一般失信信息 1. 以普通程序作出的罚款;
2. 没收违法所得;
3. 没收非法财物;
4. 暂扣许可证件
3个月 1年
严重失信信息 1. 吊销许可证件;
2. 降低资质等级;
3. 贵令关闭;
4. 责令停产停业;
5. 限制开展生产经营活动;
6. 限制从业;
7. 不得申请行政许可
1年 3年

1.在轻微失信信息的行政处罚信息中,警告和以简易程序作出的罚款行政处罚信息不予公示,通报批 评行政处罚信息予以公示。

2.法律、行政法规对相关失信信息公示期另有规定的,从其规定。

3)信用信息公示

  1. 公示原则。公示水利建设市场经营主体信用信息,应坚持合法、客观、及时、 规范、必要的原则,遵守法律、法规关于国家秘密、商业秘密和个人信息保护的有关规 定,并进行必要的技术处理。
  2. 信息公示。全国水利监管平台对所归集的以下信用信息不予公示:
  3. 行政监督检查信息。
  4. 属于轻微失信信息的行政处罚信息。
  5. 对个人作出的行政处罚信息原则上不予公示。
  6. 涉及国家秘密或者法律、法规禁止公示的信息,以及公示后可能危及国家安全、 公共安全、经济安全、社会稳定的信息。
  7. 司法裁判及其执行类信息,其他部门认定的失信信息,以及水行政主管部门业 务领域之外的信用信息等。

除前面规定不予公示的信用信息外,全国水利监管平台对所归集的信用信息及时 予以公示,并将相关信用信息通过“信用中国”网站公示或提供公开查询服务。同一行 政处罚决定涉及多种处罚类型,且包含前面规定以外的处罚的,予以公示。

  1. 信息查看。县级以上水行政主管部门和流域管理机构在登录全国水利监管平 台后,可查看不予公示的“行政监督检查信息”。水利建设市场经营主体在登录全国水 利监管平台后,可查看不予公示的“行政监督检查信息”且与其有关的信用信息。
  2. 公示内容。水利建设市场经营主体信用信息公示内容参照《全国公共信用信 息基础目录》等相关文件,主要包括水利建设市场经营主体名称、相关行为记录、记录 产生和提供部门信息、记录状态信息等。

行政处罚信息公示内容包括水利建设市场经营主体名称、行政处罚决定书文号、 违法行为类型、违法事实、处罚依据、处罚类别、处罚内容、处罚决定日期、公示截止 期、处罚机关等。

水利建设市场经营主体在登录全国水利监管平台后,可查看全国水利监管平台归 集的对其作出的行政处罚决定书以及约谈、情况通报、建议解除合同等行政处理文书。

  1. 公示期限。除行政处罚信息等之外(公示期见表9.3-1),水利建设市场经营 主体信用信息包含有效期的,公示期为有效期;未包含有效期的,公示期为长期。

水利建设市场经营主体对行政处罚决定不服,申请行政复议或提起行政诉讼的, 相关程序终结前,除行政复议机关或人民法院认定需要停止执行的,相关信肩、不停止 公示。

行政处罚决定被依法撤销或变更的原处罚机关应在7个工作日内在全国水利监管 平台录人相关信息。

  1. 信用信息应用
  2. 奖惩机制。县级以上水行政主管部门和有关单位及社会团体应依据法律、法 规或党中央、国务院政策文件,按照守信激励和失信惩戒的原则,建立健全信用奖惩机 制,在行政许可、招标投标、政府采购、日常监管、工程担保与保险、政策扶持、表彰 评优等工作中,积极应用水利建设市场经营主体信用信息,但不得以信用评价、信用评 分等方式变相设立招标投标交易壁垒,不得对各类经营主体区别对待,不得将特定行政 区域业绩、设立本地分支机构、本地缴纳税收社保等作为信用评价加分事项。
  3. 激励措施。对于信用状况良好的水利建设市场经营主体,县级以上水行政主 管部门可结合实际情况,在法定权限范围内采取以下激励措施:
  4. 在水利建设领域行政许可等政务服务时,提供优先或加快办理、容缺受理、简 化程序等便利措施。
  5. 在水利建设监督检查时,合理降低检查比例和频次。
  6. 在实施水利建设领域优惠政策措施时,同等条件下列为优先选择对象。
  7. 在水利建设领域评先评优时,同等条件下优先考虑。
  8. 在水利建设项目招标投标、工程发包和市场交易时,鼓励招标人和项目法人 在同等条件下优先考虑,给予投标、履约、质量保证金减免、提高工程预付款比例等优惠。
  9. 法律、法规规定的其他激励措施。
  10. 惩戒措施。县级以上水行政主管部门对水利建设市场经营主体实施失信惩戒, 必须基于具体的失信行为事实,以法律、法规或党中央、国务院政策文件的明确规定为 依据,依照《全国失信惩戒措施基础清单》,根据失信行为的性质和严重程度,采取轻 重适度的惩戒措施,确保过惩相当。

县级以上地方水行政主管部门对水利建设市场经营主体实施失信惩戒,还应依照 地方失信惩戒措施补充清单。

对于全国水利监管平台公示的受到行政处罚的水利建设市场经营主体,县级以上 水行政主管部门将其列为重点监管对象,加大日常监管力度,适当提高现场检查、抽查 比例和频次。

全国水利监管平台撤销、终止公示行政处罚信息的,县级以上水行政主管部门对 相关水利建设市场经营主体采取的失信惩戒措施即行终止。

县级以上水行政主管部门在行政管理、政务服务等工作中,应依法依规建立并应 用信用承诺制度,将水利建设市场经营主体的承诺履行情况记人信用信息,作为监督管 理的重要依据。对于实行告知承诺制的证明事项和涉企经营许可事项,水利建设市场经 营主体有严重失信信息或者曾经作出过虚假承诺等情形的,在信用信息修复前不适用告 知承诺制。

  1. 信用信息修复
  2. 信用信息修复权利。水利建设市场经营主体依法享有信用信息修复的权利。除 法律、法规和党中央、国务院政策文件明确规定不可修复的情形外,满足相关条件的水 利建设市场经营主体均可按要求申请信用信息修复。

各级水行政主管部门、流域管理机构向水利建设市场经营主体送达行政处罚决定 书时,可同步送达信用修复告知书,告知其信用信息修复政策,包括行政处罚信息公示 平台网站、最短公示期、修复权利、修复条件、修复程序等内容。

  1. 信用信息修复条件。水利建设市场经营主体申请信用信息修复,应同时满足 以下条件:
  2. 经营主体完全履行行政处罚决定书规定的义务,纠正违法行为。
  3. 行政处罚信息公示期达到最短公示期,且无法律、行政法规另行规定的相关失 信信息公示期。
  4. 经营主体作出信用承诺,承诺内容包括所提交材料真实有效,并明确愿意承担 违反承诺的相应责任。
  5. 信用信息修复程序。信用信息修复遵循以下程序:
  6. 申请。经营主体登录“信用中国”网站,提交信用修复申请,并上传申请材料。 “信用中国”网站将信用修复申请及申请材料推送全国水利建设市场监管平台,全国水 利建设市场监管平台通过短信、蓝信等方式,通知处罚机关受理信用修复申请。
  7. 受理。处罚机关登录全国水利建设市场监管平台处理信用修复申请,在收到申 请后3个工作日内作出是否受理的决定申请材料齐全、符合要求的予以受理不 予受理的,说明相关理由。全国水利建设市场监管平台将受理结果推送“信用中国”网站。
  8. 审核。处罚机关应自受理之日起7个工作日内完成审核将信用修复结果录人 全国水利建设市场监管平台,并上传修复申请审核表,全国水利建设市场监管平台将信 用修复结果推送“信用中国”网站。因案情复杂或需进行核查不能在规定期F艮内作出 办理修复决定的可以延长10个工作日。
  9. 修复。对于同意修复的,全国水利建设市场监管平台和“信用中国”网站及时 终止公示行政处罚信息,“信用中国”网站向经营主体反馈信用修复结果。对于不同意 信用修复的,“信用中国”网站向经营主体反馈理由。
  10. 查询途径。经营主体可在“信用中国”网站查询信用修复业务受理情况、审核 进度和审核结果。

6 权益保障

全国水利监管平台按照保护水利建设市场经营主体权益的要求,明确信息《查询使 用权限和程序。

县级以上水行政主管部门应严格按照《全国公共信用信息基础目录》以及地方公共 信用信息补充目录收集使用个人信息,明示收集使用信息的目的、方式和范围,并经本 人同意,法律、法规另有规定的从其规定。

水利建设市场经营主体对其行政处罚信息是否公示、公示内容、公示期以及信用 修复结果等有异议的,可登录“信用中国"网站提交申诉及相关证明材料。处罚机关应 在收到申诉材料后7个工作日内处理完毕并在全国水利监管平台录人处理结果由全 国水利监管平台同步推送至“信用中国”网站。经核卖有误的应及时对相关信用信息予 以更正;经核实无误的,应告知当事人并说明理由。水利建设市场经营主体对异议处理 结果不认可,或认为处罚机关侵犯其合法权益的,可向处罚机关所在地人民法院提起行 政诉讼。

7 处罚

水利建设市场经营主体在全国水利监管平台填报信用信息时违反信用承诺隐瞒有 关情况或提供虚假信息的,记人其信用信息,并予以公示,依据相关法律、法规处罚; 涉嫌犯罪的,移送司法机关依法追究刑事责任。

水利建设市场经营主体在申请信用信息修复时存在提供虚假材料、信用承诺严重 不实或故意不履行承诺等情形的,由处罚机关按照《水利建设市场经营主体信用信息 管理办法》第九条规定报送相关信息在全国水利监管平台公示3年并不得提前终止公 示,公示期间不得申请信用信息修复;涉嫌犯罪的,移送司法机关依法追究刑事责任。

8 备注

1 《全国公共信用信息基础目录2024年版》。目录共纳人公共信用信息、13类 包括登记注册基本信息、司法裁判及执行信息、行政管理信息、职称和职业信息、、经营 (活动)异常名录(状态)信息、严重失信主体名单信息、合同履行信息、信用承诺及 履行情况信息、信用评价结果信息、遵守法律法规情况信息、诚实守信相关荣誉信息、 知识产权信息和经营主体自愿提供的信用信息。有关机关根据纪检监察机关、检察机关 通报的情况或意见,对行贿人作出行政处罚和资格资质限制等处理,拟纳人公共信用信 息归集范围的,应当征求有关纪检监察机关、检察机关的意见。

(2)根据《水行政处罚实施办法》(水利部令第55号),简易程序指违法事实确凿 并有法定依据对公民处以200元以下、对法人或者其他组织处以3000元以下罚款或 者警告的,可以当场作出水行政处罚决定。普通程序,除可以当场作出的水行政处罚 外,水行政处罚机关对依据水行政监督检查或者通过投诉举报、其他机关移送、上级机 关交办等途径发现的违法行为线索应当在10个工作日内予以核查。案情复杂等特殊 情况无法按期完成核查的经本机关负责人批准可以延长5个工作日。

9.3.2工程安全鉴定

为加强水工建筑物安全管理,保障水工建筑物安全运行,国家实施对水工建筑物 安全鉴定制度,主要要求有:

  1. 水工建筑物实行定期安全鉴定

(1 )水闸首次安全鉴定应在竣工验收后5年内进行以后应每隔10年进行一次全 面安全鉴定。

  1. 水库大坝实行定期安全鉴定制度首次安全鉴定应在竣工验收后5年内进行 以后应每隔6〜10年进行一次。
  2. 水工建筑物运行中遭遇特大洪水、强烈地震、工程发生重大事故或出现影响 安全的异常现象后,应组织专门的安全鉴定。
  3. 闸门等单项工程达到折旧年限,应按有关规定和规范适时进行单项安全鉴定。
  4. 水工建筑物的安全类别

(1 )根据《水闸安全鉴定管理办法》(水建管2008214号),水闸安全类别划分 为四类:

一类闸:运用指标能达到设计标准,无影响正常运行的缺陷,按常规维修养护即 可保证正常运行。

二类闸:运用指标基本达到设计标准,工程存在一定损坏,经大修后,可达到正 常运行。

三类闸:运用指标达不到设计标准,工程存在严重损坏,经除险加固后,才能达 到正常运行。

四类闸:运用指标无法达到设计标准,工程存在严重安全问题,需降低标准运用 或报废重建。

(2 )根据《水库大坝安全鉴定办法》(水建管2003271号),大坝(包括永久性 挡水建筑物,以及与其配合运用的泄洪、输水和过船等建筑物)安全状况分为三类,分 类标准如下:

一类坝。实际抗御洪水标准达到《防洪标准》GB 50201-2014的规定大坝工作 状态正常;工程无重大质量问题,能按设计正常运行的大坝。

二类坝。实际抗御洪水标准不低于部颁水利枢纽工程除险加固近期非常运用洪水 标准但达不到《防洪标准》GB 50201—2014规定大坝工作状态基本正常在一定 控制运用条件下能安全运行的大坝。

三类坝。实际抗御洪水标准低于部颁水利枢纽工程除险加固近期非常运用洪水标 准,或者工程存在较严重安全隐患,不能按设计正常运行的大坝。

  1. 水工建筑物安全鉴定程序

水工建筑物安全鉴定包括安全评价、安全评价成果审查和安全鉴定报告书审定三 个基本程序。其中:

  1. 鉴定组织单位(水工建筑物管理单位)负责委托满足规定要求的安全评价单 位(简称鉴定承担单位)对建筑物安全状况进行分析评价,并提出安全评价报告。
  2. 由鉴定审定部门(县级以上地方人民政府水行政主管部门或水利部流域管理 机构)或委托有关单位组织并主持召开水工建筑物安全鉴定会,组织专家审查安全评价 报告,形成安全鉴定报告书。

(3 )鉴定审定部门审定并印发安全鉴定报告书。

  1. 安全评价包括工程质量评价、运行管理评价、防洪标准复核、结构安全、稳定 评价、渗流安全评价、抗震安全复核、金属结构安全评价和建筑物安全综合评价等。安 全评价过程中,应根据需要补充地质勘探与土工试验,补充混凝土与金属结构检测,对 重要工程隐患进行探测等。
  2. 验收前蓄水安全鉴定

根据《中华人民共和国防洪法》《水库大坝安全管理条例》和《水利水电建设工程 验收规程》SL/T 223—2025等规定水库建设工程(包括新建、续建、改建、加固、 修复等)在水库蓄水验收前,必须进行蓄水安全鉴定。《水利水电建设工程蓄水安全鉴 定暂行办法》(水建管1999] 177号2017年水利部令第49号进行修改)以及《水 利水电建设工程验收技术鉴定导则》SL 670—2015,对蓄水安全鉴定作了如下规定:

  1. 蓄水安全鉴定,由项目法人负责组织实施。项目法人应负责组织参建单位准 备有关资料,并提供建设管理工作报告,设计、监理、土建施工、设备制造与安装、安 全监测等单位应分别提供自检报告及相关资料,第三方检测单位应提供检测报告。建设 各方应对所提供资料的准确性负责。
  2. 项目法人认为工程符合蓄水安全鉴定条件时,可决定组织蓄水安全鉴定。蓄 水安全鉴定,由项目法人委托具有相应鉴定经验和能力的单位承担,与之签订蓄水安全 鉴定合同,并报工程验收主持单位核备。接受委托负责蓄水安全鉴定的单位(即鉴定单 位)应成立专家组,并将专家组组成情况报工程验收主持单位和相应的水利工程质量监 督部门核备。
  3. 蓄水安全鉴定工作依据应包括有关法律、法规、规章和技术标准,准的初 步设计报告、专题报告、设计变更及修改文件,以及合同规定的质量和安全标准等。
  4. 蓄水安全鉴定工作的任务是对与蓄水安全有关的工程设计、施工、设备制造 与安装的质量进行检查,对影响工程安全的因素进行评价,提出蓄水安全鉴定意见,明 确是否具备蓄水验收的条件。
  5. 蓄水安全鉴定的范围包括挡水建筑物、泄水建筑物、引水建筑物进水口工程、 涉及蓄水安全的库岸和边坡等有关工程项目。
  6. 蓄水安全鉴定工作的重点是检查工程设计、施工、设备制造与安装是否存在 影响工程蓄水安全的因素,以及工程建设期发现的影响工程安全的问题是否得到妥善解 决,并提出工程安全评价意见;对不符合有关技术标准、设计文件并涉及工程安全的问 题,应分析其影响程度,并提出评价意见;对鉴定发现的符合设计文件,但可能对.工程安全运行构成隐患的问题,也应对其进行分析和评价。
  7. 蓄水安全鉴定包括下列主要工作内容:
  8. 检查工程形象面貌是否满足下闸蓄水要求,是否具备蓄水验收条件。
  9. 检查建设征地与移民安置和库底清理是否满足蓄水条件并通过验收。
  10. 检查主要设计依据及工程建设标准强制性条文落实情况。
  11. 延长水文系列资料、复核设计洪水;根据工程泄洪能力、泄洪设施、大坝挡水 条件,评价下闸蓄水方案和度汛方案的可靠性。
  12. 根据施工揭示的工程地质及水文地质条件,对照初步设计成果,检查与蓄水安 全有关的水工建筑物地质条件、地质参数变化情况;评价地质缺陷处理情况;检查评价 料场变化情况。
  13. 依据批复的初步设计报告,检查初步设计审查审批遗留问题落实情况;根据初 步设计成果、初步设计以后有关设计变更,检查与蓄水安全有关的建筑物设计情况,评 价施工图设计与初步设计主要变化;检查设计变更是否按建设管理程序履行了有关审批 程序。
  14. 检查土建工程施工质量、金属结构设备制造与安装质量,对关键部位、出现过 质量缺陷和质量事故的部位,以及有必要检查的其他部位进行重点检查;抽查工程施工 原始资料和施工安装、设备制造验收签证,必要时提出补充质量检测和试验等要求;对 土建工程施工质量、金属结构设备制造与安装质量,以及质量缺陷、质量事故处理情况 进行检查评价。对与水库蓄水及泄洪有关的启闭设备供电可靠性进行检查评价。
  15. 检查导流建筑物封堵工程设计及施工方案。
  16. 检查工程安全监测设施的埋设、安装及观测是否符合设计要求;对施工期监测 成果及反映的工程性状进行评价。
  17. 提出工程是否具备水库蓄水验收条件的意见。
  18. 蓄水安全鉴定工作程序包括工作大纲编制、自检报告编写、现场鉴定与鉴定 报告编写、鉴定报告审定4个阶段。

9.3.3水利工程建设稽察、决算及审计的内容

  1. 水利建设项目稽察的基本内容

水利建设项目稽察,是指水行政主管部门依据有关法律、法规、规章、规范性文 件和技术标准等,对水利建设项目组织实施情况进行监督检查的活动,适用于有政府投 资的水利建设项目。稽察工作依据《水利建设项目稽察办法》(水安监2017341号) 进行。

稽察坚持监督检查与指导帮助并重,遵循依法监督、严格规范、客观公正、廉洁 高效的原则。稽察实行分级组织、分工负责,其中:

  1. 水利部负责指导全国水利稽察工作,组织对有政府投资的水利建设项目进行 稽察,对稽察发现问题进行“回头看”。
  2. 流域管理机构负责对所管辖的水利建设项目进行稽察,组织整改工作落实;受 水利部委托开展稽察和“回头看”。
  3. 省级水行政主管部门负责本行政区域水利稽察工作,对辖区内水利建设项目进行稽察,组织并督促整改工作落实。

根据水利部监督司会同水利部建设管理与质量安全中心编制的《水利建设项目稽察 工作指导手册( 2023年版)》(监督质函202315号),水利稽察方式主要包括项目 稽察、专项稽察和对项目稽察发现问题整改情况的“回头看”。项目稽察是水行政主管 部门根据水利建设实际情况,对水利工程建设活动全过程进行监督检查。专项稽察是针 对工程建设管理某重点环节或重要内容进行监督检查。“回头看”是现场检查被稽察单 位对稽察发现问题的整改落实情况,同时对自上次稽察后建设管理情况和上次稽察时未 抽查到的内容开展抽查。

稽察工作由派出的稽察组具体承担现场稽察任务。稽察组由稽察组长、专家组长、 稽察助理和稽察专家等组成。稽察专家包含前期与设计、建设管理、计划和进度管理、 资金使用与管理、质量管理和安全管理6个专业的专家。职责如下

(1 )稽察组长对现场稽察阶段工作负总责。

  1. 专家组长对业务工作及成果质量负主要责任,协助稽察组长开展工作。
  2. 稽察助理协助稽察组长、专家组长组织开展现场稽察工作,负责联络、协调 等服务保障工作。
  3. 稽察专家主要职责为:
  4. 负责并完成本专业的稽察工作,编制稽察工作底稿,按要求提交工作成果,并 对问题的真实性、准确性负责;
  5. 按专家组长要求完成本专业稽察发现的问题的原因分析工作;
  6. 协助完成稽察报告;对本专业发现的问题进行业务指导帮扶;
  7. 按稽察组长和专家组长要求,配合完成其他稽察工作;
  8. 对稽察组其他人员工作情况提出评价意见。

稽察人员执行稽察任务实行回避原则,不得稽察与其有利害关系的项目。

现场检查采取“明查”与“暗访暗查”相结合的方式进行。

(1 )稽察组第一次现场检查一般为“明查”,主要以抽查方式进行,应聚焦施工现 场形象面貌、计划执行、实体质量、安全生产等方面,优先选择主要建筑物、有一定实 物工程量的部位。

现场检查要做到带着问题、疑点去查要深入施工现场采取必要的量测j、检查 手段,“看、问、测”并举,找出问题并留取影像证据,取证时要兼顾局部和整体,必 要时可录制视频,务求清晰、准确、客观、真实地反映问题情况。

  1. “暗访暗查”以工程质量、安全生产和农民工工资等方面问题为主。要紧盯工 程重要部位和施工质量控制的关键环节、现场质量检测机构的履职情况、现场安全生产 措施的落实情况以及农民工工资的发放情况等,可采取抽查或突击检查的形式,如农民 工工资情况可采取现场随机面谈、按照劳动合同名录电话问询等进行检查,坚决避免走 过场。

根据《水利部办公厅关于印发水利建设项目稽察常见问题清单(2023年版)的通 知》(办监督2023194号),工程参建单位接受稽察时,需注意以下事项:

  1. 稽察发现的问题是指工程建设过程中在设计、施工、建设管理等各阶段及各 环节,违反或不满足法律法规、部门规章、规范性文件和技术标准、政策性文件等要求,对工程的建设、功能发挥、安全运行等可能造成影响的问题。问题性质可分为“严 重” “较重”和“一般”三个类别。

2稽察主要包括前期与设计、建设管理、计划管理、建设资金使用与管理、质 量管理(包括质量管理体系与行为、工程实体质量两个方面)、安全管理(包括安全管 理体系、风险管控与事故隐患排查、安全技术管理、现场作业安全管理、防洪度汛、应 急与事故管理6个方面6个专业内容。

3 稽察组对照《水利建设项目稽察常见问题清单2023年版》合理确定稽察主 要内容与重点,“备注”栏标注“★”的问题要重点查找、尽量覆盖。

4 问题认定。根据工程类型和规模、建设进度、问题可能造成的影响和后果等, 问题性质可由稽察组结合现场实际情况提出建议,报经水利部监督司、建设管理与质量 安全中心及有关业务部门审定。问题性质可参考以下原则认定:

  1. 根据问题可能产生的影响程度、潜在风险等认定。可能对主体工程的质量、安、 全、进度或投资规模等产生较大影响的问题认定为“严重”,产生较小影响的认定为

“较重”或“一般”。

  1. 根据工程等别和建筑物级别等认定。属于大中型工程I、Π、ΙΠ )的认定为 “严重”或“较重”属于小型工程IV、V的认定为“较重”或“一般”。
  2. 结合问题发生所处的工程部位认定。发生在关键部位及重要隐蔽工程的认定为 “严重”或“较重”,发生在一般部位的认定为“较重”或“一般”。
  3. 根据工作深度认定。如某项管理制度未建立、未编制等认定为“严重”或“较 重”,制度不健全、内容不完整、缺少针对性等认定为“较重”或“一般”。
  4. 根据是否违反强制性标准或条文认定。对于“备注”栏标注为“强制性标准” 或“强条"的条目,其“法规标准内容或条款”栏中加粗字体表示该条款为强制性标准 或条文,违反即认定为“严重”。

5 根据有关单位在工程建设中承担的职责,《水利建设项目稽察常见问题清单 2023年版》列举了每个问题发生可能涉及的责任主体。稽察时应结合问题发生原 因及有关单位尽职履责情况确定责任主体,如有关单位已按要求尽职履责,则免除该单 位责任;如需新增责任主体,可由稽察组结合现场实际情况提出建议,报经水利部监督 司、建设管理与质量安全中心及有关业务部门审定。

6 对稽察发现问题有疑问的,被稽察单位可当场或现场稽察工作结束前进行申 诉,并提供相关材料;稽察组应充分与其沟通,并对相关说明和材料进行复核。

7 稽察结束前,稽察组应正式与有关单位交换意见,就稽察有关情况和发现的 问题进行沟通交流,充分听取被稽察单位意见反馈,合理采纳后将稽察报告移交被稽察 单位,如无异议,要求被稽察单位有关负责人签认,并对认领问题立整立改。

8 稽察工作的主要成果是稽察报告。稽察报告(交换意见稿)经专家组长、稽 察组长先后审定后,稽察组全员对稽察报告签字确认。稽察组织机构根据稽察发现的问 题,印发稽察发现问题整改通知(一省一单),提出整改要求,必要时可向有关地方人 民政府通报相关情况。

9 有关水行政主管部门组织相关单位(如项目法人、其他参建单位等)按整改 通知要求对稽察发现的问题进行整改并对整改情况核实后按整改通知要求的时间报稽察组织机构和实施机构其中报送时尚未完成整改的问题要在每季度末向水和J部监督 司报送整改台账(电子版),直至问题整改完毕;稽察组织机构适时组织稽察实施机构 和有关流域管理机构对问题整改情况开展“回头看”。

10 “回头看”包括单独开展的回头看和开展稽察同时开展的回头看。回头看问 题整改判定标准原则上分为“已整改” “正在整改”和“未整改” 3类。判定标准如下

  1. 已整改。稽察组“回头看”时,该问题已整改到位,且未发现同一责任主体重 复出现同类问题,对该问题有具体的责任追究要求、有关单位已实施的,判定为“已整 改”;无具体责任追究要求、该问题已整改到位的,也判定为“已整改”。
  2. 正在整改。稽察组“回头看”时,该问题整改工作已开始但尚未完成,对未整 改部分已制定合理的整改计划,明确了整改责任人、整改时限、整改措施等;该问题整 改工作已完成,但未按前述规定进行责任追究。
  3. 未整改。稽察组“回头看”时,该问题未开始整改;整改工作弄虚作{段、敷衍 应付,或无实质性整改措施、搞变通整改或整改措施不合理,“回头看”时问题仍然存 在;稽察组“回头看”时,该问题整改工作已开始但尚未完成,未整改部分无整改计 划,未明确整改责任人、整改时限或整改措施。

11 )责任追究

  1. 责任追究实施主体

水利部按照职责权限,对工作中不履行或不正确履行工作职责的单位和个人,依 法依规实施责任追究或提出责任追究建议,可责成流域管理机构和省级水行政主管部门 按照其管理权限实施责任追究或向其提出行政处罚建议,必要时也可向地方人民政府提 出责任追究建议;并可建议相关企事业单位按照有关规定或合同约定实施进一步责任 追究。

  1. 责任追究对象

责任追究包括对单位责任追究和对个人责任追究。责任单位包括直接责任单位、 连带责任单位和主管责任单位,其中直接责任单位包括项目法人(建设单位)、勘察、 设计、监理、施工、质量检测等参建单位;连带责任单位是对工程建设负有首要责任的 项目法人(建设单位);主管责任单位包括负有主管责任的各级水行政主管部门和业务 主管部门。对个人的责任追究,建议有相关管理权限的单位按照有关规定对相关问题责 任人实施责任追究。

  1. 责任追究方式分为:
  2. 行政上采用责令整改、约谈分为责成约谈、水利部约谈、情况通f艮含向 省级水行政主管部门通报、水利行业内通报、地方人民政府通报等,下同),以及其他 相关法律法规_、_规章等规定的责任追究方式和建议有权限的单位实施行政处罚等。
  3. 荣誉上,采用取消水利部及其直属单位或负责行业指导机构组织的各类评优评 先评选资格、有关省份不纳人水利建设督查激励省份名单等方式。
  4. 经济上,采用要求项目法人和相关企事业单位按照有关规定或合同约定实施经 济处罚、解除合同等方式。
  5. 根据稽察、“回头看”发现问题的数量和严重程度,按责任追究参考标准实施责 任追究。对于同一责任单位,根据不同责任追究标准确定责任追究方式后,取其中较重的责任追究方式。
  6. 责任单位有下列情况之一,从重责任追究:
  7. 对危及工程质量、安全的严重隐患未采取有效措施或措施不当。
  8. 弄虚作假、隐瞒问题、干扰或拒不配合稽察等恶劣行为。
  9. 举报的问题经稽察现场调查属实。
  10. —个年度内,同一责任单位多次被责任追究,主管责任单位管辖范围内项目法 人因直接责任多次被责任追究。
  11. 其他法律法规规定应予以从重责任追究的情况。
  12. 责任单位有下列情况之一,可予以减轻或免于责任追究:
  13. 主动开展自查自纠并及时采取有效措施消除问题隐患的。
  14. 省级水行政主管部门已实施与参考标准规定程度相当的责任追究。
  15. 其他法律法规规定可以减轻或免于责任追究的情形。
  16. 对责任单位予以从重、减轻或免于责任追究时,应提供客观、准确并经核实的 文件、记录、图片或声像等相关资料。
  17. 竣工决算的基本内容

经批准的竣工财务决算是确认投资支出、资产价值和结余资金,办理资产移交和 投资核销的最终依据。

使用财政资金的水利基本建设项目应按照《水利基本建设项目竣工财务决算编制规 程》SL/T 19—2023规定的内容、格式编制竣工财务决算。竣工财务决算按项目性质划 分为工程类项目竣工财务决算和非工程类项目竣工财务决算。

竣工财务决算由项目法人(或项目责任单位)组织编制。代理记账、会计集中核 算、代建、设计、监理、施工、征地和移民安置实施等单位应给予配合。项目法人可通 过合同(协议)明确配合的具体内容。竣工财务决算批复前,项目法人已经撤销的,撤 销该项目法人的单位应指定有关单位承接相关的责任。项目法人的法定代表人对竣工财 务决算的真实性、完整性负责。

竣工财务决算是正确核定项目资产价值,反映竣工项目建设成果的文件,是办理 资产移交和产权登记的依据,包括竣工财务决算报表、竣工财务决算说明书以及相关材 料。其中:

  1. 工程类项目竣工财务决算。以建筑施工、设备采购安装为主要实施内容,以 建筑物或构筑物为主要目标产出物或在项目完成后能形成一定实物工作量的基本建设项 目的竣工财务决算。
  2. 非工程类项目竣工财务决算。以水利规划、工程项目前期、专题研究、基础 性工作等为主要实施内容,项目完成后-•般不形成实物工作量的基本建设项目的竣工财 务决算。
  3. 功能成本。对具备两个或两个以上效益的项目,将项目实际成本在效益之间 进行分摊形成的,与具体效益(如防洪、发电、灌溉、供水等)相关联的成本。

具有防洪、发电、灌溉、供水等多种效益的项目,可将实际成本在效益之间进 行合理分摊,测算功能成本。功能成本的测算应遵守《水利建设项目经济评价规范》 SL 72—2013的相应规定。

  1. 竣工财务决算基准日期。基本建设项目收支等会计核算业务在竣工财务决算 中反映的截止日期。
  2. 竣工财务总决算。对两个或两个以上存在特定关系的竣工财务决算?匸编后形 成的决算。
  3. 竣工财务清理。项目法人对各类合同(协议)、债权债务、资产和结余资金等 进行清理,实现账实、账证、账账和账表相符的财务行为。
  4. 尾工工程及预留费用。截至竣工财务决算基准日期,尚未完成但不影响工程 正常运行的扫尾工程以及尚未发生需要预留的费用(如竣工验收费用)□

竣工财务决算的编制依据主要包括以下几个方面:

(1 )国家有关法律法规。

  1. 经批准的可行性研究报告、初步设计、项目任务书、概算及概算调整文件。
  2. 年度投资计划和预算。

(4 )招标投标和政府采购文件。

  1. 合同(协议)。
  2. 工程价款结算资料。

(7 )会计核算及财务管理资料。

(8 )其他资料。

编制竣工财务决算宜具备以下条件:

  1. 经批准的初步设计、项目任务书所确定的内容已完成。
  2. 建设资金全部到位。
  3. 竣工(完工)结算已完成。
  4. 尾工工程和预留费用不超过规定的比例。
  5. 涉及法律诉讼、工程质量、征地及移民安置的事项已处理完毕。
  6. 其他影响竣工财务决算编制的重大问题已解决等。

竣工财务决算应全面反映项目概(预)算及执行、基本建设支出及资产形成情况。 包括按照批准的建设内容,从项目筹建之日起至办理竣工财务决算之日止发生的全部 费用。

竣工财务决算应按大中型、小型项目分别编制。项目规模以批复的设计丈件为准。 设计文件未明确的执行《水利水电工程等级划分及洪水标准》SL 252—2017的相应 规定。

纳人竣工财务决算的尾工工程投资及预留费用大中型项目应控制在总彳既算的3% 以内小型项目应控制在5%以内。

工程类项目竣工财务决算由以下5部分组成

(1 )竣工财务决算封面及目录。

(2 )竣工工程平面示意图及主体工程照片。

  1. 竣工财务决算说明书。

(4 )竣工财务决算报表。

(5 )其他资料。

竣工财务决算说明书应反映以下主要内容:

  1. 项目基本情况。

(2 )年度投资计划、预算下达及资金到位情况。

(3 )概(预)算执行情况。

  1. 招标投标、政府采购及合同(协议)执行情况。
  2. 建设征地移民补偿情况。

(6 )重大设计变更及预备费动用情况。

  1. 尾工工程及预留费用情况。

(8 )财务管理情况。

  1. 审计、稽察、财务检查等发现问题及整改落实情况。
  2. 绩效管理情况。
  3. 其他需说明的事项。
  4. 报表编制说明。

工程类竣工财务决算报表包括以下9张表格

  1. 水利基本建设项目概况表:反映竣工项目主要特征、建设过程和建设成果等 基本情况。
  2. 水利基本建设项目财务决算表及附表:反映竣工项目的财务收支情况。
  3. 水利基本建设项目投资分析表:反映竣工项目概(预)算执行情况(小型项 目可以不编)。
  4. 水利基本建设项目尾工工程投资及预留费用表:反映预计纳人竣工财务决算 的尾工Γ程投资及预留费用的明细情况。

(5 )水利基本建设项目待摊投资明细表。

  1. 水利基本建设项目待摊投资分摊表(小型项目可以不编)。
  2. 水利基本建设项目交付使用资产表:反映竣工项目向不同资产接收单位交付 使用资产情况。
  3. 水利基本建设项目待核销基建支出表:反映竣工项目发生的待核销基建支出 的明细情况。
  4. 水利基本建设项目转出投资表:反映竣工项目发生的转出投资明细情况。 竣工财务决算编制工作可分为三个阶段:

(1 )竣工财务决算编制准备阶段。

  1. 竣工财务决算编制实施阶段。

(3 )竣工财务决算编制完成阶段。

竣工财务决算编制准备阶段应完成以下主要工作:

(1 )制定竣工财务决算编制方案。

  1. 收集整理与竣工财务决算相关的项目资料。
  2. 确定竣工财务决算基准日期。
  3. 竣工财务清理。

竣工财务决算编制实施阶段应完成以下主要工作:

(1 )计列尾工工程及预留费用。

(2)概(预)算与核算口径对应分析。

(3 )分摊待摊投资。

  1. 确认资产交付。

竣工财务决算编制完成阶段应完成以下主要工作:

(1 )填列竣工财务决算报表。

  1. 编写竣工财务决算说明书。

决算编制过程中,应注意以下几点:

(1 )竣工财务决算基准日宜确定为月末。

  1. 尾工工程及预留费用应满足项目实施和管理的需要,以项目概(预)算、任 务书、合同(协议)等为依据合理计列。已签订合同(协议)的,应按相关条款的约定 进行测算;尚未签订合同(协议)的尾工工程投资和预留费用金额不应突破t目应的概 (预)算、任务书标准。
  2. 待摊投资应分摊计人资产价值、转出投资价值和待核销基建支出。实中:能 够确定由某项资产负担的待摊投资应直接计人该资产成本不能确定负担对象的J待摊投 资,应分摊计入受益的各项资产成本。需注意以下要求:
  3. 待摊投资应包括以下分摊对象:
  4. 房屋、建筑物及构筑物。
  5. 需要安装的通用设备。
  6. 需要安装的专用设备。
  7. 其他分摊对象。
  8. 分摊待摊投资可采用以下方法:
  9. 按实际数的比例分摊,可按式(9.3-1)和式(9.3-2)计算:

DT = JSXFS ( 9.3-1 )

Fs = DS/DXSX 100% ( 9.3-2 )

式中**Dv**—某资产应分摊的待摊投资;

人——某资产应负担待摊投资部分的实际价值;

Fs——实际分配率;

Ds——上期结转和本期发生的待摊投资合计(扣除可直接计人的待摊投资); DXS——上期结转和本期发生的建筑安装工程投资、安装设备投资和其他投资中 应负担待摊投资的合计。

  1. 按概算数的比例分摊,可按式(9.3-3)和式(9.3-4)计算:

DT = JSXFY ( 9.3-3 )

FY = ΰΎ/ΌΧΎΧ 100% ( 9.3-4 )

式中**F**——预定分配率;

ϋΎ——概算中各项待摊投资项目的合计(扣除可直接计人的待摊投资)

ΰΧΎ——概算中建筑安装工程投资、安装设备投资和其他投资中应负担待摊投资 的合计。

  1. 交付使用资产应以具有独立使用价值的固定资产、流动资产、无形资产等作 为计算和交付对象,并与接受单位资产核算和管理的需要相衔接。

独立使用价值的确定依据是具有较完整的使用功能,能够按照设计要求,独立地 发挥作用。

  1. 填列报表应注意以下几点:
  2. 报表及各项指标填列的完整性。
  3. 报表数据与账簿记录的相符性。
  4. 表内的平衡关系。
  5. 报表之间的勾稽关系。
  6. 项目审计
  7. 项目审计的规定

根据审计署《政府投资项目审计规定》,有关项目审计的主要规定有:

(1 )对政府投资项目重点审计以下内容:

  1. 履行基本建设程序情况;
  2. 投资控制和资金管理使用情况;
  3. 项目建设管理情况;
  4. 有关政策措施执行和规划实施情况;
  5. 工程质量情况;
  6. 设备、物资和材料采购情况;
  7. 土地利用和征地拆迁情况;
  8. 环境保护情况;
  9. 工程造价情况;
  10. 投资绩效情况;

⑪其他需要重点审计的内容。

除重点审计上述内容外,还应当关注项目决策程序是否合规,有无因决策失误和 重复建设造成重大损失浪费等问题;应当注重揭示和查处工程建设领域中的重大违法违 规问题和经济犯罪线索,促进反腐倡廉建设;应当注重揭示投资管理体制、机制和制度 方面的问题。

  1. 对政府重点投资项目以及涉及公共利益和民生的城市基础设施、保障性住房、 学校、医院等工程,应当有重点地对其建设和管理情况实施跟踪审计。

(注:跟踪审计,是指审计机关依法对项目自立项批准至竣工投产过程中的重点环节、重要 节点进行动态和持续的审计监督行为。)

  1. 在真实性、合法性审计的基础上,应当更加注重检查和评价政府投资项目的 绩效,逐步做到所有审计的政府重点投资项目都开展绩效审计。
  2. 对政府投人大、社会关注度高的重点投资项目竣工决算前,审计机关应当先 进行审计。

对审计发现的多计工程价款等问题,应当责令建设单位与设计、施工、监理、供 货等单位据实结算。

  1. 开展政府投资项目审计,应当确定项目法人单位或其授权委托进行建设管理 的单位为被审计单位。在审计通知书中应当明确,实施审计中将对与项目直接有关的设 计、施工、监理、供货等单位取得项目资金的真实性、合法性进行调查。

采取跟踪审计方式实施审计的,审计通知书应当列明跟踪审计的具体方式和要求。

(6 )建立健全政府投资项目审计整改检查机制,督促被审计单位和其他有关单位 根据审计结果进行整改。在审计实施过程中,应当及时督促被审计单位整改审计发现的 问题。

对于跟踪审计项目,审计机关应当将上次审计查出问题的整改情况作为审计的重 要内容。

  1. 根据《中华人民共和国审计法实施条例》,政府投资和以政府投资为主的建设 项目,包括:
  2. 全部使用预算内投资资金、专项建设基金、政府举借债务筹措的资金等财政资 金的;
  3. 未全部使用财政资金财政资金占项目总投资的比例超过50%,或者占项目总 投资的比例在50%以下,但政府拥有项目建设、运营实际控制权的。

审计机关对前款规定的建设项目的总预算或者概算的执行情况、年度预算的执行 情况和年度决算、单项工程结算、项目竣工决算,依法进行审计监督;对前款规定的建 设项目进行审计时,可以对直接有关的设计、施工、供货等单位取得建设项目资金的真 实性、合法性进行调查。

  1. 项目竣工决算审计

根据《水利基本建设项目竣工决算审计暂行办法》(水监2002 ] 370号),水利基 本建设项目竣工决算审计是指水利基本建设项目正式竣工验收前,水利审计部ΓΊ对其竣 工决算的真实性、合法性和效益性进行的内部审计监督。水利基本建设项目竣工决算审 计应包括:

  1. 水利建设项目竣工财务决算报表审计。其中,报表的审计重点是编僭ϋ的真实 性、完整性和合法性。竣工财务决算说明书的审计重点是真实性、准确性及完整性。
  2. 水利基本建设项目投资及概算执行情况审计。审计重点是真实性和合法性。
  3. 水利基本建设项目建设支出审计。审计重点是真实性、合法性和效益,性。
  4. 水利基本建设项目交付使用资产情况审计。审计重点是资产是否真实,交付 手续是否完备以及无形资产的计价依据。
  5. 水利基本建设项目未完工程及所需资金审计。审计重点是建设项目未完工程 量及所需要的投资情况,所需资金和额度的留存及有无新增工程内容等情况。
  6. 水利基本建设项目建设收人审计。审计重点是建设项目建设收人的来源、分 配、上缴和留成使用情况的真实性和合法性。

(7 )水利基本建设项目结余资金审计。审计重点是:

  1. 银行存款、现金和其他货币资金的情况。
  2. 尚未使用的财政直接支付和授权支付额度情况。
  3. 库存物资实存量的真实性,有无积压、隐瞒、转移、挪用等问题。
  4. 各项债权债务的真实性,有无转移、挪用建设资金和债权债务清理不及时等问 题,呆账坏账的处理情况等。
  5. 按照有关规定,计提的投资包干节余数额是否准确,是否合理合法。

(8 )水利基本建设项目工程和物资招标投标执行情况审计。

根据《水利基本建设项目竣工决算审计暂行办法》(水监20023TO号),有关审计管理的要求有:

  1. 由水利部及相关部门组织或主持验收的水利基本建设项目的竣工决算审计,除 有专门要求外,一般由水利部审计室负责组织审计。其他水利基本建设项目的竣工决算 审计,由主持该水利基本建设项目竣工验收的水行政主管部门的同级水利审计部门负责 审计。

(2 )水利基本建设项目的竣工决算审计可以由水利审计部门组织水利基本建设的 专业审计力量组成审计组进行审计,也可以由水利审计部门委托具有专业审计资质的社 会审计机构承担。

水利审计部门应当依照《水利基本建设项目竣工决算审计暂行办法》(水监2002 370号)及内部审计工作的有关规定,对被委托的社会审计机构办理的水利基本建设项 目竣工决算审计加强指导和监督。

  1. 列人国家审计机关审计计划的水利基本建设项目竣工决算审计,水利审计部 门可以根据需要,在国家审计机关审计前进行预审。国家审计机关审计后,水利基本建 设项目法人应当将国家审计机关的审计结论和本单位根据审计结论进行整改的情况书面 报上级水利审计部门。

根据《水利基本建设项目竣工决算审计暂行办法》(水监20023Ή)号),有关审 计主要程序如下:

(1 )水利基本建设项目法人应在水利基本建设项目竣工财务决算编制完成后10曰 内向其主管水利审计部门提出水利基本建设项目竣工决算审计书面申请。水利审计部门 应在接到水利基本建设项目法人竣工决算申请后10日内提出安排意见。

(2 )水利审计部门或受委托的社会审计机构对水利建设项目进行竣工决算审计,应 当事先拟定审计实施方案,组织审计组,并向被审计单位下达审计通知书,审计通知书 应当于审计组进驻被审计单位3日前送达。

(3 )水利基本建设项目法人应当积极配合审计部门或被其委托的社会审计机构的 审计工作,并按照审计需要提供资料,并对提供资料的真实性、完整性、及时性负责。

(4 )审计组或受委托的社会审计机构对水利基本建设项目竣工决算审计终结后,应 当及时提出审计报告,并征求被审计的水利建设项目法人的意见。

  1. 水利审计部门根据水利建设项目竣工决算审计报告、被审计单位的书面反馈 意见,提出水利建设项目竣工决算审计意见书和审计决定。
  2. 水利审计部门应及时下达水利建设项目竣工决算审计意见书和审计决定。水 利基本建设项目法人必须执行审计意见书和审计决定,按照审计的要求进行整改,并在 60日内以书面形式将整改情况报告水利审计部门。

(7 )水利建设项目竣工决算审计意见书和审计决定作为主持组织竣工验收的主管 部门的审计依据。

根据《关于内部审计工作的规定》(审计署令第11号),内部审计结果运用于以下:

  1. 单位应当建立健全审计发现问题整改机制,明确被审计单位主要负责人为整 改第一责任人。对审计发现的问题和提出的建议,被审计单位应当及时整改,并将整改 结果书面告知内部审计机构。
  2. 单位对内部审计发现的典型性、普遍性、倾向性问题,应当及时分析研究,制定和完善相关管理制度,建立健全内部控制措施。
  3. 内部审计机构应当加强与内部纪检监察、巡视巡察、组织人事等其他内部监 督力量的协作配合,建立信息共享、结果共用、重要事项共同实施、问题整改「司责共同 落实等工作机制。内部审计结果及整改情况应当作为考核、任免、奖惩干部和利I关决策 的重要依据。
  4. 单位对内部审计发现的重大违纪违法问题线索,应当按照管辖权限依法依规 及时移送纪检监察机关、司法机关。
  5. 审计机关在审计中,特别是在国家机关、事业单位和国有企业三级以下单位 审计中,应当有效利用内部审计力量和成果。对内部审计发现且已经纠正的问题不再在 审计报告中反映。
  6. 工程建设创建活动
  7. 创建文明建设工地

为大力弘扬社会主义核心价值观,更好地发挥水利工程在国民经济和社会发展中 的重要支撑作用,进一步提高水利工程建设管理水平,推进水利工程建设文明工地创建 工作,倡导文明施工、安全施工,营造和谐建设环境,水利部组织对《水利建设工程文 明工地创建管理暂行办法》(水精20121号)进行修订,并印发了《水利建设工程 文明工地创建管理办法》(水精20143号),该办法共十七条。原《水利建设工程文 明工地创建管理暂行办法》(水精20121号)同时废止。

1 )文明工地创建标准

  1. 体制机制健全

工程基本建设程序规范;项目法人责任制、招标投标制、建设监理制和合同管理 制落实到位;建设管理内控机制健全。

(2 )质量管理到位

质量管理体制完善,质量保证体系和监督体系健全,参建各方质量主体责任落实, 严格开展质量检测、质量评定,验收管理规范;工程质量隐患排查到位,质量风险防 范措施有力,工程质量得到有效控制;质量档案管理规范,归档及时完整,材料真实 可靠。

(3 )安全施工到位

安全生产责任制及规章制度完善;事故应急预案针对性、操作性强;施工各类措 施和资源配置到位;施工安全许可手续健全,持证上岗到位;施工作业严格按申目关规程 规范进行,定期进行生产安全检查,无生产安全事故发生。

(4 )环境和谐有序

施工现场布置合理有序,材料设备堆停管理到位;施工道路布置合理,维护常态 跟进,交通顺畅;办公区、生活区场所整洁、卫生,安全保卫和消防措施到位;工地生 态环境建设有计划、有措施、有成果;施工粉尘、噪声、污染等防范措施得当。

  1. 文明风尚良好

参建各方关系融洽,精神文明建设组织、措施、活动落实;职工理论学习、思想 教育、法制教育常态化、制度化,教育、培训效果好,践行敬业、诚信精神;工地宣传、激励形式多样,安全文明警示标牌等醒目;职工业余文体活动丰富,队伍精神面貌 良好;加强党风廉政建设,严格监督,遵纪守法教育有力。

(6 )创建措施有力

文明工地创建计划方案周密,组织到位,制度完善,措施落实;文明工地创建参 与面广,活动形式多样,创建氛围浓厚;创建内容、手段、载体新颖,考核激励有效。

  1. 有下列情形之一的,不得申报"文明工地”:
  2. 干部职工中发生违纪、违法行为,受到党纪、政纪处分或被刑事处罚的。
  3. 发生较大及以上质量事故或生产安全事故的。

(3 )被水行政主管部门或有关部门通报批评或进行处罚的。

  1. 恶意拖欠工程款、农民工工资或引发当地群众发生群体事件,并造成严重社 会影响的。

(5 )项目建设单位未严格执行项目法人负责制、招标投标制和建设监理制的。 (6 )项目建设单位未按照国家现行基本建设程序要求办理相关事宜的。

  1. 项目建设过程中,发生重大合同纠纷,造成不良影响的。
  2. 参建单位违反诚信原则,弄虚作假情节严重的。
  3. 文明工地创建与管理

文明工地创建在项目法人的统一领导下进行。项目法人应将文明工地创建工作纳 人工程建设管理的总体规划,负责组织设计、施工、监理单位等参建各方将创建活动贯 穿工程建设全过程,并制定创建工作实施计划,采取切实可行的措施,确保各项创建工 作落到实处。

开展文明工地创建的单位,应做到组织机构健全,规章制度完善,岗位职责明确, 档案资料齐全。

文明工地创建应有扎实的群众基础,广泛开展技能比武、文明班组、青年文明号、 岗位能手等多种形式的创建活动。

文明工地创建要加强自身管理,根据新形势新任务的要求,创新内容、创新手段、 创新载体。要搞好日常的检查考核,建立健全激励机制,不断巩固提高创建水平。

获得文明工地的可作为水利建设市场主体信用、中国水利工程优质(大禹)奖和水 利安全生产标准化评审的重要参考。

  1. 文明工地申报

文明工地实行届期制,每两年通报一次。在上一届期已被命名为文明工地的,如 符合条件,可继续申报下一届。

(1 )自愿申报。凡满足前述文明工地标准且符合下列申报条件的水利建设工地, 即:开展文明工地创建活动半年以上;工程项目已完成的工程量,应达全部建筑安 装工程量的20%及以上,或在主体工程完工一年以内;工程进度满足总体进度计划 要求。

申报文明工地的项目,原则上是以项目建设管理单位所管辖的一个工程项目或其 中的一个或几个标段为单位的工程项目(或标段)。

  1. 考核复核。县级及以上水行政主管部门负责受理文明工地创建申请,对申报单 位进行现场考核,并逐级向上一级水行政主管部门推荐。省、自治区、直辖市水利(水

务)厅(局)文明办会同建管部门进行复核,本着优中选优的原则提出推荐名单,经本 单位文明委同意后报水利部。

流域机构所属的工程项目,由流域机构文明办会同建管部门进行考核,提出推荐 名单并经流域机构文明委同意后报水利部。

水利部直属工程项目,由项目法人直接向水利部申报。

  1. 公开公示。水利部文明委审议通过后,在水利部相关媒体上进行为期一周的 公示,接受公众监督。公示期间有异议的,由水利部文明办、建设与管理司组织复核。
  2. 发文通报。对符合条件的“文明工地”工程项目,正式发文予以通报。
  3. 参与水利水电工程项目经理评价

为引导水利水电工程项目经理优质、高效地完成工程项目建设,促进我国水利水 电工程建设项目施工管理水平不断提升,中国水利企业协会发布了《水利水电工程施 工项目经理评价规程》T/CWEC 23—2021,并据此规程组织开展项目经理综合评价 工作。

1 )评价程序

评价以材料评审为主,现场抽查为辅的方式开展。评价程序包括申报材料受理与 审查、评价赋分、社会公示、结果发布。

2)基本条件

  1. 具有注册建造师职业资格,且注册证上的聘用企业与申报企业一致。
  2. 评价期内担任项目经理岗位,具有有效的水利水电工程施工企业项目负责人 安全生产考核合格证。
  3. 近三年承担的项目未发生等级以上质量事故。
  4. 近三年承担的项目未发生等级以上生产安全责任事故。
  5. 近三年承担的项目未发生等级以上环境污染事故。
  6. 无违法行为记录、无失信、拖欠农民工工资等不良行为。
  7. 近三年承担的项目具有良好的经济效益和社会效益。
  8. )评价指标见表9.3-2

表9.3-2水利水电工程项目经理评价指标

评价指标 评价内容 评价标准 分值及

计分方式
资格资历 (20 分) (1)注册建造师职业资格(4分) 一级建造师 4
二级建造师 2
(2)项目经理工作经历(10分) 取得建造师注册证书并担任项目经理满10年 10
取得建造师注册证书并担任项目经理满5年 8
取得建造师注册证书并担任项目经理满3年 4
(3)学历(3分) 本科及以上学历 3
大专学历 2
(4)相关专业技术职称(3分) 具有副高级及以上职称 3
具有中级职称 2

续表

评价指标 评价内容 评价标准 分值及

计分方式_
工作业绩 50 分) 1近五年担任项目经理所完成的 水利水电工程建设项目合同总额及 单个项目合同金额达到规模以上 2◦分 所在单位水利 水电工程施工 资质为总承包 特级、总承包 一级(或相对 应资质等级) 担任项目经理的水利水电工程建设项 目合同总额不少于10000万元且至 少一个项目合同额不少于5000万元 20
担任项目经理的水利水电工程建设项 目合同总额不少于8000万元且至 少一个项目合同额不少于400◦万元 18
担任项目经理的水利水电工程建设项 目合同总额不少于6000万元且至 少一个项目合同额不少于2000万元 15
担任项目经理的水利水电工程建设项 目合同总额不少于4000万元且至 少一个项目合同额不少于2000万元 10
所在单位水利 水电工程施工 资质为总承包 二级及以下、 专业承包资质 (或相对应资 质等级) 担任项目经理的水利水电工程建设项 目合同总额不少于8000万元且至 少一个项目合同额不少于4000万元 20
担任项目经理的水利水电工程建设项 目合同总额不少于6000万元且至 少一个项目合同额不少于3000万元 18
担任项目经理的水利水电工程建设项 目合同总额不少于4500万元且至 少一个项目合同额不少于1500万元 15
担任项目经理的水利水电工程建设项 目合同总额不少于3000万元且至 少一个项目合同额不少于1200万元 10
2近五年担任项目经理所完成的 水利水电工程建设项目通过单位工 程验收或合同工程完工验收5分 具备该项条款 5
3近五年担任项目经理所完成的 水利水电工程建设项目经质置监督 部门核定质量合格或优良5分 优良 5
合格 2
4近五年担任项目经理的水利水 电工程建设项目符合水利安全生产 标准化要求,无质量和生产安全贵 任事故5分 所在单位取得了水利安全生产标准化等级证书且处 于有效期内 2
申报项目符合水利安全生产标准化要求,无质里和 生产安全贵任事故 3
5近五年担任项目经理的水利水 电工程建设项目符合环境保护的要 求未发生环境污染事件5分 符合环境保护的要求,未发生环境污染事件 5
6近五年担任项目经理的水利水 电工程建设项目未发生不良社会影 晌事件2分 无不良社会影晌事件 2
7注重施工队伍管理对施工现 场人员按规定进行培训,持证上岗 率达到100% 3分 具备该项条款 3

续表

评价指标 评价内容 评价标准 分值及

计分方式
工作业绩 50 分) 8在近五年担任项目经理的水 利水电工程建设项目中注重技术革 新,有新技术、新工艺、新材料、 新设备的推广应用,有水利水电工 程建设相关的专著、论文、专利或 工法等3分 新技术、新工艺、新材料、新设备的推广应用 Λ/Χ1
有水利水电工程建设相关的专著、论文、专利或工 法等 Λ/Χ1
9近五年担任项目经理的水利水 电工程建设项因被项目法人评价为 履约良好或合格2分 评价为良好 2
评价为合格 1
信用记录 20 分) 1项目经理个人信用良好无失 信不良行为记录8分 无失信不良行为记录 8
2项目经理近三年所承担的水利 水电工程建设项目在投标、合同履 约、质量管理、安全生产、环境保 护、文明施工、财务管理、劳务分 包、农民工工资支付等方面无不良 行为记录12分 无相关不良行为记录如果存在不良行为记录扣2 分/项 12
奖励荣誉 10 分) 1近三年获得工程建设相关个人 奖励10分 部级以上奖励5分/项 Λ/Χ5
省级含相关行业协会奖励3分/项 Λ/Χ3
市、州含相关行业协会奖励2分/项 Λ/Χ2
获得省级以上水行政主管部门通报表扬的得2分/项 Λ/Χ2
获得地(市、州)级水行政主管部门通报表扬的, 得1分/项 Λ/Χ1
2近三年担任项目经理的水利 水电工程建设项目获得工程质量奖 1◦分 部级以上工程质量奖8分/项 Λ/Χ8
省级含相关行业协会工程质量奖4分/项 Λ/Χ4
地(市、州)级(含相关行业协会)工程质量奖 2分/项 Λ/Χ2
3近三年担任项目经理的水利 水电工程建设项目获得文明工地奖 10 分) 国家级文明工地奖3分/项 Λ/Χ3
省部级含相关行业协会文明工地奖2分/项 Λ/Χ2
地(市、州)级(含相关行业协会)文明工地奖 1分/项 Λ/Χ1
4近三年担任项目经理的水利水 电工程建设项目获得水利工程优秀 质量管理小组成果10分 国家级成果、省部级(含相关行业协会)一等(或丨 类成果3分/项 Λ/Χ3
省部级含相关行业协会二等II类及以下成 果1分/项 Λ/Χ1

1. “分值及计分方式”栏的**“N”**为项(次)。

  1. “评价指标”栏分值为对应各项“评价内容”的得分上限,“评价内容”栏分值为对应各项“评价标准” 的得分上限。
  2. 同一个水利水电工程建设项目获得同类别奖励荣誉的,取其最高级别奖项或最高赋分分值得分。

4)评价结果

项目经理依据评价综合得分划分为A级、B级、C级三个等级。70分为基本要求 低于70分不予评价。

  1. 分值90分及以上为A级。

(2 )分值80-90分(不含W分)为B级。

(3 )分值70〜80分(不含80分)为C级。

评价结果将在中国水利企业协会网站进行公示公告,并颁发证书。

9.4建设监理

9.4.1水利工程施工监理的工作方法和制度

  1. 水利工程建设项目施工监理的主要工作方法

根据《水利工程施工监理规范》SL 288—2014,水利工程建设项目施工监理的主要 工作方法是:

  1. 现场记录。监理机构记录每日施工现场的人员、原材料、中间产品、工程设 备、施工设备、天气、施工环境、施工作业内容、存在的问题及其处理情况等。
  2. 发布文件。监理机构采用通知、指示、批复、确认等书面文件开展施工监理 工作。
  3. 旁站监理。监理机构按照监理合同约定和监理工作需要,在施工现场对工程 重要部位和关键工序的施工作业实施连续性的全过程监督、检查和记录。
  4. 巡视检查。监理机构对所监理工程的施工进行的定期或不定期的监督和检查。
  5. 跟踪检测。监理机构对承包人在质量检测中的取样和送样进行监督。跟踪检 测费用由承包人承担。
  6. 平行检测。在承包人对原材料、中间产品和工程质量自检的同时,监理机构 按照监理合同约定独立进行抽样检测,核验承包人的检测结果。平行检测费用由发包人 承担。
  7. 协调。监理机构依据合同约定对施工合同双方之间的关系以及工程施工过程 中出现的问题和争议进行的沟通、协商和调解。
  8. 水利工程建设项目施工监理的主要工作制度

根据《水利工程施工监理规范》SL 288—2014,水利工程建设项目施工监理的主要 工作制度有:

(1 )技术文件核查、审核和审批制度。

  1. 原材料、中间产品和工程设备报验制度。
  2. 工程质量报验制度。承包人每完成一道工序或一个单元工程,都应经过自检。 承包人自检合格后方可报监理机构进行复核。上道工序或上一单元工程未经复核或复核 不合格,不得进行下道工序或下一单元工程施工。
  3. 工程计量付款签证制度。
  4. 会议制度。
  5. 紧急情况报告制度。

(7 )工程建设标准强制性条文(水利工程部分)符合性审核制度。

  1. 监理报告制度。
  2. 工程验收制度。
  3. 水利工程监理单位要求

根据《水利部关于修改〈水利工程建设监理单位资质管理办法〉的决定》(水利部 令第40号)和《水利部关于水利工程建设环境保护监理资质有效期届满处理和水利工 程建设监理单位资质变更申请审核有关事项的公告》(水利部公告2025年第17号) 水利工程监理单位及其人员的有关要求如下:

1 )有关水利工程监理单位的基本要求

(1 )水利工程监理单位资质分类与分级

水利工程建设监理单位资质分为水利工程施工监理、水土保持工程施工监理、机 电及金属结构设备制造监理三个专业。其中,水利工程施工监理、水土保持工程施工监 理专业资质等级分为甲级、乙级、丙级三个等级,机电及金属结构设备制造监理专业资 质分为甲级、乙级两个等级。

(2)水利工程施工监理资质等级许可的业务范围

  1. 甲级:可以承担各等级水利工程的施工监理业务。
  2. 乙级:可以承担Π等(堤防2级)以下等级水利工程的施工监理业务。
  3. 丙级:可以承担ΠΙ等(堤防3级)以下等级水利工程的施工监理业务。

水利工程建设项目需要开展环境保护监理工作的,可由该项目施工监理单位承担。 (3 )水土保持工程施工监理资质等级许可的业务范围

  1. 甲级:可以承担各等级水土保持工程的施工监理业务。
  2. 乙级:可以承担Π等以下水土保持工程的施工监理业务。
  3. 丙级可以承担m等以下水土保持工程的施工监理业务。

同时具备水利工程施工监理专业资质和乙级以上水土保持工程施工监理专业资质 的,方可承担淤地坝中的骨干坝施工监理业务。

适用于建设监理的水土保持工程等级划分标准见《水利部关于修改〈水利工程建设 监理单位资质管理办法〉的决定》(中华人民共和国水利部令第40号)。

  1. 机电及金属结构设备制造监理资质等级许可的业务范围
  2. 甲级:可以承担水利工程中的各类型机电及金属结构设备制造监理业务。
  3. 乙级:可以承担水利工程中的中、小型机电及金属结构设备制造监理业务。

适用建设监理的机电及金属结构设备等级划分标准见《水利部关于修改〈水利工程 建设监理单位资质管理办法〉的决定》(中华人民共和国水利部令第40号)。

监理单位应当在其资质等级许可的范围内承接工程建设监理业务。两个以上具备 承担招标项目相应能力的监理单位可以组成一个联合体承接工程建设监理业务,并以资 质等级较低的监理单位确定联合体的资质等级。

  1. 监理业务的承接
  2. 监理单位与被监理单位以及建筑材料、建筑构配件和设备供应单位有隶属关 系或其他利害关系的,不得承担该工程的建设监理业务。

(2 )监理单位不得超越本单位资质等级许可的范围或以其他监理单位的名义承接

工程建设监理业务,不得允许其他单位或个人以本单位名义承接工程建设监理业务,不 得以串通、欺诈、胁迫、贿赂等不正当竞争手段承揽水利工程建设监理业务,不得转让 工程建设监理业务。

  1. 水利工程监理人员的基本要求

1 )监理人员分类及专业划分

根据《水利工程建设监理规定》水利部令第28号监理单位应当聘用一定数量 的监理人员从事水利工程建设监理业务。监理人员包括总监理工程师、监理工程师和监 理员。总监理工程师、监理工程师应当具有监理工程师职业资格,总监理工程师还应当 具有工程类高级专业技术职称。

监理员、监理工程师的监理专业分为水利工程施工、水土保持工程施工、机电及 金属设备制造3类。其中水利工程施工类设水工建筑、机电设备安装、金属结构设备 安装、地质勘察、工程测量5个专业水土保持工程施工类设水土保持1个专业机电 及金属结构设备制造类设机电设备制造、金属结构设备制造2个专业。总监理工程师不 分类别、专业。

2监理工程师职业资格取得

根据《住房和城乡建设部、交通运输部、水利部、人力资源社会保障部关于印发 〈监理工程师职业资格制度规定〉〈监理工程师职业资格考试实施办法〉的通知》(建人 规20203号监理工程师应通过职业资格考试取得中华人民共和国监理工程师职 业资格证书,经注册方可以监理工程师名义执业,分为土木建筑工程、交通运输工程、 水利工程3个专业类别。监理工程师不得同时受聘于两个或两个以上单位执业。

监理工程师职业资格考试合格者,由各省、自治区、直辖市人力资源社会保障行 政主管部门颁发中华人民共和国监理工程师职业资格证书(或电子证书)。该证书由人 力资源和社会保障部统一印制,住房和城乡建设部、交通运输部、水利部按专业类别分 别与人力资源和社会保障部用印,在全国范围内有效。由住房和城乡建设部、交通运输 部、水利部分别核发《中华人民共和国监理工程师注册证》(或电子证书)。监理工程 师执业时应持注册证书和执业印章。注册证书、执业印章样式以及注册证书编号规则由 住房和城乡建设部会同交通运输部、水利部统一制定。执业印章由监理工程师按照统一 规定自行制作。注册证书和执业印章由监理工程师本人保管和使用。上述规定施行之前 取得的水利工程建设监理工程师资格证书,效用不变。

  1. 监理人员岗位职责

1 )总监理工程师职责

水利工程施工监理实行总监理工程师负责制。总监理工程师应负责全面履行监理 合同约定的监理单位的义务。主要职责应包括下列各项:

1 主持编制监理规划,制定监理机构工作制度,审批监理实施细则。

2 确定监理机构部门职责及监理人员职责权限;协调监理机构内部工作;负责 监理机构中监理人员的工作考核,调换不称职的监理人员;根据工程建设进展情况,调 整监理人员。

3 )签发或授权签发监理机构的文件。

4主持审核承包人提出的分包项目和分包人报发包人批准。

  1. 审批承包人提交的合同工程开工申请、施工组织设计、施工进度计戈IJ、资金 流计划。
  2. 审批承包人按有关安全规定和合同要求提交的专项施工方案、度汛方案和灾 害应急预案D

(7 )审核承包人提交的文明施工组织机构和措施。

  1. 主持或授权监理工程师主持设计交底;组织核查并签发施工图纸。
  2. 主持第一次监理工地会议,主持或授权监理工程师主持监理例会和监理专题 会议。
  3. 签发合同工程开工通知、暂停施工指示和复工通知等重要监理文件。
  4. 组织审核已完成工程量和付款申请,签发各类付款证书。
  5. 主持处理变更、索赔和违约等事宜,签发有关文件。
  6. 主持施工合同实施中的协调工作,调解合同争议。
  7. 要求承包人撤换不称职或不宜在本工程工作的现场施工人员或技术、管理 人员。
  8. 组织审核承包人提交的质量保证体系文件、安全生产管理机构和安全措施文 件并监督其实施,发现安全隐患及时要求承包人整改或暂停施工。
  9. 审批承包人施工质量缺陷处理措施计划,组织施工质量缺陷处理情况的检查 和施工质量缺陷备案表的填写;按相关规定参与工程质量及安全事故的调查和处理。
  10. 复核分部工程和单位工程的施工质量等级,代表监理机构评定工程项目施工 质量。
  11. 参加或受发包人委托主持分部工程验收,参加单位工程验收、合同ΣΤ程完工 验收、阶段验收和竣工验收。
  12. 组织编写并签发监理月报、监理专题报告和监理工作报告;组织整理监理档 案资料。
  13. 组织审核承包人提交的工程档案资料,并提交审核专题报告。

总监理工程师可书面授权副总监理工程师或监理工程师履行其部分职责,但下列 工作除外:

  1. 主持编制监理规划,审批监理实施细则。
  2. 主持审查承包人提出的分包项目和分包人。
  3. 审批承包人提交的合同工程开工申请、施工组织设计、施工总进度汁划、年 施工进度计划、专项施工进度计划、资金流计划。
  4. 审批承包人按有关安全规定和合同要求提交的专项施工方案、度汛方*案和灾 害应急预案。
  5. 签发施工图纸。
  6. 主持第一次监理工地会议,签发合同工程开工通知、暂停施工指示和复工 通知。
  7. 签发各类付款证书。
  8. 签发变更、索赔和违约有关文件。
  9. 签署工程项目施工质量等级评定意见。
  10. 要求承包人撤换不称职或不宜在本工程工作的现场施工人员或技术、管理 人员。
  11. 签发监理月报、监理专题报告和监理工作报告。
  12. 参加合同工程完工验收、阶段验收和竣工验收。
  13. 监理工程师职责

监理工程师应按照职责权限开展监理工作,是所实施监理工作的直接责任人,并 对总监理工程师负责。主要职责包括下列各项:

  1. 参与编制监理规划,编制监理实施细则。

(2 )预审承包人提出的分包项目和分包人。

  1. 预审承包人提交的合同工程开工申请、施工组织设计、施工总进度计划、年 施工进度计划、专项施工进度计划、资金流计划。
  2. 预审承包人按有关安全规定和合同要求提交的专项施工方案、度汛方案和灾 害应急预案。

(5 )根据总监理工程师的安排核查施工图纸。

  1. 审批分部工程或分部工程部分工作的开工申请报告、施工措施计划、施工质 量缺陷处理措施计划。
  2. 审批承包人编制的施工控制网和原始地形的施测方案;复核承包人的施工放 样成果;审批承包人提交的施工工艺试验方案、专项检测试验方案,并确认试验成果。
  3. 协助总监理工程师协调参建各方之间的工作关系;按照职责权限处理施工现 场发生的有关问题,签发一般监理指示和通知。
  4. 核查承包人报验的进场原材料、中间产品的质量证明文件;核验原材料和中 间产品的质量;复核工程施工质量;参与或组织工程设备的交货验收。
  5. 检查、监督工程现场的施工安全和文明施工措施的落实情况,指示承包人纠 正违规行为;情节严重时,向总监理工程师报告。
  6. 复核已完成工程量报表。
  7. 核查付款申请报表。
  8. 提出变更、索赔及质量和安全事故处理等方面的初步意见。
  9. 按照职责权限参与工程的质量评定工作和验收工作。
  10. 收集、汇总、整理监理档案资料,参与编写监理月报,核签或填写监理日志。
  11. 施工中发生重大问题或遇到紧急情况时,及时向总监理工程师报告、请示。
  12. 指导、检查监理员的工作。必要时可向总监理工程师建议调换监理员。
  13. 完成总监理工程师授权的其他工作。
  14. 监理员职责

监理员应按照职责权限开展监理工作。其主要职责应包括下列各项:

(1 )核实进场原材料和中间产品报验单并进行外观检查,核实施工测量成果报告。

  1. 检查承包人用于工程建设的原材料、中间产品和工程设备等的使用情况,并 填写现场记录。

(3 )检查、确认承包人单元工程(工序)施工准备情况。

(4)检查并记录现场施工程序、施工工艺等实施过程情况,发现施工不规范行为

和质量隐患,及时指示承包人改正,并向监理工程师或总监理工程师报告。

  1. 对所监理的施工现场进行定期或不定期的巡视检查,依据监理实施έ田则实施 旁站监理和跟踪检测。
  2. 协助监理工程师预审分部工程或分部工程部分工作的开工申请报告、施工措 施计划、施工质量缺陷处理措施计划。

(7 )核实工程计量结果,检查和统计计日工情况。

(8)核查、监督工程现场的施工安全和文明施工措施的落实情况,发现异常情况 及时指示承包人纠正违规行为,并向监理工程师或总监理工程师报告。

(9 )检查承包人的施工日志和现场实验室记录。

  1. 核实承包人质量评定的相关原始记录。
  2. 填写监理日记,依据总监理工程师或监理工程师授权填写监理日志。

监理人员应当保守执(从)业中的秘密。监理人员不得与被监理工程的施工单位以 及建筑材料、建筑构配件和设备供应单位发生经济利益关系。

9.4.2水利工程施工监理工作的主要内容

  1. 施工准备阶段监理工作的基本内容

根据有关规范和规定,水利工程建设项目施工监理施工准备阶段监理工作的基本 内容是检查开工前发包人应提供的施工条件是否满足开工要求。

(1 )检查开工前由发包人准备的施工条件情况

  1. 首批开工项目施工图纸的提供。
  2. 测量基准点的移交。
  3. 施工用地的提供。
  4. 施工合同约定应由发包人负责的道路、供电、供水、通信及其他条件和资源的 提供情况。

(2 )检查开工前承包人的施工准备情况

  1. 承包人派驻现场的主要管理、技术人员及特种作业人员是否与施工合同文件一 致。如有变化,应重新审查并报发包人认可。
  2. 承包人进场施工设备的数量、规格和性能是否符合施工合同约定,进场情况和 计划是否满足开工及施工进度的要求。
  3. 进场原材料、中间产品和工程设备的质量、规格是否符合施工合同约定,原材 料的储存量及供应计划是否满足开工及施工进度的需要。
  4. 承包人的检测条件或委托的检测机构是否符合施工合同约定及有关规定。
  5. 承包人对发包人提供的测量基准点的复核,以及承包人在此基础上完成施工测 量控制网的布设及施工区原始地形图的测绘情况。
  6. 砂石料系统、混凝土拌和系统或商品混凝土供应方案以及场内道路、供水、供 电、供风及其他施工辅助加工厂、设施的准备情况。
  7. 承包人的质量保证体系。
  8. 承包人的安全生产管理机构和安全措施文件。
  9. 承包人提交的施工组织设计、专项施工方案、施工措施计划、施工总进度计划、资金流计划、安全技术措施、度汛方案和灾害应急预案等。
  10. 应由承包人负责提供的施工图纸和技术文件。

⑪按照施工合同约定和施工图纸的要求需进行的施工工艺试验和料场规划情况。 ⑫承包人在施工准备完成后递交的合同工程开工申请报告。

  1. 监理机构应参加、主持或与发包人联合主持召开设计交底会议,由设计单位 进行设计文件的技术交底。

(4 )施工图纸的核查与签发应符合下列规定:

  1. 工程施工所需的施工图纸,应经监理机构核查并签发后,承包人方可用于施工。 承包人无图纸施工或按照未经监理机构签发的施工图纸施工,监理机构有权责令其停 工、返工或拆除,有权拒绝计量和签发付款证书。
  2. 监理机构应在收到发包人提供的施工图纸后及时核查并签发。在施工图纸核查 过程中,监理机构可征求承包人的意见,必要时提请发包人组织有关专家会审。监理机 构不得修改施工图纸,对核查过程中发现的问题,应通过发包人返回设代机构处理。
  3. 对承包人提供的施工图纸,监理机构应按施工合同约定进行核查,在规定的期 限内签发。对核查过程中发现的问题,监理机构应通知承包人修改后重新报审。
  4. 经核查的施工图纸应由总监理工程师签发,并加盖监理机构章。
  5. 参与发包人组织的工程质量评定项目划分。
  6. 施工实施阶段监理工作的基本内容

根据有关规范和规定,水利工程建设项目施工监理实施阶段监理工作的基本内容有:

1 )开工条件的控制

水利工程建设项目开工条件的控制包括签发开工通知、分部工程开工、单元工程 开工、混凝土浇筑开仓。

第一个单元工程在分部工程开工批准后开工,后续单元工程凭监理机构签认的上 一单元工程施工质量合格文件方可开工。监理机构应对承包人报送的混凝土浇筑开仓报 审表进行审核。符合开仓条件后,方可签发。

  1. 工程质量控制

按照监理工作制度和监理实施细则开展工程质量控制工作,对施工质量及与质量 活动相关的人员、原材料、中间产品、工程设备、施工设备、工艺方法和施工环境等质 量要素进行监督和控制。

监理机构可采用跟踪检测、平行检测方法对承包人的检验结果进行复核。其中:

  1. 平行检测的检测数量混凝土试样不应少于承包人检测数量的3%,重要部位 每种强度等级的混凝土最少取样1组。
  2. 土方试样不应少于承包人检测数量的5%;重要部位至少取样3组。
  3. 跟踪检测的检测数量混凝土试样不应少于承包人检测数量的7%, 土方试样 不应少于承包人检测数量的10%。

监理机构应按照监理合同约定通知发包人委托或认可的具有相应资质的工程质量 检测机构进行检测试验。施工过程中,监理机构可根据工程质量控制工作需要和工程 质量状况等确定平行检测的频次分布。根据施工质量情况需要增加平行检测项目、数 量时,监理机构可向发包人提出建议,经发包人同意增加的平行检测费用由发包人承担。

3 工程进度控制

审批施工总进度计划;审批承包人提交的施工进度计划;实际施工进度的检查与 协调;施工进度计划的调整。

当工程变更影响施工进度计划时,监理机构应指示承包人编制变更后的施工进度 计划;施工进度计划的调整涉及总工期目标、阶段目标改变或者资金使用有较大的变化 时监理机构应提出审查意见报发包人批准9

4 工程资金控制

审核承包人提交的资金流计划,并协助发包人编制合同工程付款计划;建立合同 工程付款台账,对付款情况进行记录。根据工程实际进展情况,对合同工程付款:情况进 行分析,必要时提出合同工程付款计划调整建议;审核工程付款申请;根据施ΖΞ合同约 定进行价格调整;审核完工付款申请,签发完工付款证书;审核最终付款申请,签发最 终付款证书等。

5 施工安全监理

6 文明施工监理

7 合同管理的其他工作

包括工程变更;索赔管理;违约管理;工程保险;工程分包、争议的解决等。

8 信息管理

9 工程质量评定与验收

9.4.3水力发电工程监理质量控制的内容

水电水利工程监理包括项目前期咨询、设计阶段监理和工程项目建设实施阶段监 理(施工监理)。

根据《水电水利工程施工监理规范》DL/T 5111—2024,监理人员应遵守“守法、 诚信、公正、科学”的职业准则,正确运用委托人授权和监理技能,督促委托人(项目 法人或建设单位,下同)和施工承包人履行建设工程施工合同义务,维护双方的合同权 益,为工程建设提供服务。监理人员包括总监理工程师、安全副总监理工程师、专业监 理工程师。

  1. 合同工程开工准备

1监理机构应在合同工程开工前会同委托人、施工承包人进行工程项目划分与 编码。

2 )施工承包人履约体系检查。

3 )施工控制测量成果验收。

4进场施工资源检查。

5 )批准合同工程项目施工组织设计以及首批开工分部分项工程施工措施汁划。

6按合同约定或委托人指示及时发布合同工程开工令督促施工承包人进行各 项施工准备、项目开工施工。

  1. 施工质量控制

监理机构应采取技术审查、巡检、平行检测等手段对施工质量进行控制。

1 )施工质量检查的原则

  1. 合同工程实施过程中,国家或政府部门颁发新的技术标准替代了原技术标准, 经委托人批准,可从新标准生效之日起依据新标准执行。

(2 )当建设工程施工合同约定的技术标准低于国家或政府部门颁发的强制性技术 标准时,应按国家或政府部门颁发的强制性技术标准执行。

  1. 当合同约定的技术标准高于国家或政府部门颁发的技术标准时,应按合同技 术标准执行。
  2. 工程施工实施过程中,监理机构应根据工程施工所揭示的实际地质情况和施 工条件,依照建设工程施工合同约定,提请委托人对合同技术标准与质量检验方法进行 补充、修改与调整。

2)工程项目开工审查

  1. 单位工程开工前,监理机构应审查、批准施工承包人结合现场施工条件编制 的单位工程施工组织设计,核查施工承包人为首批开工的分部分项工程所调集的施工资 源以及施工准备情况。
  2. 分部分项工程开工前,监理机构应审查施工承包人提交的分部分项工程施工 措施计划或专项施工方案。
  3. 单元工程开工前,监理机构宜组织施工承包人、设计单位等相关方对开工条 件及开工准备工作进行联合检查。

有关不同建设阶段工程项目《施工组织设计》的功能特性见表9.4-1。

表9.4-1不同建设阶段工程项目《施工组织设计》的功能特性

阶段 编制人 功能或目标 编制依据 评价基准
可行性

研究阶段
咨询或

设计单位
投资项目选择与评价 当前社会平均价格、效率或先进施工 企业普遍能达到的水平 切实、 可行
招标设计 阶段 设计单位 贯彻招标意图,择优选择中标人 项目法人期望的价格、效率或期望中 标人应达到的水平 更局、 更优
投标阶段 投标人 响应招标文件,期望中标 尽可能晌应招标人期望的投标人施工 成本以及投标人努力达到的水平 可比、 中标
工程实施 阶段 承包人 保证合同切实履行、保障施工有 序进展、促进合同目标更优实现 符合合同支付价格、现场建设条件和 承包人实际所能实现的施工水平 切实、 可靠
  1. 监理机构应审查施工承包人承担设计的总价承包项目开工申请。
  2. 施工过程检查与监督

(1 )原材料质量检查。

  1. 施工设备、设施与人员检査。
  2. 对重要工程项目、关键施工工序,进行全过程跟踪监督。
  3. 按建设工程施工合同约定向施工承包人发布各种指令。
  4. 在委托人规定必须开展独立或平行检验时,其检测频率不低于质量检查标准 规定检验频数的10%,或达到能独立进行统计分析的数量要求。
  5. 工程质量检查与评定

(1 )工程质量检查按单元工程、分部分项工程、单位工程逐级进行。

  1. 工程质量检查实行施工承包人自检和监理机构抽检认证。
  2. 不合格施工工序、单元工程必须经返工或修复合格并取得监理机构认证后,方 准予进人下道工序或后序单元工程施工。
  3. 监理机构对原材料、半成品、施工工序质量的检查可以采用抽检、乎行检验、 巡查监督等方式进行。当监理机构的检验结果与施工承包人的检验结果发生影Π向判定质 量合格与否的差异时,监理机构应组织分析并确认产生差异的原因,必要时应才旨示施工 承包人加倍检验,或采用其他有效的检验方法进行验证。
  4. 对重要建筑物建基面、基础处理工程等重要隐蔽工程,金属结构件与机电设 备安装工程、工程安全监测、施工质量事故或质量缺陷处理,监理机构应在施ΞΕ承包人 自检合格的基础上组织委托人、设计人员、施工承包人等各方参加现场联合检查。
  5. 工程进度控制

监理机构在建设工程施工合同约定的期限内完成对施工承包人报送的施工进度计 划的审批,主要有:

  1. 依据合同工程项目的施工特性、施工方案、建设工程施工合同约定的工期目 标,对施工承包人报送的施工总进度计划进行审批。
  2. 依据经批准的施工总进度计划、工程阶段目标、现场施工条件、施工方案,对 施工承包人制定的单位工程、分部分项工程施工进度计划进行审批。

(3 )依据施工总进度计划对施工承包人制定的阶段性施工进度计划进行审利;。

当施工进度计划涉及对合同工期控制目标的调整或合同商务条件的变化,或可能 导致委托人供应条件与支付能力不足等情况时,监理机构在做出批准前应事先得到委托 人的批准。

  1. 合同工期管理
  2. 当实际工程进展与施工进度计划发生严重偏差,可能影响合同工期目标实现 时,或工程变更引起的工期变化对施工进度有重大性影响时,监理机构应通知施工承包 人调整修改施工进度计划,并报监理机构审批。

(2 )监理机构按下列程序审查与处理施工承包人的工期延误申请:

  1. 对引起工期延误的事项和其对工期影响程度进行分析评估。
  2. 界定委托人、施工承包人对工期延误的责任。
  3. 确定延长工期的合理天数。
  4. 向委托人提出对施工承包人申报的工期延误申请的监理意见。
  5. 当委托人提出缩短合同工期要求时,监理机构应分析缩短合同工期的可行性与 合理性,并要求施工承包人制定加快进度措施,调整施工进计划,增加施工资源投人, 编制新的施工进度计划提交监理机构审查、委托人审批。
  6. 组织协调

1 )协调方式

工程项目开工前,监理机构应依据委托人授予的权力和建设工程施工合同约定, 建立监理协调制度,明确监理协调的范围、原则、内容、方式、程序。监理机构协调可采用以下方式:

(1 )针对施工中的问题,及时组织有关方人员直接协商解决。

  1. 定期主持召开有关各参建单位代表参加的工地协调例会。
  2. 主持召开或参与委托人主持召开的专题会议。

(4 )与施工承包人项目部相关负责人进行小范围沟通与协商。

  1. 对于难以达成一致意见的事项,监理机构可从合同工程总体目标出发,依据 建设工程施工合同约定,在委托人授予的权力范围内提出处理意见,并指示施工承包人 执行。
  2. 协调会议
  3. 第一次工地会议。第一次工地会议应由总监理工程师主持,通知施工承包人 项目经理及其他参建单位工地项目管理机构负责人或代表参加。
  4. 工地协调例会。监理机构应定期主持召开有施工承包人项目经理和相关单位 工地项目管理机构负责人参加的工地协调例会。
  5. 专题会议。对于比较重大、比较复杂或专门的工程技术、工程质量、工程安 全、工程进度、合同商务等事项,可采用专题会议的方式进行研究和解决。专题会议宜 由总监理工程师或委托人代表主持,组织相关参建单位代表参加。

(4 )监理机构协调权力:

  1. 对于超越委托人对监理单位授权范围的商议或决定事项,包括涉及委托人与施 工承包人之间合同变更或合同履行过程中状态调整等事项的会议,应由委托人代表主 持,会议纪要文件应以委托人或其授权部门名义发出。
  2. 委托人与施工承包人双方就合同变更事项进行协商的纪要文件应由合同双方授 权代表签署。
  3. 在争议双方长久不能达成一致并将因此影响工程进展时,总监理工程师可以按 建设工程施工合同约定公正、独立地做出临时决定。
  4. 合同约见

(1 )约见方式

  1. 当施工承包人项目部拒不执行监理机构的指令或违反建设工程施工合同时,为 避免施工承包人违约事态扩大,总监理工程师可先采取合同约见的方式,向施工承包人 项目经理提出警吿。
  2. 如有必要,总监理工程师还可建议委托人向施工承包人法定代表人发出约见通 知,督促施工承包人采取有效措施停止违约行为,并挽回违约造成的损失。

(2 )约见程序

  1. 向施工承包人项目部发出约见通知,写明被约见人、约见的地点和时间,并简 要说明约见的有关问题,约见通知应署名约见人的姓名。
  2. 约见时,约见人应指出施工承包人存在问题的严重性及可能造成的后果,并提 出挽救的途径及建议。被约见人可对情况做出说明和解释。
  3. 监理机构应对双方的谈话做出详细的记录,以纪要或备忘录的形式将约见谈话 内容发送委托人和施工承包人。
  4. 工程文件传递与处理

工程文件指工程参建各方之间为实现工程建设合同目的所形成和传递的,经合同 约定程序确认有效的书面记录、资料。

  1. 工程文件传递流程
  2. 监理机构与各方之间具有合同效力的一切联系应以书面文件为准。建设工程 监理合同约定需附电子版或照片、音像资料的文件,应同时提供文件的电子版和相关的 照片、音像资料。
  3. 在可能导致人身、设备或施工事故的紧急情况和其他特殊情况下,可先口头 或电话通知文件内容,但应在合同约定的时间内及时补发书面文件确认。
  4. 工程文件的传递应按照合同约定的要求和流程,通过各参建单位授权部门和 人员进行,并作好文件的登记、签收。其他部门和个人未按规定流程传递的文件,不能 视为代表单位或机构的正式文件。
  5. 工程文件的送达时间以送达单位授权部门负责人或指定签收人的签收时间 为准。

(5 )监理机构应按建设工程监理合同约定和委托人要求发送委托人的文件。

  1. 监理机构主持的设计交底会、施工图纸会审会和其他应有驻工地设计代表参 加的工地协调会纪要等与工程设计相关的监理文件,应发送设计单位驻工地设计代表 机构。
  2. 工程文件处理流程
  3. 除建设工程施工合同文件另有规定外,施工承包人涉及工程合同目标控制、合 同履行和施工管理等监理范围事项的文件,应报送监理机构处理。
  4. 除非委托人另有指示或建设工程施工合同文件另有约定,委托人关于工程施 工的主要意见和决策,应通过监理机构向施工承包人下达实施。
  5. 对按建设工程施工合同约定需要委托人审批或决策的事项,监理机构应在报 经委托人审批后再批复施工承包人。
  6. 参建各方对收到的文件应及时予以处理,需要反馈意见的,应在合同釣定的期 限内予以回复。逾期未予回复,应视为对来文没有异议;若由此造成工程延误和损失, 应由相关责任单位承担合同责任。
  7. 属紧急工程的文件,应在其左上角明显位置加盖“急件”章,受理方应在合 理的最短时间内做出处理。
  8. 委托人应在建设工程监理合同约定的期限内,就监理机构书面提交并要求委 托人做出决定的事项做出书面决定,送达监理机构。
  9. 施工承包人对监理文件有异议,应在合同约定期限内向监理机构提出质疑。
  10. 对设计文件异议的处理
  11. 施工承包人对设计文件有异议,应及时向监理机构提出。
  12. 监理机构确认异议后应及时向委托人提出,并要求设计单位驻工地设计代表 予以澄消或做出相应修改。
  13. 对需要做出设计修改的,设计单位驻工地设计代表应提交相应的设计修改通 知或图纸。

9.4.4水力发电工程监理合同费用控制的内容

  1. 工程计量
  2. 不符合建设工程施工合同约定或未经质量检查验收合格的工程与工作,不得 进行工程计量。
  3. 当建设工程施工合同没有约定土石方明挖工程量的确定方法,委托人与施工 承包人也没有就土石方明挖工程量的确定方法达成一致意见时,监理机构应采用以下任 意一种方法确定工程量:
  4. 监理机构与施工承包人联合进行开挖区原始地形、不同岩性分界线测量,依据 联合测量成果计算应支付的各类岩石明挖工程量。
  5. 监理机构通过抽测,复核施工承包人报送的开挖区原始地形、不同岩性分界 线测量成果,确认其测量成果可行后,依据其测量成果计算应支付的各类岩石明挖工 程量。

(3 )无法根据有关设计文件计算工程量的工程项目,监理机构应在该项目施工前或 完成后及时与施工承包人在现场共同确认应计量的工程量,并填写工程量现场确认单, 作为工程计量的依据。

无法根据有关图纸和相关文件计算其工程量的施工项目主要有:随机锚杆、随机 喷混凝土、地质缺陷处理、探洞封堵、高边坡危石清理、计日工等。

  1. 监理机构应按以下程序进行工程计量:
  2. 工程施工过程中,施工承包人对应计量支付的已完工程(工作)项目提出工程 计量申报单。
  3. 监理机构审查施工承包人的工程计量申报单,确认中期可支付工程量。
  4. 单价支付项目或变更增加的支付项目全部完成后,监理机构应对该项目应支付 的工程总量进行核算,发现超结量、欠结量时应及时进行结算调整。
  5. 合同工程完工结算前,监理机构应对实际完成且符合支付条件的所有单价支付 项目应支付工程量进行最终审核,经施工承包人签字确认的审核结果作为合同工程完工 结算的依据。

(5 )单价支付项目应支付工程量的最终审核:

  1. 依据图纸计算工程量的单价支付项目,应由相关的监理工程师计算、合同工程 师校核、总监理工程师核定。
  2. 依据测量图计算工程量的项目,应由测量工程师计算、合同工程师校核、总监 理工程师核定。
  3. 核定后必须填写单价支付项目最终应支付工程量审核单,计算、校核、核定人 员签字。

(6 )监理机构应及时对施工承包人申报的工程计量申报单进行审查,签发工程计量 签证。当工程计量过程中发生争议时,监理机构应对施工承包人申报的无争议部分先予 以计量,对有争议的部分应及时组织相关方核实争议事项,确定应计量结算的工程量。

  1. 支付

(1 )发现中期支付存在项目、单位、单价、合价、支付比例等错误时,监理机构

应在下期支付时进行调整。

(2 )总价承包项目计量支付应按以下程序进行:

  1. 监理机构审查施工承包人提交的总价承包项目支付分解表。
  2. 监理机构依据经批准的总价承包项目支付分解表,按项目完成的工程形象或实 际完成工程量或工作量,在工程合格基础上计量支付。

(3 )监理机构应根据最终确定的变更工程单价对之前按暂定单价支付的工程变更 价款进行调整。

  1. 合同管理
  2. 监理机构应依据委托人授权和建设工程施工合同约定,受理施工承包人提出 的分包申请,提出意见或按委托人授权做出决定。
  3. 当施工承包人提出的分包项目申请超越允许分包的范围,或分包单位不具备 相应的资格与能力时,监理机构应拒绝其分包申请。

(3 )监理机构应从以下几方面协助委托人做好指定分包管理:

  1. 检查指定分包人与分包项目工程或工作相关的资格与履约能力资料,发现问题 及时向委托人报告。
  2. 要求指定分包人接受施工承包人的统一安排和监督,避免由于指定分包人疏忽、 违约对工程施工造成不利影响。

(4 )监理机构应按下列原则对分包项目进行管理:

  1. 监理机构应将分包人视为施工承包人的一部分,将分包人施工中存在的问题视 为施工承包人的问题。
  2. 监理机构不得接收分包人报送的任何工程合同文件。
  3. 监理机构应要求施工承包人应督促分包人切实履行分包合同约定的义务,并尊 重分包人的合同权利。
  4. 工程变更

(1 )监理机构应按下列要求进行工程变更管理:

  1. 设计变更应由设计单位发出书面设计通知。监理机构发现设计变更不符合现场 地形、地质及施工条件时,应对设计变更提出意见和建议。
  2. 工程变更应在变更被批准后再实施。在出现危及生命或工程安全的紧急事态等 特殊情况下,可实施应急工程变更,但监理机构应督促相关方及时补办变更手续。
  3. 监理机构应按照委托人授权和建设工程施工合同约定的程序处理工程变更。
  4. 监理机构应按照建设工程施工合同约定进行变更费用估价,变更费用估价过程 宜与委托人和施工承包人协商,充分听取各方意见。
  5. 若委托人与施工承包人未能就工程变更单价达成一致意见并可能因lit而影响 施工时,监理机构可提出一个暂定单价并经委托人同意,作为临时支付单价。变更单价 最终确定后,再按最终确定的单价对已支付的变更工程款进行调整。
  6. 如果变更导致合同工期延误,应依据合同约定确定应当延长的工期。

(2)施工承包人向监理机构提交施工变更建议书时,监理机构应要求其同时提供 变更项目施工措施和进度计划、必要的图纸与资料。

(3 )监理机构应遵循以下原则审查工程变更通知或建议:

  1. 变更后不降低工程的安全、职业健康安全标准,不降低工程性能和效益。
  2. 工程变更设计技术可靠,有利于施工实施。
  3. 工程变更的费用经济合理。
  4. 工程变更对后续施工产生的不良影响可接受,不因变更导致合同工期目标的 推迟。
  5. 工程变更对合同工期、工程费用有较大影响,但有利于提高工程安全性和效益 时,监理机构应做出分析和评价供委托人决策。
  6. 对涉及工程设计文件修改的工程变更,应取得设计单位同意,必要时建议委托 人组织设计、施工承包人召开专题会议讨论确定。
  7. 施工承包人在未接到变更指令或事先得到同意的情况下,擅自进行工程变更, 监理机构不得签发包括变更支付项目的支付证书,还应判定施工承包人承担合同责任。
  8. 合同索赔
  9. 监理机构不得拒绝受理施工承包人提出的非施工承包人原因导致的施工费用 增加或工期延长且未得到合理补偿的索赔要求。

(2 )监理机构不得同意施工承包人因自身原因导致的工期延误与费用增加而提出 的索赔。

  1. 监理机构收到施工承包人的索赔意向通知书后,应按下列程序处理:
  2. 依据建设工程施工合同约定对施工索赔的有效性进行审查、评价,并提出初步 意见。
  3. 对索赔报告所附支持文件进行核实。需要施工承包人进一步提交详细资料时, 发出提交详细资料的通知。
  4. 如果索赔成立,在对索赔费用的计算依据、计算方法、取费标准、计算过程及 其合理性进行审查的基础上,提出应赔偿费用的初步意见。
  5. 如果索赔成立,在对工期延期索赔计算书中的工时工效、工期计划、关键线路 分析和工期计算成果审查与合理性分析基础上,提出工期顺延的初步意见。
  6. 对由委托人和施工承包人共同责任造成的费用损失,通过与合同双方协商,公 平合理地就双方分担的比例提出初步意见。
  7. 与合同双方协商、协调后,提出对本项索赔的审查意见,签发费用索赔报审表, 报委托人。
  8. 委托人书面同意监理机构对索赔的审查意见后,签发索赔款支付证书,调整合 同工期。
  9. 委托人与施工承包人对索赔事件处理存在争议时,发出监理机构的处理意见 文件。
  10. 因施工承包人原因造成委托人损失,委托人提出索赔时,监理机构应与委托 人和施工承包人协商处理。协商不成时,书面提出监理机构的处理意见。
  11. 违约处理

(1 )发现施工承包人违约,监理机构应采取下列措施:

  1. 发出书面指令,要求施工承包人限期整改,避免引发更严重的违约后果。
  2. 对施工承包人无能力或不愿意实施应由施工承包人完成的紧急或补救工作,协助委托人雇佣他人实施,并从应付给施工承包人的结算款中扣除相应的费用。
  3. 经与委托人协商后,协助委托人终止合同,办理并签发部分或全部中止合同的 支付。
  4. 委托人违约或施工承包人违约导致建设工程施工合同最终解除时,监理机构 应在充分听取委托人、施工承包人意见基础上,确定施工承包人应得的款项和应偿还委 托人的款项,并书面通知委托人和施工承包人。

10章 工程招标投标与合同管理

2026一建《水利》电子教材(可搜索)10.1工程招标投标

第10章

看本章精讲课 做本章自测题

10.1.1水利行业施工招标投标的主要要求

  1. 必须招标的项目和规模标准

根据《必须招标的工程项目规定》国家发展和改革委员会令第16号

以下简称16号令和国家发展和改革委员会《必须招标的基础设施和公用事业项目范

围规定》发改法规规2018] 843号以下简称843号文符合下列条件之一且施 工单项合同估算价在400万元人民币以上的防洪、灌溉、排涝、引水等水利基 础设施项目必须招标,同一项目中可以合并进行的勘察、设计、施工、监理以及与工 程建设有关的重要设备、材料等的采购,合同估算价合计达到前款规定标准的,必须 招标:

1使用预算资金包括一般公共预算资金、政府性基金预算资金、国有资本经 营预算资金、社会保险基金预算资金200万元人民币以上并且该资金占投资额10%

以上的项目。

2使用国有企业事业单位资金并且该资金占控股或者主导地位的项目“占控 股或者主导地位”参照《中华人民共和国公司法》第二百一十六条关于控股股东和实际 控制人的理解执行,即“其出资额占有限责任公司资本总额百分之五十以上或者其持有 的股份占股份有限公司股本总额百分之五十以上的股东;出资额或者持有股份的比例虽 然不足百分之五十,但依其出资额或者持有的股份所享有的表决权已足以对股东会、股 东大会的决议产生重大影响的股东”;国有企业事业单位通过投资关系、协议或者其他 安排,能够实际支配项目建设的,也属于占控股或者主导地位。项目中国有资金的比 例,应当按照项目资金来源中所有国有资金之和计算。

《国家发展改革委办公厅关于进一步做好〈必须招标的工程项目规定〉和〈必须招 标的基础设施和公用事业项目范围规定〉实施工作的通知》发改办法规2020770号 进一步明确了以下事项:

1 关于项目与单项采购的关系。16号令第二条至第四条及843号文第二条规定 范围的项目,其勘察、设计、施工、监理以及与工程建设有关的重要设备、材料等的 单项采购分别达到16号令第五条规定的相应单项合同价估算标准的该单项采购必 须招标该项目中未达到前述相应标准的单项采购不属于16号令规定的必须招标 范畴。

2 关于招标范围列举事项。依法必须招标的工程建设项目范围和规模标准,应 当严格执行《招标投标法》第三条和16号令、843号文规定法律、行政法规或者国 务院对必须进行招标的其他项目范围有规定的,依照其规定。没有法律、行政法规或者 国务院规定依据的对16号令第五条第一款第项中没有明确列举规定的服务事 项、843号文第二条中没有明确列举规定的项目不得强制要求招标。

3 关于同一项目中的合并采购。16号令第五条规定的“同一项目中可以合并进 行的勘察、设计、施工、监理以及与工程建设有关的重要设备、材料等的采购,合同估 算价合计达到前款规定标准的,必须招标”,目的是防止发包方通过化整为零方■式规避 招标。其中“同一项目中可以合并进行”,是指根据项目实际,以及行业标准或行业惯 例,符合科学性、经济性、可操作性要求,同一项目中适宜放在一起进行采购的同类采 购项目。

(4 )关于总承包招标的规模标准。对于16号令第j条至第四条规定范围内白勺项目 发包人依法对工程以及与工程建设有关的货物、服务全部或者部分实行总承包发包的, 总承包中施工、货物、服务等各部分的估算价中只要有一项达到16号令第五:条规定 相应标准即施工部分估算价达到400万元以上或者货物部分达到200万元以上或 者服务部分达到100万元以上则整个总承包发包应当招标。

  1. 关于规范规模标准以下工程建设项目的采购。16号令第二条至第四条及843 号文第二条规定范围的项目,其施工、.货物、服务采购的单项合同估算价未达至ϋ 16号 令第五条规定规模标准的,该单项采购由采购人依法自主选择采购方式,任何单位和个 人不得违法干涉;其中,涉及政府采购的,按照政府采购法律法规规定执行。国有企 业可以结合实际,建立健全规模标准以下工程建设项目采购制度,推进采购活动公开 透明。

(6 )严格执行依法必须招标制度。各地方应当严格执行16号令和843号文2规定的 范围和规模标准不得另行制定必须进行招标的范围和规模标准也不得作出与16号 令、843号文和本通知相抵触的规定持续深化招标投标领域“放管服”改革努力营 造良好市场环境。

  1. 投标回避或禁止准入

投标人除应具备承担招标项目施工的资质条件、能力和信誉外,还不得存在下列 情形之一:

  1. 为招标人不具有独立法人资格的附属机构(单位)。
  2. 为招标项目前期准备提供设计或咨询服务的,但设计施工总承包的除夕卜。
  3. 为招标项目的监理人。
  4. 为招标项目的代建人。

(5 )为招标项目提供招标代理服务的。

(6 )与招标项目的监理人或代建人或招标代理机构同为一个法定代表人的。 (7 )与招标项目的监理人或代建人或招标代理机构相互控股或参股的Ρ (8 )与招标项目的监理人或代建人或招标代理机构相互任职或工作的。

  1. 被责令停业的。
  2. 被暂停或取消投标资格的。
  3. 财产被接管或冻结的。
  4. 在最近三年内有骗取中标或严重违约或重大工程质量问题的。

单位负责人为同一人或者存在控股、管理关系的不同单位,也不得参加同一标段 投标或者未划分标段的同^招标项目投标。

根据水利部相关规定,在一定区域、一定时间存在不良行为记录被有关部门限制 准人或经查询有行贿记录的投标人不得在水利工程中投标。

  1. 异议处理

异议是投标人司法救济手段之一,与招标文件澄清或修改、投诉、诉讼一起,可 有效维护投标人权益。招标人是异议处理的责任主体,应当在招标公告和公示信息中公 布受理异议的联系人和联系方式,在法定时限内答复和处理异议。实行电子招标投标 的,应当支持系统在线提出异议、跟踪处理进程、接收异议答复。不得故意拖延、敷 衍,无故回避实质性答复,或者在作出答复前继续进行招标投标活动。在招标投标过程 中,投标人有权提出三种情况的异议:

  1. 招标文件异议

潜在投标人或者其他利害关系人对招标文件有异议的应当在投标截止时间10曰 前向招标人或其委托的招标代理公司提出。招标人或其委托的招标代理公司应当自收到 异议之日起3曰内作出答复作出答复前应当暂停招标投标活动。未在规定时间提出 异议的,不得再对招标文件相关内容提出异议或投诉。

招标文件的异议不同于招标文件的修改和澄清。招标文件的修改和澄清是招标人 进一步完善招标文件的程序,修改和澄清的内容有些是招标人主动发现的;有些是投标 人以招标文件修改函或澄清函的形式要求招标人完善并且招标人也认为应当完善的内 容。投标人对招标文件提出异议,经招标人回复属于招标文件修改和澄清范畴的,招标 人的回复必须同时执行招标文件的修改和澄清程序。

异议的内容主要是针对资格预审文件和招标文件中可能存在的限制或者排斥潜在 投标人、对潜在投标人实行歧视待遇、可能损害潜在投标人合法权益等违反法律法规规 定和“三公”原则的问题。

  1. 开标异议

开标现场可能出现对投标文件的提交、截止时间、开标程序、投标文件密封检查 和开封、唱标内容、标底价格的合理性、开标记录、唱标次序等的争议以及投标人和招 标人或者投标人之间是否存在利益冲突的情形,投标人应当在现场提出异议,异议成立 的,招标人应当及时采取纠正措施,或者提交评标委员会评审确认;不成立的,招标人 应当当场解释说明。异议和答复应记人开标会记录。

  1. 评标异议

招标人应当自收到评标报告之日起3日内公示中标候选人公示期不得少于3日。 依法必须招标项目的中标候选人公示应当载明以下内容:

  1. 中标候选人排序、名称、投标报价、质量、工期(交货期),以及评标情况;
  2. 中标候选人按照招标文件要求承诺的项目负责人姓名及其相关证书名称和编号; (3 )中标候选人响应招标文件要求的资格能力条件;
  3. 提出异议的渠道和方式;

(5 )招标文件规定公示的其他内容。

投标人或者其他利害关系人对依法必须进行招标的项目的评标结果有异议的,应 当在中标候选人公示期间提出。招标人应当自收到异议之日起3日内作出答复作出答 复前,应当暂停招标投标活动。未在规定时间提出异议的,不得再针对评标提出投诉。

  1. 施工招标条件

水利工程项目施工招标应具备以下条件:

(1 )初步设计已经批准;

  1. 建设资金来源已落实,年度投资计划已经安排;
  2. 具有能满足招标要求的设计文件,已与设计单位签订适应施工进度要求的图 纸交付合同或协议;
  3. 监理单位已确定。
  4. 有关建设项目永久征地、临时征地和移民搬迁的实施、安置工作已经落实或 已有明确安排。

[注:《水利部关于暂时调整实施〈水利工程建设项目招标投标管理规定〉有关条款的通知》 (水建设2022346号),将“监理单位已确定”从施工招标条件中删除。]

  1. 施工招标程序

水利工程施工招标程序一般包括招标报告备案、编制招标文件、发布招标信息、 出售招标文件、组织踏勘现场和投标预备会(若组织)、招标文件修改和澄清(若有)、 组织开标、评标、确定中标人、提交招标投标情况的书面总结报告、发中标通知书、订 立书面合同等。

上述程序适用于资格后审情形。资格审查采取资格预审方式的,在出售招标文件 前应增加资格预审程序,一般包括资格预审文件编制,资格预审文件澄清与修改,资格 预审文件异议处理及资格预审申请文件的审查和结果应用。

  1. 编制招标文件

招标文件应依据《水利水电工程标准施工招标文件》(2009年版),结合项目的具 体特点与实际需要编制。招标文件中资质、业绩等投标人资格条件要求和评标标准应当 以符合项目具体特点和满足实际需要为限度审慎设置,不得存在下列情形:

(1 )通过设置不合理条件排斥或者限制潜在投标人;

  1. 招标文件提出注册地址、所有制性质、市场占有率、特定行政区域或者特定 行业业绩、取得非强制资质认证、设立本地分支机构、本地缴纳税收社保等要农;
  2. 套用特定生产供应者的条件设定投标人资格、技术、商务条件;
  3. 将装订、纸张、明显的文字错误等列为否决投标情形。

招标文件规定的各项技术标准应符合国家强制性标准。招标文件中规定的各项技 术标准均不得要求或标明某一特定的专利、商标、名称、设计、原产地或生产供应者, 不得含有倾向或者排斥潜在投标人的其他内容。如果必须引用某一生产供应者的技术标 准才能准确或清楚地说明拟招标项目的技术标准时,则应当在参照后面加上“或相当 于”的字样。招标人设有最高投标限价的,应当在招标文件中明确最高投标限价或者最 高投标限价的计算方法。招标人不得规定最低投标限价。投标最高限价可以是一个总 价,也可以是总价及构成总价的主要分项价。

招标文件一般包括招标公告、投标人须知、评标办法、合同条款及格式、工程量 清单、招标图纸、合同技术条款和投标文件格式等内容。其中,投标人须知、评标办法 和通用合同条款应全文引用《水利水电工程标准施工招标文件》(2009年版)o

  1. 发布招标公告

依法必须招标项目的招标公告和公示信息应当在“中国招标投标公共服务平台”或 者项目所在地省级电子招标投标公共服务平台(以下统一简称“发布媒介”)发布。

依法必须招标项目的资格预审公告和招标公告,应当载明以下内容:

(1 )招标项目名称、内容、范围、规模、资金来源;

  1. 投标资格能力要求,以及是否接受联合体投标;
  2. 获取资格预审文件或招标文件的时间、方式;
  3. 递交资格预审文件或投标文件的截止时间、方式;
  4. 招标人及其招标代理机构的名称、地址、联系人及联系方式;
  5. 采用电子招标投标方式的,潜在投标人访问电子招标投标交易平台的网址和 方法;
  6. 其他依法应当载明的内容。

招标文件的发售期不得少于5日。依法必须招标项目的招标公告除在发布媒介发布 外,招标人或其招标代理机构也可以同步在其他媒介公开,并确保内容一致。其他媒介 可以依法全文转载依法必须招标项目的招标公告和公示信息,但不得改变其内容,同时 必须注明信息来源。

采用邀请招标方式的招标人应当向3个以上有投标资格的法人或其他组织发出投 标邀请书。投标人少于3个的招标人应当重新招标。

[注:根据《水利部关于暂时调整实施〈水利工程建设项目招标投标管理规定〉有关条款的 通知》(水建设2022346号),发布水利工程招标信息(招标公告或投标邀请书)时可同步发 售资格预审文件(或招标文件)不须间隔10曰。

  1. 组织踏勘现场和投标预备会

根据招标项目的具体情况,招标人可以组织投标人踏勘项目现场,向其介绍工程 场地和相关环境的有关情况。投标人可自主参加踏勘现场和投标预备会。依据招标人介 绍情况作出的判断和决策,由投标人自行负责。招标人不得单独或者分别组织部分投标 人进行现场踏勘。对于投标人在阅读招标文件和踏勘现场中提出的疑问,招标人可以书 面形式或召开投标预备会的方式解答,但需同时将解答以书面方式通知所有购买招标文 件的投标人。该解答属于澄清和修改招标文件的管理范畴,其内容为招标文件的组成 部分。

  1. 招标文件修改和澄清

投标人应仔细阅读和检查招标文件的全部内容。如发现缺页或附件不全,应及时 向招标人提出以便补齐。如有疑问应在投标截止时间17日前以书面形式(包括信 函、电报、传真等可以有形地表现所载内容的形式,下同),要求招标人对招标文件予 以澄清。招标人也可主动对招标文件进行澄清和修改。

招标文件的澄清和修改通知将在投标截止时间15日前以书面形式发给所有购买招 标文件的投标人,但不指明澄清问题的来源。如果澄清和修改通知发出的时间距投标截 止时间不足15日且影响投标文件编制的相应延长投标截止时间。

投标人在收到澄清后应在收到澄清和修改通知后1日内以书面形式通知招标人, 确认已收到该通知。

采取电子招标方式的,招标文件的澄清和修改一般载于相应公告栏里,并不另以 书面形式发送,投标人须密切注意相关公告栏。

  1. 处理招标文件异议

详见“异议处理”。

  1. 开标

自招标文件开始发出之日起至投标人提交投标文件截止最短不得少于20日。投 标截止时间与开标时间应当为同一时间。招标人应当按照招标文件的要求在规定时间、 地点组织开标会,投标人的法定代表人或委托代理人应持本人身份证件及法定代表人或 委托代理人证明文件参加。投标人少于3个的不得开标。开标应当有开标记录开标 记录应当提交评标委员会。

发生下述情形之一的,招标人不得接收投标文件:

(1 )未通过资格预审的申请人递交的投标文件;

(2 )逾期送达的投标文件;

(3 )未按招标文件要求密封的投标文件。

除此之外,招标人不得以未提交投标保证金(或提交的投标保证金不合格)、未备 案(或注册)、原件不合格、投标报价调价函不合格、投标文件数量不合格、技标人的 法定代表人或委托代理人身份不合格等作为不接收投标文件的理由。发生前述才目关问题 应当形成开标记录,交由评标委员佘处理。

  1. 评标

水利工程建设项目施工标评标委员会由招标人代表和依法抽取的专家组成,评标 委员会成员数量为7人以上单数。水利工程施工招标评标办法包括经评审的最ΐ氏投标价 法和综合评估法,一般采取综合评估法。综合评估法是指评标委员会对满足招标文件实 质性要求的投标文件,按照招标文件规定的评分标准进行打分,并按得分由高至ϋ低顺序 推荐中标候选人,但投标报价低于其成本的除外。综合评分相等时,以投标报价低的优 先;投标报价也相等的,由招标人自行确定。

综合评估法中,评审包括初步评审和详细评审。初步评审标准分为形式评审标准、 资格评审标准、响应性评审标准。

(1 )形式评审标准

  1. 投标人名称与营业执照、资质证书、安全生产许可证一致;
  2. 投标文件的签字盖章符合招标文件规定;
  3. 投标文件格式符合招标文件规定的“投标文件格式”的要求;
  4. 联合体投标人须提交联合体协议书,并明确联合体牵头人(若有)
  5. 只能有一个报价;
  6. 投标文件的正本、副本数量符合招标文件规定;
  7. 投标文件的印刷与装订符合招标文件规定;
  8. 投标文件的密封和标识符合招标文件规定。

(2 )资格评审标准(参见6.资格条件)

(3 )响应性评审标准

  1. 投标范围符合招标文件规定;
  2. 计划工期符合招标文件规定;
  3. 工程质量符合招标文件规定;
  4. 投标有效期符合招标文件规定;
  5. 投标保证金符合招标文件规定;
  6. 权利义务符合招标文件合同条款及格式规定的权利义务;
  7. 已标价工程量清单符合招标文件工程量清单的有关要求;
  8. 技术标准和要求符合招标文件技术标准和要求(合同技术条款)的规定。

详细评审阶段需要评审的因素有施工组织设计、项目管理机构、投标报价和投标 人综合实力。投标报价评审分为总价评审和分项报价合理性评审两个方面。

  1. 总价评审

根据投标人报价与评标基准价的偏差率来计算。投标报价的偏差率按式(10.1-1)

计算,方法如下:

偏差率二

投标人报价一评标基准价
评标基准价

X100%

(10.1-1 )

评标基准价一般采用复合方式按式(10.1-2)确定评标基准价:

ίη + α2 α„ , 、

S = ΤΧΑ + = X ( 1-Α ) (10.1-2)

η

式中**S** 评标基准价;

α„ 投标人有效报价;

Τ——招标人编制的最高投标限价;

Α 招标人编制的最高投标限价在评标基准价中所占的权重;

η——有效报价的投标人个数。

招标文件应明确约定最优偏差率得分值,偏离最优偏差率后的扣分规则、投标人 有效报价是否含暂列金额和暂估价,是否指通过初步评审,以及最高投标限价在评标基 准价中所占的权重等。

(2 )分项报价合理性评审

分项报价合理性可从投标报价依据的基础价格、费用构成、主要工程项目的单价 和总价项目(指临时工程或措施项目)等方面评审,重点是评审有无不平衡报价、工 程单价分析合理性、基础单价来源或计算可靠性或合理性和总价项目是否满足招标项 目需要。分项报价合理性应结合投标人施工组织设计和项目管理机构的设置来评审。 表10.1-1为某水利工程施工标投标报价评分表(示例)ο

  1. 评标公示

招标人应当自收到评标报告之日起3日内公示中标候选人公示期不得少于3曰。 依法必须招标项目的中标候选人公示应当载明以下内容:

  1. 中标候选人排序、名称、投标报价、质量、工期(交货期),以及评标情况;

(2 )中标候选人按照招标文件要求承诺的项目负责人姓名及其相关证书名称和 编号;

  1. 中标候选人响应招标文件要求的资格能力条件;
  2. 提出异议的渠道和方式;
  3. 招标文件规定公示的其他内容。

依法必须招标项目的中标结果公示应当载明中标人名称

2026一建《水利》电子教材(可搜索)

1.偏差率=[(投标报价一评标基准价)/评标基准价]X100%,百分率计算结果保留小数后一位, 小数点后第二位四舍五人。

  1. 评标基准价的计算方法为:

评标基准价=A X 0.7+5X0.3其中A为招标人编制的最局投标限价忍为投标人有效报价Β = 所有通过初步评审的投标人投标报价的算术平均值。

  1. 偏差率=-5%时得满分。在此基础上,偏差率>-5%,每上升1个百分点扣2分扣完为止偏差 率<-5%每下降1个百分点扣1分扣完为止。报价得分可以插值取小数点后一位数字小数 点后第二位四舍五人。
  2. 上述评标基准价及投标报价均不含暂列金额,投标报价指经计算性算术错误修正后值。
  3. 确定中标人

招标人可授权评标委员会直接确定中标人,也可根据评标委员会提出的书面评标 报告和推荐的中标候选人顺序确定中标人。评标委员会推荐的中标候选人应当限:定在一 至三人,并标明排列顺序。国有资金占控股或者主导地位的依法必须进行招标的项目, 确定中标人应遵守下述规定:

(1 )招标人应当确定排名第一的中标候选人为中标人。

  1. 排名第一的中标候选人放弃中标、因不可抗力不能履行合同、不按照招标文 件要求提交履约保证金,或者被查实存在影响中标结果的违法行为等情形,不符合中标 条件的招标人可以按照评标委员会提出的中标候选人名单排序依次确定其他中1标候选 人为中标人,也可以重新招标。
  2. 当招标人确定的中标人与评标委员会推荐的中标候选人顺序不一致应当 有充足的理由,并按项目管理权限报水行政主管部门备案。
  3. 在确定中标人之前,招标人不得与投标人就投标价格、投标方案等实质性内 容进行谈判。
  4. 中标人确定后,招标人应当向中标人发出中标通知书,同时通知未中拯人。中 标通知书对招标人和中标人具有法律约束力。中标通知书发出后,招标人改变中标结果 或者中标人放弃中标的,应当承担法律责任。
  5. 签订合同

招标人和中标人应当依照招标文件的规定签订书面合同,合同的标的、价款、质 量、履行期限等主要条款应当与招标文件和中标人的投标文件的内容一致。招标人和中 标人不得再行订立背离合同实质性内容的其他协议。

  1. 重新招标

有下列情形之一的,招标人将重新招标:

  1. 投标截止时间止投标人少于3个的

(2 )经评标委员会评审后否决所有投标的;

(3 )评标委员会否决不合格投标或者界定为废标后因有效投标不足3个使得投标 明显缺乏竞争,评标委员会决定否决全部投标的;

4同意延长投标有效期的投标人少于3个的

5 )中标候选人均未与招标人签订合同的。

重新招标后,仍出现前述规定情形之一的,属于必须审批的水利工程建设项目, 经行政监督部门批准后可不再进行招标。

  1. 资格条件

水利水电工程投标人应具备与拟承担招标项目施工相适应的资质、财务状况、信 誉等资格条件。

1 资质

资质条件包括资质证书有效性和资质符合性两个方面的内容。资质证书有效性要 求资质证书在投标时必须在有效期内,没有被吊销资质证书等情况;资质符合性要求必 须具有相应专业和级别的资质。

[注:根据《水利部关于促进市场公平竞争维护水利建设市场正常秩序的实施意见》(水建 管2017123号文凡取得国家水利工程建设相应类别资质资格许可的各类市场主体均可 依法在全国范围内参与相应水利工程建设。任何部门和单位不得设置法律法规之外的市场准人门 槛,不得抬高或降低招标工程对应的资质资格等级。]

2 财务状况

财务状况包括注册资本金、净资产、利润、流动资金投入等方面。

投标人应按招标文件要求填报“近3年财务状况表”并附经会计师事务所或审计 机构审计的财务会计报表,包括资产负债表、现金流量表、利润表和财务情况说明书的 复印件。

3 投标人业绩

投标人业绩一般指类似工程业绩。业绩的类似性包括功能、结构、规模、造价等 方面。

投标人业绩以合同工程完工证书颁发时间为准。投标人应按招标文件要求填报“近 5年完成的类似项目情况表”并附中标通知书和合同协议书、工程接收证书工 程竣工验收证书)、合同工程完工证书的复印件。

4 信誉

根据《水利部关于印发〈水利建设市场主体信用评价管理办法〉的通知》(水建设 2019307号信用等级分为AAA 信用很好、AA 信用良好、A (信用较好)、 B 信用一般和C 信用较差三等五级。水利建设市场主体信用等级有效期为3年。 被列人“黑名单”的水利建设市场主体信用评价实行一票否决制,取消其信用等级。在 “黑名单”公开期限内,不受理其信用评价申请。

根据《水利部关于促进市场公平竞争维护水利建设市场正常秩序的实施意见》(水 建管2017123号招标人应当将市场主体信用信息、信用评价等级和不良行为记 录作为评标要素,纳人评标办法。对取得全国水利建设市场信用评价等级的市场主体, 任何单位在市场活动中不得任意提高或降低其信用等级。招标人应当采用水利部发布的 水利市场主体信用等级信息,并从时间、主体(单位、个人)等方面提出明确的信用等 级及不良行为信息使用方法。

除信用等级应用外,投标单位及其法定代表人、拟任项目负责人开标前有行贿犯

罪记录,投标单位被列人政府采购严重违法失信行为记录名单且被限制投标的、重大税 收违法案件当事人、失信被执行人或在国家企业信用信息公示系统列人严重违法失信企 业名单,有上述情形之一的,其投标将被否决。行贿犯罪记录查询以检察院出具的查询 结果为准,投标人投标时须提供查询结果;其他不良行为信息由评标委员会通过“信用 中国”网站www_creditchina_gov.cn、国家税务总局网站www.chinatax.gov.cn、中 国政府采购网www.ccgp.gov.cn、最高人民法院网站www.court.gov.cn、国家企业 信用信息公示系统网站www.gsxt.gov.cn等官方渠道查询相关主体信用记录。

5 项目经理资格

项目经理应由注册于本单位(须提供社会保险证明)、级别符合《关于印发〈注册 建造师执业工程规模标准〉试行的通知》建市2007171号要求的注册建造师 担任。拟任注册建造师不得有在建工程,有一定数量已通过合同工程完工验收的类似工 程业绩具备有效的安全生产考核合格证书B类在“信用中国”及各有关部门网 站中经查询没有因行贿、严重违法失信被限制投标或从业等惩戒行为等。

6 不存在利益回避情形

防止利益冲突是维护投标公正性的必须要求。主要包括与招标人、投标人自身、 项目其他参与主体的利益冲突。

1与招标人的利益冲突

与招标人存在利害关系可能影响招标公正性的法人、其他组织或者个人,不得参 加投标。利益冲突必须满足“存在利害关系”和“可能影响招标公正”两个要件。招标 人不具有独立法人资格的附属机构(单位)属于利益冲突的充分条件。

2 )投标人之间的利益冲突

单位负责人为同一人或者存在控股、管理关系的不同单位,不得参加同一标段投 标或者未划分标段的同一招标项目投标。违反前述规定的,相关投标均无效。

3与其他项目参与主体的利益冲突

存在“2.投标回避或禁止准人”情形之一的,也属于必须回避的利益冲突。

7 其他

1 投标人营业执照应在有效期内,无被吊销营业执照等情况。

2 投标人应持有有效的安全生产许可证,没有被吊销安全生产许可证等况。

3 )投标人应按招标文件要求填报“投标人基本情况表”,并附营业执照利Π安全生 产许可证正、副本复印件。

4 投标人的单位负责人应当具备有效的安全生产考核合格证书A类专职安 全生产管理人员应当具备有效的安全生产考核合格证书C类

5 )不存在被责令停业的、被暂停或取消投标资格的、财产被接管或冻结的以及 在最近三年内有骗取中标或严重违约或重大工程质量问题的情形。

6委托代理人、安全管理人员专职安全生产管理人员、质量管理人员、财务 负责人应是投标人本单位人员。

除此之外,如果招标文件对投标人其他岗位人员、设备、有效生产能力、认证体 系提出要求,投标人应按照招标文件的规定提供。

  1. 投标程序
  2. 编制投标文件

投标文件应按招标文件要求编制,未响应招标文件实质性要求的作无效标处理。 《水利水电工程标准施工招标文件》(2009年版)规定的投标文件格式要求有:

  1. 投标文件签字盖章的要求是:投标文件正本除封面、封底、目录、分隔页外 的其他每一页必须加盖投标人单位章并由投标人的法定代表人或其委托代理人签字。

(2 )投标文件份数的要求是正本1份副本4份。

  1. 投标文件用A4纸(图表页除外)装订成册,编制目录和页码,并不得采用活 页夹装订。
  2. 投标人应按招标文件“工程量清单”的要求填写相应表格。投标人在投标截 止时间前可以调价函的方式修改投标函中的投标总报价,但应按前述投标文件的格式要 求编.制,封面注明“调价函”,同时修改“工程量清单”中的相应报价,并附修改后的 单价分析表(含修改后的基础单价计算表)。
  3. 递交投标保证金

投标人在递交投标文件的同时,应按招标文件规定的金额、形式和“投标文件格 式”规定的投标保证金格式递交投标保证金,并作为其投标文件的组成部分。投标保证 金一般不超过合同估算价的2%,但最高不得超过80万元。根据《国务院办公厅关于 清理规范工程建设领域保证金的通知》(国办发201649号),投标保证金推行银行 保函制度,招标人不得指定出具保函的金融机构或担保机构。投标保证金提交的具体要 求如下:

(1 )以现金或者支票形式提交的投标保证金应当从其基本账户转出。

  1. 投标人不按要求提交投标保证金的,其投标文件作无效标处理。
  2. 招标人与中标人签订合同后5个工作日内向未中标的投标人和中标人退还 投标保证金及相应利息。
  3. 投标保证金与投标有效期一致。投标人在规定的投标有效期内撤销或修改其 投标文件,或中标人在收到中标通知书后,无正当理由拒签合同协议书或未按招标文件 规定提交履约担保的,投标保证金将不予退还。
  4. 递交投标文件

投标人应在投标截止时间前,将密封好的投标文件向招标人递交。投标文件密封 不符合招标文件要求的或逾期送达的,将不被接受。投标人应当向招标人索要投标文件 接受凭据,凭据的内容包括递(接)受人、接受时间、接受地点、投标文件密封标识情 况、投标文件密封包数量。

  1. 投标文件的撤销和撤回

投标截止时间前投标人可以撤回已经提交的投标文件。投标截止时间后,投标人 不得撤销投标文件。投标人撤回已提交的投标文件,应当在投标截止时间前书面通知 招标人。招标人已收取投标保证金的应当自收到投标人书面撤回通知之日起5日内退 还。投标截止时间后投标人撤销投标文件的,招标人可以不退还投标保证金。

  1. 按评标委员会要求澄清和补正投标文件

评标过程中,评标委员会可以书面形式要求投标人对所提交的投标文件进行书面澄清或说明,或者对细微偏差进行补正。投标人澄清和补正投标文件应遵守下述 规定:

  1. 投标人不得主动提出澄清、说明或补正。评标委员会应当书面要求存在细微 偏差的投标人在评标结束前予以补正。拒不补正的,在详细评审时可以对细微偏差作不 利于该投标人的量化,量化标准应当在招标文件中规定。
  2. 澄清、说明和补正不得改变投标文件的实质性内容(算术性错误修正的除外)。 算术性错误的修正原则如下:
  3. 投标文件中的大写金额和小写金额不一致的,以大写金额为准;
  4. 总价金额与单价金额不一致的,以单价金额为准,但单价金额小数点有明显错 误的除外。
  5. 投标人的书面澄清、说明和补正属于投标文件的组成部分。
  6. 评标委员会对投标人提交的澄清、说明或补正仍有疑问时,可要求投标人进 一步澄清、说明或补正的,投标人应予配合。
  7. 投标人拒不按照评标委员会的要求进行书面澄清或说明的,其投标文件按无 效标处理。
  8. 遵守投标有效期约束

水利工程施工招标投标有效期一般为56dtt在招标文件规定的投标有效期内投标 人不得要求撤销或修改其投标文件。定标应当在投标有效期内完成,不能在投标有效期 内完成的,招标人应当通知所有投标人延长投标有效期。拒绝延长投标有效期的投标人 有权收回投标保证金。同意延长投标有效期的投标人应当相应延长其投标担保的有效 期,但不得修改投标文件的实质性内容。因延长投标有效期造成投标人损失的,招标人 应当给予补偿,但因不可抗力需延长投标有效期的除外。

  1. 禁止行为
  2. 禁止投标人串通投标

有下列情形之一的,属于投标人相互串通投标:

  1. 投标人之间协商投标报价等投标文件的实质性内容。
  2. 投标人之间约定中标人。
  3. 投标人之间约定部分投标人放弃投标或者中标。
  4. 属于同一集团、协会、商会等组织成员的投标人按照该组织要求协同投标。 (5 )投标人之间为谋取中标或者排斥特定投标人而采取的其他联合行动。 有下列情形之一的,视为投标人相互串通投标:

(1 )不同投标人的投标文件由同一单位或者个人编制。

  1. 不同投标人委托同一单位或者个人办理投标事宜。
  2. 不同投标人的投标文件载明的项目管理成员为同一人。

(4 )不同投标人的投标文件异常一致或者投标报价呈规律性差异。

(5 )不同投标人的投标文件相互混装。

  1. 不同投标人的投标保证金从同一单位或者个人的账户转出。

认定串通投标的主体包括评标委员会、行政监督机构、仲裁和司法机关。视 为投标人相互串通投标的,评标过程中评标委员会可以视情况给予投标人澄清、说明的机会。评标结束后,投标人可以通过投诉寻求行政救济,由行政监督机构作出 认定。

  1. 禁止招标人与投标人串通投标

有下列情形之一的,属于招标人与投标人串通投标:

  1. 招标人在开标前开启投标文件并将有关信息泄露给其他投标人。
  2. 招标人直接或者间接向投标人泄露标底、评标委员会成员等信息。 (3 )招标人明示或者暗示投标人压低或者抬高投标报价。
  3. 招标人授意投标人撤换、修改投标文件。

(5 )招标人明示或者暗示投标人为特定投标人中标提供方便。

(6 )招标人与投标人为谋求特定投标人中标而采取的其他串通行为。

  1. 禁止弄虚作假投标

投标人有下列情形之一的,属于弄虚作假的行为:

  1. 使用通过受让或者租借等方式获取的资格、资质证书投标的。
  2. 使用伪造、变造的许可证件。

(3 )提供虚假的财务状况或者业绩。

  1. 提供虚假的项目负责人或者主要技术人员简历、劳动关系证明。
  2. 提供虚假的信用状况。
  3. 其他弄虚作假的行为。

10.1.2水利水电工程施工合同文件的构成

  1. 《水利水电工程标准施工招标文件》(2009年版)的使用

水利部、国家电力公司和国家工商行政管理局联合于2000年2月颁发了《水利水 电工程施工合同和招标文件示范文本》GF—2000—0208o随着水利水电工程建设的发 展和有关规范性文件的不断完善,在国家发展和改革委员会等九部委联合编制的中华人 民共和国《标准施工招标文件》(2007年版)基础上,结合水利水电工程特点和行业管 理需要水利部2009年颁发了《水利水电工程标准施工招标文件》(2009年版)。使用 时应注意以下要求:

  1. 凡列人国家或地方建设计划的大中型水利水电工程必须使用,小型水利水电 工程可参照使用。
  2. 《水利水电工程施工合同和招标文件示范文本》GF—2000—0208同时废止 之前根据《水利水电工程施工合同和招标文件示范文本》GF—2000—0208完成招标工 作的项目仍按原合同条款执行。

(3 )《水利水电工程标准施工招标文件》(2009年版)是《标准施工招标文件》(2007 年版)在水利水电工程应用上的补充和细化,上述文件应结合使用,若两者相同条款号 内容不一致,采用《水利水电工程标准施工招标文件》(2009年版)。

  1. 《水利水电工程标准施工招标文件》(2009年版)中的“投标人须知”(投标人 须知前附表及附件格式除外)、“评标办法”(评标办法前附表及附件格式除外)、“通用 合同条款",应不加修改地引用。其他内容,供招标人参考。
  2. “投标人须知前附表”用于进一步明确“投标人须知”正文中的未尽事宜,招

标人应结合招标项目具体特点和实际需要编制和填写,但不得与“投标人须知”正文内 容相抵触,否则抵触内容无效。

6 “评标办法前附表"用于进一步补充、明确评标的因素、标准。招标人应根据 招标项目具体特点和实际需要,详细列明正文之外的评标因素、标准,没有列明的因素 和标准不得作为评标的依据。

7 “专用合同条款”可根据招标项目的具体特点和实际需要,按其条款编号和内 容对“通用合同条款”进行补充、细化,但除“通用合同条款”明确“专用合同条款” 可做出不同约定外,补充和细化的内容不得与通用合同条款规定相抵触,不得违反法 律、法规和行业规章的有关规定和平等、自愿、公平和诚实信用原则。

8 “技术标准和要求(合同技术条款)”是参考性的文本,招标人可根据工程项 目的具体需要进行修改,但应注意与“通用合同条款” “专用合同条款”以及“工程量 清单”的衔接。

9 《水利水电工程标准施工招标文件》2009年版中须不加修改引用的内容 若确需工程的特殊条件需要改动时,应按项目的隶属关系报项目主管部门批准。

  1. 《水利水电工程标准施工招标文件》2009年版的构成

《水利水电工程标准施工招标文件》2009年版除招标文件封面格式外共四卷 八章。第一卷包括第一章〜第五章,包括招标公告(投标邀请书)、投标人须知、评标 办法、合同条款及格式和工程量清单等内容;第二卷由第六章图纸(招标图纸)组成; 第三卷由第七章技术标准和要求组成;第四卷由第八章投标文件格式组成。各章主要内 容是:

第一章 招标公告(适用于未进行资格预审)或邀请招标书(分邀请招标或代资格 预审通过通知书)(三种形式)。

第二章 投标人须知。包括投标人须知前附表、正文和七个附件格式。

1 )总则

包括:

1 项目概况。

2 资金来源和落实情况。

3 招标范围、计划工期和质量要求。

4 投标人的资格要求。

5 费用承担。

6 保密。

7 )语言文字。

8 )计量单位。

9踏勘现场。

10 )投标预备会。

11 )分包。

12偏离。

2招标文件

包括:

(1 )招标文件的组成。

  1. 招标文件的澄清。
  2. 招标文件的修改。
  3. 投标文件 包括:
  4. 投标文件的组成。
  5. 投标报价。
  6. 投标有效期。
  7. 投标保证金。
  8. 资格审查资料。
  9. 备选投标方案。
  10. 投标文件的编制。
  11. 投标

包括:

  1. 投标文件的密封和标记。
  2. 投标文件的递交。
  3. 投标文件的修改与撤回。
  4. 开标

包括:

  1. 开标时间、地点。
  2. 开标程序。
  3. 评标

包括:

  1. 评标委员会。
  2. 评标原则。
  3. 评标。
  4. 合同授予

包括:

  1. 定标方式。
  2. 中标通知。
  3. 履约担保。
  4. 签订合同。
  5. 重新招标或经批准不招标
  6. 纪律和监督
  7. 需要补充的其他内容 包括:
  8. 类似项目。
  9. 已标价工程量清单电子版。 (3 )原件。
  10. 中标人的投标文件。
  11. 附件格式

包括:

  1. 招标文件澄清申请函。
  2. 招标文件澄清通知。
  3. 招标文件修改通知。
  4. 修改通知确认函。

(5 )开标记录表。

  1. 中标通知书。
  2. 中标结果通知书。

第三章 评标办法(分为经评审的最低投标价法、综合评估法两种)。包括评标办 法前附表、正文和三个附件格式。

第四章合同条款及格式。包括通用合同条款、专用合同条款和合同附件格式(合 同协议书、履约担保、预付款担保三个格式)。

第五章 工程量清单。包括两种工程量清单格式,第一种格式的编制基础是《水利 工程工程量清单计价规范》GB 50501—2007第二种格式的编制基础是《水牙!]水电工 程施工合同和招标文件示范文本》GF—2000—0208 ο

第六章 招标图纸。包括招标图纸的组成、编绘、目录。

第七章 技术标准和要求(合同技术条款)。《水利水电工程标准施工招标文件》 (2009年版)提供的技术标准和要求(合同技术条款),不是所有水利水电工程的技术 标准、设计标准、质量标准,是具体项目编制的项目技术标准和要求(合同技木条款) 的参考格式。

第八章投标文件格式。除评标因素索引表外,包括以下内容:

  1. 投标函及投标函附录。

(2 )法定代表人身份证明(或授权委托书)ο

  1. 联合体协议书。
  2. 投标保证金。

[注:根据《国务院办公厅关于清理规范工程建设领域保证金的通知》(国办发201649 号),对保留的投标保证金、履约保证金、工程质量保证金、农民工工资保证金,推行银行保函 制度,建筑业企业可以银行保函方式缴纳。]

  1. 已标价工程量清单。

(6 )施工组织设计。

  1. 项目管理机构表。
  2. 拟分包项目情况表。
  3. 资格审查资料。

(10 )原件的复印件(指投标需要的相关证明材料)ο

(11 )其他材料(指招标文件需要的,或投标人需要补充的其他材料)。

  1. 水利水电工程施工合同文件的构成

根据《水利水电工程标准施工招标文件》(2009年版),合同文件指构成合同的各项文件,包括:协议书、中标通知书、投标函及投标函附录、专用合同条款、通用合同 条款、技术标准和要求(合同技术条款)、图纸、已标价工程量清单、经合同双方确认 进人合同的其他文件。上述次序也是解释合同的优先顺序。

1 )合同文件(或称合同)

合同文件指由发包人与承包人签订的为完成本合同规定的各项工作所列人本合同 条件的全部文件和图纸,以及其他在协议书中明确列人的文件和图纸。

2 协议书

承包人按中标通知书规定的时间与发包人签订合同协议书。除法律另有规定或合 同另有约定外,发包人和承包人的法定代表人或其委托代理人在合同协议书上签字并盖 单位章后,合同生效。

3 中标通知书

中标通知书指发包人正式向中标人授标的文件。中标人确定后,发包人应发中标 通知书给中标人,表明发包人已接受其投标并通知该中标人在规定的期限内派代表前来 签订合同。

4 投标函及投标函附录

投标函是证明投标人投标的文件。投标函附录主要是表达合同条款中需要投标人 具体确认的相关内容。

5 专用合同条款

专用合同条款是补充和修改通用合同条款中条款号相同的条款或当需要时增加的 条款。通用合同条款与专用合同条款应对照阅读,一旦出现矛盾或不一致,则以专用合 同条款为准,通用合同条款中未补充和修改的部分仍有效。专用合同条款和通用合同条 款主要是划清发包人和承包人双方在合同中各自的责任、权利和义务。

6 通用合同条款

7 技术标准和要求(合同技术条款)

列人施工合同的技术条款是构成施工合同的重要组成部分,技术条款则是双方责 任、权利和义务在工程施工中的具体工作内容,也是合同责任、权利和义务在工程安全 和施工质量管理等实物工作的进一步具体化。技术条款同时是发包人委托监理人进行合 同管理的实物标准,也是发包人和监理人在工程施工过程中实施进度、质量和费用控制 的操作程序和方法。

技术条款是投标人进行投标报价和发包人进行合同支付的实物依据。投标人应根 据合同进度要求和技术条款规定的质量标准,结合自身的施工能力和管理水平,计算投 标价;中标后,承包人应根据合同约定和技术条款的规定组织工程施工;发包人和监理 人则应根据技术条款规定的质量标准进行检查和验收,并按计量支付条款的约定执行 支付。

8 图纸

图纸指列人合同的招标图纸、投标图纸和发包人按合同约定向承包人提供的施工 图纸和其他图纸(包括配套说明和有关资料)。列人合同的招标图纸已成为合同文件的 一部分,具有合同效力,主要用于在履行合同中作为衡量变更的依据,但不能直接用于 施工。经发包人确认进人合同的投标图纸亦成为合同文件的一部分,用于在履行合同中

检验承包人是否按其投标时承诺的条件进行施工的依据,亦不能直接用于施工。

  1. 已标价工程量清单

已标价工程量清单指构成合同文件组成部分的由承包人按照规定的格式和要求填 写并标明价格的工程量清单。

10.1.3发包人的义务和责任

根据《水利水电工程标准施工招标文件》(2009年版),除合同另有约定夕卜,发包 人义务、承包人义务以及监理人在合同中的作用主要内容如下:

  1. 发包人的义务和责任

(1 )遵守法律。

  1. 发出开工通知。
  2. 提供施工场地。

(4 )协助承包人办理证件和批件。

  1. 组织设计交底。

(6 )支付合同价款。

  1. 组织法人验收。
  2. 专用合同条款约定的其他义务和责任。
  3. 履行义务和责任注意事项
  4. 发包人在履行合同过程中应遵守法律,并保证承包人免于承担因发包人违反 法律而引起的任何责任。
  5. 发包人应及时向承包人发出开工通知。开工通知的具体要求如下:
  6. 监理人应在开工日期7d前向承包人发出开工通知。监理人在发出开工通知前应 获得发包人同意。
  7. 工期自监理人发出的开工通知中载明的开工日期起计算。
  8. 承包人应在开工日期后尽快施工。承包人在接到开工通知后14d内未按进度计 划要求及时进场组织施工监理人可通知承包人在接到通知后7d内提交一份说明其进 场延误的书面报告,报送监理人。书面报告应说明不能及时进场的原因和补救措施,由 此增加的费用和工期延误责任由承包人承担。
  9. 施工场地包括永久占地和临时占地。发包人提供施工场地的要求如下:
  10. 发包人应在合同双方签订合同协议书后的14d内将本合同工程的施Z2场地范 围图提交给承包人。发包人提供的施工场地范围图应标明场地范围内永久占地与临时占 地的范围和界限。
  11. 发包人提供的施工用地范围在专用合同条款中约定。
  12. 除专用合同条款另有约定外,发包人应按技术标准和要求(合同技术条款)的 约定,向承包人提供施工场地内的工程地质图纸和报告,以及地下障碍物图纸等施工场 地有关资料,并保证资料的真实、准确、完整。

(4 )发包人应协助承包人办理法律规定的有关施工证件和批件。

  1. 发包人应根据合同进度计划,组织设计单位向承包人进行设计交底。
  2. 发包人应按合同约定向承包人及时支付合同价款,包括按合同约定支:付工程

预付款和进度付款,工程通过完工验收后支付完工付款,保修期期满后及时支付最终结 清款。

7 )发包人应按合同约定及时组织法人验收以及申请专项验收和政府验收。

8发包人提供材料和工程设备时应注意以下几点

  1. 发包人提供的材料和工程设备,应在专用合同条款中写明材料和工程设备的名 称、规格、数量、价格、交货方式、交货地点和计划交货日期等。
  2. 承包人应根据合同进度计划的安排,向监理人报送要求发包人交货的日期计 划。发包人应按照监理人与合同双方当事人商定的交货日期,向承包人提交材料和工程 设备。
  3. 发包人应在材料和工程设备到货7d前通知承包人承包人应会同监理人在约定 的时间内,赴交货地点共同进行验收。
  4. 发包人提供的材料和工程设备运至交货地点验收后,由承包人负责接收、卸货、 运输和保管。
  5. 发包人要求向承包人提前交货的,承包人不得拒绝,但发包人应承担承包人由 此增加的费用。
  6. 承包人要求更改交货日期或地点的,应事先报请监理人批准,所增加的费用和 (或)工期延误由承包人承担。
  7. 发包人提供的材料和工程设备的规格、数量或质量不符合合同要求,或由于发 包人原因发生交货日期延误及交货地点变更等情况的,发包人应承担由此增加的费用和 (或)工期延误,并向承包人支付合理利润。
  8. 材料费的处理有两种办法:
  9. 材料费包含在承包人签约合同价中。根据合同约定的计量规则计量(通常以 监理人批准的领料计划作为领料和扣除的依据),按约定的材料预算价格(通常比该 材料供应商中标价低)作为扣除价,由发包人在工程进度支付款中扣除发包人供应材 料费。
  10. 材料费不包括在承包人签约合同价中。合同规定材料预算价格及其损耗率的计 入和扣回方式,承包人只获得该材料预算价格带来的管理费率滚动产生的费用,材料费 由发包人直接向材料供应商支付。
  11. 监理人在合同中的作用

1 )监理人的职责和权力

1 监理人角色

监理人是受发包人委托在施工现场实施合同管理的执行者。监理人按发包人与承 包人签订的施工合同进行监理,监理人不是合同的第三方。

2 监理人权力来源

监理人的权力范围在专用合同条款中明确。

3 紧急事件的处置权

当监理人认为存在危及生命、工程或毗邻财产等安全的紧急事项时,在不免除合 同约定的承包人责任的情况下,监理人可以指示承包人实施为消除或减少这种危险所必 须进行的工作,即使没有发包人的事先批准(按约定需事先批准时),承包人也应立即遵照执行。监理人应按变更的约定增加相应的费用,并通知承包人。

  1. 监理人履行权力的限制

监理人发出的任何指示应视为已得到发包人的批准,但监理人无权免除或变更合 同约定的发包人和承包人的权利、义务和责任。

  1. 监理人的检查和检验

合同约定应由承包人承担的义务和责任,不因监理人对承包人提交文件的审查或 批准,对工程、材料和设备的检查和检验,以及为实施监理作出的指示等职务行为而减 轻或解除。

  1. 监理人的指示
  2. 监理人的指示应盖有监理人授权的现场机构章,并由总监理工程师或总监理 工程师授权的监理人员签字。

(2 )承包人收到监理人指示后应遵照执行。指示构成变更的,应按变更条款处理。

  1. 在紧急情况下,总监理工程师或被授权的监理人员可以当场签发临书面指 示承包人应遵照执行。承包人应在收到上述临时书面指示后24h内向监理人发出书 面确认函。监理人在收到书面确认函后24h内未予答复的该书面确认函应被视为监理 人的正式指示。
  2. 除合同另有约定外,承包人只从总监理工程师或其授权的监理人员处取得 指示。
  3. 由于监理人未能按合同约定发出指示、指示延误或指示错误而导致承包人费 用增加和(或)工期延误的,由发包人承担赔偿责任。
  4. 监理人的商定或确定权
  5. 合同约定总监理工程师对变更、价格调整、不可抗力、索赔等事项进行商定 或确定时,总监理工程师应与合同当事人协商,尽量达成一致。不能达成一致的,总监 理工程师应认真研究后审慎确定。
  6. 总监理工程师应将商定或确定的事项通知合同当事人,并附详细依据。
  7. 监理人的商定和确定不是强制的,也不是最终的决定。对总监理工程师的确 定有异议的,构成争议,按照合同争议的约定处理。在争议解决前,双方应暂按总监理 工程师的确定执行,按照合同争议的约定对总监理工程师的确定作出修改的,按修改后 的结果执行。合同争议的处理方法有:
  8. 友好协商解决。
  9. 提请争议评审组评审。
  10. 仲裁。
  11. 诉讼。

10.1.4承包人的义务和责任

  1. 承包人的义务和责任
  2. 遵守法律

承包人在履行合同过程中应遵守法律,并保证发包人免于承担因承包人违反法律 而引起的任何责任。

2 依法纳税

承包人应按有关法律规定纳税,应缴纳的税金包括在合同价格内。

3 完成各项承包工作

承包人应按合同约定以及监理人指示,实施、完成全部工程,并修补工程中的任 何缺陷。除合同条款另有约定外,承包人应提供为完成合同工作所需的劳务、材料、施 工设备、工程设备和其他物品,并按合同约定负责临时设施的设计、建造、运行、维 护、管理和拆除。

4 对施工作业和施工方法的完备性和安全可靠性负责

承包人应按合同约定的工作内容和施工进度要求,编制施工组织设计和施工措施 计划,并对所有施工作业和施工方法的完备性和安全可靠性负责。

5 保证工程施工和人员的安全

承包人应采取施工安全措施,确保工程及其人员、材料、设备和设施的安全,防 止因工程施工造成的人身伤害和财产损失。承包人必须按国家法律法规、技术标准和要 求,通过详细编制并实施经批准的施工组织设计和措施计划,确保建设工程能满足合同 约定的质量标准和国家安全法规的要求。

6 负贵施工场地及其周边环境与生态的保护工作

7 避免施工对公众与他人的利益造成损害

承包人在进行合同约定的各项工作时,不得侵害发包人与他人使用公用道路、水 源、市政管网等公共设施的权利,避免对邻近的公共设施产生干扰。承包人占用或使用 他人的施工场地,影响他人作业或生活的,应承担相应责任。

8 为他人提供方便

承包人应按监理人的指示为他人在施工场地或附近实施与工程有关的其他各项工 作提供可能的条件。除合同另有约定外,提供有关条件的内容和可能发生的费用,由监 理人商定或确定。

9 工程的维护和照管

除合同另有约定外,合同工程完工证书颁发前,承包人应负责照管和维护工程。 合同工程完工证书颁发时,尚有部分未完工程的,承包人还应负责该未完工程的照管和 维护工作,直至完工后移交给发包人为止。

10 专用合同条款约定的其他义务和责任

  1. 履约担保

承包人应按招标文件的要求提交履约担保(一般在中标并签订合同前),金额不超 过签约合同价的10%,履约担保在发包人颁发合同工程完工证书前一直有效。发包人 应在合同工程完工证书颁发后28d内将履约担保退还给承包人。

根据《国务院办公厅关于清理规范工程建设领域保证金的通知》国办发201649 号),对保留的投标保证金、履约保证金、工程质量保证金、农民工工资保证金,推行银行保函 制度,建筑业企业可以银行保函方式缴纳。]

  1. 承包人项目经理要求

1项目经理驻现场的要求

1承包人应按合同约定指派项目经理并在约定的期限内到职。

  1. 承包人更换项目经理应事先征得发包人同意并应在更换14d前通知发包人 和监理人。
  2. 承包人项目经理短期离开施工场地,应事先征得监理人同意,并委派代表代 行其职责。
  3. 监理人要求撤换不能胜任本职工作、行为不端或玩忽职守的承包人项目经理 和其他人员的,承包人应予以撤换。
  4. 项目经理职责

(1 )项目经理应按合同约定以及监理人指示,负责组织合同工程的实施。

  1. 在情况紧急且无法与监理人取得联系时,可采取保证工程和人员生命财产安 全的紧急措施并在采取措施后24h内向监理人提交书面报告。
  2. 承包人为履行合同发出的一切函件均应盖有承包人授权的施工场地管理机构 章,并由承包人项目经理或其授权代表签字。
  3. 承包人项目经理可以授权其下属人员履行其某项职责,但事先应将这些人员 的姓名和授权范围通知监理人。
  4. 地质资料复核

1 )发包人提供的现场资料

  1. 发包人应将其持有的现场地质勘探资料、水文气象资料提供给承包人,并对 其准确性负责。

(2 )承包人应对其阅读发包人提供的有关资料后所作出的解释和推断负责。

  1. 承包人应对施工场地和周围环境进行查勘,并收集有关地质、水文、气象条 件、交通条件、风俗习惯以及其他为完成合同工作有关的当地资料。
  2. 在全部合同工作中,应视为承包人已充分估计了应承担的责任和风险。
  3. 不利物质条件

(1 )不利物质条件的界定原则

水利水电工程的不利物质条件指在施工过程中遭遇诸如地下工程开挖中1遇到发 包人进行的地质勘探工作未能查明的地下溶洞或溶烛裂隙和坝基河床深层的淤泥层或软 弱带等,使施工受阻。

(2 )不利物质条件的处理方法

承包人遇到不利物质条件时,应采取适应不利物质条件的合理措施继续施工,并 及时通知监理人。承包人有权要求延长工期及增加费用。监理人收到此类要求后,应在 分析上述外界障碍或自然条件是否不可预见及不可预见程度的基础上,按照变更的约定 办理。

  1. 承包人提供的材料和工程设备
  2. 材料和工程设备的提供

水利水电工程所需材料宜由承包人负责采购;主要工程设备(如闸门、启闭机、水 泵、水轮机、电动机)可由发包人另行组织招标采购。而对于电气设备、清污机、起重 机、电梯等设备可根据招标项目具体情况在专用合同条款中进一步约定。

承包人负责采购、运输和保管完成合同工作所需的材料和工程设备的,承包人应 对其采购的材料和工程设备负责。

2 承包人采购要求

承包人应按专用合同条款的约定,将各项材料和工程设备的供货人及品种、规格、 数量和供货时间等报送监理人审批。承包人应向监理人提交其负责提供的材料和工程设 备的质量证明文件,并满足合同约定的质量标准。

3 验收

对承包人提供的材料和工程设备,承包人应会同监理人进行检验和交货验收,查 验材料合格证明和产品合格证书,并按合同约定和监理人指示,进行材料的抽样检验和 工程设备的检验测试,检验和测试结果应提交监理人,所需费用由承包人承担。

4 材料和工程设备专用于合同工程

1 运人施工场地的材料、工程设备,包括备品备件、安装专用工器具与随机资 料,必须专用于合同工程,未经监理人同意,承包人不得运出施工场地或挪作他用。

2 随同工程设备运人施工场地的备品备件、专用工器具与随机资料,应由承包 人会同监理人按供货人的装箱单清点后共同封存,未经监理人同意不得启用。承包人因 合同工作需要使用上述物品时,应向监理人提出申请。

5 禁止使用不合格的材料和工程设备

1 监理人有权拒绝承包人提供的不合格材料或工程设备,并要求承包人立即进 行更换。监理人应在更换后再次进行检查和检验,由此增加的费用和(或)工期延误由 承包人承担。

2 监理人发现承包人使用了不合格的材料和工程设备,应及时发出指示要求承 包人立即改正,并禁止在工程中继续使用不合格的材料和工程设备。

  1. 测量放线

1 施工控制网

除专用合同条款另有约定外,施工控制网由承包人负责测设,发包人应在本合同 协议书签订后的14d内向承包人提供测量基准点、基准线和水准点及其相关资料。承 包人应在收到上述资料后的28H内将施测的施工控制网资料提交监理人审批。监理人 应在收到报批件后的14d内批复承包人。

承包人应负责管理施工控制网点。施工控制网点丢失或损坏的,承包人应及时修 复。承包人应承担施工控制网点的管理与修复费用,并在工程竣工后将施工控制网点移 交发包人。监理人需要使用施工控制网的,承包人应提供必要的协助,发包人不再为此 支付费用。

2 施工测量

承包人应负责施工过程中的全部施工测量放线工作,并配置合格的人员、仪器、 设备和其他物品。监理人可以指示承包人进行抽样复测,当复测中发现错误或出现超 过合同约定的误差时,承包人应按监理人指示进行修正或补测,并承担相应的复测 费用。

3 基准资料错误的责任

发包人应对其提供的测量基准点、基准线和水准点及其书面资料的真实性、准确 性和完整性负责。发包人提供上述基准资料错误导致承包人测量放线工作的返工或造成 工程损失的,发包人应当承担由此增加的费用和(或)工期延误,并向承包人支付合理利润。

承包人发现发包人提供的上述基准资料存在明显错误或疏忽的,应及时通知监理人。

4补充地质勘探

在合同实施期间,监理人可以指示承包人进行必要的补充地质勘探并提供有关资 料。承包人为本合同永久工程施工的需要进行补充地质勘探时,须经监理人批准,并应 向监理人提交有关资料,上述补充勘探的费用由发包人承担。承包人为其临时工程设计 及施工的需要进行的补充地质勘探,其费用由承包人承担。

10.2工程合同管理

10.2.1水利水电工程项目法人分包管理职责

为进一步加强水利工程建设管理,规范施工分包活动,确保工程质量和施工安全, 水利部于1998年11月10日颁布了《水利工程建设项目施工分包管理暂行规定》水 建管〔 1998481号以下简称《暂行规定》。电力工业部于1997年4月22日颁布 实施的《水电建设工程质量管理暂行办法》电水农1997220号也对分包和转包 作出规定。

水利部于2005年7月22日颁布了《水利建设工程施工分包管理规定》水建管 2005304号以下简称《分包管理规定》《暂行规定》同时废止。《分包管理规定》 共23条。2019年水利部印发了《水利工程建设质量与安全生产监督检查办法试行》 和《水利工程合同监督检查办法试行水监督2019139号对工程分包作了 进一步规定。

  1. 分包条件

1 )水利工程分包是指承包单位将其所承包工程中的部分工程依法分包给具有相 应资质的其他单位完成的活动,工程分包应符合下列要求:

  1. 投标文件中载明或在施工合同中约定采用工程分包的,应当明确分包单位的名 称、资质、业绩、分包项目内容、现场主要管理人员及设备资源等相关内容。分包单位 进场需经监理单位批准。
  2. 投标文件、施工合同未明确,工程项目开工后需采用工程分包的,承包单位须 将拟分包单位的名称、资质、业绩、现场主要管理人员及设备资源等情况报监理单位审 核,项目法人(建设单位)审批。

2水利建设工程的主要建筑物的主体结构不得进行工程分包。主要建筑物是指 失事以后将造成下游灾害或严重影响工程功能和效益的建筑物,如堤坝、泄洪建筑物、 输水建筑物、电站厂房和泵站等。主要建筑物的主体结构,由项目法人要求设计单位在 设计文件或招标文件中明确。

  1. 推荐分包

在合同实施过程中,有下列情况之一的,项目法人可向承包人推荐分包人:

1 由于重大设计变更导致施工方案重大变化,致使承包人不具备相应的施工 能力。

2 由于承包人原因,导致施工工期拖延,承包人无力在合同规定的期卩艮内完成合同任务。

  1. 项目有特殊技术要求、特殊工艺或涉及专利权保护的。

如承包人同意,则应由承包人与分包人签订分包合同,并对该推荐分包人的行 为负全部责任;如承包人拒绝,则可由承包人自行选择分包人,但需经项目法人书面 认可。

  1. 指定分包

项目法人一般不得直接指定分包人,但在合同实施过程中,如承包人无力在合同 规定的期限内完成合同中的应急防汛、抢险等危及公共安全和工程安全的项目,项目法 人经项目的上级主管部门同意,可根据工程技术、进度的要求,对该应急防汛、抢险等 项目的部分工程指定分包人。因非承包人原因形成指定分包条件的,项目法人的指定分 包不得增加承包人的额外费用;因承包人原因形成指定分包条件的,承包人应负责因指 定分包增加的相应费用。

由指定分包人造成的与其分包工作有关的一切索赔、诉讼和损失赔偿由指定分包 人直接对项目法人负责,承包人不对此承担责任。职责划分可由承包人与项目法人签订 协议明确。

10.2.2水利水电工程承包单位分包管理职责

根据《水利建设工程施工分包管理规定》(水建管2005304号)、《水利工程施 工转包违法分包等违法行为认定查处管理暂行办法》《水利工程建设质量与安全生产监 督检查办法(试行)》和《水利工程合同监督检查办法(试行)》(水监督2019139号) 承包人是指已由发包人授标,并与发包人正式签署承包合同的企业或组织以及取得该企 业或组织资格的合法继承人。承包单位在履行分包管理职责时应注意以下几点:

  1. 行政监督

水利部负责全国水利工程施工转包、违法分包、出借借用资质等违法行为认定查 处的监督管理工作。县级以上地方人民政府水行政主管部门负责本行政区域内有管辖 权的水利工程施工转包、违法分包、出借借用资质等违法行为的认定查处和监督管理 工作。

  1. 分包形式和基本要求
  2. 施工分包,是指施工企业将其所承包的水利工程中的部分工程发包给其他施 工企业,或者将劳务作业发包给其他企业或组织完成的活动,但仍需履行并承担与发包 人所签承包合同确定的责任和义务。
  3. 水利工程施工分包按分包性质分为工程分包和劳务作业分包。其中,工程分 包,是指承包人将其所承包工程中的部分工程发包给具有与分包工程相应资质的其他施 工企业完成的活动;劳务作业分包,是指承包人将其承包工程中的劳务作业发包给其他 企业或组织完成的活动。
  4. 采用劳务分包的,承包单位须将拟分包单位的名称、资质、业绩、现场主 要管理人员及投入人员的工种、数量等情况报监理单位审核,项目法人(建设单位) 审批。
  5. 承包人和分包人应当依法签订分包合同,并履行合同约定的义务。分包合同必须遵循承包合同的各项原则,满足承包合同中技术、经济条款。承包人应在分包合同 签订后7个工作日内送发包人备案。
  6. 除发包人依法指定分包外,承包人对其分包项目的实施以及分包人的行为向 发包人负全部责任。承包人应对分包项目的工程进度、质量、安全、计量和验收等实施 监督和管理。
  7. 承包人和分包人应当设立项目管理机构,组织管理所承包或分包工程的施工 活动。项目管理机构应当具有与所承担工程的规模、技术复杂程度相适应的技术、经济 管理人员。其中项目负责人、技术负责人、财务负责人、质量管理人员、安全管理人员 必须是本单位人员。本单位人员是指在本单位工作,并与本单位签订劳动合同,由本单 位支付劳动报酬、缴纳社会保险的人员。
  8. 转包认定

具有下列情形之一的,认定为转包:

  1. 承包单位将承包的全部建设工程转包给其他单位(包括母公司承接工程后将 所承接工程交由具有独立法人资格的子公司施工的情形)或个人的。

(2 )将承包的全部建设工程肢解后以分包名义转包给其他单位或个人的。 (3 )承包单位将其承包的全部工程以内部承包合同等形式交由分公司施工。

  1. 采取联营合作形式承包,其中一方将其全部工程交由联营另一方施工。
  2. 全部工程由劳务作业分包单位实施,劳务作业分包单位计取报酬是除上缴给 承包单位管理费之外全部工程价款的。
  3. 签订合同后,承包单位未按合同约定设立现场管理机构;或未按投标承诺派 驻本单位主要管理人员或未对工程质量、进度、安全、财务等进行实质性管理。
  4. 承包单位不履行管理义务,只向实际施工单位收取管理费。

(8 )法律法规规定的其他转包行为。

  1. 违法分包认定

具有下列情形之一的,认定为违法分包:

  1. 将工程分包给不具备相应资质或安全生产许可证的单位或个人施工的。
  2. 施工承包合同中未有约定,又未经项目法人书面认可,将工程分包给其他单 位施工的。

(3 )将主要建筑物的主体结构工程分包的。

(4 )工程分包单位将其承包的工程中非劳务作业部分再次分包的。

  1. 劳务作业分包单位将其承包的劳务作业再分包的;或除计取劳务作业费用外, 还计取主要建筑材料款和大中型机械设备费用的。
  2. 承包单位未与分包单位签订分包合同,或分包合同不满足承包合同中相关要 求的。
  3. 法律法规规定的其他违法分包行为。

上述所称主要建筑材料是指混凝土工程中的钢筋、水泥、砂石料,土石方工程中 的石料,金属结构工程中的钢材,防渗工程中的土工织物等对工程质量影响较大、占工 程造价比重较高的材料。

上述所称大中型机械设备是指工程施工中的大中型起重设备,混凝土工程施工中的大中型拌和、输送设备,土石方工程施工中的大中型挖掘设备、运输车辆、碾压机 械等。

  1. 出借或借用资质认定

具有下列情形之一的,认定为出借或借用他人资质承揽工程:

  1. 单位或个人借用其他单位的资质承揽工程的。
  2. 投标人法定代表人的授权代表人不是投标单位人员的。
  3. 实际施工单位使用承包单位资质中标后,以承包单位分公司、项目部等名义 组织实施,但两家公司无实质隶属关系的。
  4. 工程分包的发包单位不是该工程的承包单位,或劳务作业分包的发包单位不 是该工程的承包单位或工程分包单位的。
  5. 承包单位派驻施工现场的主要管理负责人中,部分人员不是本单位人员的。
  6. 承包单位与项目法人之间没有工程款收付关系,或者工程款支付凭证上载明 的单位与施工合同中载明的承包单位不一致的。
  7. 合同约定由承包单位负责采购、租赁的主要建筑材料、工程设备等,由其他 单位或个人采购、租赁,或者承包单位不能提供有关采购、租赁合同及发票等证明,又 不能进行合理解释并提供证明材料的。

(8 )法律法规规定的其他出借借用资质行为。

设备租赁和材料委托采购不属于分包、转包管理范围。承包人可以自行进行设备 租赁或材料委托采购,但应对设备或材料的质量负责。

10.2.3 水利水电工程分包单位管理职责

根据《水利建设工程施工分包管理规定》《水利工程施工转包违法分包等违法行 为认定查处管理暂行办法》《水利工程建设质量与安全生产监督检查办法(试行)》和 《水利工程合同监督检查办法(试行)》,分包单位在履行分包管理职责时应当注意以下 几点:

  1. 资质要求

承揽工程分包的分包人必须具有与所分包承建的工程相应的资质,并在其资质等 级许可范围内承揽业务。

  1. 分包责任

(1 )分包人应当按照分包合同的约定对其分包的工程向承包人负责,分包人应接 受承包人对分包项目所进行的工程进度、质量、安全、计量和验收的监督和管理。承包 人和分包人就分包项目对发包人承担连带责任。

  1. 分包人应当设立项目管理机构,组织管理所分包工程的施工活动。项目管理 机构应当具有与所承担工程的规模、技术复杂程度相适应的技术、经济管理人员。其中 项目负责人、技术负责人、财务负责人、质量管理人员、安全管理人员必须是本单位 人员。
  2. 分包人必须自行完成所承包的任务。禁止分包人将工程再次分包。
  3. 合同问题认定

合同问题分为一般合同问题、较重合同问题、严重合同问题、特别严重合同问题。

1 )一般合同问题

项目法人方面主要有以下问题:

  1. 未及时审批施工单位上报的工程分包文件。
  2. 未对施工分包、劳务分包等合同进行备案。
  3. 较重合同问题

项目法人方面主要有:未按要求严格审核分包人有关资质和业绩证明材料。 施工单位方面主要有以下问题:

(1 )签订的劳务合同不规范。

(2 )未按分包合同约定计量规则和时限进行计量。

  1. 未按分包合同约定及时、足额支付合同价款。
  2. 严重合同问题

项目法人方面主要有以下问题:

  1. 对违法分包或转包行为未采取有效措施处理。

(2 )对工程分包合同履约情况检查不力。

施工单位方面主要有以下问题:

(1 )工程分包未履行报批手续。

  1. 未按要求严格审核工程分包单位的资质和业绩。

(3 )对工程分包合同履行情况检查不力。

  1. 特别严重合同问题

责任单位发生转包、违法分包、出借借用资质的。

10.2.4施工管理条款

  1. 质量管理

1 )承包人的质量管理

  1. 承包人应在施工场地设置专门的质量检查机构,配备专职质量检查人员,建 立完善的质量检查制度。
  2. 承包人应编制工程质量保证措施文件包括质量检查机构的组织和ra位责任、 质量检查人员的组成、质量检查程序和实施细则等,并提交监理人审批。
  3. 承包人应加强对施工人员的质量教育和技术培训,定期考核施工人员的劳动 技能,严格执行规范和操作规程。
  4. 承包人应按合同约定对材料、工程设备以及工程的所有部位及其施:X工艺进 行全过程的质量检查和检验,并作详细记录,编制工程质量报表,报送监理人审查。

2)监理人的质量检查

  1. 监理人有权对工程的所有部位及其施工工艺、材料和工程设备进行检查和 检验。
  2. 承包人应为监理人的检查和检验提供方便,包括监理人到施工场地,或制造、 加工地点,或合同约定的其他地方进行查看和查阅施工原始记录。
  3. 承包人应按监理人指示,进行施工场地取样试验、工程复核测量和设备性能 检测,提供试验样品、提交试验报告和测量成果以及监理人要求进行的其他工作。

4监理人的检查和检验不免除承包人按合同约定应负的责任。

3 工程隐蔽部位覆盖前的检查

1 通知监理人检查

经承包人自检确认的工程隐蔽部位具备覆盖条件后,承包人应通知监理人在约定 的期限内检查。承包人的通知应附有自检记录和必要的检查资料。监理人应按时到场检 查。经监理人检查确认质量符合隐蔽要求,并在检查记录上签字后,承包人才能进行覆 盖。监理人检查确认质量不合格的,承包人应在监理人指示的时间内修整返工后,由监 理人重新检查。

2 监理人未到场检查

监理人未按约定的时间进行检查的,除监理人另有指示外,承包人可自行完成覆 盖工作,并作相应记录报送监理人,监理人应签字确认。监理人事后对检查记录有疑问 的,可重新检查。

3 )监理人重新检查

承包人覆盖工程隐蔽部位后,监理人对质量有疑问的,可要求承包人对已覆盖的 部位进行钻孔探测或揭开重新检验,承包人应遵照执行,并在检验后重新覆盖恢复原 状。经检验证明工程质量符合合同要求的,由发包人承担由此增加的费用和(或)工期 延误,并支付承包人合理利润;经检验证明工程质量不符合合同要求的,由此增加的费 用和(或)工期延误由承包人承担。

4承包人私自覆盖

承包人未通知监理人到场检查,私自将工程隐蔽部位覆盖的,监理人有权指示承 包人钻孔探测或揭开检查,由此增加的费用和(或)工期延误由承包人承担。

4 保修

1 )缺陷责任期(工程质量保修期)的起算时间

  1. 除专用合同条款另有约定外,缺陷责任期(工程质量保修期)从工程通过合同 工程完工验收后开始计算。
  2. 在合同工程完工验收前,已经发包人提前验收的单位工程或部分工程,若未 投人使用,其缺陷责任期(工程质量保修期)亦从工程通过合同工程完工验收后开始 计算。
  3. 若已投入使用,其缺陷责任期(工程质量保修期)从通过单位工程或部分工程 投人使用验收后开始计算。缺陷责任期(工程质量保修期)的期限在专用合同条款中 约定。.

2 )工程质量保修责任终止证书

  1. 合同工程完工验收或投人使用验收后,发包人与承包人应办理工程交接手续, 承包人应向发包人递交工程质量保修书。
  2. 工程质量保修期满后30个工作日内发包人应向承包人颁发工程质量保修责任 终止证书,并退还剩余的质量保证金,但保修责任范围内的质量缺陷未处理完成的应 除外。
  3. 水利水电工程质量保修期通常为一年,河湖疏浚工程无工程质量保修期。
  4. 进度管理
  5. 进度计划
  6. 承包人应编制详细的施工总进度计划及其说明提交监理人审批。
  7. 监理人应在约定的期限内批复承包人,否则该进度计划视为已得到批准。
  8. 经监理人批准的施工进度计划称为合同进度计划,是控制合同工程进度的 依据。
  9. 承包人还应根据合同进度计划,编制更为详细的分阶段或单位工程或分部工 程进度计划,报监理人审批。
  10. 进度计划修订
  11. 不论何种原因造成工程的实际进度与合同进度计划不符时承包人均应在14d 内向监理人提交修订合同进度计划的申请报告,并附有关措施和相关资料,才艮监理人 审批。
  12. 监理人应在收到申请报告后的14d内批复。当监理人认为需要修订合同进度 计划时承包人应按监理人的指示在14d内向监理人提交修订的合同进度计戈ϋ并附 调整计划的相关资料提交监理人审批。监理人应在收到进度计划后的14d内甜;复。
  13. 不论何种原因造成施工进度延迟,承包人均应按监理人的指示,采取有效措 施赶上进度。承包人应在向监理人提交修订合同进度计划的同时,编制一份赶工措施报 告提交监理人审批。
  14. 施工进度延迟在分清责任的基础上按合同约定处理。
  15. 开工
  16. 监理人应在开工日期7d前向承包人发出开工通知。监理人在发出开工通知前 应获得发包人同意。工期自监理人发出的开工通知中载明的开工日期起计算。
  17. 承包人应向监理人提交工程开工报审表,经监理人审批后执行。开:X报审表 应详细说明按合同进度计划正常施工所需的施工道路、临时设施、材料设备、施工人员 等施工组织措施的落实情况以及工程的进度安排。
  18. 若发包人未能按合同约定向承包人提供开工的必要条件,承包人有权要求延 长工期。监理人应在收到承包人的书面要求后,与合同双方商定或确定增加的费用和延 长的工期。
  19. 承包人在接到开工通知后14d内未按进度计划要求及时进场组织施工监理 人可通知承包人在接到通知后7d内提交一份说明其进场延误的书面报告报送监理人3 书面报告应说明不能及时进场的原因和补救措施,由此增加的费用和工期延误责任由承 包人承担。
  20. 完工

承包人应在约定的期限内完成合同工程。合同工程实际完工日期在合同工程完工 证书中明确。

(1)发包人的工期延误

在履行合同过程中,由于发包人的下列原因造成工期延误的,承包人有权要求发 包人延长工期和(或)增加费用,并支付合理利润。需要修订合同进度计划的,按照约 定办理。

  1. 增加合同工作内容。
  2. 改变合同中任何一项工作的质量要求或其他特性。
  3. 发包人延迟提供材料、1程设备或变更交货地点的ο
  4. 因发包人原因导致的暂停施工。-
  5. 提供图纸延误。
  6. 未按合同约定及时支付预付款、进度款。
  7. 发包人造成工期延误的其他原因。
  8. 异常恶劣的气候条件

异常恶劣气候条件的界定,应以当地政府气象部门的气象报告为准。可参考的因 素有:

  1. 日降雨量大于 mm的雨日超过 _ 天。
  2. 风速大于 _m/s的 级以上台风灾害。
  3. 日气温超过 ΐ的高温大于 天。
  4. 日气温低于 __ΐ的严寒大于 天。
  5. 造成工程损坏的冰雹和大雪灾害: 。

当工程所在地发生危及施工安全的异常恶劣气候时,发包人和承包人应及时采取 暂停施工或部分暂停施工措施。异常恶劣气候条件解除后,承包人应及时安排复工。

异常恶劣气候条件造成的工期延误和工程损坏,应由发包人与承包人参照不可抗 力的约定协商处理。

  1. 承包人的工期延误

由于承包人原因,未能按合同进度计划完成工作,或监理人认为承包人施工进度 不能满足合同工期要求的,承包人应采取措施加快进度,并承担加快进度所增加的费 用。由于承包人原因造成工期延误,承包人应支付逾期竣工违约金。逾期竣工违约金的 计算方法在专用合同条款中约定。承包人支付逾期竣工违约金,不免除承包人完成工程 及修补缺陷的义务。

(4 )工期提前

发包人要求承包人提前完工,或承包人提出提前完工的建议能够给发包人带来效 益的,应由监理人与承包人共同协商采取加快工程进度的措施和修订合同进度计划。发 包人应承担承包人由此增加的费用,并向承包人支付专用合同条款约定的相应奖金。

发包人要求提前完工的,双方协商一致后应签订提前完工协议,协议内容包括:

  1. 提前的时间和修订后的进度计划。
  2. 承包人的赶工措施。
  3. 发包人为赶工提供的条件。
  4. 赶工费用(包括利润和奖金)□
  5. 暂停施工

(1)承包人暂停施工的责任

因下列暂停施工增加的费用和(或)工期延误由承包人承担:

  1. 承包人违约引起的暂停施工。
  2. 由于承包人原因为工程合理施工和安全保障所必需的暂停施工。
  3. 承包人擅自暂停施工。
  4. 承包人其他原因引起的暂停施工。
  5. 专用合同条款约定由承包人承担的其他暂停施工。

(2 )发包人暂停施工的责任

由于发包人原因引起的暂停施工造成工期延误的,承包人有权要求发包人延长工 期和(或)增加费用,并支付合理利润。

属于下列任何一种情况引起的暂停施工,均为发包人的责任:

  1. 由于发包人违约引起的暂停施工。
  2. 由于不可抗力的自然或社会因素引起的暂停施工。
  3. 专用合同条款中约定的其他由于发包人原因引起的暂停施工。

(3 )监理人暂停施工指示

  1. 监理人认为有必要时,可向承包人作出暂停施工的指示,承包人应按监理人指 示暂停施工。
  2. 不论由于何种原因引起的暂停施工,暂停施工期间承包人应负责妥善保护工程 并提供安全保障。
  3. 由于发包人的原因发生暂停施工的紧急情况,且监理人未及时下达暂停施工指 示的,承包人可先暂停施工,并及时向监理人提出暂停施工的书面请求。监理人应在接 到书面请求后的24h内予以答复逾期未答复的视为同意承包人的暂停施工请求。
  4. 暂停施工后的复工
  5. 暂停施工后,监理人应与发包人和承包人协商,采取有效措施积极消除暂停施 工的影响。当工程具备复工条件时,监理人应立即向承包人发出复工通知。承包人收到 复工通知后,应在监理人指定的期限内复工。
  6. 承包人无故拖延和拒绝复工的,由此增加的费用和工期延误由承包人承担;因 发包人原因无法按时复工的,承包人有权要求发包人延长工期和(或)增加费用,并支 付合理利润。

(5 )暂停施工持续56d以上

  1. 发包人原因

监理人发出暂停施工指示后56d内未向承包人发出复工通知除了该项停工属于 承包人责任的情况外,承包人可向监理人提交书面通知,要求监理人在收到书面通知后 28d内准许已暂停施工的工程或其中一部分工程继续施工。如监理人逾期不予批准则 承包人可以通知监理人,将工程受影响的部分视为可取消工作。如暂停施工影响到整个 工程,可视为发包人违约。

  1. 承包人原因

由于承包人责任引起的暂停施工如承包人在收到监理人暂停施工指示后56d内 不认真采取有效的复工措施,造成工期延误,可视为承包人违约。

  1. 变更管理
  2. 变更的范围和内容

在履行合同中发生以下情形之一,应进行变更:

(1)取消合同中任何一项工作,但被取消的工作不能转由发包人或其他人实施。

(2 )改变合同中任何一项工作的质量或其他特性。

  1. 改变合同工程的基线、标高、位置或尺寸。

(4 )改变合同中任何一项工作的施工时间或改变已批准的施工工艺或顺序。

  1. 为完成工程需要追加的额外工作。

(6 )增加或减少专用合同条款中约定的关键项目工程量超过其工程总量的一定数 量百分比。

上述变更内容引起工程施工组织和进度计划发生实质性变动和影响其原定的价格 时,才予调整该项目的单价。第(6)条情形下单价调整方式在专用合同条款中约定。

  1. 变更权

在履行合同过程中,经发包人同意,监理人可按变更程序向承包人作出变更指示, 承包人应遵照执行。没有监理人的变更指示,承包人不得擅自变更。

  1. 变更程序

(1 )变更的提出

  1. 在合同履行过程中,可能发生变更约定情形的,监理人可向承包人发出变更意 向书。
  2. 变更意向书应说明变更的具体内容和发包人对变更的时间要求,并附必要的图 纸和相关资料。
  3. 变更意向书应要求承包人提交包括拟实施变更工作的计划、措施和完工时间等 内容的实施方案。
  4. 发包人同意承包人根据变更意向书要求提交的变更实施方案的,由监理人发出 变更指示。
  5. 在合同履行过程中,发生变更情形的,监理人应向承包人发出变更指示。
  6. 承包人收到监理人发出的图纸和文件,经检查认为其中存在变更情形的,可向 监理人提出书面变更建议。变更建议应阐明要求变更的依据,并附必要的图纸和说明。
  7. 监理人收到承包人书面建议后,应与发包人共同研究,确认存在变更的,应在 收到承包人书面建议后的14d内作出变更指示。经研究后不同意作为变更的应由监理 人书面答复承包人。
  8. 若承包人收到监理人的变更意向书后认为难以实施此项变更,应立即通知监理 人,说明原因并附详细依据。监理人与承包人和发包人协商后确定撤销、改变或不改变 原变更意向书。

(2 )变更估价

  1. 除专用合同条款对期限另有约定外,承包人应在收到变更指示或变更意向书后 的14d内向监理人提交变更报价书报价内容应根据约定的估价原则详细开列变更 工作的价格组成及其依据,并附必要的施工方法说明和有关图纸。
  2. 变更工作影响工期的,承包人应提出调整工期的具体细节。监理人认为有必 要时,可要求承包人提交要求提前或延长工期的施工进度计划及相应施工措施等详细 资料。
  3. 除专用合同条款对期限另有约定外监理人收到承包人变更报价书后的14d内 根据约定的估价原则,按照商定或确定变更价格。

(3 )变更指示

  1. 变更指示只能由监理人发出。
  2. 变更指示应说明变更的目的、范围、变更内容以及变更的工程量及其进度和技 术要求,并附有关图纸和文件。承包人收到变更指示后,应按变更指示进行变更工作。
  3. 变更的估价原则

除专用合同条款另有约定外,因变更引起的价格调整按照本款约定处理。

  1. 已标价工程量清单中有适用于变更工作的子目的,采用该子目的单价。
  2. 已标价工程量清单中无适用于变更工作的子目,但有类似子目的,可在合理范 围内参照类似子目的单价,由监理人商定或确定变更工作的单价。
  3. 已标价工程量清单中无适用或类似子目的单价,可按照成本加利润的原则,由 监理人商定或确定变更工作的单价。
  4. 暂估价

在工程招标阶段已经确定的材料、工程设备或工程项目但又无法在当3寸确定准 确价格,而可能影响招标效果的,可由发包人在工程量清单中给定一个暂估价。暂估价 的管理要求有:

  1. 必须招标的暂估价项目
  2. 若承包人不具备承担暂估价项目的能力或具备承担暂估价项目的能力但明确不 参与投标的,由发包人和承包人组织招标。
  3. 若承包人具备承担暂估价项目的能力且明确参与投标的,由发包人组织招标。
  4. 暂估价项目中标金额与工程量清单中所列金额差以及相应的税金等其他费用列 人合同价格。
  5. 必须招标的暂估价项目招标组织形式、发包人和承包人组织招标时双方的权利 义务关系在专用合同条款中约定。
  6. 不招标的暂估价项目
  7. 给定暂估价的材料和工程设备不属于依法必须招标的范围或未达到规定的规模 标准的,应由承包人提供。经监理人确认的材料、工程设备的价格与工程量清单中所列 的暂估价的金额差以及相应的税金等其他费用列人合同价格。
  8. 给定暂估价的专业工程不属于依法必须招标的范围或未达到规定的规模标准的, 由监理人按照变更处理原则进行估价,但专用合同条款另有约定的除外。经估价的专业 工程与工程量清单中所列的暂估价的金额差以及相应的税金等其他费用列人合同价格。
  9. 价格调整

1 )人工、材料和设备等价格波动影响合同价格时价格调整公式

2026一建《水利》电子教材(可搜索)2026一建《水利》电子教材(可搜索)

ΔΡ——需调整的价格差额;

Po——付款证书中承包人应得到的已完成工程量的金额;此项金 额应不包括价格调整、不计质量保证金的扣留和支付、预付 款的支付和扣回;变更及其他金额已按现行价格计价的,也 不计在内;

A——定值权重(即不调部分的权重);

B{, B2, B„…,B„——各可调因子的变值权重(即可调部分的权重),为各可调因 子在投标函投标总报价中所占的比例;

Ftl, Fa, Fl3,…,Ftn——各可调因子的现行价格指数,指付款证书相关周期最后一 天的前42d的各可调因子的价格指数

〜,F02, F03,…,Fo„——各可调因子的基本价格指数,指基准日期的各可调因子的 价格指数。

2法律变化引起的价格调整

在基准日后,因法律变化导致承包人在合同履行中所需要的工程费用发生除物价 波动以外的增减时,监理人应根据法律及国家或省、自治区、直辖市有关部门的规定, 商定或确定需调整的合同价款。

  1. 计量与支付·

1计量

1 单价子目的计量

  1. 已标价工程量清单中的单价子目工程量为估算工程量。结算工程量是承包人实 际完成的,并按合同约定的计量方法进行计量的工程量。
  2. 承包人对已完成的工程进行计量,向监理人提交进度付款申请单、已完成工程 量报表和有关计量资料。
  3. 监理人对承包人提交的工程量报表进行复核,以确定实际完成的工程量。对数 量有异议的,可要求承包人进行共同复核和抽样复测。承包人应协助监理人进行复核并 按监理人要求提供补充计量资料。承包人未按监理人要求参加复核,监理人复核或修正 的工程量视为承包人实际完成的工程量。
  4. 监理人认为有必要时,可通知承包人共同进行联合测量、计量,承包人应遵照 执行。
  5. 承包人完成工程量清单中每个子目的工程量后,监理人应要求承包人派人员共 同对每个子目的历次计量报表进行汇总,以核实最终结算工程量。监理人可要求承包人 提供补充计量资料,以确定最后一次进度付款的准确工程量。承包人未按监理人要求派 人员参加的,监理人最终核实的工程量视为承包人完成该子目的准确工程量。
  6. 监理人应在收到承包人提交的工程量报表后的7d内进行复核监理人未在约定 时间内复核的,承包人提交的工程量报表中的工程量视为承包人实际完成的工程量,据 此计算工程价款。

2 总价子目的计量

总价子目的分解和计量按照下述约定进行。

  1. 总价子目的计量和支付应以总价为基础,不因价格调整因素而进行调整。承包 人实际完成的工程量,是进行工程目标管理和控制进度支付的依据。
  2. 承包人应按工程量清单的要求对总价子目进行分解并在签订协议书后的28d 内将各子目的总价支付分解表提交监理人审批。分解表应标明其所属子目和分阶段需支 付的金额。承包人应按批准的各总价子目支付周期,对已完成的总价子目进行计量,确 定分项的应付金额列人进度付款申请单中。
  3. 监理人对承包人提交的上述资料进行复核,以确定分阶段实际完成的ΣΕ程量和 工程形象目标。对其有异议的,可要求承包人进行共同复核和抽样复测。
  4. 除变更外,总价子目的工程量是承包人用于结算的最终工程量。
  5. 预付款
  6. 预付款的定义和分类

预付款用于承包人为合同工程施工购置材料、工程设备、施工设备、修建临时设 施以及组织施工队伍进场等,分为工程预付款和工程材料预付款。预付款必须专用于合 同工程。

  1. 工程预付款的额度和预付办法

一般工程预付款为签约合同价的10%,分两次支付,招标项目包含大宗设备采购 的可适当提高但不宜超过20%。

(3 )工程预付款保函

  1. 承包人在第一次收到工程预付款的同时需提交等额的工程预付款保函(担保)。
  2. 第二次工程预付款保函可用承包人进人工地的主要设备(其估算价值已达到第 二次预付款金额)代替。
  3. 当履约保证金的保证金额度大于工程预付款额度,发包人认为可以确保履约安 全的情况下,承包人可与发包人协商不提交工程预付款保函,但应要求履约保证金兼具 预付款保函的功能。此时,工程预付款的扣款办法不变,但不能递减履约保函金额。
  4. 工程预付款担保的担保金额可根据工程预付款扣回的金额相应递减。
  5. 工程预付款的扣回与还清公式

A

(F2-FJ S

(C-印)

(10.2-2)

式中**R**——每次进度付款中累计扣回的金额;

A 工程预付款总金额;

5——签约合同价

C——合同累计完成金额;

——开始扣款时合同累计完成金额达到签约合同价的比例一般取20%

F2——全部扣清时合同累计完成金额达到签约合同价的比例一般取80%〜90%。 上述合同累计完成金额均指价格调整前未扣质量保证金的金额。

  1. 工程进度付款

(1)进度付款申请单内容

  1. 截至本次付款周期末已实施工程的价款。
  2. 变更金额。
  3. 索赔金额。
  4. 应支付的预付款和扣减的返还预付款。
  5. 应扣减的质量保证金。
  6. 根据合同应增加和扣减的其他金额。

(2 )进度付款证书和支付时间

  1. 监理人在收到承包人进度付款申请单以及相应的支持性证明文件后的14d内完

成核查,经发包人审查同意后,出具经发包人签认的进度付款证书。

  1. 发包人应在监理人收到进度付款申请单后的28d内将进度应付款支付给承包 人。发包人不按期支付的,按专用合同条款的约定支付逾期付款违约金。
  2. 监理人出具进度付款证书,不应视为监理人已同意、批准或接受了承包人完成 的该部分工作。
  3. 进度付款涉及政府投资资金的,按照国库集中支付等国家相关规定和专用合同 条款的约定办理。
  4. 质量保证金
  5. 预留

合同工程完工验收前,已经缴纳履约保证金的,进度支付时发包人不得同时预留 工程质量保证金。合同工程完工验收后,发包人可以预留工程质量保证金,也可以延长 履约保证金期限用于工程质量保证金而不再预留质量保证金。

根据《住房城乡建设部 财政部关于印发建设工程质量保证金管理办法的通知》(建 质2017138号)工程质量保证金的预留比例上限不得高于工程价款结算总额的3%o

  1. 退还

在工程质量保修期满时发包人将在30个工作日内核实后将质量保证金支付给承 包人。根据《国务院办公厅关于清理规范工程建设领域保证金的通知》(国办发2016 49号),未按规定或合同约定返还保证金的,保证金收取方应向建筑业企业支付逾期返 还违约金。

在工程质量保修期满时,承包人没有完成缺陷责任的,发包人有权扣留与未履行 责任剩余工作所需金额相应的质量保证金余额,并有权延长缺陷责任期,直至完成剩余 工作为止。

  1. 完工结算

(1)完工付款申请单

  1. 承包人应在合同工程完工证书颁发后28d内向监理人提交完工付款申请单 并提供相关证明材料。
  2. 完工付款申请单应包括下列内容:完工结算合同总价、发包人已支付承包人的 工程价款、应支付的完工付款金额。

(2 )完工付款证书及支付时间

  1. 监理人在收到承包人提交的完工付款申请单后的14d内完成核查提出发包人 到期应支付给承包人的价款送发包人审核并抄送承包人。
  2. 发包人应在收到完工付款申请单后14d内审核完毕由监理人向承包人出具经 发包人签认的完工付款证书。
  3. 监理人未在约定时间内核查,又未提出具体意见的,视为承包人提交的完工付 款申请单已经监理人核查同意。
  4. 发包人未在约定时间内审核又未提出具体意见的,监理人提出发包人到期应支 付给承包人的价款视为已经发包人同意。
  5. 发包人应在监理人出具完工付款证书后的14d内将应支付款支付给承包人。 发包人不按期支付的,将逾期付款违约金支付给承包人。
  6. 承包人对发包人签认的完工付款证书有异议的,发包人可出具完工付款申请单 中承包人已同意部分的临时付款证书。
  7. 完工付款涉及政府投资资金的,按照国库集中支付等国家相关规定和专用合同 条款的约定办理。
  8. 最终结清
  9. 最终结清申请单

工程质量保修责任终止证书签发后,承包人应按监理人批准的格式提交最终结清 申请单。

(2 )最终结清证书和支付时间

  1. 监理人收到承包人提交的最终结清申请单后的14d内提出发包人应支付给承 包人的价款送发包人审核并抄送承包人。
  2. 发包人应在收到最终结清申请单后14d内审核完毕由监理人向承包人出具经 发包人签认的最终结清证书。
  3. 监理人未在约定时间内核查,又未提出具体意见的,视为承包人提交白勺最终结 清申请已经监理人核查同意。
  4. 发包人未在约定时间内审核又未提出具体意见的,监理人提出应支付给承包人 的价款视为已经发包人同意。
  5. 发包人应在监理人出具最终结清证书后的14d内将应支付款支付给承包人。 发包人不按期支付的,将逾期付款违约金支付给承包人。
  6. 最终结清付款涉及政府投资资金的,按照国库集中支付等国家相关规定和专用 合同条款的约定办理。
  7. 最终结清后,发包人的支付义务结束。

需要注意的是,根据全国人大常委会法工委在回复中国建筑业协会《关于对地方 性法规中以审计结果作为政府投资建设项目竣工结算依据有关规定提出的审查建议的 复函》(法工备函201722号文)中的意见,地方性法规中直接以审计结果作为竣工 结算依据和应当在招标文件中载明或者在合同中约定以审计结果作为竣工结算依据的规 定,限制了民事权利,超越了地方立法权限,应当予以纠正。全国人大常委会法工委已 将回复意见印送各省、自治区、直辖市人大常委会。目前,有关地方人大常委会正在对 地方性法规中的相关规定自行清理、纠正。不再强制规定直接以审计结果作为竣工结算 依据和应当在招标文件中载明或者在合同中约定以审计结果作为竣工结算依据。相关事 项可以通过合同约定,而对于多计工程款的问题,一些地方不再干涉,一些地方依然规 定可以要求退回。

  1. 农民工工资支付

《保障农民工工资支付条例》(国务院令第724号)已经于2019年12月4日国务 院第73次常务会议通过自2020年5月1日起施行。完工支付应特别注意农民工工资 支付要求。

  1. 工资支付形式与周期
  2. 农民工工资应当以货币形式,通过银行转账或者现金支付给农民工本人,不得 以实物或者有价证券等其他形式替代。
  3. 用人单位应当按照与农民工书面约定或者依法制定的规章制度规定的工资支付 周期和具体支付日期足额支付工资。
  4. 实行月、周、日、小时工资制的,按照月、周、日、小时为周期支付工资;实 行计件工资制的,工资支付周期由双方依法约定。
  5. 用人单位与农民工书面约定或者依法制定的规章制度规定的具体支付日期,可 以在农民工提供劳动的当期或者次期。具体支付日期遇法定节假日或者休息日的,应当 在法定节假日或者休息日前支付。

用人单位因不可抗力未能在支付日期支付工资的,应当在不可抗力消除后及时 支付。

  1. 用人单位应当按照工资支付周期编制书面工资支付台账并至少保存3年。

书面工资支付台账应当包括用人单位名称,支付周期,支付日期,支付对象姓名、 身份证号码、联系方式,工作时间,应发工资项目及数额,代扣、代缴、扣除项目和数 额,实发工资数额,银行代发工资凭证或者农民工签字等内容。

用人单位向农民工支付工资时,应当提供农民工本人的工资清单。

(2 )工程建设领域特别规定

  1. 建设单位与施工总承包单位依法订立书面工程施工合同,应当约定工程款计量 周期、工程款进度结算办法以及人工费用拨付周期,并按照保障农民工工资按时足额支 付的要求约定人工费用。人工费用拨付周期不得超过1个月。

建设单位与施工总承包单位应当将工程施工合同保存备查。

  1. 施工总承包单位应当按照有关规定开设农民工工资专用账户,专项用于支付该 工程建设项目农民工工资。开设、使用农民工工资专用账户有关资料应当由施工总承包 单位妥善保存备查。
  2. 金融机构应当优化农民工工资专用账户开设服务流程,做好农民工工资专用账 户的日常管理工作;发现资金未按约定拨付等情况的,及时通知施工总承包单位,由施 工总承包单位报告人力资源社会保障行政部门和相关行业工程建设主管部门,并纳人欠 薪预警系统。

工程完工且未拖欠农民工工资的施工总承包单位公示30日后可以申请注销农 民工工资专用账户,账户内余额归施工总承包单位所有。

  1. 施工总承包单位或者分包单位应当依法与所招用的农民工订立劳动合同并进行 用工实名登记,具备条件的行业应当通过相应的管理服务信息平台进行用工实名登记、 管理。未与施工总承包单位或者分包单位订立劳动合同并进行用工实名登记的人员,不 得进入项目现场施工。

施工总承包单位应当在工程项目部配备劳资专管员,对分包单位劳动用工实施监 督管理,掌握施工现场用工、考勤、工资支付等情况,审核分包单位编制的农民工工资 支付表,分包单位应当予以配合。

施工总承包单位、分包单位应当建立用工管理台账,并保存至工程完工且工资全 部结清后至少3年。

  1. 建设单位应当按照合同约定及时拨付工程款,并将人工费用及时足额拨付至农 民工工资专用账户,加强对施工总承包单位按时足额支付农民工工资的监督。

因建设单位未按照合同约定及时拨付工程款导致农民工工资拖欠的,建设单位应 当以未结清的工程款为限先行垫付被拖欠的农民工工资。

建设单位应当以项目为单位建立保障农民工工资支付协调机制和工资拖欠预防机 制,督促施工总承包单位加强劳动用工管理,妥善处理与农民工工资支付相关白勺矛盾纠 纷。发生农民工集体讨薪事件的,建设单位应当会同施工总承包单位及时处理,并向项 目所在地人力资源社会保障行政部门和相关行业工程建设主管部门报告有关情况。

  1. 分包单位对所招用农民工的实名制管理和工资支付负直接责任。

施工总承包单位对分包单位劳动用工和工资发放等情况进行监督。分包单位拖欠 农民工工资的,由施工总承包单位先行清偿,再依法进行追偿。工程建设项目转包,拖 欠农民工工资的,由施工总承包单位先行清偿,再依法进行追偿。

  1. 工程建设领域推行分包单位农民工工资委托施工总承包单位代发制度。

分包单位应当按月考核农民工工作量并编制工资支付表,经农民工本人签字确认 后,与当月工程进度等情况一并交施工总承包单位。

施工总承包单位根据分包单位编制的工资支付表,通过农民工工资专用账户直接 将工资支付到农民工本人的银行账户,并向分包单位提供代发工资凭证。

用于支付农民工工资的银行账户所绑定的农民工本人社会保障卡或者银行卡,用 人单位或者其他人员不得以任何理由扣押或者变相扣押。

  1. 施工总承包单位应当按照有关规定存储工资保证金,专项用于支付为所承包工 程提供劳动的农民工被拖欠的工资。工资保证金实行差异化存储办法,对一定时期内 未发生工资拖欠的单位实行减免措施对发生工资拖欠的单位适当提高存储t匕例。工 资保证金可以用金融机构保函替代。除法律另有规定外,农民工工资专用账户资金和 工资保证金不得因支付为本项目提供劳动的农民工工资之外的原因被查封、冻结或者 划拨。
  2. 建设单位与施工总承包单位或者承包单位与分包单位因工程数量、质量、造价 等产生争议的,建设单位不得因争议不按照规定拨付工程款中的人工费用,施工总承包 单位也不得因争议不按照规定代发工资。
  3. 建设单位或者施工总承包单位将建设工程发包或者分包给个人或者不具备合法 经营资格的单位,导致拖欠农民工工资的,由建设单位或者施工总承包单位清偿。

施工单位允许其他单位和个人以施工单位的名义对外承揽建设工程,导致拖欠农 民工工资的,由施工单位清偿。工程建设项目违反国土空间规划、工程建设等法律法 规,导致拖欠农民工工资的,由建设单位清偿。

  1. 中小企业支付

《保障中小企业款项支付条例》(国务院令第728号)规定了保障中小企业款项支 付的相关要求。

  1. 中小企业,是指在中华人民共和国境内依法设立,依据国务院批准的中小企 业划分标准确定的中型企业、小型企业和微型企业;所称大型企业,是指中小企业以外 的企业。中小企业、大型企业依合同订立时的企业规模类型确定。中小企业与机关、事 业单位、大型企业订立合同时,应当主动告知其属于中小企业。
  2. 机关、事业单位和大型企业不得要求中小企业接受不合理的付款期限、方式、 条件和违约责任等交易条件,不得违约拖欠中小企业的货物、工程、服务款项。中小企 业应当依法经营,诚实守信,按照合同约定提供合格的货物、工程和服务。
  3. 机关、事业单位从中小企业采购货物、工程、服务,应当自货物、工程、服 务交付之日起30日内支付款项合同另有约定的付款期限最长不得超过60日。

大型企业从中小企业采购货物、工程、服务,应当按照行业规范、交易习惯合理 约定付款期限并及时支付款项。

合同约定采取履行进度结算、定期结算等结算方式的,付款期限应当自双方确认 结算金额之日起算。

  1. 机关、事业单位和大型企业使用商业汇票等非现金支付方式支付中小企业款 项的,应当在合同中作出明确、合理约定,不得强制中小企业接受商业汇票等非现金支 付方式,不得利用商业汇票等非现金支付方式变相延长付款期限。.
  2. 机关、事业单位和国有大型企业不得强制要求以审计机关的审计结果作为结 算依据,但合同另有约定或者法律、行政法规另有规定的除外。
  3. 除依法设立的投标保证金、履约保证金、工程质量保证金、农民工工资保证 金外,工程建设中不得收取其他保证金。保证金的收取比例应当符合国家有关规定。

机关、事业单位和大型企业不得将保证金限定为现金。中小企业以金融机构保函 提供保证的,机关、事业单位和大型企业应当接受。

  1. 机关、事业单位和大型企业不得以法定代表人或者主要负责人变更,履行内 部付款流程,或者在合同未作约定的情况下以等待竣工验收批复、决算审计等为由,拒 绝或者迟延支付中小企业款项。
  2. 机关、事业单位和大型企业迟延支付中小企业款项的,应当支付逾期利息。 双方对逾期利息的利率有约定的约定利率不得低于合同订立时1年期贷款市场报价利 率;未作约定的,按照每日利率万分之五支付逾期利息。
  3. 违约管理

1)承包人违约

在履行合同过程中发生的下列情况属承包人违约:

  1. 承包人私自将合同的全部或部分权利转让给其他人,或私自将合同的全部或 部分义务转移给其他人。
  2. 承包人未经监理人批准,私自将已按合同约定进人施工场地的施工设备、临 时设施或材料撤离施工场地。
  3. 承包人使用了不合格材料或工程设备,工程质量达不到标准要求,又拒绝清 除不合格工程。
  4. 承包人未能按合同进度计划及时完成合同约定的工作,已造成或预期造成工 期延误。
  5. 承包人在缺陷责任期(工程质量保修期)内,未能对合同工程完工验收鉴定 书所列的缺陷清单的内容或缺陷责任期(工程质量保修期)内发生的缺陷进行修复,而 又拒绝按监理人指示再进行修补。

(6 )承包人无法继续履行或明确表示不履行或实质上已停止履行合同。

(7 )承包人不按合同约定履行义务的其他情况。

2)发包人违约

在履行合同过程中发生的下列情形,属发包人违约:

  1. 发包人未能按合同约定支付预付款或合同价款,或拖延、拒绝批准付款申请 和支付凭证,导致付款延误的。
  2. 因发包人造成停工的。
  3. 监理人无正当理由没有在约定期限内发出复工指示,导致承包人无法复工的。
  4. 发包人无法继续履行或明确表示不履行或实质上已停止履行合同的。

(5 )发包人不履行合同约定其他义务的。

  1. 索赔管理
  2. 承包人索赔
  3. 承包人提出索赔程序
  4. 承包人应在知道或应当知道索赔事件发生后28d内向监理人递交索赔意向通 知书并说明发生索赔事件的事由。承包人未在前述28d内发出索赔意向通知书的丧 失要求追加付款和(或)延长工期的权利。
  5. 承包人应在发出索赔意向通知书后28d内向监理人正式递交索赔通知书。索 赔通知书应详细说明索赔理由以及要求追加的付款金额和(或)延长的工期,并附必要 的记录和证明材料。
  6. 索赔事件具有连续影响的,承包人应按合理时间间隔继续递交延续索赔通知, 说明连续影响的实际情况和记录,列出累计的追加付款金额和(或)工期延长天数。
  7. 在索赔事件影响结束后的28d内承包人应向监理人递交最终索赔通知书说 明最终要求索赔的追加付款金额和延长的工期,并附必要的记录和证明材料。

(2 )承包人索赔处理程序

  1. 监理人收到承包人提交的索赔通知书后,应及时审查索赔通知书的内容、查验 承包人的记录和证明材料,必要时监理人可要求承包人提交全部原始记录副本。
  2. 监理人应商定或确定追加的付款和(或)延长的工期,并在收到上述索赔通知 书或有关索赔的进一步证明材料后的42d内将索赔处理结果答复承包人。
  3. 承包人接受索赔处理结果的发包人应在作出索赔处理结果答复后28d内完成 赔付。承包人不接受索赔处理结果的,按争议约定办理。
  4. 承包人提出索赔的期限
  5. 承包人接受了完工付款证书后,应被认为已无权再提出在合同工程完工证书颁 发前所发生的任何索赔。
  6. 承包人提交的最终结清申请单中,只限于提出合同工程完工证书颁发后发生的 索赔。提出索赔的期限自接受最终结清证书时终止。
  7. 发包人的索赔
  8. 发生索赔事件后,监理人应及时书面通知承包人,详细说明发包人有权得到 的索赔金额和(或)延长缺陷责任期的细节和依据。
  9. 发包人提出索赔的期限和要求与承包人索赔相同,延长工程质量保修期的通 知应在工程质量保修期届满前发出。
  10. 监理人商定或确定发包人从承包人处得到赔付的金额和(或)工程质量保修期的延长期。
  11. 承包人应付给发包人的金额可从拟支付给承包人的合同价款中扣除,或由承 包人以其他方式支付给发包人。
  12. 承包人对监理人发出的索赔书面通知内容持异议时,应在收到书面通知后的 14d内将持有异议的书面报告及其证明材料提交监理人。
  13. 监理人应在收到承包人书面报告后的14d内将异议的处理意见通知承包人 并执行赔付。若承包人不接受监理人的索赔处理意见,可按合同争议的规定办理。
  14. 合同解除的价款结算与支付
  15. 无效合同导致的合同解除

根据《中华人民共和国民法典》,建设工程合同是承包人进行工程建设、发包人支 付价款的合同。国家重大建设工程合同,应当按照国家规定的程序和国家批准的投资计 划、可行性研究报告等文件订立。符合必须招标的规模和范围标准的工程建设项目合同 必须通过招标投标方式订立。若因为种种原因导致建设工程施工合同无效,但是建设 工程经验收合格的,根据第七百九十三条规定,可以参照合同关于工程价款的约定折 价补偿承包人。建设工程施工合同无效,且建设工程经验收不合格的,按照以下情形 处理:

  1. 修复后的建设工程经验收合格的,发包人可以请求承包人承担修复费用。
  2. 修复后的建设工程经验收不合格的,承包人无权请求参照合同关于工程价款 的约定折价补偿。

发包人对因建设工程不合格造成的损失有过错的,应当承担相应的责任。

  1. 承包人违约引起的合同解除

《中华人民共和国民法典》第六百零六条规定,承包人将建设工程转包、违法分 包的,发包人可以解除合同,合同解除后已经完成的建设工程质量合格的,发包人应 当按照合同约定支付相应的工程价款;已经完成的建设工程质量不合格的,参照第 七百九十三条的规定处理。

根据《水利水电工程标准施工招标文件》(2009年版),承包人无法履行合同或明 示不履行或实质上已停止履行合同的,发包人可通知承包人立即解除合同;承包人违约 的其他情形监理人发出整改通知28d后承包人仍不纠正违约行为的发包人可向承 包人发出解除合同通知。合同解除后,发包人可派人员进驻施工场地,另行组织人员或 委托其他承包人施工。发包人因继续完成该工程的需要,有权扣留使用承包人在现场的 材料、设备和临时设施。但发包人的这一行动不免除承包人应承担的违约责任,也不影 响发包人根据合同约定享有的索赔权利。

因承包人违约造成施工合同解除的,监理人应就合同解除前承包人应得到但未支 付的工程价款和费用签发付款证书,但应扣除根据施工合同约定应由承包人承担的违约 费用。

(1 )处理程序

  1. 因承包人违约造成施工合同解除的,发包人应暂停向承包人支付任何价款。
  2. 发包人应在合同解除后28d内核实合同解除时承包人已完成的全部合同价款以 及按施工进度计划已运至现场的材料和工程设备货款,按合同约定核算承包人应支付的

违约金以及造成损失的索赔金额并将结果通知承包人。发承包双方应在28d内予以确 认或提出意见,并办理结算合同价款。如果发包人应扣除的金额超过了应支付*的金额, 则承包人应在合同解除后的56d内将其差额退还给发包人。

  1. 合同双方确认上述往来款项后,出具最终结清付款证书,结清全部合同款项。
  2. 发承包双方不能就解除合同后的结算达成一致的,按照合同约定的争议解决方 式处理。
  3. 因承包人违约解除合同后,将由发包人或发包人雇用的其他承包人继续施工。 为保证工程能顺利延续施工,承包人应按约定,将在此之前为实施本合同与其他人签订 的任何材料、设备和服务协议和利益,通过法律程序转让给发包人。
  4. 估价和结算原则

合同解除后,合同双方应尽快进行结算,由监理人通过调查取证后,与发包人和 承包人按前述约定进行估价和结算。估价和结算的原则应是:

  1. 涉及解除合同前已发生的费用仍按原合同约定结算。
  2. 承包人应合理赔偿发包人因更换承包人所造成的损失。
  3. 发包人需要使用的原承包人材料、设备和临时设施的费用由监理人与合同双方 商定或确定。
  4. 发包人违约引起的合同解除

发包人提供的主要建筑材料、建筑构配件和设备不符合强制性标准或者不履行协 助义务,致使承包人无法施工,经催告后在合理期限内仍未履行相应义务的,承包人可 以解除合同。合同解除后处理同前款规定。

根据《水利水电工程标准施工招标文件》(2009年版),发包人无法继续履行或明 确表示不履行或实质上已停止履行合同的,承包人可书面通知发包人解除合同;发包人 其他违约情形承包人按合同的约定暂停施工28d后发包人仍不纠正违约行为的承 包人可向发包人发出解除合同通知。但承包人的这一行动不免除发包人承担白勺违约责 任,也不影响承包人根据合同约定享有的索赔权利。

因发包人违约解除合同的,监理人应就合同解除前承包人所应得到但未支付的工 程价款和费用签发付款证书。发包人应在解除合同后28d内向承包人支付下列金额承 包人应在此期限内及时向发包人提交要求支付下列金额的有关资料和凭证:

(1 )合同解除日以前所完成工作的价款。

  1. 承包人为该工程施工订购并已付款的材料、工程设备和其他物品的金额。发 包人付款后,该材料、工程设备和其他物品归发包人所有。
  2. 承包人为完成工程所发生的,而发包人未支付的金额。

(4 )承包人撤离施工场地以及遣散承包人人员的金额。

  1. 由于解除合同应赔偿的承包人损失。

(6 )按合同约定在合同解除日前应支付给承包人的其他金额。

发包人应按本项约定支付上述金额并退还质量保证金和履约担保,但有权要求承 包人支付应偿还给发包人的各项金额。

因发包人违约而解除合同后,承包人应妥善做好已完工工程和已购材料、设备的 保护和移交工作,按发包人要求将承包人设备和人员撤出施工场地。承包人撤出施工场 地应遵守合同的约定,发包人应为承包人撤出提供必要条件。

  1. 不可抗力引起合同解除

在履行合同过程中,发生不可抗力事件使一方或双方无法继续履行合同时,可解 除合同。因不可抗力致使施工合同解除的,监理人应根据施工合同约定,就承包人应得 到但未支付的工程价款和费用签发付款证书。

对于不可抗力造成损害的责任,除专用合同条款另有约定外,不可抗力导致的人 员伤亡、财产损失、费用增加和(或)工期延误等后果,由合同双方按以下原则承担:

  1. 永久工程,包括已运至施工场地的材料和工程设备的损害,以及因工程损害 造成的第三者人员伤亡和财产损失由发包人承担。
  2. 承包人设备的损坏由承包人承担。

(3 )发包人和承包人各自承担其人员伤亡和其他财产损失及其相关费用。

  1. 承包人的停工损失由承包人承担,但停工期间应监理人要求照管工程和清理、 修复工程的金额由发包人承担。
  2. 不能按期完工的,应合理延长工期,承包人不需支付逾期完工违约金。发包 人要求赶工的,承包人应采取赶工措施,赶工费用由发包人承担。

合同一方当事人延迟履行,在延迟履行期间发生不可抗力的,不免除其责任。不 可抗力发生后,发包人和承包人均应采取措施尽量避免和减少损失的扩大,任何一方没 有采取有效措施导致损失扩大的,应对扩大的损失承担责任。

合同一方当事人因不可抗力不能履行合同的,应当及时通知对方解除合同。合同 解除后,承包人应按照合同约定撤离施工场地。已经订货的材料、设备由订货方负责退 货或解除订货合同,不能退还的货款和因退货、解除订货合同发生的费用,由发包人承 担,因未及时退货造成的损失由责任方承担。合同解除后的付款,由监理人按照合同的 约定,与发包人和承包人商定或确定。

2026一建《水利》电子教材(可搜索)

2026一建《水利》电子教材(可搜索)11.1工程建设程序

第11章 看本章精讲课

11.1.1建设项目的类型及建设阶段划分

  1. 水利工程的重要性

水利是国家基础设施。水利是现代农业建设不可或缺的首要条件,是经 济社会发展不可替代的基础支撑是生态环境改善不可分割的保障系统具有1艮强的公 益性、基础性、战略性。水利工程不仅关系到防洪安全、供水安全、粮食安全,而且关 系到经济安全、生态安全、国家安全。水利工程建设要严格按建设程序进行。水利工程 建设方面项目管理的规章是《水利工程建设项目管理规定试行水建1995128 号该规定发布实施于1995年4月21 H, 2016年8月1日根据水利部令第48号进 行修订,共分为总则、管理体制和职责、建设程序、实行“三项制度”改革、其他管理 制度、附则等六章。有关水利工程建设程序的规章是《水利工程建设程序管理暂行规 定》水建199816号该规定于1998年1月7日发布施行根据2016年水利部 令第48号和2019年水利部令第50号进行修订共15条。

  1. 工程建设程序划分

根据《水利工程建设项目管理规定试行水建1995Π8号2016年修订 和有关规定,水利工程建设项目的实施,必须执行工程建设程序。水利工程建设程序一 般分为:项目建议书、可行性研究报吿、施工准备、初步设计、建设实施、生产准备、 竣工验收、后评价等阶段,各阶段工作实际开展时间可以重叠。一般情况下,项目建议 书、可行性研究报告、初步设计称为前期工作。立项过程包括项目建议书和可行性研究 报告阶段。根据目前管理现状,项目建议书、可行性研究报告、初步设计由水行政主管 部门或项目法人组织编制。

  1. 建设项目的类型

1 )水利工程建设项目按其功能和作用分为公益性、准公益性和经营性三类。

2 )水利工程建设项目按其对社会和国民经济发展的影响分为中央水利基本建设 项目(简称中央项目)和地方水利基本建设项目(简称地方项目)。

3 )水利基本建设项目根据其建设规模和投资额分为大中型和小型项目。

  1. 项目建设管理体系

根据《水利工程建设项目管理规定试行水建1995128号2016年修订, 水利工程建设项目管理实行统一管理、分级管理和目标管理。实行水利部、流域机构和 地方水行政主管部门以及项目法人分级、分层次管理的管理体系。其中:

1 )水利部是国务院水行政主管部门,对全国水利工程建设实杆宏观管理。

2 流域机构是水利部的派出机构,对其所在流域行使水行政主管部门的职责,负 责本流域水利工程建设的行业管理。

3 省(自治区、直辖市)水利(水电)厅(局)是本地区的水行政主管部门,负 责本地区水利工程建设的行业管理。

4水利工程项目法人对建设项目的立项、筹资、建设、生产经营、还本付息以 及资产保值增值的全过程负责,并承担投资风险。代表项目法人对建设项目进行管理的 建设单位是项目建设的直接组织者和实施者。负责按项目的建设规模、投资总额、建设 工期、工程质量,实行项目建设的全过程管理,对国家或投资各方负责。

  1. 建设各阶段的工作要求

根据《水利工程建设项目管理规定试行水建1995128号2016年修订 水利工程建设程序中各阶段的工作要求是:

1 项目建议书阶段

项目建议书应根据国民经济和社会发展规划、流域综合规划,区域综合规划、专 业规划,按照国家产业政策和国家有关投资建设方针进行编制,是对拟进行建设项目提 出的初步说明,解决项目建设的必要性问题。

项目建议书应按照《水利水电工程项目建议书编制规程》SL/T 617-2021编制。 项目建议书编制一般委托有相应资格的工程咨询或设计单位承担。

2 可行性研究报告阶段

根据批准的项目建议书,可行性研究报告应对项目进行方案比较,对技术上是否 可行和经济上是否合理、环境以及社会影响是否可控进行充分的科学分析和论证,解决 项目建设技术、经济、环境、社会可行性问题。经过批准的可行性研究报告,是项目决 策和进行初步设计的依据。

水利工程可行性研究报告应按照《水利水电工程可行性研究报告编制规程》 SL/T 618—2021编制。水力发电工程可行性研究报告应按照《水电工程可行性研究报 告编制规程》NB/T 11013—2022编制。

可行性研究报告编制一般委托有相应资格的工程咨询或设计单位承担。可行性研 究报告经批准后,不得随意修改或变更。如在主要内容上有重要变动,应经过原批准机 关复审同意。根据2017年12月《水利部关于废止和修改部分规章的决定》水利部令 第49号可行性研究报告按国家现行规定的审批权限报批。申报项目可行性研究 报告,必须同时提出项目法人组建方案及运行机制、资金筹措方案、资金结构及回收资 金的办法。

3 初步设计阶段

初步设计是根据批准的可行性研究报告和必要而准确的勘察设计资料,对设计对 象进行通盘研究,进一步阐明拟建工程在技术上的可行性和经济上的合理性,确定项目 的各项基本技术参数,编制项目的总概算。其中概算静态总投资原则上不得突破已批准 的可行性研究报告估算的静态总投资。由于工程项目基本条件发生变化,引起工程规 模、工程标准、设计方案、工程量的改变,其静态总投资超过可行性研究报告相应估 算静态总投资在15%以下时,要对工程变化内容和增加投资提出专题分析报告。超过 15%以上含15% )时,必须重新编制可行性研究报告并按原程序报批。

初步设计报告应按照《水利水电工程初步设计报吿编制规程》SL/T 619—2021编 制。初步设计报告经批准后,主要内容不得随意修改或变更,并作为项目建设实施的技 术文件基础。在工程项目建设标准和概算投资范围内,依据批准的初步设计原则,一般 非重大设计变更、生产性子项目之间的调整,由主管部门批准。在主要内容上有重要变动或修改(包括工程项目设计变更、子项目调整、建设标准调整、概算调整)等,应按 程序上报原批准机关复审同意。

初步设计报告编制应选择具有相应资质的设计单位承担。初步设计文件报批前, 一般须由项目法人对初步设计中的重大问题组织论证。设计单位根据论证意见,对初步 设计文件进行补充、修改、优化。初步设计由项目法人组织审查后,按国家现行规定权 限向主管部门申报审批。

4 施工准备阶段

施工准备阶段(包括招标设计)是指建设项目的主体工程开工前,必须完成的各项 准备工作。其中,招标设计指为施工以及设备材料招标而进行的设计工作。

5 建设实施阶段

建设实施阶段是指主体工程的建设实施,项目法人按照批准的建设文件,组织工 程建设,保证项目建设目标的实现。

6 生产准备(运行准备)阶段

生产准备(运行准备)指为工程建设项目投人运行前所进行的准备工作,完成生产 准备(运行准备)是工程由建设转人生产(运行)的必要条件。项目法人应按建设为 管理创造条件和项目法人责任制的要求,适时做好有关生产准备(运行准备)工作。生 产准备(运行准备)一般包括以下主要工作内容:

1生产运行组织准备。建立生产运行经营的管理机构及相应管理制度。

2 )招收和培训人员。按照生产(运行)的要求,配套生产(运行)管理人员,并 通过多种形式的培训,提高人员的素质,使之能满足生产(运行)要求。生产(运行) 管理人员宜尽早介人工程的施工建设,参加设备的安装调试工作,熟悉有关情况,掌握 生产(运行)技术,为顺利衔接建设实施和生产(运行)阶段做好准备。

3 生产(运行)技术准备。主要包括技术资料的汇总、生产(运行)技术方案 的制定、岗位操作规程制定。

4 生产(运行)物资准备。主要是落实生产(运行)所需的材料、工器具、备 品备件和其他协作配合条件的准备。

5 )正常的生活福利设施准备。

7 竣工验收阶段

竣工验收是工程完成建设目标的标志,是全面考核建设成果,检验设计和工程质 量的重要步骤。

竣工验收按照《水利工程建设项目验收管理规定》水利部令第30号和《水利 水电建设工程验收规程》SL/T 223—2025进行。

8 后评价阶段

根据《水利建设项目后评价管理办法试行水规计201051号水利建 设项目后评价是水利建设投资管理程序的重要环节,是在项目竣工验收且投人使用后, 或未进行竣工验收但主体工程已建成投产多年后,对照项目立项及建设相关文件资料, 与项目建成后所达到的实际效果进行对比分析,总结经验教训,提出对策建议。也可针 对项目的某一问题进行专题评价。

项目后评价工作必须遵循独立、公正、客观、科学的原则,做到分析合理、评价公正。项目后评价的主要依据:

1 国家和行业的有关法律、法规及技术标准。

2 流域或区域的相关规划。

3 批准的项目立项、投资计划、建设实施及运行管理有关文件资料。

4 )水利建设投资统计有关资料等。

项目后评价的主要内容:

1 过程评价:前期工作、建设实施、运行管理等。

2 经济评价:财务评价、国民经济评价等。

3 社会影响及移民安置评价:社会影响和移民安置规划实施及效果等。

4 环境影响及水土保持评价:工程影响区主要生态环境、水土流失问题,环境 保护、水土保持措施执行情况,环境影响情况等。

5 目标和可持续性评价:项目目标的实现程度及可持续性的评价等。

6 综合评价:对项目实施成功程度的综合评价。

水利部或项目主管部门通过项目后评价工作,认真总结同类项目的经验教训,将 后评价成果作为规划制定、项目审批、投资决策、项目建设和管理的重要参考依据。

后评价的成果性文件是“水利建设项目后评价报告”,按照《水利建设项目后评价 报告编制规程》SL 489—2010编制。

11.1.2施工准备阶段的工作内容

水利工程施工准备阶段的主要工作原根据《水利工程建设程序管理暂行规定》(水 建199816号2017年修订有关要求进行现调整后按照以下要求进行

1 )工程建设项目施工,除某些不适应招标的特殊工程项目外(须经水行政主管 部门批准),均须实行招标投标。

2 施工准备工作开始前,项目法人或其代理机构,须依照《水利工程建设项目 管理规定试行水建1995 128号2016年修订中“管理体制和职责”明确 的分级管理权限,向水行政主管部门汇报施工准备工作情况。

《水利工程建设项目管理规定(试行)》(水建〔 1995128号2016年修订中“管 理体制和职责”明确的分级管理权限是指:水利部是国务院水行政主管部门,对全国水 利工程建设实行宏观管理;水利部所属流域机构(长江水利委员会、黄河水利委员会、 淮河水利委员会、珠江水利委员会、海河水利委员会、松辽河水利委员会和太湖流域管 理局)是水利部的派出机构,对其所在的流域行使水行政主管部门的职责,负责本流域 水利工程建设的行业管理;省(自治区、直辖市)水利(水电)厅(局)是本地区的水 行政主管部门,负责本地区水利工程建设的行业管理。

3 根据《水利部关于进一步优化调整水利工程建设项目施工准备工程开工条件 的通知》水建设202490号《水利部关于调整水利工程建设项目施工准备开 工条件的通知》水建管20171T7号废止将水利工程建设项目施工准备开工条 件调整为以下:

  1. 施工准备工程开工条件

水利工程建设项目可行性研究报告已经批准,环境影响评价文件已经批准,年度

投资计划已经下达或建设资金已经落实,项目法人即可组织开工建设施工准备工程(注 意,不是主体工程开工建设)。

  1. 施工准备工程建设内容

Α.现场征地、拆迁。

Β.进场道路及场内交通工程。

  1. 施工供电、供水、供风、通信、火工材料(火工材料是工程施工使用的炸药、 雷管、导爆器材等)和油料仓储设施、施工支洞、场地平整等临时工程。
  2. 料场开采、砂石加工、混凝土生产、大型施工机械设备土建及安装、施工导流 以及经批准的应急工程、试验工程等专项工程。

Ε.生产生活必需的其他临时建筑工程。

  1. 施工准备工程项目实施

项目法人应充分考虑可行性研究报告批准到初步设计报告批准之间的工作周期, 按初步设计深度编制施工准备工程实施方案(以下简称实施方案)。

实施方案编制应与初步设计做好衔接,合理确定施工准备工程建设内容和規模。;

项目法人要加强与初步设计审批部门、概算核定部门的沟通协调,将施工准备工 程投资纳人初步设计概算。

实施方案经项目主管部门或流域机构组织技术审查同意后,项目法人即可组织施 工准备工程项目实施。根据《中华人民共和国招标投标法》及其实施条例相关规定,需 要进行招标投标的施工准备工程,项目法人按照实施方案依法组织开展招标投标工作。

11.1.3建设实施阶段的工作内容

根据《水利工程建设程序管理暂行规定》(水建〔 199816号2017年修订, 建设实施阶段是指主体工程的建设实施,项目法人按照批准的建设文件,组织工程建 设,保证项目建设目标的实现。在建设实施阶段的主要工作是:

  1. 关于主体工程开工的规定

根据《水利工程建设项目管理规定试行水建1995Π8号2016年修订 项目法人(或项目建设责任主体、建设单位、代建机构,下同)必须按审批权Ρ艮,向主 管部门提出主体工程开工申请报告,经批准后,主体工程方能正式开工。

《水利部关于加强水利工程建设项目开工管理工作的通知》水建管2006144 号),对主体工程开工须具备的条件进行了进一步的补充和明确。

根据《水利部关于废止和修改部分规章的决定》水利部令第46号主体工程开 工的有关规定修改如下:

水利工程具备开工条件后,主体工程方可开工建设。项目法人或建设单位应当自 工程开工之日起15个工作日之内将开工情况的书面报告报项目主管单位和上一级主 管单位备案。

  1. 主体工程开工必须具备的条件

1 )项目法人或者建设单位已经设立、

2 初步设计已经批准,施工详图设计满足主体工程施工需要。

3 建设资金已经落实。

  1. 主体工程施工单位和监理单位已经确定,并分别订立合同。
  2. 质量安全监督单位已经确定,并办理了质量安全监督手续。
  3. 主要设备和材料已经落实来源。
  4. 施工准备和征地移民等工作满足主体工程开工需要。
  5. 工程建设组织

项目法人要按照批准的建设文件,充分发挥建设管理的主导作用,协调设计、监 理、施工以及地方等方面的关系,实行目标管理。项目法人与设计、监理、施工等单位 是合同关系,各方应严格履行合同。其中:

  1. 项目法人要建立严格的现场协调或调度制度。及时研究解决设计、施工的关 键技术问题。从工程整体效益以及目标出发,认真履行合同,积极处理好工程建设各方 的关系,为施工创造良好的外部建设条件。
  2. 监理单位受项目法人的委托,按照合同规定在现场独立负责项目的建设工期、 质量、投资的控制和现场施工的组织协调工作。
  3. 设计单位应按照合同及时提供施工详图,并确保设计质量。按工程规模,派 出设计代表进驻施工现场解决施工中出现的设计问题。

施工详图经监理单位审核后交施工单位施工。设计单位对不涉及重大设计原则问 题的合理意见应当采纳并修改设计。若有分歧意见,由项目法人决定。如涉及重大设计 变更问题,应当由原初步设计批准部门审定。

  1. 施工单位要加强施工管理,严格履行签订的施工合同。
  2. 设计变更

根据《水利部关于印发〈水利工程设计变更管理暂行办法〉的通知》(水规计2020 283号),设计变更需注意以下要求:

(1 )设计变更是指自水利工程初步设计批准之日起至工程竣工验收交付使用之日 止,对已批准的初步设计所进行的修改活动。

(2 )水利工程设计变更应按照《水利工程设计变更管理暂行办法》规定的程序进行 审批。建设征地和移民安置、水土保持设计、环境保护设计变更按国家有关规定执行。

  1. 水利工程设计变更分为重大设计变更和一般设计变更。重大设计变更以外的 其他设计变更,为一般设计变更。
  2. 重大设计变更是指工程建设过程中,对初步设计批复的有关建设任务和内容 进行调整,导致工程任务、规模、工程等级及设计标准发生变化,工程总体布置方案、 主要建筑物布置及结构形式、重要机电与金属结构设备、施工组织设计方案等发生重大 变化,对工程质量、安全、工期、投资、效益、环境和运行管理等产生重大影响的设计 变更。主要包括以下方面:
  3. 工程任务和规模
  4. 工程任务

工程防洪、治涝、灌溉、供水、发电等主要设计任务的变化和调整。

  1. 工程规模
  2. 水库总库容、防洪库容、死库容、调节库容的变化。
  3. 正常蓄水位、汛期限制水位、防洪高水位、死水位、设计洪水位、校核洪水位,以及分洪水位、挡潮水位等特征水位的变化。
  4. 供水、灌溉及排水工程的范围、面积、工程布局发生重大变化;干渠(管)及以 上工程设计流量、设计供弓I、排水量发生重大变化。
  5. 大中型电站或泵站的装机容量发生重大变化。
  6. 河道治理、堤防及蓄滞洪区工程中河道及堤防治理范围、治导线形态和宽度、整 治流量,蓄滞洪区及安全区面积、容量、数量,分洪工程规模等发生重大变化。
  7. 工程等级及设计标准
  8. 工程防洪标准、除涝(治涝)标准的变化。
  9. 工程等别、主要建筑物级别的变化。
  10. 主要建筑物洪水标准、抗震设计等安全标准的变化。
  11. 工程布置及建筑物
  12. 水库、水闸工程
  13. 挡水、泄水、引(供)水、过坝等主要建筑物位置、轴线、工程布置、主要结构 型式的变化。
  14. 主要挡水建筑物高度、防渗型式、筑坝材料和分区设计、结构设计的重大变化。
  15. 主要泄水建筑物设计、消能防冲设计的重大变化。
  16. 引水建筑物进水口结构设计的重大变化。
  17. 主要建筑物基础处理方案、重要边坡治理方案的重大变化。
  18. 电站、泵站工程
  19. 主要建筑物位置、轴线的重大变化。
  20. 厂区布置、主要建筑物组成的重大变化。
  21. 电(泵)站主要建筑物型式、基础处理方案的重大变化。
  22. 重要边坡治理方案的重大变化。
  23. 供水、灌溉及排水工程
  24. 水源、取水方式及输水方式的重大变化。
  25. 干渠(线)及以上工程线路、主要建筑物布置及结构型式,以及建筑物基础处 理方案、重要边坡治理方案的重大变化。

c-干渠(线)及以上工程有压输水管道管材、设计压力及调压设施的重大变化。

  1. 堤防工程及蓄滞洪区工程
  2. 堤线及建筑物布置、堤顶高程的重大变化。
  3. 堤防防渗型式、筑堤材料、结构设计、护岸和护坡型式的重大变化。
  4. 对堤防安全有影响的交叉建筑物设计方案的重大变化。
  5. 防洪以及安全建设工程型式、分洪工程型式的重大变化。
  6. 机电及金属结构
  7. 水力机械
  8. 水电站水轮机型式、布置型式、台数的变化。
  9. 大中型泵站水泵型式、布置型式、台数的变化。
  10. 压力输水系统调流调压设备型式、数量的重大变化。
  11. 电气工程
  12. 出线电压等级在llOkV及以上的电站接人电力系统接人点、主接线型式、进出 线回路数以及高压配电装置型式变化。
  13. llOkV及以上电压等级的泵站供电电压、主接线型式、进出线回路数、高压配电 装置型式变化。
  14. 大型泵站高压主电动机型式、起动方式的变化。
  15. 金属结构
  16. 具有防洪、泄水功能的闸门工作性质、闸门门型、布置方案、启闭设备型式的重 大变化。
  17. 电站、泵站等工程应急闸门工作性质、闸门门型、布置方案、启闭设备型式的 重大变化。
  18. 导流封堵闸门的门型、结构、布置方案的重大变化。
  19. 施工组织设计
  20. 水库枢纽和水电站工程的混凝土集料、土石坝填筑料、工程回填料料源发生重 大变化。
  21. 水库枢纽工程主要建筑物的导流建筑物级别、导流标准及导流方式的重大变化。
  22. 涉及工程开发任务变化和工程规模、设计标准、总体布局等方面的重大设计 变更,应征得可行性研究报告批复部门的同意。
  23. 项目法人、施工单位、监理单位不得修改建设工程勘察、设计文件。根据建 设过程中出现的问题,施工单位、监理单位及项目法人等单位可以提出设计变更建议。 项目法人应当对设计变更建议及理由进行评估,必要时,可以组织勘察设计单位、施工 单位、监理单位及有关专家对设计变更建议进行技术、经济论证。
  24. 工程勘察、设计文件的变更,应委托原勘察、设计单位进行。经原勘察、设 计单位书面同意,项目法人也可以委托其他具有相应资质的勘察、设计单位进行修改。 修改单位对修改的勘察、设计文件承担相应责任。涉及其他地区和行业的水利工程设计 变更,必须事先征求有关地区和部门的意见。
  25. 重大设计变更文件编制应当满足初步设计阶段的设计深度要求,有条件的可 按施工图设计阶段的设计深度进行编制。
  26. 工程设计变更审批采用分级管理制度。重大设计变更文件,由项目法人按原 报审程序报原初步设计审批部门审批。报水利部审批的重大设计变更,应附原初步设计 文件报送单位的意见。一般设计变更文件由项目法人组织有关参建方研究确认后实施变 更,并报项目主管部门核备,项目主管部门认为必要时可组织审批。
  27. 特殊情况重大设计变更的处理
  28. 对需要进行紧急抢险的工程设计变更,项目法人可先组织进行紧急抢险处理, 同时通报项目主管部门,并按照《水利工程设计变更管理暂行办法》办理设计变更审批 手续,并附相关的资料说明紧急抢险的情形。
  29. 若工程在施工过程中不能停工,或不继续施工会造成安全事故或重大质量事故 的,经项目法人、勘察设计单位、监理单位同意并签字认可后即可施工,但项目法人应 将情况在5个工作日内报告项目主管部门备案同时按照《水利工程设计变更管理暂行 办法》办理设计变更审批手续。

11.2水利工程验收

11.2.1水利工程验收的分类及工作内容

  1. 验收制度

为了加强公益性建设项目的验收管理《国务院办公厅关于加强基础设施工2程质量 管理的通知》国办发199916号中指出“必须实行竣工验收制度。项目建成后 必须按国家有关规定进行严格的竣工验收,由验收人员签字负责。项目竣工险收合格 后,方可投人使用。对未经验收或验收不合格就交付使用的,要追究项目法定代表人的 责任,造成重大损失的,要追究其法律责任。”对于水利工程建设项目,《国务院批转国 家计委、财政部、水利部、建设部关于加强公益性水利工程建设管理若干意见&勺通知》 (国发[2000 ] 20号中再次指出“严格水利工程项目验收制度”。这里所指的验收制度 既包括法人验收,也包括政府验收。

有关水利工程建设项目的竣工验收工作,过去执行的是行业技术标准《农利水电 建设工程验收规程》SL 223—1999,但缺少行业管理具体的规章。2006年12月18日 水利部颁发《水利工程建设项目验收管理规定》水利部令第30号该规定自2007 年4月1日起施行。《水利工程建设项目验收管理规定》水利部令第30号是水利行 业第一部针对验收工作的具体管理规章,该规定的颁布和实施,是完善水利工程建设管 理方面制度的一项重要举措,标志着水利工程项目建设过程中的验收工作以及竣工验收 管理工作进一步走向规范化、制度化,将有力推动水利工程建设管理各方面管理水平的 提局。

《水利工程建设项目验收管理规定》水利部令第30号的颁布和实施为一系列 围绕工程项目验收所需要的规章制度(如工程建设的技术鉴定、质量检测、优质:工程评 定、质量监督管理规定等)和技术标准(如验收规程、质量检验与评定规程、单元工程 施工质量评定标准等)的修订提供了重要的依据。

依据《水利工程建设项目验收管理规定》水利部令第30号以下简称求利部令 第30号等有关文件按照《水利技术标准编写规定》SL 1—2014,对《水利水电建 设工程验收规程》SL 223—1999进行修订。水利部2008年发布《水利水电建设工程验 收规程》SL 223—2008ο该规程适用于由中央、地方财政全部投资或部分投贤建设的 大中型水利水电建设工程含1、2、3级堤防工程的验收其他水利水电建设工程 的验收可参照执行。《水利水电建设工程验收规程》SL 223-2008所替代标准的历次版 本为:

1 《水利基本建设工程验收规程》SD 184—1986。

2 《水利水电建设工程验收规程》SL 223—1999。

按照《水利技术标准编写规程》SL/T 1—2024,对《水利水电建设工程验收规程》 和《水利水电工程施工质量检验与评定规程》进行合并和修订水利部2025年发布《水 利水电建设工程验收规程》SL/T 223—2025 以下简称标准SL/T 223 ,自2025年6月 3曰实施该标准适用于大中型水利水电建设工程和1级、2级、3级堤防工程的验收 活动。该标准所替代标准的历次版本为:

1 《水利水电建设工程验收规程》SL 223—2008。

2水利水电建设工程验收规程》SL 223—1999。

3 《水利水电工程施工质量检验与评定规程》SL 176—2007。

4《水利水电工程施工质量评定规程试行》SL 176—1996。

  1. 水利工程建设项目验收分类

根据水利部令第30号和标准SL/T 223水利工程建设项目验收分类及要求如下

根据水利部令第30号水利工程建设项目验收按验收主持单位性质不同分为法人 验收和政府验收。法人验收是指在项目建设过程中由项目法人组织进行的验收、法人验 收是政府验收的基础,包括分部工程验收、单位工程验收、(单项)合同工程验收、中 间机组启动验收。政府验收是指由有关人民政府、水行政主管部门或者其他有关部门组 织进行的验收包括专项验收、阶段验收和竣工验收。标准SL/T 223按项目划分将施 工质量验收分为单元工程验收、分部工程验收和单位工程验收。施工质量验收结论分为 “合格” “不合格”。按施工进度节点或工程主要功能的发挥,分为合同工程验收、阶段 验收和竣工验收。验收主持单位可增设验收类别和具体要求,也可将相关验收类别的 工作合并进行。单元工程验收执行《水利水电工程单元工程施工质量验收标准》SL/T 631.N系列标准以下简称标准SL/T 631.N,由监理单位负责组织验收。

当工程具备验收条件时,应及时组织验收。未经验收或验收不合格的工程,不得 进行后续工程施工或交接、移交使用。

  1. 水利工程建设项目验收的基本要求

1工程建设项目验收的依据

  1. 国家有关法律、法规、规章和技术标准。
  2. 有关主管部门的规定。
  3. 经批准的工程立项文件、初步设计文件、调整概算文件。
  4. 经批准的设计文件及相应的工程变更文件。
  5. 施工图纸及主要设备技术说明书等。

法人验收还应当以施工合同为验收依据。

2 )验收责任

  1. 验收主持单位应当成立验收委员会(验收工作组)进行验收,验收结论应当经 2/3以上验收委员会验收工作组成员同意。

验收委员会(验收工作组)成员应当在验收鉴定书上签字。验收委员会(验收工作 组)成员对验收结论持有异议的,应当将保留意见在验收鉴定书上明确记载并签字。

  1. 验收中发现的问题,其处理原则由验收委员会(验收工作组)协商确定。主任 委员(组长)对争议问题有裁决权。但是,半数以上验收委员会(验收工作组)成员不 同意裁决意见的,法人验收应当报请验收监督管理机关决定,政府验收应当报请竣工验 收主持单位决定。
  2. 验收委员会(验收工作组)对工程验收不予通过的,应当明确不予通过的理由 并提出整改意见。有关单位应当及时组织处理有关问题,完成整改,并按照程序重新申 请验收。
  3. 项目法人以及其他参建单位应当提交真实、完整的验收资料,并对提交的资料 负责。
  4. 对水利水电工程建设项目中的交通、电力、建筑、市政及信息化(数宇孪生) 等专业工程按相关行业标准进行的验收。
  5. 各类验收遗留问题处理情况应有相关责任单位代表签字的书面记录,书面记录 应随验收鉴定书一并归档。
  6. 验收资料制备由项目法人统一组织,有关单位应按要求及时完成并提交。项目 法人应对提交的验收资料进行完整性、规范性检查。验收资料分为应提供的(文件)资 料和需备查的(文件)资料。有关单位应保证其提交资料的真实性并承担相应责任。工 程验收的图纸、资料和成果性文件应按竣工验收资料要求制备。除图纸外验L|女资料的 规格宜为国际标准A4 210mmX297mmο文件正本应加盖单位印章且不应采用复印 件。需归档资料应符合《水利工程建设项目档案管理规定》水办2021200号原 《水利基本建设项目工程档案资料管理规定》水办1997 275号以及《水利工 程建设项目档案管理规定》水办2005480号废止要求。

验收资料应具有真实性、完整性和历史性。所谓真实性是指如实记录和反映工程 建设过程的实际情况。所谓完整性是指建设过程应有及时完整有效的记录。所i胃历史性 是指对未来有可靠和重要的参考价值。验收时所需提供资料(文件)与备查资料(文 件)的区别主要是,备查资料(文件)是原始的且数量有限不可再制,提供资料(文件) 是对原始资料的归纳和建立在实践基础上的经验总结。

  1. 水利工程建设项目验收监督管理的基本要求

1 水利部负责全国水利工程建设项目验收的监督管理工作。水利部所属流域管 理机构按照水利部授权,负责流域内水利工程建设项目验收的监督管理工作。县级以上 地方人民政府水行政主管部门按照规定权限负责本行政区域内水利工程建设项目验收的 监督管理工作。

2 法人验收监督管理机关对项目的法人验收工作实施监督管理。由水行政主管 部门或者流域管理机构组建项目法人的,该水行政主管部门或者流域管理机构是本项目 的法人验收监督管理机关;由地方人民政府组建项目法人的,该地方人民政府水行政主 管部门是本项目的法人验收监督管理机关。

3 项目法人应当自工程开工之日起60个工作日内制定法人验收工作计划报 法人验收监督管理机关和竣工验收主持单位备案。当工程建设计划调整时,验收工作计 划应进行相应调整并重新报送。

4 法人验收后,质量评定结论应当报该项目的质量监督机构核备。未经核备的, 不得组织下一阶段验收。

(注:法人验收过程中发现的技术性问题原则上应按合同约定进行处理。合同约定不明确 的,应按国家或行业技术标准规定处理。当国家或行业技术标准暂无规定时,应按合同约定进行 处理。)

  1. 处罚

水利部令第30号中关于违反该规定的主要处罚有

1 )违反本规定,项目法人不按时限要求组织法人验收或者不具备验收条件而组 织法人验收的,由法人验收监督管理机关责令改正。

2项目法人以及其他参建单位提交验收资料不真实导致验收结论有误的由提

交不真实验收资料的单位承担责任。竣工验收主持单位收回验收鉴定书,对责任单位予 以通报批评;造成严重后果的,依照有关法律法规处罚。

3 参加验收的专家在验收工作中玩忽职守、徇私舞弊的,由验收监督管理机关予 以通报批评;情节严重的,取消其参加验收的资格;构成犯罪的,依法追究刑事责任。

4 国家机关工作人员在验收工作中玩忽职守、滥用职权、徇私舞弊,尚不构成 犯罪的,依法给予行政处分;构成犯罪的,依法追究刑事责任。

11.2.2水利工程项目法人验收的要求

  1. 项目法人验收的类别

根据水利部令第30号和标准SL/T 223,法人验收类别包括施工质量验收中的分部 工程验收、单位工程验收、合同工程验收、中间机组启动验收。

  1. 分部工程验收的基本要求

1 分部工程具备验收条件时,施工单位通过监理单位向项目法人提交验收申请, 项目法人自收到验收申请报告之日起10个工作日内决定是否同意验收并通知相关单 位和质量监督机构。

分部工程验收由项目法人(或委托监理单位)主持。验收工作组应由项目法人、勘 察、设计、监理、施工、主要设备制造(供应)商(项目法人采购时)、运行管理(施 工阶段已有时)等单位的代表组成。必要时,可邀请其他单位的专家参加。

大型水利水电建设工程和1级、2级堤防工程的分部工程验收工作组成员应具有中 级及以上技术职称或相应执业资格中型水利水电建设工程和3级堤防工程的分部工程 验收工作组成员应具有相应的专业知识或执业资格。参加分部工程验收的每个单位代表 人数不宜超过2名。

2 分部工程验收需具备的条件:

  1. 所含单元工程已完成并通过施工质量验收。
  2. 相关文件(资料)齐全。
  3. 施工现场具备验收条件。
  4. 质量事故处理完毕并经验收合格,质量缺陷备案完成。
  5. 设备安装工程(如有时)应通过联调。
  6. 合同约定的其他条件。 «

3 分部工程验收内容:

  1. 分部工程完成情况。
  2. 分部工程施工质量。
  3. 相关文件整理情况。
  4. 是否存在遗留问题。

4 分部工程验收程序:

  1. 现场检查分部工程完成情况和工程质量。
  2. 听取施工单位工程施工和单元工程验收情况的汇报。
  3. 检査单元工程验收及相关文件。
  4. 对验收遗留问题提出处理意见。
  5. 讨论并通过分部工程施工质量验收结论和验收鉴定书。

5 项目法人自分部工程验收通过之日起10个工作日内将分部工程施工质量验 收结论报质量监督机构。分部工程验收鉴定书数量可按参加验收单位、验收监督管理部 门各1份以及归档所需要的份数确定。项目法人应自验收通过之日起30个工作日内将 分部工程验收鉴定书印发有关单位,并报验收监督管理部门。

6分部工程验收鉴定书格式

标准SL/T 223无“分部工程验收鉴定书格式”可以参考《水利水电建设工程验 收规程》SL 223-2008附录所列格式分部工程验收鉴定书的主要内容及填写注意事 项如下:

  1. 开工完工日期。系指本分部工程开工及完工日期,具体到日。
  2. 质量事故及缺陷处理。达不到《水利工程质量事故处理规定》水利郁令第57 号)所规定分类标准下限的,可列为质量缺陷。对于质量事故的处理程序应符合《水利 工程质量事故处理规定》水利部令第57号对于质量缺陷按有关标准及合同进行处 理。需说明本分部工程是否存在上述问题,如果存在是如何处理的。
  3. 拟验工程质量。主要填写本分部单元工程个数,本分部工程质量验收结论。应 按标准SL/T 223和SL/T631.N的要求进行质量验收。工程质量指标主要填写有关质 量方面设计指标或规范要求的指标施工单位检验结果统计监理单位验I女结果统 计,以及各指标之间的对比情况。
  4. 存在问题及处理意见。主要填写有关本分部工程质量方面是否存在问题,以及 如何处理。处理意见应明确存在问题的处理责任单位、完成期限以及应达到的质量标 准、存在问题处理后的验收责任单位。
  5. 验收结论。系填写验收的简单过程包括验收日期、质量评定依据科1结论性 意见。
  6. 保留意见。系填写对验收结论的不同意见以及需特别说明与该分部工程验收有 关的问题,并需持保留意见的人签字。
  7. 单位工程验收的基本要求

1单位工程具备验收条件时施工单位通过监理单位向项目法人提出验收申请 项目法人自收到验收申请报告之日起10个工作日内决定是否同意验收并通知相关单 位和质量监督机构。

单位工程验收由项目法人主持。验收工作组由项目法人、勘察、设计、监理、施 工、主要设备制造(供应)商(项目法人采购时)、运行管理(施工阶段已有日寸)等单 位的代表组成。验收工作组成员应具有中级及以上技术职称或相应执业资格,参加验收 的每个单位代表人数不宜超过3名。必要时可邀请其他单位的专家参加。

单位工程验收前,项目法人组织勘察、设计、监理、施工、运行管理(施工:阶段已 有时)等单位组成工程外观质量验收组,现场进行工程外观质量验收。参加工程外观质 量验收的人员应具有中级及以上技术职称或相应执业资格。工程外观质量验收组人数应 不少于5人大型水利水电建设工程和1级、2级堤防工程不宜少于7人。水和」水电建 设工程单位工程外观质量验收执行标准SL/T 223的规定。

2 )单位工程验收需具备的条件:

  1. 所含分部工程已完成并通过施工质量验收。
  2. 工程外观质量验收已完成。
  3. 相关文件(资料)齐全。
  4. 施工现场具备验收条件。
  5. 观测仪器和设备已测得初始值及施工期各项观测值如有时o
  6. 分部工程验收遗留问题已处理,未处理的遗留问题有具体处理意见且不影响单 位工程验收。
  7. 合同约定的其他条件。

3 单位工程验收内容:

  1. 单位工程完成情况。
  2. 单位工程施工质量。
  3. 工程外观质量。
  4. 相关文件(资料)整理情况。
  5. 是否存在遗留问题。

4 单位工程验收应按下列程序进行:

  1. 现场检查单位工程完成情况和工程质量。
  2. 听取工程参建单位工作报告。
  3. 检查分部工程验收及相关文件(资料)。
  4. 对验收遗留问题提出处理意见。
  5. 讨论并通过单位工程施工质量验收结论和验收鉴定书。

5 项目法人自单位工程验收通过之日起10个工作日内将单位工程施工质量验 收结论报质量监督机构。单位工程验收鉴定书数量可按参加验收单位、验收监督管理 部门、质量监督机构和安全监督机构各1份以及归档所需要的份数确定。项目法人自验 收通过之日起30个工作日内将单位工程验收鉴定书印发有关单位并报验收监督管理 部门。

  1. 合同工程验收的基本要求

1施工合同约定的建设内容完成后进行合同工程验收。合同工程具备验收条 件时,施工单位通过监理单位向项目法人提出验收申请。项目法人自收到验收申请报告 之日起10个工作日内决定是否同意验收并通知相关单位。合同工程验收由项目法人 主持。验收工作组由项目法人以及与合同工程有关的勘察、设计、监理、施工、主要设 备制造(供应)商(项目法人采购时)、运行管理(施工阶段已有时)等单位的代表组成。 当合同工程仅包含一个单位工程(分部工程)时,宜将单位工程(分部工程)验收与合 同工程验收一并进行,但应同时满足相应的验收条件。

1. SL/T 223中“合同工程验收”与《水利水电建设工程验收规程》SL 223—2008中“合 同工程完工验收” 一致。

2.《中华人民共和国标准施工招标文件》18.1竣工验收的含义:

    1. 1竣工验收指承包人完成了全部合同工作后发包人按合同要求进行的验收。
  1. 1.2国家验收是政府有关部门根据法律、规范、规程和政策要求,针对发包人全面组 织实施的整个工程正式交付投运前的验收。

  2. 1.3需要进行国家验收的,竣工验收是国家验收的一部分。竣工验收所采取:的各项验 收和评定标准应符合国家验收标准。发包人和承包人为竣工验收提供的各项竣工验收资料应符合 国家验收的要求。)

2 合同工程验收需具备的条件:

  1. 合同范围内的工程项目和工作已完成。
  2. 合同范围内的工程施工质量验收已完成。
  3. 观测仪器和设备已测得初始值及施工期各项观测值(如有时)。
  4. 质量缺陷已按要求进行处理。
  5. 工程完工结算已完成或工程计量已确认。
  6. 施工现场具备验收条件。
  7. 应归档文件(资料)已收集、整理。
  8. 历次验收遗留问题已处理,未处理的遗留问题有具体处理意见且不影口向合同工 程验收。
  9. 合同约定的其他条件。

3 合同工程验收内容:

  1. 合同工程完成情况。
  2. 施工现场清理情况。
  3. 生产生活区恢复情况。
  4. 已投人使用工程运行情况。
  5. 工程施工质量。
  6. 归档文件(资料)收集整理情况。
  7. 工程完工结算或工程计量完成情况。
  8. 历次验收遗留问题处理情况。
  9. 合同工程完工日期确定。
  10. 是否存在遗留问题。

4 合同工程验收程序:

  1. 现场检查合同工程完成情况和施工质量
  2. 听取工程参建单位工作报告。
  3. 检查合同工程验收相关文件(资料)。
  4. 对验收遗留问题提出处理意见。
  5. 讨论并通过合同工程验收鉴定书。

5 合同工程验收鉴定书数量可按参加验收单位、验收监督管理部门、质量监督机 构和安全监督机构各1份以及归档所需要的份数确定。项目法人自验收通过之日起30 个工作日内将合同工程验收鉴定书印发有关单位,并报验收监督管理部门。

11.2.3水利工程阶段验收的要求

  1. 阶段验收的类别

根据水利部令第30号和标准SL/T 223,当工程建设进展到枢纽工程导(截)流、 水库下闸蓄水、引(调)排水工程通水、水电站(泵站)首(末)台机组启动等阶段,

竣工验收主持单位应组织进行阶段验收,并根据工程建设需要可增加部分工程投人使 用、水下工程等其他阶段验收。

  1. 阶段验收的组织

阶段验收由竣工验收主持单位主持。阶段验收委员会宜由验收主持单位、质量监 督机构、安全监督机构、运行管理单位(施工阶段已有时)的代表以及专家组成。必要 时,可邀请有关地方人民政府和部门参加。工程参建单位应派代表参加阶段验收,并作 为被验单位在验收鉴定书上签字。

工程建设具备阶段验收条件时,项目法人向竣工验收主持单位提出阶段验收申请。 竣工验收主持单位自收到验收申请报告之日起20个工作日内决定是否同意验收并通 知相关单位。

根据《水利部关于进一步加快水利工程竣工验收工作的通知》(水建设2022

217号),竣工验收主持单位可将除水库下闸蓄水外的其余阶段验收委托项目法人主持。 枢纽工程导(截)流、水库下闸蓄水、引(调)排水工程通水等阶段验收前,涉及 移民安置的,应完成相应的移民安置专项验收。

  1. 阶段验收需具备的基本条件
  2. 涉及阶段验收的工程已完成并通过施工质量验收。

(2 )相关文件(资料)齐全。

  1. 质量事故处理完毕并经验收合格,质量缺陷备案完成。
  2. 历次验收遗留问题已处理,未处理的遗留问题有具体处理意见且不影响验收 和后续工程施工。

阶段验收除满足基本条件外,还需满足各类阶段验收各自的特定条件。

  1. 阶段验收基本内容
  2. 已完工程形象面貌。
  3. 在建工程建设情况。

(3 )后续工程计划安排。

(4 )拟投人使用工程的运行条件。

(5 )历次验收遗留问题的处理情况。

  1. 已完工程施工质量。
  2. 相关文件(资料)整理情况。
  3. 是否存在遗留问题。

阶段验收除包括基本内容外,还有各类阶段验收各自的特定内容。

  1. 技术预验收

大型水利水电建设工程和1级、2级堤防工程在进行阶段验收前可根据需要进行 技术预验收。阶段验收技术预验收工作可按竣工技术预验收的规定进行。

  1. 验收程序与验收成果性文件

阶段验收的程序可按竣工验收会议的规定进行。阶段验收成果性文件是阶段验收 鉴定书数量可按参加验收单位、验收监督管理部门各1份以及归档所需要的份数确 定。验收主持单位自验收通过之日起30个工作日内将阶段验收鉴定书印发有关单位 验收主持单位为项目法人的,还需报竣工验收主持单位。

  1. 枢纽工程导(截)流验收

枢纽工程导(截)流前,应进行导(截)流验收。工程分期导(截)流时,应分期 进行导(截)流验收。

1 导(截)流验收需具备的特定条件:

  1. 导流工程已完成具备过流条件投人使用包括采取措施后不影郎0其他后 续工程继续施工。
  2. 满足截流要求的水下工程已完成。
  3. 截流设计、截流方案已获批准,并做好各项准备工作。
  4. 工程度汛方案、超标准洪水应急预案已报负责项目监管的流域管理机构或地方 水行政主管部门,相关措施已落实。
  5. 截流后壅高水位以下的移民安置和库底清理(除林木清理外)工作已完成,并 通过验收。
  6. 有航运功能的河道,碍航问题已得到解决。

2 导(截)流验收特定内容:

  1. 已完水下工程、隐蔽工程、导(截)流工程满足导(截)流要求的情况,。
  2. 建设征地、移民安置完成情况。
  3. 导(截)流方案、导(截)流措施和准备工作落实情况。
  4. 为解决碍航问题而采取的工程措施落实情况。
  5. 与导(截)流有关已完工程施工质量。
  6. 水库下闸蓄水验收

水库下闸蓄水前,应进行下闸蓄水验收。工程分期蓄水时,应分期进行下闸蓄水 验收。

1 下闸蓄水验收需具备下列特定条件:

  1. 挡水建筑物的形象面貌满足蓄水位的要求。
  2. 蓄水淹没范围内的移民安置和库底清理已完成并通过验收。
  3. 蓄水后需要投人使用的泄水建筑物已基本完成,具备过流条件。
  4. 有关观测仪器、设备已按设计要求安装和调试,并已测得初始值和施工朗观测值。
  5. 蓄水后未完工程的建设计划和施工措施已落实。
  6. 蓄水安全鉴定报告已提交。
  7. 蓄水后可能影响工程安全运行的问题已处理,有关重大技术问题已有结论。
  8. 蓄水计划、导流设施封堵方案等已编制完成,并做好各项准备工作。
  9. 调度运用方案已经有管辖权的水行政主管部门批准,工程度汛方案和超标准 洪水应急预案已报负责项目监管的流域管理机构或地方水行政主管部门,相关措施已 落实。

2 下闸蓄水验收特定内容:

  1. 已完工程满足蓄水要求的情况。
  2. 建设征地、移民安置和库底清理完成情况。
  3. 近坝库岸处理情况。
  4. 蓄水准备工作落实情况。
  5. 与蓄水有关的已完工程施工质量。

3拦河水闸工程可根据工程规模、重要性由竣工验收主持单位决定是否进行 蓄水(挡水)验收,其验收的条件、主要内容可按上述的规定执行。

  1. 引(调)排水工程通水验收

1 引(调)排水工程通水前,应进行通水验收。工程分期(或分段)通水时,应 分期(或分段)进行通水验收。

2 通水验收需具备的特定条件:

  1. 建筑物形象面貌满足通水要求。
  2. 管道、有压隧洞、渡槽等建筑物已通过压(充)水试验。
  3. 通水后未完工程的建设计划和施工措施已落实。
  4. 引(调)排水位以下的移民安置和障碍物清理已完成并通过验收。
  5. 调度运用方案已经有管辖权的水行政主管部门批准,工程度汛方案和超标准 洪水应急预案已报负责项目监管的流域管理机构或地方水行政主管部门,相关措施已 落实。

3 通水验收特定内容:

  1. 已完工程满足通水要求的情况。
  2. 建设征地、移民安置和清障完成情况。
  3. 通水准备工作落实情况。
  4. 与通水有关的工程施工质量。
  5. 水电站(泵站)机组启动验收

1 )水电站(泵站)机组投人运行前,应进行机组启动验收。机组启动验收前,项 目法人应组织开展机组启动试运行。水电站机组启动验收委员会应有所在地区电力行业 (部门)的代表参加。

2 机组启动验收需具备的特定条件:

  1. 通过机组启动试运行。
  2. 机组启动试运行工作报告已提交。
  3. 机组启动试运行工作报吿中提出的遗留问题已处理。

3 机组启动验收特定内容:

  1. 机组启动试运行情况。
  2. 机组、辅助设备等质量。
  3. 与机组启动有关的工程施工和设备安装质量。
  4. 部分工程投入使用验收

标准SL/T 223无“部分工程投人使用验收”需具备的条件和验收内容可以参考 《水利水电建设工程验收规程》SL 223—2008进行。

1 项目施工工期因故拖延,并预期完成计划不确定的工程项目,部分已完成工 程需要投入使用的,应进行部分工程投人使用验收。

2 在部分工程投人使用验收申请报告中,应包含项目施工工期拖延的原因、预 期完成计划的有关情况和部分已完成工程提前投人使用的理由等内容。

3 部分工程投人使用验收应具备以下条件:

  1. 拟投人使用工程已按批准设计文件规定的内容完成并已通过相应的法人验收。
  2. 拟投人使用工程已具备运行管理条件。
  3. 工程投人使用后,不影响其他工程正常施工,且其他工程施工不影响部分工程 安全运行(包括采取防护措施)。
  4. 项目法人与运行管理单位已签订部分工程提前使用协议。
  5. 工程调度运行方案已编制完成。度汛方案已经有管辖权的防汛指挥郁门批准, 相关措施已落实。
  6. 部分工程投人使用验收工作包括以下主要内容:
  7. 检查拟投人使用工程是否已按批准设计完成。
  8. 检查工程是否已具备正常运行条件。
  9. 鉴定工程施工质量。
  10. 检查工程的调度运用、度汛方案落实情况。
  11. 对验收中发现的问题提出处理意见。
  12. 讨论并通过部分工程投人使用验收鉴定书。
  13. 部分工程投人使用验收的成果性文件是部分工程投人使用验收鉴定书,与阶 段验收鉴定书的内容有所不同;部分工程投人使用验收鉴定书是部分工程投人使用运行 的依据,也是施工单位向项目法人交接和项目法人向运行管理单位移交的依据。

11.2.4水利工程竣工验收的要求

根据水利部令第30号和标准SL/T 223,竣工验收前应进行竣工技术预验收。竣工 技术预验收通过后,方可进行竣工验收。竣工技术预验收应具备竣工验收条件。竣工验 收由工程初步设计批准文件中明确的主持竣工验收的单位主持。工程具备竣工逾收条件 时,项目法人向竣工验收主持单位提出竣工验收申请,竣工验收主持单位自收至ϋ申请报 告后20个工作日内决定是否同意验收并通知相关单位。竣工验收不能按朗进行的 项目法人应向竣工验收主持单位提出延期竣工验收申请,经竣工验收主持单位同意,可 延长期限但最长不应超过6个月。延期验收申请报告应包括延期竣工验收的主要原因 及计划延长的时间等内容。

  1. 基本规定
  2. 竣工验收需具备的条件:
  3. 工程已按批准设计全部完成。
  4. 工程施工质量合格。
  5. 工程满足一定运行要求:泵站工程经过一个排水或抽水期;河道疏浚ΣΤ程完成 后其他工程经过6个月(经过一个汛期)至12个月。
  6. 竣工验收文件(资料)已准备就绪。
  7. 工程投资已全部到位。
  8. 各专项验收、专业验收已完成。
  9. 历次验收及初期运行所发现的问题已基本处理完毕。
  10. 竣工财务决算已编制完成并通过竣工审计。
  11. 运行管理单位和经费等已落实,正常运行管理条件已具备。
  12. 工程质量监督报告已提交。

⑪法律法规规定的其他要求已满足。

  1. 竣工验收前需完成以下准备工作:
  2. 竣工验收自查。项目法人组织勘察、设计、监理、施工、主要设备制造(供应) 商(项目法人采购时)以及运行管理等单位做好竣工验收自查工作。
  3. 竣工验收技术鉴定。在竣工技术预验收前大型水利水电建设工程和1级、2级 堤防工程,项目法人应按有关规定进行竣工验收技术鉴定;中型水利水电建设工程和 3级堤防工程竣工验收主持单位可根据需要决定是否进行竣工验收技术鉴定。
  4. 竣工抽检。竣工验收主持单位可根据竣工验收的需要,委托符合资质管理要求 的质量检测单位对工程质量进行竣工抽检。
  5. 竣工验收程序:
  6. 项目法人提交竣工验收申请。
  7. 竣工验收主持单位批复竣工验收申请报告。
  8. 进行竣工技术预验收。
  9. 召开竣工验收会议。
  10. 印发竣工验收鉴定书。
  11. 特例情况处理:

因特殊原因无法继续实施的工程,应在履行相应的停建或者设计变更等手续后, 对已经完成的工程进行竣工验收。工程受投资不能全部到位、移民安置等专项验收制约 竣工验收工作开展的水利工程,可先进行工程完工验收,并应符合下列规定:

  1. 对工程建设完成情况和工程质量状况进行评价,对工程能否正常投人运用作出 明确结论。
  2. 工程完工验收可按竣工技术预验收和竣工验收的规定进行。
  3. 具备竣工验收条件时应及时进行竣工验收。
  4. 竣工技术预验收
  5. 竣工技术预验收由竣工验收主持单位组织的专家组负责。竣工技术预验收专 家组成员应具有高级技术职称或相应执业资格。竣工技术预验收前,竣工验收主持单位 通知专家组成员和验收监督管理部门、质量监督机构、安全监督机构。竣工技术预验收 专家组可下设专业工作组,在各专业工作组检查意见的基础上形成竣工技术预验收工作 报告。工程参建单位的代表应参加竣工技术预验收,负责回答专家组提出的问题。
  6. 竣工技术预验收内容:
  7. 工程完成情况。
  8. 是否存在工程质量隐患和影响工程安全运行的问题。
  9. 历次验收、专项验收、专业验收的遗留问题及其处理情况。
  10. 工程初期运行中所发现问题的处理情况。
  11. 工程重大技术问题的评价。
  12. 尾工工程安排情况。
  13. 工程施工质量。
  14. 相关文件(资料)整理情况。
  15. 工程投资、财务情况。
  16. 是否存在遗留问题。

3 竣工技术预验收程序:

  1. 现场检查工程建设情况并查阅有关文件(资料)。
  2. 听取项目法人、勘察、设计、监理、施工、运行管理及质量监督机构等单位工 作报告。
  3. 听取竣工验收技术鉴定报告(如有时)、工程质量竣工抽检报告(如有时)、工 程安全监测报告(如有时)。
  4. 专业工作组讨论并形成各专业工作组意见。
  5. 对验收遗留问题提出处理意见。
  6. 讨论并通过竣工技术预验收工作报告。

4 竣工技术预验收工作报告是竣工验收鉴定书的附件。

  1. 竣工验收

1 竣工验收委员会由竣工验收主持单位、有关水行政主管部门和流域管理机构、 有关地方人民政府和部门、质量监督机构、安全监督机构、运行管理单位、工程投资方 代表以及专家组成。竣工验收委员会可设主任委员1名副主任委员以及委员若干名 主任委员应由验收主持单位代表担任。

项目法人、勘察、设计、监理、施工、检测(项目法人委托时)、监测(项目法人 委托时)和主要设备制造(供应)商(项目法人采购时)等单位应派代表参加竣工验收, 负责解答验收委员会提出的问题。其中,项目法人、勘察、设计、监理、施工、主要设 备制造(供应)商(项目法人采购时)作为被验单位在验收鉴定书上签字。

2 召开竣工验收会议需具备的条件:

  1. 通过竣工技术预验收。
  2. 竣工技术预验收遗留问题已处理或作出安排。

3 竣工验收会议程序:

  1. 现场检查工程建设情况。
  2. 宣布验收委员会组成人员名单。
  3. 观看工程建设声像文件。
  4. 听取工程建设管理工作报告。
  5. 听取竣工技术预验收工作报告。
  6. 听取验收委员会确定的其他报告。
  7. 查阅竣工验收相关文件(资料)。
  8. 对验收遗留问题和尾工工程提出处理意见。
  9. 讨论并通过竣工验收鉴定书。

竣工验收鉴定书数量可按参加验收单位各1份以及归档所需份数确定。竣工验收主 持单位自验收通过之日起30个工作日内将竣工验收鉴定书印发有关单位。

  1. 工程交接与移交

1 )施工单位与项目法人之间的工程交接手续

1通过合同工程验收后项目法人与施工单位应在30个工作日内完成工程的交

接工作,并形成交接记录。工程办理具体交接手续的同时,施工单位应向项目法人递交 工程质量保修书。工程质量保修期(缺陷责任期)从工程通过合同工程验收之日算起, 保修范围、保修期限按合同约定和法律法规执行。工程在保修范围和保修期限内发生质 量问题的,施工单位应当履行保修义务,并对造成的损失承担赔偿责任。

根据《建设工程质量管理条例》第四十条,在正常使用条件下,基础设施工程的地 基基础工程和主体结构保修期为设计文件规定的工程合理使用年限。

  1. 工程交接内容:
  2. 工程实体。
  3. 工器具及其备品备件。
  4. 项目档案。
  5. 合同约定的其他应交接内容。

[注:根据《水利水电工程标准施工招标文件>(2009年版),项目档案的内容包括(不限于) (1 )验收工程的各项施工材料的试验检验成果。

(2 )监理人对验收工程及其工程设备的质量检查记录。

  1. 施工过程中,本项工程及其工程设备的变更文件及资料。
  2. 质量事故记录以及工程及其工程设备的缺陷处理报告。

(5 )施工过程中,对验收工程质量的专题评定(验收)报告。

(6 )质量监督机构签认的质量鉴定报吿和有关文件。

(7)验收工程施工期的安全监测成果,以及工程设备的试运行检测成果。

(8 )监理人指示提交的其他竣工验收资料。]

  1. 项目法人与工程运行管理单位之间的工程移交手续

(1 )在竣工验收鉴定书印发后60个工作日内项目法人与运行管理单位应完成工 程移交手续,并形成移交记录。工程通过部分工程投人使用验收、合同工程验收等后, 项目法人宜将工程移交运行管理单位,并办理工程部分移交手续。

(2 )工程移交应包括下列内容:

  1. 工程实体。
  2. 其他固定资产。
  3. 流动资产及无形资产。
  4. 项目档案。
  5. 其他应移交内容(注:一般情况下按批准的初步设计文件)。
  6. 验收遗留问题及尾工处理

项目法人负责竣工验收遗留问题和尾工处理,并应按照竣工验收鉴定书、合同约 定等要求,督促有关责任单位完成处理工作。项目法人已撤销的,竣工验收遗留问题和 尾工处理应由组建或批准组建项目法人的单位或其指定的单位处理完成。

竣工验收遗留问题和尾工处理完成后,项目法人或有关单位应组织验收,形成验 收成果性文件,并报竣工验收主持单位。

  1. 工程质量保修(缺陷责任)贵任终止证书颁发

根据《水利水电工程标准施工招标文件》(2009年版)工程质量保修期满后30个 工作日内,项目法人应向施工单位颁发工程质量保修责任终止证书,但保修责任范围内 的质量缺陷未处理完成的应除外。

11.2.5水利工程建设专项验收的要求

  1. 竣工验收的前置条件

根据《水利水电建设工程验收规程》SL/T 223—2008,工程竣工验收前,应按有 关规定进行专项验收。专项验收应具备的条件、验收主要内容、验收程序以及验收成果 性文件的具体要求等应执行国家及相关行业主管部门有关规定。专项验收成果,性文件应 是工程竣工验收成果性文件的组成部分。项目法人提交竣工验收申请报告时,应附相关 专项验收成果性文件复印件。水利水电工程的专项验收主要有建设项目竣工环境保护 验收、生产建设项目水土保持设施验收、移民安置验收以及建设项目档案验收等专项 验收。

  1. 建设项目竣工环境保护验收

1 验收贵任主体

根据《建设项目环境保护管理条例》2017年7月16日修订第十七条“编制环 境影响报告书、环境影响报告表的建设项目竣工后,建设单位应当按照国务院环境保 护行政主管部门规定的标准和程序,对配套建设的环境保护设施进行验收,编制验收 报告。”

根据生态环境部于2020年11月30日公布的《建设项目环境影响评价分类管理名 录2021年版水利水电建设项目均需编制环境影响报告书或环境影响报告表。

根据《环境保护部关于发布〈建设项目竣工环境保护验收暂行办法〉的公告》(国 环规环评20174号第四条“建设单位是建设项目竣工环境保护验收的责任主体 应当按照本办法规定的程序和标准,组织对配套建设的环境保护设施进行验收,编制验 收报告,公开相关信息,接受社会监督,确保建设项目需要配套建设的环境保护设施与 主体工程同时投产或者使用,并对验收内容、结论和所公开信息的真实性、准确性和完 整性负责,不得在验收过程中弄虚作假。

环境保护设施是指防治环境污染和生态破坏以及开展环境监测所需的装置、设备 和工程设施等。

验收报告分为验收监测(调查)报告、验收意见和其他需要说明的事项等三项 内容。”

建设单位在“其他需要说明的事项”中应当如实记载环境保护设施设计、施工和验 收过程简况、环境影响报告书(表)及其审批部门审批决定中提出的除环境保护设施外 的其他环境保护对策措施的实施情况,以及整改工作情况等。

相关地方政府或者政府部门承诺负责实施与项目建设配套的防护距离内居民搬迁、 功能置换、栖息地保护等环境保护对策措施的,建设单位应当积极配合地方政府或部门 在所承诺的时限内完成,并在“其他需要说明的事项”中如实记载前述环境保护对策措 施的实施情况。

2 建设项目竣工环境保护验收的主要依据

1 建设项目环境保护相关法律、法规、规章、标准和规范性文件。

2 建设项目竣工环境保护验收技术规范。

3 )建设项目环境影响报告书(表)及审批部门审批决定。

3 编制验收监测(调查)报告

建设项目竣工后,建设单位应当如实查验、监测、记载建设项目环境保护设施的 建设和调试情况,编制验收监测(调查)报告。

水利水电工程按照《建设项目竣工环境保护验收技术规范水利水电》HJ 464—2009 编制验收监测报告或者验收调查报告并开展验收工作。

建设单位不具备编制验收监测(调查)报告能力的,可以委托有能力的技术机构编 制。建设单位对受委托的技术机构编制的验收监测(调查)报告结论负责。建设单位与 受委托的技术机构之间的权利义务关系,以及受委托的技术机构应当承担的责任,可以 通过合同形式约定。

4 验收不合格情形

建设项目环境保护设施存在下列情形之一的,建设单位不得提出验收合格的意见: 1 )未按环境影响报告书(表)及其审批部门审批决定要求建成环境保护设施,或 者环境保护设施不能与主体工程同时投产或者使用的。

2 污染物排放不符合国家和地方相关标准、环境影响报告书(表)及其审批部 门审批决定或者重点污染物排放总量控制指标要求的。

3 环境影响报告书(表)经批准后,该建设项目的性质、规模、地点、采用的 生产工艺或者防治污染、防止生态破坏的措施发生重大变动,建设单位未重新报批环境 影响报告书(表)或者环境影响报告书(表)未经批准的。

4 建设过程中造成重大环境污染未治理完成,或者造成重大生态破坏未恢复的。

5 纳人排污许可管理的建设项目,无证排污或者不按证排污的。

6 分期建设、分期投人生产或者依法应当分期验收的建设项目,其分期建设、分 期投入生产或者使用的环境保护设施防治环境污染和生态破坏的能力不能满足其相应主 体工程需要的。

7 建设单位因该建设项目违反国家和地方环境保护法律法规受到处罚,被责令 改正,尚未改正完成的。

8 验收报告的基础资料数据明显不实,内容存在重大缺项、遗漏,或者验收结 论不明确、不合理的。

9 )其他环境保护法律法规规章等规定不得通过环境保护验收的。

5 验收意见

验收监测(调查)报告编制完成后,建设单位应当根据验收监测(调查)报告结论, 逐一检查是否存在上述所列验收不合格的情形,提出验收意见。存在问题的,建设单位 应当进行整改,整改完成后方可提出验收意见。

验收意见包括工程建设基本情况、工程变动情况、环境保护设施落实情况、环境 保护设施调试效果、工程建设对环境的影响、验收结论和后续要求等内容,验收结论应 当明确该建设项目环境保护设施是否验收合格。

为提高验收的有效性,在提出验收意见的过程中,建设单位可以组织成立验收工 作组,采取现场检査、资料查阅、召开验收会议等方式,协助开展验收工作。验收工作 组可以由设计单位、施工单位、环境影响报告书(表)编制机构、验收监测(调查)报告编制机构等单位代表以及专业技术专家等组成,代表范围和人数自定。

6 验收信息公开

除按照国家需要保密的情形外,建设单位应当通过其网站或其他便于公众知晓的 方式,向社会公开下列信息:

1 )建设项目配套建设的环境保护设施竣工后,公开竣工日期。

2 对建设项目配套建设的环境保护设施进行调试前,公开调试的起止日期。

3 验收报告编制完成后5个工作日内公开验收报告公示的期限不辱少于20 个工作日。

建设单位公开上述信息的同时,应当向所在地县级以上环境保护主管部ί]报送相 关信息,并接受监督检查。

除需要取得排污许可证的水和大气污染防治设施外,其他环境保护设施的验收期 限一般不超过3个月需要对该类环境保护设施进行调试或者整改的验收期Ρ艮可以适 当延期但最长不超过12个月。验收期限是指自建设项目环境保护设施竣工之日起至 建设单位向社会公开验收报告之日止的时间。

验收报告公示期满后5个工作日内建设单位应当登录全国建设项目竣工环境保护 验收信息平台,填报建设项目基本信息、环境保护设施验收情况等相关信息,环境保护 主管部门对上述信息予以公开。建设单位应当将验收报告以及其他档案资料存档备查。

7 监督管理

各级生态环境主管部门按照《关于印发〈建设项目环境保护事中事后监督管理办 法试行〉的通知》环发2015163号等规定通过“双随机一公开”抽查制度 强化建设项目环境保护事中事后监督管理。依托建设项目竣工环境保护验收信肩、平台, 采取随机抽取检查对象和随机选派执法检查人员的方式,同时结合重点建设项目定点检 查,对建设项目环境保护设施“三同时”落实情况、竣工验收等情况进行监督,性检查, 监督结果向社会公开。

建设项目环境保护事中监督管理是指环境保护部门对本行政区域内的建设项目自 办理环境影响评价手续后到正式投人生产或使用期间,落实经批准的环境影响评价文件 及批复要求的监督管理。建设项目环境保护事后监督管理是指环境保护部门对本行政区 域内的建设项目正式投人生产或使用后,遵守环境保护法律法规情况,以及按貞頁相关要 求开展环境影响后评价情况的监督管理。

事中监督管理的内容主要是,经批准的环境影响评价文件及批复中提出的环境保 护措施落实情况和公开情况;施工期环境监理和环境监测开展情况;竣工环境保护验收 和排污许可证的实施情况;环境保护法律法规的遵守情况和环境保护部门做出的行政处 罚决定落实情况。

8 验收技术工作划分

根据《建设项目竣工环境保护验收技术规范水利水电》HJ 464-2009,求利水电 建设项目竣工环境保护验收技术工作分为三个阶段:准备阶段、验收调查阶段、现场验 收阶段。

1 )准备阶段(验收应满足的工况)

①建设项目运行生产能力达到其设计生产能力的75%以上并稳定运行ί目应环保设施已投入运行。如果短期内生产能力无法达到设计能力的75%,验收调查应在主体 工程稳定运行、环境保护设施正常运行的条件下进行,注明实际调查工况。

  1. 对于没有工况负荷的建设项目,如堤防、河道整治工程、河流景观建设工程等, 以工程完工运用且相应环保设施及措施完成并投人运行后进行。
  2. 对于灌溉工程项目需构筑物完建灌溉引水量达到设计规模的75%以上。
  3. 对于分期建设、分期运行的项目,按照工程实施阶段,可分为蓄水前阶段和发 电运行阶段进行验收调查。蓄水前阶段验收调查主要是施工调查,发电运行阶段验收调 查工况应符合上述①的条件。
  4. 对于在项目筹建期编制了水通、电通、路通和场地平整"三通一平”工程环境 影响报告书的项目,工程运行满足验收工况后,一并进行竣工环境保护验收。

(2 )验收调查阶段

验收调查时段和范围如下:

  1. 验收调查应包括工程前期、施工期、运行期三个时段。
  2. 验收调查范围原则上与环境影响评价文件的评价范围一致;当工程实际建设内 容发生变更或环境影响评价文件未能全面反映出项目建设的实际生态影响或其他环境影 响时,应根据工程实际变更和实际环境影响情况,结合现场踏勘对调查范围进行适当 调整。

验收调查的目的是编制验收调查报告,核心是根据调查和分析的结果,客观、明 确地从技术角度论证工程是否符合建设项目竣工环境保护验收条件,包括:

  1. 建议通过竣工环境保护验收;
  2. 建议限期整改后,进行竣工环境保护验收。

验收调查重点内容如下:

  1. 工程设计及环境影响评价文件中提出的造成环境影响的主要工程内容。
  2. 重要生态保护区和环境敏感目标。
  3. 环境保护设计文件、环境影响评价文件及环境影响评价审批文件中提出的环境 保护措施落实情况及其效果等。主要有:调水工程和水电站下游减水、脱水段生态影响 及下泄生态流量的保障措施;水温分层型水库的下泄低温水的减缓措施;大、中型水库 的初期蓄水对下游影响的减缓措施;节水灌溉和灌区建设工程节水措施;河道整治工程 淤泥的处置措施等。
  4. 配套环境保护设施的运行情况及治理效果。
  5. 实际突出或严重的环境影响,工程施工和运行以来发生的环境风险事故以及应 急措施,公众强烈反映的环境问题。
  6. 工程环境保护投资落实情况。
  7. 现场验收阶段

①环境保护设施检查

  1. 检查生态保护设施建设和运行情况,包括:过鱼设施和增殖放流设施、下泄生 态流量通道、水土保持设施等。
  2. 检查水环境保护设施建设和运行情况,包括:工程区废、污水收集处理设施, 移民安置区污水处理设施等。
  3. 检查其他环保设施运行情况,包括:烟气除尘设施、降噪设施、垃圾收集处理 设施及环境风险应急设施等。

②环境保护措施检查

  1. 检查生态保护措施落实情况,包括:迹地恢复和占地复耕措施、绿化措施、生 态敏感目标保护措施、基本农田保护措施、水库生态调度措施、水生生物保护措施、生 态补偿措施等。
  2. 检查水环境保护措施落实情况,包括:污染源治理措施、水环境敏感目标保护 措施、排泥场防渗处理措施、水污染突发事故应急措施等。
  3. 检查其他环境保护措施落实情况。
  4. 生产建设项目水土保持设施验收
  5. 验收责任主体

根据《生产建设项目水土保持方案管理办法》(水利部令第53号),生产建设项目 投产使用前,生产建设单位应当按照水利部规定的标准和要求,开展水土保持设施自主 验收,验收结果向社会公开并报审批水土保持方案的水行政主管部门备案。水行政主管 部门应当出具备案回执。《水利部办公厅关于印发〈生产建设项目水土保持设施自主验 收规程(试行)〉的通知》(办水保2018133号)。

  1. 验收阶段划分

生产建设项目水土保持设施自主验收包括水土保持设施验收报告编制和竣工验收 两个阶段。

  1. 自主验收依据和验收内容

自主验收以水土保持方案(含变更)及其批复、水土保持初步设计和施工图设计及 其审批(审查、审定)意见为主要依据。自主验收包括以下主要内容:

  1. 水土保持设施建设完成情况。
  2. 水土保持设施质量。
  3. 水土流失防治效果。
  4. 水土保持设施的运行、管理及维护情况。
  5. 自主验收合格应具备的条件
  6. 水土保持方案(含变更)编报、初步设计和施工图设计等手续完备。
  7. 水土保持监测资料齐全,成果可靠。
  8. 水土保持监理资料齐全,成果可靠。

(4 )水土保持设施按经批准的水土保持方案(含变更)、初步设计和施工图设计建 成,符合国家、地方、行业标准、规范、规程的规定。

(5 )水土流失防治指标达到了水土保持方案批复的要求。

(6)重要防护对象不存在严重水土流失危害隐患重要防护对象是指4级(含) 以上弃渣场等容易发生水土流失危害及隐患的工程部位。根据堆渣量、堆渣最大高度,以及弃渣 场失事后对主体工程或环境造成的危害程度《水利水电工程水土保持技术规范》SL 575-2012 将弃渣场级别分为5级严重、较严重、不严重、较轻、无危害对应1、2、3、4、5级

(.7)水土保持设施具备正常运行条件,满足交付使用要求,且运行、管理及维护 责任得到落实。

  1. 验收资料

验收资料制备由项目法人(或者生产建设单位)负责组织,有关单位制备的资料应 加盖制备单位公章,并对其真实性负责。

  1. 工程质量评定

涉及重要防护对象的水土保持分部工程和单位工程的水土保持质量评定应符合《水 土保持工程质量评定规程》SL 336-2006的有关规定。质量等级分为合格和优良。

  1. 水土保持设施验收报告编制

编制水土保持方案报告书的,生产建设单位组织第三方机构编制水土保持设施验 收报告。第三方编制水土保持设施验收报告,应符合水土保持设施验收报告示范文本的 格式要求,对项目法人法定义务履行情况、水土流失防治任务完成情况、防治效果情况 和组织管理情况等进行评价,做出水土保持设施是否符合验收合格条件的结论,并对结 论负责。

水土保持设施验收报告示范文本的格式见《水利部关于加强事中事后监管规范生产 建设项目水土保持设施自主验收的通知》(水保2017365号)。

  1. 水土保持设施竣工验收

(1 )竣工验收应在第三方提交水土保持设施验收报告后,生产建设项目投产运行 前完成。

  1. 竣工验收应由项目法人组织,一般包括现场查看、资料查阅、验收会议等环节。
  2. 竣工验收应成立验收组,验收组由项目法人和水土保持设施验收报告编制、水 土保持监测、监理、方案编制、施工等有关单位代表组成。项目法人可根据生产建设项 目的规模、性质、复杂程度等情况邀请水土保持专家参加验收组。

(4 )验收结论应经2/3以上验收组成员同意。

  1. 验收组应从水土保持设施竣工图中选择有代表性、典型性的水土保持设施进 行查看,有重要防护对象的应重点査看。
  2. 验收组应对验收资料进行重点抽查,并对抽查资料的完整性、合规性提出 意见。
  3. 验收会议

(1 )水土保持方案编制、监测、监理等单位汇报相应工作及成果。

  1. 第三方汇报验收报告编制工作及成果。
  2. 验收组成员质询、讨论,并发表个人意见。

(4 )讨论形成验收意见和结论。

  1. 验收组成员对验收结论持有异议的,应将不同意见明确记载并签字。
  2. 不能通过验收的情形

根据《生产建设项目水土保持方案管理办法》(水利部令第53号),存在下列情形 之一的,水土保持设施验收结论应当为不合格:

(1 )未依法依规履行水土保持方案编报审批程序或者开展水土保持监测、监理的。 (2 )弃土弃渣未堆放在经批准的水土保持方案确定的专门存放地的。

  1. 水土保持措施体系、等级和标准或者水土流失防治指标未按照水土保持方案 批复要求落实的。

4 存在水土流失风险隐患的。

5 水土保持设施验收材料明显不实,内容存在重大缺项、遗漏的。

6 )存在法律法规和技术标准规定不得通过水土保持设施验收的其他情形的。

11水土保持设施验收鉴定书

项目法人按《水利部关于加强事中事后监管规范生产建设项目水土保持设皰自主验 收的通知》水保2017365号规定的格式制发水土保持设施验收鉴定书。

12 )公示验收情况及报备验收材料

除按照国家规定需要保密的情形外,生产建设单位应当在水土保持设施验收合格 后,通过其官方网站或者其他便于公众知悉的方式向社会公开水土保持设施發收鉴定 书、水土保持设施验收报吿和水土保持监测总结报告。

报备验收材料。生产建设单位应在向社会公开水土保持设施验收材料后、生产建 设项目投产使用前,向水土保持方案审批机关报备水土保持设施验收材料。报备材料包 括水土保持设施验收鉴定书、水土保持设施验收报告和水土保持监测总结报告。

根据《水利部关于进一步深化“放管服”改革全面加强水土保持监管的意见》(水 保2019160号水土保持设施自主验收材料由生产建设单位和接受报备的水行政 主管部门双公开生产建设单位公示20个工作日水行政主管部门定期公告。

  1. 移民安置验收

1 移民安置验收划分

根据《大中型水利水电工程移民安置验收管理办法》和《水利水电工程移民;安置验 收规程》SL 682—2014,大中型水利水电工程阶段验收和竣工验收前,应当组织移民安 置验收。移民安置未验收或者验收不合格的,不得对大中型水利水电工程进行验收。

移民安置验收可分为工程阶段性移民安置验收和工程竣工移民安置验收。工程阶 段性移民安置验收是指水库工程导(截)流、下闸蓄水(含分期蓄水)等阶段的移民安 置验收。

移民安置验收应当自下而上,按照自验、初验、终验的顺序组织进行。移民安置 自验是指承担移民安置任务的县级人民政府对移民安置工作进行的自我检查和验收。移 民安置初验是指县级以上人民政府或者其规定的移民管理机构对移民安置工作进行的初 步检查和验收。移民安置终验是指移民安置验收主持单位对移民安置工作进行的全面检 查和验收。在开展移民安置验收前,可根据需要委托第三方开展技术预验收工作。

2 移民安置验收的依据

1 国家有关法律、法规、规章、政策和标准。

2 地方有关法规、规章、政策和标准。

3 经批准的移民安置规划大纲、移民安置规划、工程可行性研究报告和初步设 计报告。移民安置实施设计文件以及规划设计变更专题报告和概算调整批准文件等,移 民安置年度计划。

4 )项目法人与地方人民政府或者其规定的移民管理机构签订的移民安置协议。

3 移民安置验收的内容

移民安置验收的内容主要包括农村移民安置、城(集)镇迁建、企(事)业单位 处理、专项设施处理、防护工程建设、水库库底清理、移民资金使用管理、移民档案管理、水库移民后期扶持政策落实措施、移民迁建用地手续办理等。

  1. 验收组织
  2. 工程验收由水利部主持的大中型水利水电工程,工程阶段性和竣工移民安置 验收由水利部会同有关省级人民政府主持,水利部可根据需要委托流域管理机构开展工 程阶段性移民安置验收工作。其余大中型水利水电工程,移民安置验收由省级人民政府 或者其规定的移民管理机构主持,并由省级人民政府规定的移民管理机构将移民安置验 收报告抄报水利部水库移民司。
  3. 移民安置验收主持单位负责监督指导移民安置自验、初验工作,并组织移民 安置终验。县级以上人民政府或者其规定的移民管理机构负责指导监督移民安置自验, 组织移民安置初验。移民区和移民安置区县级人民政府负责组织移民安置自验。
  4. 移民安置工作仅涉及一个县级行政区域的,移民安置初验可以与自验合并进行。
  5. 移民安置验收组织或者主持单位,应当组织成立验收委员会。验收委员会由 验收组织或者主持单位、项目主管部门、有关地方人民政府及其移民管理机构和相关部 门、项目法人、移民安置规划设计单位、移民安置监督评估单位,以及其他相关单位 (包括技术预验收单位)的代表和有关专家组成。验收委员会主任委员由移民安置验收 组织或者主持单位代表担任。
  6. 工程竣工移民安置验收应当满足的条件
  7. 移民已经完成搬迁安置,移民个人补偿费已经按协议兑付;移民安置区基础 设施和公共服务设施建设已经完成,需要验收的项目已经通过主管部门验收;农村移民 生产安置措施已经落实;水库移民后期扶持人口核定工作已经完成。
  8. 城(集)镇迁建已经完成,需要验收的项目已经通过主管部门验收。
  9. 企(事)业单位已经签订补偿协议并按协议兑付,需要验收的项目已经通过 主管部门验收。
  10. 专项设施处理工作已经完成并投人使用或者功能已经得到恢复,需要验收的 项目已经通过主管部门验收。
  11. 防护工程建设已经完成,运行维护单位已经明确。
  12. 水库库底清理工作已经完成,需要验收的项目已经通过主管部门验收。 (7 )移民资金已经按规定拨(兑)付完毕。
  13. 编制完成移民资金财务决算,资金使用管理情况依法接受审计监督。
  14. 历次移民资金审计、稽察和验收提出的主要问题已经整改完成或依法依规 处理。
  15. 移民档案的收集、整理和归档工作已经完成,并满足完整、准确、系统、安 全和有效利用要求。
  16. 枢纽工程导(截)流阶段,移民安置验收应当满足的条件

(1 )移民已经完成搬迁,安置地的生活条件基本具备。

(2 )对城(集)镇的影响已经得到妥善处理。

(3 )企(事)业单位处理工作已经完成。

  1. 对专项设施的影响已经得到妥善处理。

(5 )水库库底清理(除林木清理外)工作已经完成。

  1. 应归档文件材料已经完成阶段性收集、整理工作。

[注:以上(1 ) (2) (3) (4) (5)指导(截)流后雍高水位淹没影响范围内。]

  1. 水库工程下闸蓄水(含分期蓄水)阶段,移民安置验收应当满足的条件
  2. 移民已经完成搬迁安置。
  3. 农村移民生产安置措施基本落实。

(3 )城(集)镇迁建工作基本完成。

(4 )企(事)业单位处理工作已经完成。

  1. 专项设施处理工作完成,或采取其他措施已经恢复原功能。
  2. 防护工程建设已经完成(分期蓄水阶段验收时,防护工程水下部分建设满足 分期蓄水要求),且通过主管部门验收。
  3. 水库库底清理工作已经完成,需要验收的项目已经通过主管部门验收。
  4. 应归档文件材料已经完成阶段性收集、整理工作。

[注:以上(1)(2) (3) (4) (5) (6) (7)指相应的蓄水位淹没影响范围内。]

  1. 验收程序
  2. 移民安置验收前,项目法人应当会同与其签订移民安置协议的地方人民政府 编制移民安置验收工作计划。移民安置验收工作计划应当对移民安置自验和初捡工作做 出安排,对移民安置终验工作提出建议。移民安置验收工作计划应当报移民安置验收主 持单位备案。
  3. 移民区和移民安置区县级人民政府应当按照移民安置验收工作计划,组织开 展移民安置自验工作。移民安置自验通过后,移民区和移民安置区县级人民政府应及时 向移民安置初验组织单位提出初验申请。
  4. 移民安置初验组织单位在接到初验申请后,根据《大中型水利水电:□程移民 安置验收管理办法》规定的验收条件等及时决定是否同意进行移民安置初验。

移民安置初验通过后,移民安置初验组织单位应当及时向省级人民政府或者其规 定的移民管理机构提出移民安置终验申请。水利部主持验收的大中型水利水电ZC程由 省级移民管理机构组织移民安置初验,并向水利部提出移民安置终验申请,同时·抄报省 级人民政府。

  1. 移民安置验收主持单位收到终验申请后,根据《大中型水利水电工程移民安 置验收管理办法》规定的验收条件等及时决定是否同意进行移民安置终验。
  2. 验收委员会通过对移民安置工作进行全面检查和验收,形成移民安置验收报 告。移民安置验收报告应当经2/3以上验收委员会成员同意后通过。验收委员会成员对 验收结论持有异议的,应当将保留意见在验收报告上明确记载并签字。

验收中发现的问题,其处理原则由验收委员会协商确定。主任委员对争议闷题有裁 决权。但是,半数以上验收委员会成员不同意裁决意见的,应当报请验收主持单位决定。

  1. 通过移民安置验收的,移民安置验收组织或者主持单位应当将移民安置验收 报告印送有关单位。

未通过移民安置验收的,移民安置验收组织或者主持单位应当将不予通过验收的 理由以及整改意见书面通知验收申请单位。验收申请单位应当及时组织处理有关问题, 完成整改,并按照验收程序重新申请验收。

  1. 移民安置验收中发现的问题,有关单位应当按照验收报告提出的处理意见按 期妥善处理,并及时将处理结果报验收组织单位。
  2. 因提交验收资料不真实而导致验收结论有误的,移民安置验收组织单位或者 主持单位应当撤销验收报告,对责任单位和责任人予以通报;造成严重后果的,依照有 关法律法规处罚。
  3. 水利工程建设项目档案验收
  4. 档案的确认

根据《水利部关于印发水利工程建设项目档案管理规定的通知》(水办2021 200号),项目档案是指水利工程建设项目在前期、实施、竣工验收等各阶段过程中形 成的,具有保存价值并经过整理归档的文字、图表、音像、实物等形式的水利工程建设 项目文件(以下简称项目文件)。

  1. 项目文件管理的基本要求
  2. 项目文件内容必须真实、准确,与工程实际相符;应格式规范、内容准确、 文字清晰、页面整洁、编号规范、签字及盖章完备,满足耐久性要求。水利工程建设项 目重要活动及事件,原始地形地貌,工程形象进度,隐蔽工程,关键节点工序,重要部 位,地质、施工及设备缺陷处理,工程质量或安全事故,重要芯样,工程验收等,必须 形成照片和音视频文件。
  3. 竣工图是项目档案的重要组成部分,一般由施工单位负责编制,须符合《水 利工程建设项目竣工图编制要求》。项目法人负责组织或委托有资质的单位编制工程总 平面图和综合管线竣工图。
  4. 项目文件整理应遵循项目文件的形成规律和成套性特点,按照形成阶段、专 业、内容等特征进行分类。项目文件组卷及排列可参照《建设项目档案管理规范》 DA/T 28—2018案卷编目、案卷装订、卷盒、表格规格及制成材料应符合《科学技术 档案案卷构成的一般要求》GB/T 11822—2008数码照片文件整理可参照《数码照片 归档与管理规范》DA/T 50—2014录音录像文件整理可参照《录音录像档案管理规 范》DA/T 78—2019。
  5. 项目文件归档的基本要求

(1 )项目法人应按照《水利工程建设项目文件归档范围和档案保管期限表》,结合 水利工程建设项目实际情况,制定本项目文件归档范围和档案保管期限表。归档的项目 文件应为原件。因故使用复制件归档时,应加盖复制件提供单位公章或档案证明章,确 保与原件一致,并在备考表中备注原件缺失原因。

(2)项目法人与参建单位按照职责分工,分别组织对归档文件进行质量审查。对 审查发现的问题,各单位应及时整改,合格后方可归档。每个审查环节均应形成记录和 整改闭环。

  1. 施工文件、设备采购制造文件组卷、整理完毕并自查后,依次由监理单位、项 目法人工程建设管理部门、项目法人档案管理机构进行审査。
  2. 信息系统文件组卷、整理完毕并自查后,依次由监理单位、项目法人信息化管 理部门、项目法人档案管理机构进行审查。
  3. 监理文件、总承包文件(实行总承包建设模式的项目)、科研项目文件和第三方检测文件组卷、整理完毕并自查后,依次由项目法人工程建设管理部门、项目法人档案 管理机构进行审查。
  4. 项目法人各部门文件依次由部门负责人、项目法人档案管理机构进行有査。 (3 )项目文件经规范整理及审查后应及时归档。
  5. 前期文件在相关工作结束时归档。
  6. 管理性文件宜按年度归档,同一事由产生的跨年度文件在办结年度归挡。
  7. 施工文件(含竣工图)在项目合同验收后归档,建设周期长的项目可分阶段或 按单位工程、分部工程归档。
  8. 设备制造采购文件在相关工作完成后归档。
  9. 监理文件在监理的项目合同验收后归档。
  10. 第三方检测文件在检测工作完成后集中归档。
  11. 实行总承包的项目文件在项目合同验收后归档。
  12. 各专项验收和竣工验收文件在验收通过后归档。
  13. 项目法人可根据实际需要,确定项目文件的归档份数,应满足以下要求:
  14. 项目法人应保存1套完整的项目档案并根据运行管理单位的需要提供必要的 项目档案。
  15. 工程涉及多家运行管理单位时,各运行管理单位只保存与其管理部分有关的项 目档案。
  16. 有关项目文件需由若干单位保存时,原件应由项目产权单位保存,其他单位保 存复制件。
  17. 国家确定的重要江河、湖泊建设的流域控制性工程,跨流域的大型水利工程, 流域内跨省级行政区域、涉及省际边界的大型水利工程,项目法人应负责向流域机构档 案馆移交1套完整的工程前期文件、竣工图及竣工验收等相关档案。
  18. 项目法人档案管理机构应依据保管期限表对项目档案进行价值鉴定,确定其 保管期限,同一卷内有不同保管期限的文件时,该卷保管期限应从长。项目档案保管期 限分为永久、30年和10年。施工单位除表11.2-1所列文件外归档单位的其余文件 保管期限为永久。

表11.2-1水利工程建设项目文件归档范围和档案保管期限表(节选)

序号 归档文件范围 保管期限 归档单位
建设实施
(一)工程建设管理文件
1 项目管理的各项管理制度、业务规范、工作程序,质保体系文件 3◦年
2 工程建设年度工作总结 30年
3 投资、质量、进度、安全、环保等计划、实施和调整、总结 3◦年
4 通知、通报等日常管理性文件,一般性来往函件 30年 项目法人
5 质量、安全、环保、文明施工等专项检查考核、监督、履约评价文件 3◦年
6 组织法律法规、标准规范、制度程序宣贯培训文件,信息化工作文件 1◦年
7 工程建设不同阶段产生的有关工程启用、移交的各种文件 3◦年

续表

序号 归档文件范围 保管期限 归档单位
(二)招标投标、合同协议文件
1 招标计划及审批文件,招标公告、招标书、招标修改文件、答疑文 件、招标委托合同、资格预审文件 30年
2 未中标的投标文件(或做资料保存) 项目审计完成
3 开标记录、评标人员签字表、评标纪律、评标办法、评标细则、打分 表、汇总表、评审意见 30年 项目法人
4 市场调研、技术经济论证、采购活动记录、谈判文件、询价通知书、 响应文件 30年
5 供应商的推荐、评审、确定文件,政府采购、竞争性谈判、单一来源 采购协商记录、质疑答复文件 30年
(三)施工文件
1 工地实验室成立、资质、授权及外委试验协议、资质文件 30年 施工单位
2 施工日志、月报、年报、大事记 30年
(四)监理(监造)文件
1 监理平行检验、试验记录、抽检文件 30年 监理(监造)
2 监理(监造)曰志、月报、年报 30年 单位

注:表中所列为项目文件归档范围,不作为项目档案分类方案。

4 项目电子文件和电子档案管理

1 项目电子文件在办理完毕后,应按照归档要求及时收集完整;项目电子文件 整理应按照档案分类方案分别组成多层级文件信息包,文件信息包应包含项目电子文件 及过程信息、版本信息、背景信息等元数据。

2 项目电子文件完成整理后,由形成部门负责对文件信息包进行鉴定和检测,包 括内容是否齐全完整、格式是否符合要求、与纸质或其他载体文件内容的一致性等。

3 项目法人应按照国家有关规定及《电子文件归档与电子档案管理规范》GB/T 18894—2016等标准规范开展电子文件归档与电子档案管理工作。

4 项目法人应开展纸质载体档案数字化工作,档案扫描、图像处理和存储、目 录建库、数据挂接等工作应符合《纸质档案数字化规范》DA/T 31—2017有关规定数 字化范围根据工程建设实际情况并参照《建设项目档案管理规范》DA/T 28—2018有关 规定确定。

5 水利工程建设项目竣工图编制

1 )编制依据

  1. 施工单位应将设计变更、工程联系单、技术核定单、洽商单、材料变更、会议 纪要、备忘录、施工及质检记录等涉及变更的全部文件进行汇总,经监理审核后,作为 竣工图编制的依据。
  2. 竣工图编制应依据工程技术规范,按单位工程、分部工程、专业编制,并配有 竣工图编制说明和图纸目录。竣工图编制说明包括竣工图涉及的工程概况、编制单位、编制人员、编制时间、编制依据、编制方法、变更情况、竣工图张数和套数等。
  3. 竣工图编制基本要求
  4. 工程竣工时应编制竣工图,竣工图一般由施工单位负责编制。
  5. 不同的建筑物、构筑物应分别编制竣工图。
  6. 竣工图应完整、准确、规范、修改到位,真实反映项目竣工时的实际‘情况,图 面整洁,文字和线条清晰,纸张无破损。
  7. 使用施工图编制竣工图
  8. 用施工图编制竣工图的,应使用新图纸,白图或蓝图均可,但不得使用复印的 白图和拼接图编制竣工图。
  9. 按施工图施工没有变更的,由竣工图编制单位在施工图上逐张加盖并签署竣工 图章竣工图章式样如图11.2-1所示。

单位mm

竣工图章
编制单位
编制人 技术负责人 编制日期 Ο
Ο
监理单位
专业监理工程师 审核日期
ο
25 25 30
80

图11.2-1竣工图章式样

  1. 一般性图纸变更且能在原施工图上修改补充的,可直接在原图上修改,并加盖 竣工图章。修改处应注明修改依据文件的名称、编号和条款号,无法用图形、数据表达 或标注清楚的,应在标题栏上方或左边用文字简练说明。
  2. 重新绘制竣工图
  3. 有下述情形之一的均应重新绘制竣工图:
  4. 涉及结构形式、工艺、平面布置、项目等重大改变。
  5. 图面变更面积超过20%。
  6. 合同约定对所有变更均需重绘或变更面积超过合同约定比例。
  7. 重新绘制竣工图按原图编号,图号末尾加注“竣”字,或在新图标题栏内注明 “竣工阶段”。重新绘制的竣工图图幅、比例和文字字号及字体应与原施工图一致。
  8. 施工单位重新绘制的竣工图,标题栏应包含施工单位名称、图纸名称、编制人、 审核人、图号、比例尺、编制日期等标识项,并逐张加盖监理单位相关责任人审核签字 的竣工图审核章竣工图审核章式样如图11.2-2所示。

单位mm

竣工图审核章 Ο
监理单位 专业监理

工程师
审核日期
Ο
40 20 20
8 0

图11.2-2竣工图审核章式样

  1. 竣工图的审核与签署
  2. 竣工图编制完成后,监理单位应对竣工图编制的完整、准确、系统和规范情况 进行审核,并在竣工图章或竣工图审核章中签字确认。
  3. 竣工图章、竣工图审核章中的内容应填写齐全、清楚,由相关责任人签字,不 得代签,且应使用红色印泥,盖在标题栏附近空白处。

(6 )其他要求

  1. 图纸幅面折叠后一般为A4 ( 210mm X 297mm )或A3 ( 297mm X 420mm )的规格, 折叠后图纸的标题栏均应露在外面。应按《技术制图复制图的折叠方法》GB/T 10609.3- 2009的规定统一折叠。
  2. 竣工图档号章盖在标题栏附近空白处,图纸折叠后能够露在外面,便于查询利用。
  3. 竣工图套数应满足项目法人、运行管理单位、有关部门或主管单位的需要,或 按合同条款约定和有关规定执行。
  4. 建设项目档案验收

(1 )验收组织

根据水利部、国家档案局《水利工程建设项目档案验收办法》,大中型和国家重点 水利工程建设项目应在竣工验收前开展档案验收;其他水利工程建设项目可在竣工验收 前开展档案验收,也可在竣工验收时同步开展档案验收。未进行档案验收或档案验收不 合格的,不得进行或通过竣工验收。

国务院或国家发展和改革委员会组织竣工验收的项目,由国家档案主管部门或按 照国家有关规定组织档案验收。水利部、流域管理机构、地方水行政主管部门组织竣工 验收的项目,由其档案工作机构组织档案验收,必要时可根据项目实际情况,会同项目 所在地相应档案主管部门共同组织。

(2 )验收方法

档案验收采用评分制,根据评分结果划分为优良、合格和不合格三个等级。评分 项目包含档案工作保障体系、档案收集整理质量、档案信息化管理等内容。项目电子文 件归档和电子档案管理情况纳入评分内容。

档案验收按照《水利工程建设项目档案验收评分标准》逐项评分满分为100分。 总分达到90分以上的为优良等级达到70〜89.9分的为合格等级未达到70分或 达到70分以上但“档案收集整理质量与移交保管”项未达到60分的为不合格。《水利 工程建设项目档案验收评分标准》中“档案收集整理质量与移交保管”满分为70分 其中:

  1. 项目档案完整性25分。
  2. 项目档案准确性20分。
  3. 项目档案系统性10分。
  4. 项目档案规范性10分。
  5. 项目档案移交保管5分。

(3 )验收评估

大中型和国家重点水利工程建设项目档案验收前应开展检查评估工作,由档案验 收组织单位或其委托的单位组成检查组,现场核查是否具备验收条件,对发现的问题提 出整改意见并形成记录单,同时报档案验收组织单位备案。

项目法人原则上应在20个工作日内完成检查评估发现问题整改工作将整改完成 情况书面报告档案验收组织单位。

  1. 验收自查

项目法人在项目档案专项验收前,应组织参建单位对项目文件的收集、整理、归 档与档案保管、利用等进行自检,并形成档案自检报告。自检达到验收标准后,向验收 主持单位提出档案专项验收申请。

自检报告应包括:工程概况,档案管理情况,项目文件的收集、整理、归档与档 案保管、利用等情况,竣工图的编制与整理情况,档案自检工作的组织情况,对自检或 以往阶段验收发现问题的整改情况,档案完整性、准确性、系统性、规范性和安全性的 自我评价等内容。

  1. 专项审核

监理单位在项目档案专项验收前,应组织对所监理项目档案整理情况进行审核, 并形成专项审核报告。

专项审核报告应包括:工程概况,监理单位履行审核责任的组织情况,审核所监 理项目档案(含监理和施工)的范围、数量及竣工图编制质量情况,审核中发现的主要 问题及整改情况,对档案整理质量的综合评价以及审核结果等内容。

  1. 申请验收

项目法人应于工程计划竣工验收前3个月向档案验收组织单位书面提出档案验收 申请。申请档案验收应具备以下条件:

  1. 项目已按批准的设计文件要求建成,各项指标已达到设计能力并满足一定运行 条件。
  2. 项目法人与各参建单位在完成竣工验收前应归档纸质及电子等文件材料的收集、 整理、归档与移交工作。
  3. 监理单位对施工单位提交的项目档案质量已进行审核,确认已达到验收标准, 并编制档案专项审核报告。
  4. 项目法人实现项目档案的集中统一管理,且按要求完成自检工作,达到《水利 工程建设项目档案验收评分标准》规定的合格以上分数。

7 )验收程序

档案验收以验收组织单位召集验收会议的形式进行。验收组全体成员参加验收会 议,项目法人、各参建单位和运行管理单位等有关人员列席会议。档案验收包括首次 会、查看现场、检查档案、验收组内部会议、末次会等工作流程,由验收组组长或其委 托的验收组成员主持。

8 )检查档案

重点抽查项目前期及批复、项目划分、重要合同、设计变更、隐蔽工程、重要设 备、质检、竣工图、质量终身责任等文件材料总体抽查数量不低于总量的10%。其 中案卷数量低于1000卷的抽查数量不少于100卷案卷数量不满100卷的抽查数 量不少于20卷。

9 )档案移交

参建单位应在所承担项目合同验收后3个月内向项目法人办理档案移交并配合项 目法人完成项目档案专项验收相关工作;项目法人应在水利工程建设项目竣工验收后半 年内向运行管理单位及其他有关单位办理档案移交。

10其他

水利工程建设项目涉及征地补偿和移民安置工作形成的档案,按照《水利水电工程 移民档案管理办法》档发20124号执行。

11.3水力发电工程验收

11.3.1水力发电工程验收的分类及工作内容

  1. 验收文件依据

为加强水电工程建设管理,规范验收工作,保障水电工程安全和上下游人民生命 财产安全,根据《水库大坝安全管理条例》《建设工程质量管理条例》和国家有关规定, 国家能源局印发了《水电工程验收管理办法》2015年修订版同年颁布了《水电工 程验收规程》NB/T 35048—2015。

《水电工程验收管理办法》2015年修订版适用于国家核准审批水电站项目 其他水电项目参照执行。除本节所述内容外,水电工程验收管理的其他要求按《水电工 程验收规程》NB/T 35048—2015执行。

  1. 验收划分

水电工程验收包括阶段验收和竣工验收,其中阶段验收包括工程截流验收、工程 蓄水验收、水轮发电机组启动验收。截流验收和蓄水验收前应进行建设征地移民安置专 项验收。工程竣工验收应在枢纽工程、建设征地移民安置、环境保护、水土保持、消 防、劳动安全与工业卫生、工程决算和工程档案专项验收,以及特殊单项工程验收通过 后进行。特殊单项工程验收不影响枢纽工程等专项验收。

水电工程在截流、蓄水、机组启动前以及工程完工后,必须进行验收。

  1. 验收监督管理

国家能源主管部门负责水电工程验收的监督管理工作。省级人民政府能源主管部 门负责本行政区域内水电工程验收的管理、指导、协调和监督。跨省(自治区、直辖市)水电工程验收工作由项目所涉及省(自治区、直辖市)的省级人民政府能源主管部 门共同负责。

各级能源主管部门按规定权限负责和参与本行政区域内水电工程验收的管理、指 导、协调和监督。

  1. 验收依据

根据《水电工程验收管理办法》2015年修订版以及《水电工程验收规程》NB/T 35048—2015,水电工程验收的依据包括:

1 )国家有关法律、法规及行业有关规定;

2 国家及行业相关规程规范与技术标准;

3 项目审批、核准、备案文件;

4 经批准的可行性研究设计、施工图设计、设计变更及概算调整等文件;

5 工程建设的有关招标文件、合同文件及合同中明确采用的质量标准利技术文 件等。

  1. 验收组织

项目法人应组织协调设计、施工、监理、监测、设备制造安装、运行、安全鉴定、 质量监督等单位提交验收所需的资料,协助验收委员会开展工作。以上单位对各自在工 程竣工验收中所提交资料的真实性负责。

验收结论应当经2/3以上验收委员会成员同意验收委员会成员应当在验收鉴定 书上签字。验收委员会成员对验收结论持有异议的,应当将保留意见在验收鉴定书上明 确记载并签字。

验收过程中如发生争议,由验收委员会主任委员协调、裁决,并将验收委员会成 员提出的涉及重大问题的保留意见列人备忘录,作为验收鉴定书的附件。主任委员裁决 意见有半数以上委员反对或难以裁决的重大问题,应由验收委员会报请验收主持单位决 定,验收主持单位的裁决文件应作为验收鉴定书的附件,重大事项应及时上报省级人民 政府能源主管部门。

11.3.2水力发电工程阶段验收的要求

  1. 阶段验收申请

工程截流验收项目法人应在计划截流前6个月向省级人民政府能源主管部门报 送工程截流验收申请。

工程蓄水验收项目法人应根据工程进度安排在计划下闸蓄水前6个月向工程 所在地省级人民政府能源主管部门报送工程蓄水验收申请,并抄送验收主持单位。机组 启动验收项目法人应在第一台水轮发电机组进行机组启动验收前3个月向程所在 地省级人民政府能源主管部门报送机组启动验收申请,并抄送电网经营管理单位。

  1. 阶段验收组织

工程截流验收由项目法人会同省级发展改革委、能源主管部门共同组织验收委员 会进行,并邀请相关部门、项目法人所属计划单列企业集团(或中央管理企业)、有关 单位和专家参加。验收委员会主任委员由项目法人担任,副主任委员由省级发展改革 委、能源主管部门和计划单列企业集团担任。

工程蓄水验收由省级人民政府能源主管部门负责,并委托有业绩、能力单位作为 技术主持单位,组织验收委员会进行,并邀请相关部门、项目法人所属计划单列企业集 团(或中央管理企业)、有关单位和专家参加。验收委员会主任委员由省级人民政府能 源主管部门担任,亦可委托技术主持单位担任。副主任委员由省级发展改革委、技术主 持单位和计划单列企业集团担任。

水轮发电机组启动验收由项目法人会同电网经营管理单位共同组织验收委员会进 行,并邀请省级发展改革委、能源主管部门、相关部门、项目法人所属计划单列企业集 团(或中央管理企业)、有关单位和专家参加。验收委员会主任委员、副主任委员由项 目法人与电网经营管理单位协商确定,但副主任委员应包括省级发展改革委、能源主管 部门和国家能源主管部门派出机构。

  1. 阶段验收成果

工程截流验收成果是工程截流验收鉴定书。验收主持单位负责向省级人民政府能 源主管部门报送验收鉴定书,并抄送有关单位。

工程蓄水验收成果是工程蓄水验收鉴定书。验收主持单位负责向省级人民政府能 源主管部门报送验收鉴定书,并抄送有关单位。蓄水验收完成后,项目法人应在规定时 间内将下闸蓄水及蓄水后的有关情况报验收主持单位,验收主持单位视情况组织验收专 家组开展工程现场蓄水情况复查。验收主持单位应按规定向省级人民政府能源主管部门 报送下闸蓄水及蓄水后的有关情况。

机组启动验收成果是机组启动验收鉴定书。验收委员会组织召开验收会议并提出 机组启动验收鉴定书初稿。常规机组完成72h,或抽水蓄能机组完成15d带负荷试 运行后,试运行单位提出带负荷试运行工作报告,验收专家组进行审查,提出验收专家 组意见。验收委员会主任委员、副主任委员根据验收专家组的审查意见,正式出具机组 启动验收鉴定书,附测试记录。

11.3.3水力发电工程竣工验收的要求

  1. 特殊单项工程验收

工程中的取水、通航等特殊单项工程,具有独立的功能,能够单独发挥效益和作 用,因提前或推后投入运行,需要单独进行验收的,竣工验收主持单位应分别组织特殊 单项工程验收。个别不影响枢纽工程主体功能的特殊单项工程延期建设或缓建,可在枢 纽工程专项验收后,待该特殊工程单项工程建成时再由竣工验收主持单位组织特殊单项 工程验收。

对于特殊单项工程验收,项目法人应根据工程进度安排,在特殊单项工程验收计 划前3个月向工程所在地省级人民政府能源主管部门报送特殊单项工程验收申请并 抄送技术主持单位。

特殊单项工程验收,由竣工验收主持单位组织特殊单项工程验收委员会进行,必 要时竣工验收主持单位可会同有关部门或单位共同组织特殊单项工程验收委员会进行 验收。

特殊单项工程验收成果是特殊单项工程验收鉴定书。验收主持单位负责向省级人 民政府能源主管部门报送验收鉴定书,并抄送有关单位。

  1. 枢纽工程专项验收

枢纽工程专项验收是水电枢纽工程已按批准的设计规模、设计标准全部建成,并 经过规定期限的初期运行检验后,根据批准的工程任务,对枢纽功能及建筑物安全进行 的竣工阶段的专项验收。

对于枢纽工程专项验收,项目法人应根据工程进度安排,在枢纽工程专质验收计 划前3个月向工程所在地省级人民政府能源主管部门报送枢纽工程专项验收_请并 抄送技术主持单位。

枢纽工程专项验收由省级人民政府能源主管部门负责,并委托有业绩、肖旨力单位 作为技术主持单位,组织验收委员会进行,并邀请相关部门、项目法人所属计单列企 业集团(或中央管理企业)、有关单位和专家参加。验收委员会主任委员由省级人民政 府能源主管部门担任,亦可委托技术主持单位担任。副主任委员由省级发展改革委、技 术主持单位和技术单列企业集团担任。必要时验收主持单位可组织专家组进行现场检查 和技术预验收。

枢纽工程专项验收成果是枢纽工程专项验收鉴定书。验收主持单位负责向省级人 民政府能源主管部门报送验收鉴定书,并抄送有关单位。

  1. 工程竣工验收

竣工验收是水力发电工程已按批准的设计文件全部建成,并完成竣工阶段所有专 项验收后,对水力发电工程进行的总验收。

1 水力发电工程竣工验收的申请

项目法人应在工程基本完工或全部机组投产发电后的一年内,开展竣工验收相关 工作,按相关法规办理建设征地移民安置、环境保护、水土保持、消防、劳动安全与工 业卫生、工程决算和工程档案专项验收。项目法人可单独或与枢纽工程专项一并向省级 人民政府能源主管部门报送开展工程竣工验收工作的申请,并抄送技术主持单位。

验收申请报告应包括项目基本情况、项目建设运行情况、专项验收计划及竣工验 收总体安排等内容。

2 水力发电工程竣工验收的组织

1 )水力发电工程竣工验收由省级人民政府能源主管部门负责,并委托有业绩、能 力单位作为技术主持单位,组织验收委员会进行,并邀请相关部门、项目法人听属计划 单列企业集团(或中央管理企业)、有关单位和专家参加。验收委员会主任委员由省级 人民政府能源主管部门担任,亦可委托技术主持单位担任。副主任委员由省级发展改革 委、技术主持单位和技术单列企业集团担任。

2 枢纽工程、建设征地移民安置、环境保护、水土保持、消防、劳动安全与工 业卫生、工程决算和工程档案专项验收完成后,项目法人应对验收工作进行总结,向验 收委员会提交工程竣工验收总结报告。

3 工程竣工验收总结报告应包括以下内容:工程概述;竣工验收前各专项验收 工作简况;各专项验收鉴定书的主要结论(附各专项验收鉴定书);对各专项验收鉴 定书所提主要问题和建议的处理情况;枢纽工程专项验收后已完成的特殊单项工程验 收情况或在工程竣工验收时未能同步进行验收而遗留的特殊单项工程验收计戈IJ安排 结论。

  1. 水力发电工程竣工验收应具备的条件

水力发电工程通过竣工验收的条件包括:

  1. 已按规定完成各专项竣工验收的全部工作,并有同意通过验收的明确书面结 论意见。
  2. 遗留的未能同步验收的特殊单项工程不致对工程和上下游人民生命财产安全 造成影响,并已制定该特殊单项工程建设和竣工验收计划。

(3 )已妥善处理竣工验收中的遗留问题和完成尾工。

  1. 符合其他有关规定。
  2. 工程竣工验收成果

验收委员会完成竣工验收工作后,应出具竣工验收鉴定书。验收主持单位应及时 将工程竣工验收总结报告、验收鉴定书及相关资料报送省级人民政府能源主管部门。

省级人民政府能源主管部门在收到工程竣工验收总结报告和验收鉴定书后,对符 合竣工验收条件的水力发电工程颁发竣工验收证书(批复文件),并抄送国家能源主管 部门。

水力发电工程竣工验收完成后,项目法人应当按国家有关规定办理档案、固定资 产移交等相关手续。

12章 施工质量管理

2026一建《水利》电子教材(可搜索)12.1水利水电工程质量职责与事故处理

第12章 看本章精讲课 做本章自测题

12.1.1水利工程项目法人质量管理职责

  1. 质量管理职责

《水利工程质量管理规定》(水利部令第52号),进一步明确了项目法 人(建设单位)的质量管理职责。

  1. 机构和制度

项目法人应当根据水利工程的规模和技术复杂程度明确质量管理机构,建立健全 质量管理制度,落实质量责任,实施工程建设的全过程质量管理。

  1. 工程发包
  2. 项目法人应当将工程依法发包给具有相应资质等级的单位。项目法人与参建 单位签订的合同文件中,应当包括工程质量条款,明确工程质量要求,并约定合同各方 的质量责任。

项目法人应当依法向有关的勘察、设计、施工、监理等单位提供与工程有关的原 始资料。原始资料必须真实、准确、齐全。

  1. 项目法人不得迫使市场主体以低于成本的价格竞标,不得任意压缩合理工期。 项目法人不得明示或者暗示勘察、设计、施工单位违反工程建设强制性标准,降低工程 质量;不得明示或者暗示施工单位使用不合格的原材料、中间产品和设备。
  2. 开工准备
  3. 项目法人应当按照国家有关规定办理工程质量监督及开工备案手续,并书面 明确各参建单位项目负责人和技术负责人。
  4. 项目法人应当依据经批准的设计文件,组织编制工程建设执行技术标准清单, 明确工程建设质量标准。
  5. 项目法人应当组织开展施工图设计文件审查。未经审查合格的施工图设计文 件,不得使用。项目法人应当组织或者委托监理单位组织有关参建单位进行勘察、设计 交底。项目法人应当加强设计变更管理,按照规定履行设计变更程序。设计变更未经审 查同意的,不得擅自实施。
  6. 质量检验
  7. 项目法人应当严格依照有关法律、法规、规章、技术标准、批准的设计文件 和合同开展验收工作。工程质量符合相关要求的,方可通过验收。
  8. 项目法人应当对参建单位的质量行为和工程实体质量进行检查,对发现的问 题组织责任单位进行整改落实。对发生严重违规行为和质量事故的,项目法人应当及时 报告具有管辖权的水行政主管部门或者流域管理机构。
  9. 社会监督

工程开工后,项目法人应当在工程施工现场明显部位设立质量责任公示牌,公示 项目法人、勘察、设计、施工、监理等参建单位的名称、项目负责人姓名以及质量举报电话,接受社会监督。工程竣工验收后,项目法人应当在工程明显部位设置永久性标 志,载明项目法人、勘察、设计、施工、监理等参建单位名称、项目负责人姓名。

  1. 档案管理

项目法人应当按照档案管理的有关规定,及时收集、整理并督促指导其他参建单 位收集、整理工程建设各环节的文件资料,建立健全项目档案,并在工程竣工验收后, 办理移交手续。

  1. 责任关系

水利工程建设实行代建、项目管理总承包等管理模式的,代建、项目管理总承包 等单位按照合同约定承担相应质量责任,不替代项目法人的质量责任。

  1. 合同管理

项目法人(建设单位)合同管理须注意以下事项:

  1. 《中华人民共和国民法典》第四百六十九条:“当事人订立合同,可以采用书 面形式、口头形式或者其他形式。

书面形式是合同书、信件、电报、电传、传真等可以有形地表现所载内容的形式。

以电子数据交换、电子邮件等方式能够有形地表现所载内容,并可以随时调取查 用的数据电文,视为书面形式。”

  1. 《中华人民共和国民法典》第七百八十八条:“建设工程合同是承包人进行工 程建设,发包人支付价款的合同。建设工程合同包括工程勘察、设计、施工合同。”

《中华人民共和国民法典》第七百八十九条:“建设工程合同应当采用书面形式。” 《中华人民共和国民法典》第七百九十四条:“勘察、设计合同的内容一般包括提 交有关基础资料和概预算等文件的期限、质量要求、费用以及其他协作条件等条款。”

.《中华人民共和国民法典》第七百九十五条:“施工合同的内容一般包括工程范围、 建设工期、中间交工工程的开工和竣工时间、工程质量、工程造价、技术资料交付时 间、材料和设备供应责任、拨款和结算、竣工验收、质量保修范围和质量保证期、相互 协作等条款。”

  1. 《中华人民共和国民法典》第七百九十六条:“建设工程实行监理的,发包人 应当与监理人采用书面形式订立委托监理合同。发包人与监理人的权利和义务以及法律 责任,应当依照本编委托合同以及其他有关法律、行政法规的规定。”委托合同是委托 人和受托人约定,由受托人处理委托人事务的合同。委托合同应当采用水利部、国家工 商行政管理局发布的《水利工程施工监理合同示范文本》GF—2007—0211ο
  2. 《中华人民共和国民法典》第八百七十八条:“技术咨询合同是当事人一方以 技术知识为对方就特定技术项目提供可行性论证、技术预测、专题技术调查、分析评价 报告等所订立的合同。

技术服务合同是当事人一方以技术知识为对方解决特定技术问题所订立的合同, 不包括承揽合同和建设工程合同。”

  1. 项目管理职责

根据《水利部关于印发水利工程建设项目法人管理指导意见的通知》(水建设2020 258号),项目法人项目管理的主要职责有:

(1)项目法人必须严格遵守国家有关法律法规,结合建设项目实际,依法完善项

目法人治理结构,制定质量、安全、计划执行、设计、财务、合同、档案等各项管理制 度,定期开展制度执行情况自查,加强对参建单位的管理。

  1. 项目法人应根据项目特点,依法依规选择工程承发包方式。合理划分标段,避 免标段划分过细过小。禁止唯最低价中标等不合理的招标采购行为,择优选择综合实力 强、信誉良好、满足工程建设要求的参建单位。对具备条件的建设项目,推行采用工程 总承包方式,精简管理环节。对于实行工程总承包方式的,要加强施工图设计帘查及设 计变更管理,强化合同管理和风险管控,确保质量安全标准不降低,确保工程进度和资 金安全。
  2. 项目法人应加强对勘察、设计、施工、监理、监测、咨询、质量检测和材料、 设备制造供应等参建单位的合同履约管理。要以工程质量和安全为核心,定期捡查以下 内容:
  3. 检查参建单位管理和作业人员按照合同到位情况,防范转包、违法分包行为。
  4. 督促参建单位严格按照合同组织进行进度、质量和安全管理,确保按初步设计、 技术标准和施工图纸要求实施工程建设。
  5. 对勘察、设计单位,重点检查设计成果是否满足要求,设计现场服务是否到位、 设计变更是否符合程序等。
  6. 对施工单位,加强工程施工过程关键环节的监督检查,重点检查现场质量安全 管理是否符合设计和强制性标准要求、是否严格按照技术标准和施工图纸施工、是否及 时规范开展工程质量检验和验收、是否及时足额发放劳务工资等。
  7. 对监理单位,重点检查监理制度是否健全,监理人员到位是否符合合同要求, 监理平行检测、专项施工方案审核、关键部位旁站监督等监理职责履行是否到位等。

.⑥对监测单位,重点检查安全监测管理制度制定和人员配备情况,监测系统运行 情况,监测资料整编分析情况,监测系统管理保障情况等。

  1. 对质量检测单位,重点检查是否按合同要求建立工地现场试验室,人员资格和 检测能力情况,质量检测相关标准执行情况,是否存在转包、违法分包检测业务等。
  2. 代建、项目管理总承包、全过程咨询单位应依据合同约定,协助项目法人开展 对其他参建单位的合同履约管理,项目法人应定期对其履约行为开展检查。
  3. 项目法人应建立对参建单位合同履约情况的监督检查台账,实行闭环管理。对 检查发现的问题,要严格按照合同进行处罚。问题严重的,对有关责任单位采取责令整 改、约谈、停工整改、追究经济责任、解除合同、提请相关主管部门予以通报批评或降 低资质等级等措施进行追责问责。
  4. 项目法人应切实履行廉政建设主体责任,针对设计变更、工程计量、工程验 收、资金结算等关键环节,研究制定廉政风险防控手册,落实防控措施,加强工程建设 管理全过程廉政风险防控。
  5. 水利工程施工单位质量管理职责

《水利工程质量管理规定》(水利部令第52号),进一步明确了施工单位的质量管 理责任。

  1. 资质管理

施工单位应当在其资质等级许可的范围内承揽水利工程施工业务,禁止超越资质 等级许可的业务范围或者以其他施工单位的名义承揽水利工程施工业务,禁止允许其他 单位或者个人以本单位的名义承揽水利工程施工业务,不得转包或者违法分包所承揽的 水利工程施工业务。

  1. 按图施工

施工单位必须按照批准的设计文件和有关技术标准施工,不得擅自修改设计文件, 不得偷工减料。施工单位发现设计文件和图纸有差错的,应当及时向项目法人、设计单 位、监理单位提出意见和建议。施工单位应当严格控制施工过程质量,保证施工质量。

  1. 机构和人员

施工单位应当建立健全施工质量管理体系,根据工程施工需要和合同约定,设置 现场施工管理机构,配备满足施工需要的管理人员,落实质量责任制。施工单位一般不 得更换派驻现场的项目经理和技术负责人;确需更换的,应当经项目法人书面同意,且 更换后的人员资格不得低于合同约定的条件。

  1. 总包负责

水利工程的勘察、设计、施工、设备采购的一项或者多项实行总承包的,总承包 单位对其承包的工程或者采购的设备质量负责。总承包单位依法将工程分包给其他单位 的,分包单位按照分包合同的约定对其分包工程的质量向总承包单位负责,总承包单位 与分包单位对分包工程的质量承担连带责任。分包单位应当接受总承包单位的质量管 理。禁止分包单位将其承包的工程再分包。

  1. 质量检验
  2. 施工单位必须按照经批准的设计文件、有关技术标准和合同约定,对原材料、 中间产品、设备以及单元工程(工序)等进行质量检验,检验应当有检查记录或者检测 报告,并有专人签字,确保数据真实可靠。对涉及结构安全的试块、试件以及有关材 料,应当在项目法人或者监理单位监督下现场取样。未经检验或者检验不合格的,不得 使用。

检测业务按照有关规定由具有相应资质等级的水利工程质量检测单位承担。

  1. 施工单位应当严格执行工程验收制度。单元工程(工序)未经验收或者验收 不通过的,不得进行下一单元工程(工序)施工。施工单位应当做好隐蔽工程的质量检 查和记录,隐蔽工程在隐蔽前,施工单位应当通知项目法人和水利工程质量监督机构。 隐蔽工程未经验收或者验收不通过的,不得隐蔽。
  2. 施工单位应当加强施工过程质量控制,形成完整、可追溯的施工质量管理文件 资料,并按照档案管理的有关规定进行收集、整理和归档。主体工程的隐蔽部位施工、 质量问题处理等,必须保留照片、音视频文件资料并归档。
  3. 对出现施工质量问题的工程或者验收不合格的工程,施工单位应当负责返修 或者重建。
  4. 保修责任

水利工程在保修范围和保修期限内发生质量问题的,施工单位应当履行保修义务, 并对造成的损失承担赔偿责任。水利工程的保修范围、期限,应当在施工合同中约定。

关于建设工程质量保修期限,《建设工程质量管理条例》有原则性的规定,即在正 常使用条件下,建设工程的最低保修期限为:基础设施工程、房屋建筑的地基基础工程 和主体结构工程,为设计文件规定的该工程的合理使用年限;屋面防水工程、有防水要 求的卫生间、房间和外墙面的防渗漏为5年供热与供冷系统为2个供暖期、供冷 期电气管线、给水排水管道、设备安装和装修工程为2年其他项目的保修期限由 发包方与承包方约定。建设工程的保修期,自竣工验收合格之日起计算。有关水利工 程合理使用年限的确定执行《水利水电工程合理使用年限及耐久性设计规范》SL 654- 2014。

  1. 事故应对

发生质量事故时,施工单位应当采取措施防止事故扩大,保护事故现场,并及时 通知项目法人、监理单位,接受质量事故调查。

12.1.3水利工程监理单位与检(监)测单位质量管理职责

  1. 监理制政策依据

《中华人民共和国建筑法》第三十条规定,国家推行建筑工程监理制度。国务院可 以规定实行强制监理的建筑工程的范围。《国务院办公厅关于加强基础设施工程质量管 理的通知》(国发办〔 199916号中强调对于基础设施工程的建设“必须实行工程 监理制。基础设施项目的施工,必须有具备相应资质条件的监理单位进行监理”。通知 要求"监理单位必须配备足够合格的监理人员。未经监理人员签字认可,建筑材料、构 配件和设备不得在工程上使用或安装,不得进人下一道工序的施工,不得拨付工程进度 款,不得进行竣工验收。监理人员要按规定采取旁站、巡视和平行检查等形式,按作业 程序即时跟班到位进行监督检查,对达不到质量要求的工程不得签字,并有权责令返 工,有权向有关主管部门报告”。

  1. 监理单位质量管理职责

《水利工程质量管理规定》水利部令第52号进一步明确监理单位的质量管理 责任。

1 )资质管理

监理单位应当在其资质等级许可的范围内承担水利工程监理业务,禁止超越资质 等级许可的范围或者以其他监理单位的名义承担水利工程监理业务,禁止允许其他单 位或者个人以本单位的名义承担水利工程监理业务,不得转让其承担的水利工程监理 业务。

2 监理依据

监理单位应当依照国家有关法律、法规、规章、技术标准、批准的设计文件和合 同,对水利工程质量实施监理。

3 机构及人员管理

监理单位应当建立健全质量管理体系,按照工程监理需要和合同约定,在施工现 场设置监理机构,配备满足工程建设需要的监理人员,落实质量责任制。现场监理人员 应当按照规定持证上岗。总监理工程师和监理工程师一般不得更换;确需更换的,应当 经项目法人书面同意,且更换后的人员资格不得低于合同约定的条件。

4 法定工作

1 监理单位应当对施工单位的施工质量管理体系、施工组织设计、专项施工方 案、归档文件等进行审查。

2 监理单位应当按照有关技术标准和合同要求,采取旁站、巡视、平行检验和 见证取样检测等形式,复核原材料、中间产品、设备和单元工程(工序)质量。未经监 理工程师签字,原材料、中间产品和设备不得在工程上使用或者安装,施工单位不得进 行下一单元工程(工序)的施工。未经总监理工程师签字,项目法人不拨付工程款,不 进行竣工验收。

平行检验中需要进行检测的项目按照有关规定由具有相应资质等级的水利工程质 量检测单位承担。

5 回避制度

监理单位不得与被监理工程的施工单位以及原材料、中间产品和设备供应商等单 位存在隶属关系或者其他利害关系。监理单位不得与项目法人或者被监理工程的施工单 位串通,弄虚作假、降低工程质量。

  1. 检(.监)测单位质量管理职责

《水利工程质量管理规定》水利部令第52号进一步明确了检测单位的 质量管理责任。

1 )资质管理

水利工程质量检测单位应当在资质等级许可的范围内承揽水利工程质量检测业务, 禁止超越资质等级许可的范围或者以其他单位的名义承揽水利工程质量检测业务,禁止 允许其他单位或者个人以本单位的名义承揽水利工程质量检测业务,不得转让承揽的水 利工程质量检测业务。

2 检测依据

1 质量检测单位应当依照有关法律、法规、规章、技术标准和合同,及时、准 确地向委托方提交质量检测报告并对质量检测成果负责。质量检测单位应当建立检测结 果不合格项目台账,并将可能形成质量隐患或者影响工程正常运行的检测结果及时报告 委托方。

2 监测单位应当依照有关法律、法规、规章、技术标准和合同,做好监测仪器 设备检验、埋设、安装、调试和保护工作,保证监测数据连续、可靠、完整,并对监测 成果负责。监测单位应当按照合同约定进行监测资料分析,出具监测报告,并将可能反 映工程安全隐患的监测数据及时报告委托方。

3 真实性要求

1 质量检测单位、监测单位不得出具虚假和不实的质量检测报告、监测报告,不 得篡改或者伪造质量检测数据、监测数据。

2 任何单位和个人不得明示或者暗示质量检测单位、监测单位出具虚假和不实 的质量检测报告、监测报告,不得篡改或者伪造质量检测数据、监测数据。

  1. 工程质量检测管理

1 )工程质量检测

根据《水利工程质量监督管理规定》水建1997339号工程质量检测是工程 质量监督、质量检查、质量评定和验收的重要手段。

根据《水利工程质量检测管理规定》水利部令第36号水利工程质量检测简 称质量检测)是指水利工程质量检测单位(简称检测单位)依据国家有关法律、法规和 标准,对水利工程实体以及用于水利工程的原材料、中间产品、金属结构和机电设备等 进行的检查、测量、试验或者度量,并将结果与有关标准、要求进行比较以确定工程质 量是否合格所进行的活动。

2 单位资质

检测单位应当在资质等级许可的范围内承担质量检测业务。检测单位资质分为 岩土工程、混凝土工程、金属结构、机械电气和量测共5个类别每个类别J分为甲 级、乙级2个等级。取得甲级资质的检测单位可以承担各等级水利工程的质量检测业 务。大型水利工程(含一级堤防)主要建筑物以及水利工程质量与安全事故鉴定的质 量检测业务,必须由具有甲级资质的检测单位承担。取得乙级资质的检测单位可以承 担除大型水利工程(含一级堤防)主要建筑物以外的其他各等级水利工程的质量检测 业务。

3 单位资质审批

水利部负责审批检测单位甲级资质;省、自治区、直辖市人民政府水行政主管部 门负责审批检测单位乙级资质。

4 人员职业资格

从事水利工程质量检测的专业技术人员(简称检测员),应当具备相应的质量检测 知识和能力,并按照国家职业资格管理的规定取得从业资格。资格类别为水平评价类, 纳人国家职业资格目录。

根据《水利部关于印发〈水利工程质量检测员资格规定〉〈水利工程质量检测员资 格考试实施办法〉的通知》水建设2024116号检测员资格包括岩土工程、混凝 土工程、金属结构、机械电气、量测5个专业。

检测员资格实行考试的评价方式,通过水利工程质量检测员资格考试并取得资格 证书的人员,表明其已具备从事水利工程质量检测专业技术岗位工作的职业能力。水利 部颁发《中华人民共和国水利工程质量检测员资格证书》(电子证书,简称水和」工程质 量检测员资格证书)。

检测员不得同时受聘于两个或两个以上单位,不得允许他人以本人名义从业,严 禁“证书挂靠”。出租出借水利工程质量检测员资格证书的,依据相关法律法规进行处 罚;构成犯罪的,依法追究刑事责任。检测员应按规定在本人从业活动中所形成的检测 资料上签字,并承担相应法律责任。

水利工程质量检测员资格实行从业信息登记服务制度。评价机构负责登i己服务的 具体工作,接受水利部的指导、监督和检查。

从事水利工程质量检测活动并取得水利工程质量检测员资格证书的人员,在水利 部政务服务平台登记工作单位、从事专业、继续教育等信息。水利部政务服务平台登记 信息可作为从事水利工程质量检测活动的有效证明,水利工程质量检测员在参与招标投 标、出具检测报告、接受监督检查等过程中应主动出示。

12.1.4水利工程勘察设计单位质量管理职责

  1. 勘测(察)与设计
  2. 根据《建设工程勘察设计管理条例》,建设工程勘察是指根据建设工程的要求, 查明、分析、评价建设场地的地质地理环境特征和岩土工程条件,编制建设工程勘察文 件的活动。

(2 )根据《建设工程勘察设计管理条例》,建设工程设计是指根据建设工程的要求, 对建设工程所需的技术、经济、资源、环境等条件进行综合分析、论证,编制建设工程 设计文件的活动。

  1. 建设工程勘察设计的质量和水平的高低,对于建设工程的质量和安全以及投 资效益等,起着决定性的作用。

虽然《建设工程质量管理条例》对于建设工程勘察设计单位的质量责任和义务已 经有了规定,但对于实际管理工作的需要仍然缺少实质性指导,为了加强对建设工程勘 察、设计活动的管理,保证建设工程勘察、设计质量,保护人民生命和财产安全,国务 院于2000年颁布了《建设工程勘察设计管理条例》对于勘察设计活动应当遵循的原 则、勘察设计单位和人员的资质资格管理、勘察设计的发包与承包、勘察设计文件的编 制与实施以及监督管理均作了明确的规定。

  1. 质量管理职责

《水利工程质量管理规定》(水利部令第52号),进一步明确了勘察设计单位的质 量责任。

1 )资质管理

勘察、设计单位应当在其资质等级许可的范围内承揽水利工程勘察、设计业务, 禁止超越资质等级许可的范围或者以其他勘察、设计单位的名义承揽水利工程勘察、设 计业务,禁止允许其他单位或者个人以本单位的名义承揽水利工程勘察、设计业务,不 得转包或者违法分包所承揽的水利工程勘察、设计业务。

2)质量标准

  1. 勘察、设计单位应当依据有关法律、法规、规章、技术标准、规划、项目批 准文件进行勘察、设计,严格执行工程建设强制性标准,保障工程勘察、设计质量。
  2. 勘察、设计单位应当依照有关规定建立健全勘察、设计质量管理体系,加强 勘察、设计过程质量控制,严格执行勘察、设计文件的校审、会签、批准制度。
  3. 勘察单位提供的地质、测量、水文等勘察成果必须真实、准确,符合国家和 相关行业规定的勘察深度要求。
  4. 设计单位应当根据勘察成果文件进行设计,提交的设计文件应当符合相关技 术标准规定的设计深度要求,并注明工程及其水工建筑物合理使用年限。水利工程施工 图设计文件,应当以批准的初步设计文件以及设计变更文件为依据。
  5. 设计单位在设计文件中选用的原材料、中间产品和设备,应当注明规格、型 号、性能等技术指标,其质量要求必须符合国家规定的标准。除有特殊要求的原材料、 中间产品和设备外,设计单位不得指定生产厂家和供应商。

3)现场服务

  1. 勘察、设计单位应当在工程施工前,向施工、监理等有关参建单位进行交底, 对施工图设计文件作出详细说明,并对涉及工程结构安全的关键部位进行明确。
  2. 勘察、设计单位应当及时解决施工中出现的勘察、设计问题。设计单位应当 根据工程建设需要和合同约定,在施工现场设立设计代表机构或者派驻具备相应技术能 力的人员担任设计代表,及时提供设计文件,按照规定做好设计变更。设计单位发现违 反设计文件施工的情况,应当及时通知项目法人和监理单位。
  3. 勘察、设计单位应当按照有关规定参加工程验收,并在验收中对施工质量是 否满足设计要求提出明确的评价意见。
  4. 设计单位应当参与水利工程质量事故分析,提出相应的技术处理方案。
  5. 失误问贵

《水利部关于印发 < 水利工程勘测设计失误问责办法(试行)〉的通知》(水总、2020 33号),建立了勘测设计失误问责制度。

1 )勘测设计失误

水利工程勘测设计失误是指初步设计批复后的勘测设计行为与成果存在以下情形 之一':

  1. 不符合相关法律、法规、规章。
  2. 不符合强制性标准。

(3 )不符合推荐性技术标准又未进行必要论证。

  1. 不符合批准的项目初步设计和重大设计变更。
  2. 降低工程质量标准,影响工程功能发挥,导致工程存在安全隐患或发生较大 程度的投资增加。
  3. 失误认定依据
  4. 法律、法规、规章。
  5. 强制性标准。

(3 )推荐性技术标准。

  1. 批准的项目初步设计和设计变更文件。
  2. 问贵对象

问责对象为造成水利工程勘测设计失误的责任单位和责任人。

  1. 责任单位包括勘测设计单位(含勘测设计成果签章的联合单位)、技木审查单 位、项目法人和监理单位。
  2. 责任人包括直接责任人和领导责任人。勘测设计单位的直接责任人为被问责 项目的专业负责人;技术审查单位的直接责任人为专业主审人;项目法人的直接责任人 为相关部门负责人;监理单位的直接责任人为总监理工程师和专业监理工程师。领导责 任人为责任单位的主要负责人、分管负责人和项目技术负责人。
  3. 问贵程序

勘测设计失误的发现、分级和认定按以下要求执行:

  1. 水利工程勘测设计失误通过巡查、稽察、监督检查和调查等方式发现。
  2. 有下列情形之一的,省级及以上水行政主管部门应按照管辖权限及日寸启动勘

测设计失误调查:

  1. 水利工程主要设计功能发挥受到影响或不能正常运用。
  2. 水利工程发生可能与勘测设计有关的质量问题。
  3. 投诉、举报、媒体报道等反映水利工程存在勘测设计质量问题。
  4. 其他需开展专项调查的情形。
  5. 巡查、稽察、监督检查、调查发现勘测设计问题后,监督检查组应与责任 单位充分沟通,听取陈述,提出勘测设计失误初步认定结论,由省级及以上水行政 主管部门认定。对认定结论有异议的,责任单位有权向认定单位或其上一级单位申 诉。水利部为申诉的最终受理单位。省级及以上水行政主管部门受理申诉后,研究提 出复核结论。必要时委托具有相应专业技术能力的单位进行复核,结合复核意见作出 结论。
  6. 失误等级及问责方式
  7. 水利工程勘测设计失误按照对工程的质量、功能、安全和投资的影响程度,分 为一般勘测设计失误、较重勘测设计失误和严重勘测设计失误三个等级。

(2 )对责任单位的问责方式包括:

  1. 责令整改。
  2. 警示约谈。
  3. 通报批评。
  4. 建议责令停业整顿。
  5. 建议降低资质等级。
  6. 建议吊销资质证书。
  7. 对责任人的问责方式包括:
  8. 书面检查。
  9. 警示约谈。
  10. 通报批评。
  11. 留用察看。
  12. 调离岗位。
  13. 降级撤职。
  14. 实施通报批评及以上的问责,在全国水利建设市场监管服务平台公示。

按照《水利建设市场主体信用信息管理办法》《水利建设市场主体信用评价管理办 法》规定,问责结果作为“重点关注名单” “黑名单”认定和水利行业信用评价的重要 依据。

  1. 失误等级认定标准

(1 )失误等级认定标准有以下3个

  1. 水利工程勘测设计失误分级标准。
  2. 水利工程勘测设计失误责任单位问责标准。
  3. 水利工程勘测设计失误责任人问责标准。

(2 )水利工程勘测设计失误分级标准(节选)见表12.1-lc

表12.1-1水利工程勘测设计失误分级标准节选

序号 问题描述 分级 贵任单位
-般 较重 严重
设计现场服务与管理
现场设代
1 设代人员专业、数量配备不足 V
2 设代人员处理问题不及时、工作交接不到位 V
3 未设置现场设代机构或设代人员不满足现场施工需要,影晌施工进度 V
4 未及时编写《设代日志》等施工现场设代记录资料 V
5 《设代日志》等设代记录资料缺失 V
6 施工图供图计划不完整 V
7 未编制施工图供图计划或未及时提供施工图、技术要求、设计变更等, 但不影响工程进度 V
8 未及时提供施工图、技术要求、设计变更等,影晌施工进度 V
9 未参加与设计单位有关的监理例会、质量分析会等各类会议 V
设计变更
1 设计变更依据不足 V
2 设计变更内容或设计深度不符合推荐性技术标准要求且未进行必要论证 V
3 设计变更内容或设计深度不符合强制性标准要求 V 设或

4 一般设计变更不符合规定 V
5 一般设计变更未履行程序 V
6 重大设计变更未履行程序或未经审批擅自实施(应急情况按规定履行相 关程序) V
7 要求勘测设计单位进行违反法律、法规、强制性标准要求的设计变更 V
工程验收
1 未按验收要求提交设计工作报告 V
2 提交的验收资料不真实、不完整,导致验收结论有误 V
3 未按规定参加工程验收 V
4 对不合格工程(项目)同意验收 V

1.表中“①”代表第一责任单位,“②”代表第二责任单位。

  1. 表中“项”代表项目法人,“设”代表勘测设计单位。
  2. 对于第二责任单位的较重、严重勘测设计失误可视情况降低一级认定。

12.1.5水利工程质量监督的内容

  1. 监督职责划分

《建设工程质量管理条例》规定,国家实行建设工程质量监督管理制度。国务院建 设行政主管部门对全国的建设工程质量实施统一监督管理。铁路、交通、水利等有关部 门按照国务院规定的职责分工,负责对全国的有关专业建设工程质量的监督管理。县级 以上地方人民政府建设行政主管部门对本行政区域内的建设工程质量实施监督管理。县 级以上地方人民政府交通、水利等有关部门在各自的职责范围内,负责对本行政区域内 的专业建设工程质量的监督管理。

水利部于1997年12月21日颁发的《水利工程质量管理规定》水利部令第7号 自2023年3月1日废止。自2023年3月1日起施行水利部于2023年1月12日发布的《水 利工程质量管理规定》水利部令第52号该规定共分为总则、项目法人的质量责任、 勘察、设计单位的质量责任、施工单位的质量责任、监理单位的质量责任、其他单位的 质量责任、监督管理、罚则、附则共9章计76条。

根据《水利工程质量管理规定》水利部令第52号以及《水利部办公厅关于印 发水利建设工程质量监督工作清单的通知》办监督2019211号的有关规定监 督职责划分如下:

水利部负责全国水利工程质量的监督管理。

水利部所属流域管理机构(以下简称流域管理机构)依照法律、行政法规规定和水 利部授权,负责所管辖范围内水利工程质量的监督管理。

县级以上地方人民政府水行政主管部门在职责范围内负责本行政区域水利工程质 量的监督管理。

  1. 质量责任划分

1 )项目法人(建设单位)对水利工程质量承担首要责任。勘察、设计、施工、监 理单位对水利工程质量承担主体责任,分别对工程的勘察质量、设计质量、施工质量和 监理质量负责。检测、监测单位以及原材料、中间产品、设备供应商等单位依据有关规 定和合同,分别对工程质量承担相应责任。

项目法人、勘察、设计、施工、监理、检测、监测单位以及原材料、中间产品、 设备供应商等单位的法定代表人及其工作人员,按照各自职责对工程质量依法承担相应 责任。

2 水利工程实行工程质量终身责任制。项目法人、勘察、设计、施工、监理、检 测、监测等单位人员,依照法律法规和有关规定,在工程合理使用年限内对工程质量承 担相应责任。

3 任何单位和个人对水利工程建设中发生的质量事故、质量缺陷和影响工程质 量的行为均有权检举、控告、投诉。

  1. 鼓励创优

1鼓励水利工程项目法人、勘察、设计、施工、监理等参建单位采用先进的科 学技术和管理方法,推行全面质量管理,提升工程质量水平,创建优质工程。

县级以上人民政府水行政主管部门或者流域管理机构按照国家有关规定对提升水利工程质量做出突出贡献的单位和个人进行奖励。

2水利工程各参建单位应当建立健全教育培训制度对职工进行质量管理教育 培训,按照规定开展上岗作业考核,强化质量意识,提高质量管理能力。

  1. 质量监督对象

水利部于1997年8月25日发布《水利工程质量监督管理规定》水建1997 339号与之配套使用的文件包括《水利工程质量检测管理规定》水利部令第36号 以及《水利部办公厅关于印发水利建设工程质量监督工作清单的通知》办监督2019 211号。项目法人、勘察、设计、监理、施工、检测、设备制造安装、安全监测等单 位在工程建设阶段,必须接受质量监督。

  1. 工程质量监督的依据

根据《水利工程质量监督管理规定》水建1997339号水行政主管部门主管 质量监督工作。水利工程质量监督机构是水行政主管部门对工程质量进行监督管理的专 职机构,对水利工程质量进行强制性的监督管理。工程质量监督的依据是:

1 国家有关的法律、法规。

2 水利水电行业有关技术规程、规范,质量标准。

3 )经批准的设计文件等。

  1. 工程质量监督的方式

1 水行政主管部门根据工作需要规范设立水利工程质量监督机构,组织工程质 量监督机构开展质量监督工作。对不具备设立专职质量监督机构条件的,可以采取购买 服务或其他方式开展相应的质量监督工作。

2 水利工程质量监督方式以抽查为主。质量监督机构根据工程规模和监督能力, 可通过设常驻站或巡查的方式开展,并积极推进设计质量的监督检查工作。从:T程开工 前办理质量监督手续开始,到工程竣工验收委员会同意工程交付使用终止,为冰利工程 建设项目的质量监督期(含合同质量保修期)。

3 根据《水利工程质量监督规定》水建1997339号和《水利工程质量检 测管理规定》水利部令第36号工程质量检测是工程质量监督、质量检查、质量评 定和验收的重要手段。

  1. 监督人员资格

各级质量监督机构的质量监督人员由专职质量监督员和兼职质量监督员组成。其 中兼职质量监督员为工程技术人员凡从事该工程监理、设计、施工、设备带j造的人 员不得担任该工程的兼职质量监督员。质量监督工作不代替项目法人、勘察、设计、施 工、监理及其他单位的质量管理工作。

  1. 水利工程建设质量监督检查

有关水利工程建设质量监督检查、问题认定和责任追究等,执行《水利工程建设质 量与安全生产监督检查办法(试行)》(以下简称检查办法),主要内容有以下:

1 检查办法所称水利工程建设质量问题,是指质量管理违规行为和质量缺陷。水 利工程质量事故的分类、报告、调查、处理、处罚等工作按照《水利工程质量事故处理 暂行规定》执行。

2 水利部、各流域管理机构、县级以上地方人民政府水行政主管部门是水利工程建设质量监督检查单位。

  1. 质量管理违规行为是指水利工程建设参建单位及其人员违反法律、法规、规 章、技术标准、设计文件和合同要求的各类行为。质量管理违规行为分为一般质量管理 违规行为、较重质量管理违规行为、严重质量管理违规行为。质量缺陷分为一般质量缺 陷、较重质量缺陷、严重质量缺陷。检查办法附有相关认定标准。
  2. 对需要进行质量问题鉴定的质量缺陷,可进行常规鉴定或权威鉴定。常规鉴定 是指项目法人或现场监督检查组利用快速检测手段进行检测,或委托有资质的检测单位 对质量缺陷进行检测,认定问题性质。权威鉴定是指水利部、流域管理机构、省级地方 人民政府水行政主管部门等监督检查单位委托工程建设专业领域甲级资质的检测单位, 对可能造成质量事故的质量缺陷进行检测,认定问题性质。
  3. 对责任单位的责任追究方式分为:①责令整改。②约谈。③停工整改。④经 济责任。⑤通报批评。⑥建议解除合同。按照工程隶属关系,向项目主管部门或者项 目法人出具解除合同建议书。视具体情节建议书可以规定不长于90d的观察期观察 期内完成整改的,建议书终止执行。⑦降低资质。⑧相关法律、法规、规章规定的其 他责任追究方式。
  4. 根据发生质量管理违规行为、质量缺陷的数量、类别等,对责任单位采用一 项或多项措施实施责任追究。
  5. 同一个建设项目的勘察设计、监理、施工、质量检测等参建单位,被水利部 实施通报批评(含)以上责任追究的,其项目法人(建设单位)也应被实施主体责任 追究。
  6. 对项目法人(建设单位)、勘察设计、监理、施工、质量检测等责任单位的责 任追究,依据有关规定由相关部门及时记人水利工程建设信用档案;由水利部实施通报 批评(含)以上的责任追究在全国水利建设市场监管服务平台公示6个月。
  7. 质量终身责任追究制度

根据《水利部关于印发〈水利工程责任单位责任人质量终身责任追究管理办法(试 行)〉的通知》(水监督2021335号),明确实施质量终身责任追究制度。

1 )追究对象

(1 )水利工程责任单位是指承担水利工程项目建设的项目法人(建设单位)和勘察、 设计、施工、监理等单位。责任单位责任人包括责任单位的法定代表人、项目负责人和 直接责任人等。

  1. 项目负责人是指承担水利工程项目建设的建设单位项目负责人、勘察单位项 目负责人、设计单位项目负责人、施工单位项目经理、监理单位总监理工程师等。
  2. 水利工程开工建设前,建设、勘察、设计、施工、监理等单位应当明确项目 负责人及其职责。建设、勘察、设计、施工、监理等单位直接责任人是指项目负责人以 外的,按各自职责承担质量责任的人员。
  3. 贵任期限与贵任确认

(1 )水利工程责任单位责任人的质量终身责任,是指水利工程责任单位责任人按 照国家法律法规和有关规定,在工程合理使用年限内对工程质量承担相应责任。

(2)建设单位法定代表人对工程质量负总责,勘察、设计、施工、监理等单位法

定代表人按各自职责对所承建项目的工程质量负领导责任。责任单位直接责任人,按各 自职责对所参加水利工程建设项目的质量负相应责任,对签字的文件、报告、图纸、证 书、证明等资料负责。

3责任追究保障制度

1工程质量终身责任实行书面承诺制度

项目负责人应当在办理工程质量监督手续前签署工程质量终身责任承诺书 图12.1-1,连同项目负责人证明材料,由建设单位报工程质量监督机构备案。项目 负责人如有更换的,应按前述规定重新备案。

工程质量终身责任承诺书(式样)

本人(姓名) 担任( 工程名称)工程项目的(建设单位、勘察单位、设计单位、施工单 位、监理单位)项目负责人,对该工程项目的(建设、勘察、设计、施工、监理)工作实施组织管理。本人 承诺严格依据国家有关法律法规及标准规范履行职责,并对合理使用年限内的工程质量承担相应终身责任。

承诺人签字:

身份证号:

注册执业资格: 注册执业证号:

签字日期:年 月 日

图12.1-1工程质量终身责任承诺书式样

2 )竣工后永久性标识制度

水利工程竣工验收合格后,建设单位应当在水利工程明显部位设置永久,性标识, 载明主要建筑物的建设、勘察、设计、施工、监理等单位名称和项目负责人姓名。

3责任信息档案制度

建设单位应当建立水利工程责任单位项目负责人质量终身责任信息档案,主要包 括下列内容:

  1. 项目负责人证明材料,包括任命文件、授权书等。
  2. 项目负责人的工程质量终身责任承诺书、身份证复印件、执业资格证书复印件、 变更材料等。

工程档案中有关直接责任人签字确认的文件资料,作为直接责任人质量终·身责任 的依据。

4追究贵任

1符合下列情形之一的县级以上人民政府水行政主管部门应当依法追究责任 单位责任人的质量终身责任:

  1. 发生工程质量事故。
  2. 发生投诉、举报、群体性事件、媒体负面报道等情形,并造成恶劣社会影响的严重工程质量问题。
  3. 由于勘察、设计或施工原因造成尚在合理使用年限内的水利工程不能正常使用 或在洪水防御、抗震等设计标准范围内不能正常发挥作用。
  4. 存在其他需追究责任的违法违规行为。

(2 )发生上述所列情形之一的,对相关责任单位责任人按以下方式进行责任追究:

  1. 责任人为依法履行公职的人员,将违法违规相关材料移交其上级主管部门及纪 检监察部门。
  2. 责任人为相关注册执业人员的责令停止执业1年造成重大质量事故的吊 销执业资格证书5年以内不予注册情节特别恶劣的终身不予注册。
  3. 依照有关规定给予单位罚款处罚的对责任人处单位罚款数额5%以上10% 以下的罚款。
  4. 涉嫌犯罪的,移送司法机关。
  5. 各级水行政主管部门应当及时公布责任单位责任人质量责任追究情况,将其 违法违规等不良行为及处罚结果记人个人信用档案,给予信用惩戒。

鼓励各级水行政主管部门向社会公开所管辖范围内的水利工程项目负责人终身质 量责任承诺等质量责任信息。

责任人因调动工作、退休等原因离开单位后,被发现在原单位工作期间违反国家 法律法规、工程建设标准及有关规定的;责任单位已合并、分立或被撤销、注销、吊销 营业执照或者宣告破产的,责任人被发现在该单位工作期间违反国家法律法规、工程建 设标准及有关规定,造成所负责项目发生上述所列情形之一的,仍应按上述方式依法追 究相应责任。

  1. 追偿权

终身负责制是一种追究历史责任的制度,要求工作出现过错的,责任的追究不因 行为主体的职务变动、岗位调整而分离。终身负责制目前主要在一些特殊行业、特殊 岗位上实行。《中华人民共和国民法典》第一千一百九十一条规定,用人单位的工作人 员因执行工作任务造成他人损害的,由用人单位承担侵权责任。用人单位承担侵权责 任后,可以向有故意或者重大过失的工作人员追偿。《中华人民共和国劳动合同法》第 九十条规定,“劳动者违反本法规定解除劳动合同,或者违反劳动合同中约定的保密义 务或者竞业限制,给用人单位造成损失的,应当承担赔偿责任。”根据《中华人民共和 国民法典》,员工造成他人损害的,原则上仍由用人单位承担替代责任,只有员工存在 故意或者重大过失时,用人单位在承担责任后才可以向员工追偿。行使追偿权是有法律 期限的。根据《中华人民共和国民法典》,向人民法院请求保护民事权利的诉讼时效期 间为三年,法律另有规定的,依照其规定,“自权利受到损害之日起超过二十年的,人 民法院不予保护”。

12.1.6水利工程质量事故分类与事故报告内容

  1. 质量事故

为了加强水利工程质量管理,规范水利工程质量事故处理,落实质量责任,根据 《中华人民共和国建筑法》《建设工程质量管理条例》《建设工程勘察设计管理条例》等

法律法规2024年11月22日水利部发布《水利工程质量事故处理规定》水手lj部令第 57号该规定分为总则、事故等级和报告、事故调查、工程处理、罚则、附贝ϋ共6章 34条自2025年1月1日起施行。1999年3月4日水利部发布的《水利工程质量事 故处理暂行规定》水利部令第9号同时废止。

根据《水利工程质量事故处理规定》水利部令第57号水利工程质量事故是指 水利工程在建设过程中因建设管理、勘察、设计、施工、监理、检测等原因造成工程质 量不满足法律法规、强制性标准和工程设计文件的质量要求,影响工程主要功會旨正常使 用,造成一定经济损失,必须进行工程处理的事件。

  1. 质量事故等级

根据《水利工程质量事故处理规定》水利部令第57号水利工程质量事故按直 接经济损失、事故处理所需合理工期,分为特别重大质量事故、重大质量事故、较大质 量事故、一般质量事故。

1 特别重大质量事故是指造成直接经济损失1亿元人民币下同以上或 者事故处理所需合理工期6个月以上。

2 重大质量事故是指造成直接经济损失5000万元以上1亿元以下或者事故 处理所需合理工期3个月以上6个月以下。

3 较大质量事故是指造成直接经济损失1000万元以上5000万元以下或者 事故处理所需合理工期1个月以上3个月以下的事故。

4 一般质量事故是指造成直接经济损失100万元以上1000万元以下或者事 故处理所需合理工期15日以上1个月以下的事故。

不构成一般质量事故的,按照《水利工程质量管理规定》和有关技术标准处理。

前款所称的“以上”包括本数,“以下”不包括本数。

《水利工程质量事故处理规定》水利部令第57号与《水利工程质量事故处理暂 行规定》水利部令第9号相比事故等级标准变化对比见表12.1-2。

表12.1-2事故等级标准变化对比

名称 事故类别 特别重大质藍 事故 重大质量事故 较大质量事故 一般质量事故
损失情况
水利部令 第57号 直接经济损失(万元) 彡10000 彡 5000 <10000 ^1000,

<5000
^100,

< 1000
事故处理所需合理工期 >6月 >3月 <6月 >1月

<3月
多15日 <1月
水利部令 第9号 直接经济损失 (万元) 大体积混凝土,金结 制作和机电安装工程 >3000 >500, ^3000 >100,

^500
>20,

<100
土石方工程、混凝土 薄壁工程 >1000 >100,

^1000
>30,

^100
>10,

彡30
事故处理所需合理工期(月) >6 >3,

^6
>1,

^3

续表

名称 事故类别 特别重大质量 事故 重大质量事故 较大质量事故 一般质量事故
损失情况
水利部令 第9号 事故处理后对工程功能和寿命影响 影响工程正常

使用,需限制 条件使用
不影响工程 正常使用,但 对工程寿命有 较大影响 不影响工程 正常使用,但 对工程寿命有 一定影晌 不影响工程 正常使用和 工程寿命

1.所称直接经济损失,是指事故处理所需的材料、设备、人工等直接费用。

  1. 水利部令第9号所述事故处理所需合理工期以及事故处理后对工程功能和寿命影响主要适用于大中 型工程。
  2. 水利部令第9号将小于一般质量事故的质量问题称为质量缺陷。
  3. 在《水利工程建设重大质量与安全事故应急预案》(水建管2006202号)中,关于水利工程质量 与安全事故的分级是针对事故应急响应行动进行的分级。
  4. 水利部令第57号适用于水利工程质量事故处理。因质量事故造成的生产安全事故还应当执行生产 安全事故处理相关规定。
  5. 质量事故报告和应急措施

根据《水利工程质量事故处理规定》(水利部令第57号),发现质量事故后,项 目法人和相关事故单位应当及时采取有效措施,防止事故扩大并进行拍照、录像,严 格保护现场,妥善保管现场重要痕迹、物证;因事故救援等原因需移动现场物件时, 应当作出标志、绘制现场简图并书面记录;及时封存相关记录、检测、检验等证据 资料。

质量事故现场有关人员应当立即报告本单位负责人和项目法人。项目法人应当在 质量事故发现2h内向负责项目监督管理的县级以上地方人民政府水行政主管部门或 者流域管理机构(以下统称项目监督管理部门)报告并在24h内报送事故报告。 任何单位和个人不得迟报、谎报、瞒报。事故报告后出现新情况,应当及时续报。 事故报告应当包括以下内容:

  1. 工程概况。主要包括工程名称、工程等级、建设地点、主要功能、批复工期, 项目法人及其主要负责人姓名、电话。
  2. 质量事故情况。主要包括事故发生的时间、工程部位、事故发生的简要经过 以及相应的参建单位。
  3. 事故发生原因初步分析。
  4. 估算事故等级。主要包括初步估算的直接经济损失、事故处理所需合理工期、 事故等级。
  5. 事故发生后采取的措施及事故控制情况。
  6. 其他应该报告的情况。

项目监督管理部门接到事故报告后,应当及时指导项目法人和相关事故单位做好 现场处置等相关工作,核实事故情况,初步判断事故等级,并按照以下规定逐级上报:

(1 )县级以上地方人民政府水行政主管部门初步判断为特别重大、重大质量事故 的应当立即报告同级人民政府和上一级水行政主管部门并逐级报告至流域管理机构、水利部初步判断为较大质量事故的应当逐级报告至省级水行政主管部门I、流域 管理机构。每级上报的时间不得超过2h。

  1. 流域管理机构初步判断为特别重大、重大质量事故的,应当立即报告水利部。

上级水行政主管部门、流域管理机构接到质量事故报告后,应当加强对事故调查 处理工作的跟踪、督促、指导。

12.1.7水利工程质量事故调查的程序与处理的要求

  1. 水利工程质量事故调查

根据《水利工程质量事故处理规定》(水利部令第57号),水利工程质量事故实行 分级调查,按照初步判断的事故等级确定事故调查单位。

(1 )特别重大质量事故由水利部组织调查。

  1. 重大质量事故,由省级水行政主管部门、流域管理机构按照项目监督管理权 限组织调查。
  2. 较大质量事故,由县级以上地方人民政府水行政主管部门、流域管理机构按 照项目监督管理权限组织调查。
  3. 一般质量事故由项目法人组织调查。

上级水行政主管部门认为有必要的,可以组织调查由下级水行政主管部门或者项 目法人负责调查的质量事故。

事故调查单位应当组织成立事故调查组,确定调查组成员,指定调查组组长。事 故调查组成员应当具有事故调查所需要的专业和专长,并与所调查的事故项目没有直接 利害关系。

事故调查组组长主持事故调查组的工作。事故调查组的主要任务是:

  1. 查明事故发生的原因、过程、直接经济损失情况、事故处理所需合理工期和 对后续工程的影响,对事故等级进彳了认定。

(2 )必要时组织具备相关技术能力的单位或者专家进行技术鉴定。

(3 )提出事故处理和防范措施建议。

  1. 查明事故的责任单位和责任人应负的责任,提出处理建议。
  2. 提交事故调查报告。

事故调查组认定事故等级超出调查单位权限范围的,应当提请事故调查单位报告 上一级水行政主管部门。

事故调查组有权向工程参建单位和个人了解事故情况,并要求提供相关文件、资 料,有关单位和个人不得拒绝或者隐瞒。

事故相关单位的负责人和有关人员在事故调查期间不得擅离职守,并应当接受事 故调查组的询问,如实提供有关情况。

不得以任何方式阻碍或者干扰事故调查组正常工作。

事故调查组成员在事故调查工作中应当诚信公正、恪尽职守,遵守纪律、保守秘 密,不得向无关人员透露或者擅自发布事故相关信息。

事故调查组应当自成立之日起60日内提交事故调查报告情况复杂不在规定 期限内提交事故调查报告的,经事故调查单位批准,可以适当延长;但延长的期限最 多不超过60日。因技术复杂需要组织技术鉴定的技术鉴定所需时间不计入事故调查 期限。

事故调查报告应当包括下列内容:

  1. 工程项目概况。

(2 )事故发生和处置。

(3 )技术分析与鉴定。

  1. 事故原因分析。

(5 )事故等级认定。

(6 )事故责任认定和事故责任处理建议。

(7 )事故处理和防范措施建议。

事故调查报告应当附具有关证据材料,包括现场调查记录、图纸、照片,有关质 量检测报告和技术分析报告,直接经济损失材料,发生事故部位的工艺条件、操作情况 和设计文件等附件资料。

事故调查组成员应当在事故调查报告上签名。事故调查组提交的调查报告经事故 调查单位同意后,调查工作即告结束。事故调查单位应当归档保存事故调查有关资料。 事故调查完成30日内_省级水行政主管部门和流域管理机构应当组织将事故调查报告 报送至水利部。

事故调查费用由项目法人先行垫付,查清责任后,由事故责任单位负担。

  1. 水利工程质量事故处理的要求
  2. 质量事故处理原则

根据《水利工程质量事故处理规定》(水利部令第57号),水利工程质量事故调查 处理,应当实事求是、尊重科学、依法依规,坚持事故原因未查清不放过、责任人员未 处理不放过、整改措施未落实不放过、有关人员未受到教育不放过的“四不放过”原 则。事故调查分析处理程序如图12.1-2所示。

水利部负责监督管理全国水利工程质量事故处理工作。

水利部所属流域管理机构(以下简称流域管理机构)负责监督管理其管辖范围内的 水利工程质量事故处理工作。

县级以上地方人民政府水行政主管部门在职责范围内负责监督管理本行政区域水 利工程质量事故处理工作。

任何单位和个人对水利工程质量事故和事故调查处理中的违法行为有权检举、控 告、投诉。

  1. 工程处理

根据《水利工程质量事故处理规定》(水利部令第57号),项目法人应当组织勘 察、设计等单位制定工程处理方案,征求事故调查组意见,并报经事故调查单位同意后 实施。

县级以上人民政府水行政主管部门、流域管理机构应当按照项目管理权限督促项 目法人按照要求全面完成事故处理任务。项目法人应当将事故处理结果报事故调查单位 备案。

2026一建《水利》电子教材(可搜索)

补充调查

进一步分析

要处理

原因分析

确定是否要处理

原因不清

不需处理

要处理

制定处理方案

处理方案审定及实施

2026一建《水利》电子教材(可搜索)2026一建《水利》电子教材(可搜索)

不要处理

图12.1-2事故调查分析处理程序

3 工程处理费用及设计变更、验收

根据《水利工程质量事故处理规定》水利部令第57号工程处理所需费用原则 上由事故责任单位承担。对因质量事故造成的其他损失和工期延误等,按合同约定进行 处置。

工程处理需要进行设计变更的应当按照设计变更管理相关规定组织编带J设计变 更文件、履行设计变更程序。涉及事故应急抢险的,可按要求实施后再履行申目关变更 手续。

事故部位处理完成后,应当按规定进行质量验收,合格后方可投人使用或者进人 下一阶段施工。

4 处罚

根据《水利工程质量事故处理规定》水利部令第57号水利工程质量事故有关 处罚如下:

1 县级以上人民政府水行政主管部门、流域管理机构等单位的工作人员在水利 工程质量事故报告、调查和处理工作中玩忽职守、滥用职权、徇私舞弊,构成犯罪的, 依法追究刑事责任;尚不构成犯罪的,依法给予政务处分。

2 违反《水利工程质量事故处理规定》,事故相关单位迟报、谎报、瞒ί艮水利工 程质量事故的,由项目监督管理部门依据职权责令改正,给予警告或者通报批评;情节 严重的处5万元以上10万元以下的罚款。

3 项目法人、勘察单位、设计单位、施工单位、监理单位、检测单位和有关人 员违反建设管理相关规定,工程质量不符合规定的质量标准的,或者处理后不依照有关 规定进行质量验收的,依据有关法律法规和规章的规定给予行政处罚、行政处理。

4 因原材料、中间产品和设备供应单位供应的产品质量问题造成质量事故的,事 故调查单位应当将质量问题移交有关主管部门依法处理。

5 在水利工程运行过程中发现的工程建设质量问题,依据《中华人民共和国建 筑法》《建设工程质量管理条例》《建设工程勘察设计管理条例》《水利工程质量管理规 定》等法律法规规章和《水利工程质量事故处理规定》追究有关责任。

5质量缺陷的处理

所谓“质量缺陷”,是指小于一般质量事故的质量问题,即因特殊原因,使得工程 个别部位或局部达不到规范和设计要求(不影响使用),且未能及时进行处理的工程质 量问题(质量评定仍为合格)。根据水利部《关于贯彻落实〈国务院批转国家计委、财 政部、水利部、建设部关于加强公益性水利工程建设管理若干意见的通知〉的实施意 见》水建管200174号水利工程实行水利工程施工质量缺陷备案及检查处理制度。 如何进行质量缺陷备案及检查处理详见“12.2施工质量检验”。

12.1.8水力发电工程建设各方质量管理职责

  1. 质量监督制度

根据《电力建设工程质量监督管理暂行规定》国能发安全规202343号电 力行业实行电力建设工程质量监督管理制度。该规定由国家能源局负责解释,自发布之 日起施行有效期5年。

1 国家能源局负责全国电力建设工程质量的监督管理,组织拟订电力建设工程 质量监督管理政策措施并监督实施,由电力安全监管司归口。

2 国家能源局派出机构依职责承担所辖区域内电力建设工程质量的监督管理。

3 电力可靠性管理和工程质量监督中心根据国家能源局委托,承担研究拟订电 力建设工程质量监督政策措施及实施相关具体工作的职责,负责电力建设工程质量监督 信息统计、核查、发布等工作。

4 国家能源局向社会公布电力建设工程质量监督机构(以下简称电力质监机构) 名录和监督范围。电力建设工程质量监督专业人员应具备相应的专业技术能力。

电力建设工程质量监督管理,由政府电力管理部门委托电力质监机构具体实施。 电力质监机构负责对电力建设工程建设、勘察、设计、施工、监理等单位的质量行为和 工程实体质量进行监督。电力质监机构对电力建设工程质量监督结果负责,其对电力建 设工程的质量监督不替代工程参建各方的质量管理职能和责任。

5 电力质监机构按照依法依规、严谨务实、清正廉洁、优质髙效的原则,独立、 规范、公正、公开实施质量监督。

6 电力建设工程质量监督工作应加强“互联网+ ”等信息技术应用和技术创新, 不断提升质量监督工作效能。

7 电力质监机构不得向工程参建各方收取质量监督费用。

根据《国家能源局关于进一步明确电力建设工程质量监督业务工作的通知》(国能 函安全202039号建立“专业质监站+质监中心站”的电力质监机构体系,电力 可靠性管理和工程质量监督中心负责全国电力质监机构业务指导和监督工作。

  1. 专业质监站
  2. 电力工程质量监督站。设在中国电力企业联合会。
  3. 可再生能源发电工程质量监督站。设在水电水利规划设计总院,负责国务院 或国务院投资主管部门审批、核准的水电工程质监工作,兜底负责全国水电工程质监 工作。
  4. 核电常规岛工程质量监督站。设在中国核工业集团有限公司。
  5. 质监中心站
  6. 南方电力工程建设工程质量监督中心站。
  7. 省电力工程建设工程质量监督中心站。

(3 )内蒙古电力工程建设工程质量监督中心站。

  1. 华能电力工程建设工程质量监督中心站。
  2. 贵州水电工程质量监督站。负责贵州省能源局审批、核准或备案的水电等工 程质监工作。
  3. 参建单位质量责任和义务

工程参建各方依法对电力建设工程质量负责。建设单位对工程质量承担首要责任。 工程参建各方要推进质量管理标准化,提高项目管理水平,保证电力建设工程质量。

电力建设工程实行质量终身责任制。工程开工建设前,工程参建各方法定代表人 应签署授权书,明确本单位在该工程的项目负责人。项目负责人应签署工程质量终身责 任承诺书,对设计使用年限内的工程质量承担相应终身责任。

工程参建各方应支持配合电力质监机构对工程质量的监督检查,及时提供有关工 程质量的文件和资料,并保证真实、准确、齐全。对于质量监督发现的问题,建设单位 负责组织工程参建各方完成整改,并对整改结果负责。

《国家能源局关于加强水电工程建设质量管理的通知》(国能新能2014145号) 进一步明确了参建单位的质量管理职责。其中:

1 )建设单位

建设单位是工程建设管理的主体和质量的总责任方,要严格按照国家基本建设程 序组织开展水电工程建设。

  1. 要依法依规招标选择参建单位。
  2. 保证合理的勘测设计周期和施工工期。
  3. 按审定的方案组织开展工程建设,设计变更应经充分论证,并严格履行程序。
  4. 建立健全工程质量管理体系,按规定组织开展建筑材料、工程质量检测,组 织开展施工过程中的质量检验和验收。

2)勘测设计单位

勘测设计单位承担技术保障职责。勘测设计成果对工程质量安全具有决定性影响, 设计产品缺陷导致的质量问题往往带有整体性和难以处理的特点。

(1 )勘测设计单位应严格执行规程规范和技术标准,加强资源配置和科研投入,确 保质量管理体系的有效运行,加强产品质量过程控制,认真执行设计文件的校审、会审 和批准制度。

  1. 派驻现场的技术力量应满足工程需要,及时发现建设条件变化并进行研究反 馈,及时解决建设过程中发现的有关质量问题。设计变更应充分论证,现场设计文件应 按质量管理体系文件履行相关审签程序。

(3 )对创新性成果的运用应进行充分研究论证和技术经济比较。

  1. 施工单位

施工单位应在资质等级许可范围内承接工程,要建立健全并严格执行施工质量管 理体系,规范施工过程质量管理。

  1. 要按招投标文件和合同要求,及时配置施工资源。

(2 )严格按设计文件和技术标准进行施工。

  1. 规范对分包、协作队伍的管理,加强对作业人员的培训。
  2. 认真落实“三检制”,加强质量控制和质量检查,对关键工序、重要部位和 隐蔽工程要制定专门的质量保障和监督检查措施。严格质量检验,检验记录应真实、 完整。
  3. 监理单位

监理单位应严格控制工程建设过程质量。

(1 )监理单位要建立健全并严格执行监理工作质量管理体系,要根据工程特点制定 符合实际的工作方案和管理制度,保证现场人员、设备投人,确保对施工的关键部位、 关键环节、关键工序监理到位。

  1. 应按合同规定组织或参加施工质量评定和验收。
  2. 质量监督方式

(1 )电力质监机构依据国家能源局发布的电力建设工程质量监督检查大纲(以下 简称质监大纲)和有关规定实施质量监督工作。

  1. 电力质监机构选派质量监督组开展现场监督工作时,组长或带队人员应由电 力质监机构专职人员担任。
  2. 根据《电力建设工程质量监督实施程序(试行)》(质监202413号),质 量监督组针对抽查验证中发现的问题,形成质量监督检查整改意见书,经质量监督组全 体成员和建设单位负责人共同签字确认后生效。质量监督组成员对发现的问题或者整改 意见存在分歧的,有质量监督组组长协调达成一致意见;经协调沟通仍然无法达成一致 的,有质量监督组组长最终确定。建设单位对整改意见书有异议并申请复查的,可于收 到整改意见书之日起5个工作日内向电力质监机构提出复查申请电力质监机构应于收 到申请之日起10个工作日内出具复查意见。
  3. 电力质监机构对电力建设工程的质量监督,根据工程类别、规模、建设周期 等特点,按以下原则分类实施。
  4. 第一类工程,规模以上电力建设工程,按照质监大纲规定程序及内容进行质量 监督。
  5. 第二类工程规模以下且装机容量6MW及以上发电建设工程、规模以下且功率 5MW及以上新型储能电站建设工程采取抽查和并网前阶段性检查相结合的方式进行 质量监督。
  6. 第三类工程规模以下且35kV及以上电网建设工程采取抽查方式进行质量 监督。
  7. 第四类工程装机容量6MW以下发电建设工程经能源主管部门以备案(核 准)等方式明确的分布式、分散式发电建设工程35kV以下电网建设工程抢险救灾 及其他临时性电力建设工程功率5MW以下新型储能电站建设工程不需进行质量 监督。
  8. 质量监督程序(模式一)

对于第一类和第二类工程质量监督程序:

  1. 工程开工前,建设单位应向电力质监机构提交工程质量监督注册申请。对符 合规定条件的申请电力质监机构应予受理并于7个工作日内完成质量监督注册、出 具质量监督计划,对第二类工程的质量监督计划中应明确抽查安排。
  2. 工程建设过程中建设单位应根据质量监督计划和工程进度提前10个工作 曰提交阶段性质量监督申请,电力质监机构应及时开展阶段性质量监督检查、出具整改 意见书,建设单位应按整改意见书要求及时组织完成整改工作。
  3. 工程并网前阶段性质量监督检查后对符合要求的工程电力质监机构应于7 个工作日内向建设单位出具并网意见书。
  4. 工程各阶段质量监督检查结束后对符合要求的工程电力质监机构应于20 个工作日内向建设单位出具质量监督报告。对于第一类工程,电力质监机构还应按信息 报送有关规定将质量监督报告报相关单位。
  5. 质量监督程序(模式二)

对于第三类工程质量监督程序:

  1. 建设单位应在批次工程建设计划发布1个月内集中提交批次工程质量监督 注册申请对符合规定条件的申请电力质监机构应予受理并于7个工作日内完成质 量监督注册、出具质量监督计划,质量监督计划中应明确抽查项目比例。
  2. 电力质监机构应按质量监督计划组织开展抽查、出具整改意见书,建设单位 应按整改意见书要求及时组织完成整改工作。
  3. 批次工程质量监督检查结束后,对符合要求的批次工程,电力质监机构应于 20个工作日内向建设单位出具质量监督报告。
  4. 质量监督措施

电力质监机构开展质量监督工作时,有权采取下列措施:

(1 )要求被检查单位提供有关工程质量的文件和资料。

(2 )进人被检查单位的施工现场进行检查。

  1. 发现工程参建各方质量行为和工程实体质量问题,出具整改意见书,责令改 正;发现存在涉及结构安全和使用功能的严重质量缺陷、工程质量管理失控时,有权责 令暂停施工或局部暂停施工;对发现质量隐患的工程有权责令建设单位委托第三方检验 检测机构进行检测,检测结果不合格的,责令整改。
  2. 质量监督工作的实施

根据《水电建设工程质量监督检查大纲》开展具体项目的质量监督工作,有关要 求有:

(1 )质量监督范围为水电建设工程主体工程及其主要附属工程。质量监督检查责

任主体质量行为和工程实体质量。《水电建设工程质量监督检查大纲》规定了监督检查 前应具备的条件,由建设单位负责查验审核,确认具备所规定的条件后,向质监机构提 出申请开展相应的监督检查。

2 消防、环保、特种设备的质量、验收等要求,接受政府相关主管部门依据法 定职责实施的监管。

3 质量监督一般采取巡视检查的工作方式。巡视检查主要分为阶段性质量监督 检查、专项质量监督检查和随机抽查质量监督检查,其中:

  1. 阶段性质量监督检查不得省略或替代。阶段性质量监督检查包括首次质量监督、 截流阶段质量监督(除大型水电工程外,可与首次质量监督合并开展)、蓄水阶段质量 监督、机组启动阶段质量监督和竣工验收阶段枢纽工程专项验收质量监督。除首次质量 监督外,阶段性质量监督检查应提出工程质量是否满足相应阶段验收条件的结论性意见 (作为阶段性验收的依据)。
  2. 专项质量监督检查主要针对一定建设规模、具有一定技术特点的工程开展。专 项质量监督检查包括坝基覆盖前专项质量监督、输水系统冲(排)水实验前专项质量监 督、电站受电前电气设备专项质量监督。
  3. 随机抽查质量监督需结合工程建设特点、技术难点,形象面貌等情况,以重点 抽查验证的检查方式,按照《水电建设工程质量监督检查大纲》附件中相应的质量行 为、实体质量监督检查内容进行选择性抽查或开展集中的实体质量验证性抽查检测。
  4. 质监机构在制定工程监督计划时,应根据《水电建设工程质量监督检查大纲》 的规定和工程实施建设情况,合理安排阶段性质量监督检查、专项质量监督检查和随机 抽查质量监督检查。工程准备期通常每年开展1次主体工程施工期通常每年开展1〜2 次,重要施工阶段可增加检查次数;工程完工期可仅进行阶段性质量监督检查。
  5. 质监机构应对影响主体结构安全和主要使用功能的关键部位、重要隐蔽工程、 质量问题突出或怀疑有质量缺陷的项目进行重点抽查;必要时,可通过具备资质的第三 方检验检测机构独立进行抽样检测或质量分析与评价。
  6. 质量监督检查中发现的质量缺陷或一般质量问题,质监机构应及时通知并要求 建设单位组织整改,建设单位应在规定的时间内将整改结果以书面形式报质监机构备 案。对监督检查中发现的重大质量问题或质量隐患,除通知建设单位要求限期整改外, 质监机构还应及时上报地方能源主管部门和国家能源局派出机构,涉及国务院或国务院 投资主管部门审、核准的工程还应当上报国家能源局电力安全监督司及电力可靠性管理 和工程质量监督中心。
  7. “项目负责人已经单位法定代表人授权,并已签署工程质量终身责任承诺书”。 任何一方未签署授权书、承诺书,质监机构不予开展下一阶段的监督检查,不予出具质 量监督检查报告。

根据《电力建设工程质量监督实施程序试行质监202413号质量监 督机构出具并网意见和质量监督报告。

1 对第一、二类电力建设工程,并网前阶段性质量监督检查及整改闭环完成后, 电力质量监督机构出具并网意见书;对第三类电力建设工程,不出具并网意见书。

2 对各类电力建设工程全部质量监督检查及整改闭环完成后电力质监机构应于20个工作日内向建设单位出具质量监督报告。对第一类电力建设工程电力质 监机构还应在出具质量监督报告后20个工作日内按照国家能源局关于质量监督信息 报送工作规定报送有关单位。

3质量监督报告主要内容包括工程概况、注册手续办理情况、检查计划执行 情况、历次检查发现的问题和整改闭环情况、停(复)工情况、并网意见出具'隋况等。

(注:并网前阶段性质量监督检查是指工程机组整套启动试运(并网)前或者发电机组(发 电单元)启动前监督检查。)

  1. 质量监督管理

1 国家能源局、省级人民政府电力管理部门依职责对电力质监机构进行考核,有 关考核办法另行制定。

电力质监机构要认真履行工程质量监督职责,国家能源局派出机构、可靠性和质 监中心及地方政府电力管理部门要加强对电力质监机构的监督指导。

电力质监机构要加强能力建设,确保具备与质量监督工作相适应的条件和水平。 电力质监机构举办单位要保障电力质监机构正常运转。

2 电力质监机构在工程质量监督过程中,发现存在涉及结构安全和使用功能的 严重质量缺陷、工程质量管理失控时,应按信息报送有关规定及时报告。

3 电力质监机构发现参建各方违反《建设工程质量管理条例》相关规定的,向 委托其实施质量监督的行政机关进行报告,由委托行政机关对相关企业实施行政处罚。

4 电力建设工程发生工程质量事故的,按照“尽职免责、失职追责”的原则,依 法依规对相关责任单位、责任人进行处理。

5 电力建设工程质量监督管理应建立信用承诺制度。建设单位应在提交质量监 督注册申请时以书面方式向电力质监机构作出遵守质量监督管理相关规定的信用承诺, 工程其他参建各方应在合同中向建设单位作出遵守质量监督管理相关规定的信用承诺。

345条中涉及的违法违规行为纳人信用记录依法依规实施失信惩戒。 1.规定所称规模以上电力建设工程是指单机容量300MW及以上火电建设工程、核电 建设工程不含核岛、装机容量300MW及以上水电建设工程、装机容量150MW及以上海上风 电建设工程、装机容量50MW及以上陆上风电建设工程、装机容量50MW及以上光伏发电建设 工程、太阳能热发电建设工程、单机容量15MW及以上农林生物质发电建设工程、llOkV及以上 电网建设工程、功率100MW及以上新型储能电站建设工程。

2.军事电力建设工程核电站核岛建设工程装机容量50MW以下小型水电建设工程农 村水电站及其配套电网建设工程,企业自备电厂建设工程,用户电力设施建设工程(含用户侧新 型储能电站建设工程,即在用户所在场地建设,与用户电力设施共同接人电网系统、关口计量点 物理位置相同或相近的新型储能电站工程),余热(余压、余气)发电、垃圾焚烧发电、工业园 区热电联产等兼具电力属性的市政和综合利用工程等不适用本规定。需接人公用电网运行的以上 建设工程,按其行业规定或由地方政府有关部门委托相应质监机构进行质量监督。]

12.1.9水力发电工程施工质量管理及质量事故处理的要求

  1. 工程质量控制和过程管理

《国家能源局关于加强水电工程建设质量管理的通知》国能新能2014145号进一步明确了施工质量管理的有关要求。

1 )原材料采购和质量检测管理

  1. 规范工程建筑材料特别是止水、连接件、外加剂等非统供材料的采购管理。应 选择具备相应资质和条件、质量信用好的生产厂家,产品出厂质量证明文件应齐全。
  2. 按规定开展材料的进场验收和质量复检,材料检测单位应当建立健全质量管理 体系,采用合格适用的检测设备,完善检测手段,提高检测人员的技术水平和责任心。
  3. 各单位应规范试验检测工作,加强试件取样、送样、试验全过程控制,并对 检测数据、检测报告的真实性和准确性负责。一经发现试验检测过程或成果造假,应由 第三方进行重检,并依法追究相关单位和个人责任。
  4. 重大设计变更管理
  5. 工程设计变更应坚持“先论证、后审查(审核)、再实施”的原则,严格履行 国家有关重大设计变更管理程序。
  6. 要坚持工期服从质量、效益服从质量,坚决杜绝可能给工程带来安全风险的 提前蓄水、提前发电等抢工期行为和改变建筑物结构型式、擅自增减工程设施行为,防 止照搬、套用建设火电或其他电源项目的思路和经验来建设水电工程。
  7. 任何单位和个人不得随意压缩合同约定工期,严禁管理单位和领导干部不顾 客观规律随意干预工期调整。

(4 )对不按重大设计变更管理程序擅自进行变更的项目,不得进行验收。

  1. 一线施工人员的教育培训
  2. 施工单位应加强对现场管理技术人员和一线操作人员的培训和教育,尤其要 做好新人场非专业人员上岗、转岗前的培训工作,增强一线施工人员的质量安全意识, 提高施工和作业技能水平。
  3. 切实做好对协作队伍施工人员的技术指导和技术交底。
  4. 加强对协作队伍施工质量的检查和考核,认真落实“三检制”,杜绝“以包 代管”。
  5. 监理对施工质量的控制
  6. 监理企业应加强自身队伍建设,强化监理人员的质量意识、责任心,提高技 术业务水平和现场管控能力。
  7. 监理人员配置应满足工程现场需要,现场监理应熟悉工程建设情况、掌握现 行的规程规范和技术要求。
  8. 应严格按照监理实施文件开展工作,对重要部位、关键环节、隐蔽工程实施 全过程质量管控。
  9. 建设单位应加强对现场监理人员的从业资格核查和业务考核,及时清退不合 格监理人员。
  10. 监理单位发现质量问题和安全隐患,应书面督促施工单位立即整改,情节严 重的,应要求立即停工,并及时向建设单位和工程质量监督部门报告。
  11. 施工质量常见问题防治
  12. 要充分重视工程建设中的质量“常见病” “通病”对工程的危害,制定有针对 性的防治措施,加大对常见质量问题的整治。
  13. 针对当前水电建设存在的突出问题,各方要切实加强混凝土浇筑质量管理,重 点解决后期养护不到位、大体积混凝土温控措施不落实、过流面平整度差以及?昆凝土浇 筑错台、蜂窝麻面、仓面处理和凿毛随意等常见质量通病。
  14. 高度重视止水材料的采购、制作、安装及其周边混凝土浇筑,确保止水效果。
  15. 要着力解决钢筋机械连接件采购管理粗放,现场安装、检查不规范等普遍问 题,保证钢筋连接质量。

(5 )质量“常见病” “通病”的整治情况要作为工程质量评定和推荐评奖、评优的 重要考虑因素,对质量“常见病” “通病”反复出现和多发的工程及参建单位,能源主 管部门和质量监督机构将不予推荐评奖、评优。

  1. 现场施工质量的过程监控

(1 )建设单位要逐步建立工程远程监控系统,对工程重要部位、隐蔽工程、关键 工序和关键节点实施全过程在线监控,加强对现场施工质量的过程监控。

  1. 参建各方应建立和落实影像留存制度,工程开工前需制定建设工程质量影像 档案管理方案,明确影像留存内容和节点。
  2. 特别是要对坝基、基础灌浆、防渗墙、重要试验等关键部位、隐蔽工程、关 键工序和关键节点的实施及验收过程,以及质量问题和整改落实情况等进行摄录,影像 记录应具有可追溯性。

(4 )质量监督机构要对各工程项目远程监控实施情况进行检查。

  1. 建设单位应对其他参建单位质量影像留存情况加强日常检查和考核,监督影 像档案管理制度的执行。
  2. 质量监督检查机制

(1 )工程参建各方应自觉接受政府质量监督。

  1. 质量监督机构应建立健全质量监督工作机制,实现监督内容规范化利程序标 准化。
  2. 质量监督工作要深人现场,不断改进和创新工作方法和手段,积极探索例行 巡检和随机突击抽检相结合的质量监督工作方式,逐步加大随机突击抽检力度,以真实 反映现场的施工质量状况。
  3. 在现场质量监督过程中,质量监督机构应建立项目质量的动态评价利]等级评 定制度,对工程质量管理和实体质量各要素进行量化评价,评价结果及时报能源主管部 门并以适当方式予以公布。
  4. 开展工程验收工作
  5. 建设单位应明确现场各类工程质量验收职责,各参建单位应按各自职责及时 组织验收。
  6. 对工程关键部位、关键节点和隐蔽工程必须四方联合验收,对基础灌浆工程 必须将第三方检测成果作为验收的重要依据。
  7. 工程安全鉴定和阶段性验收要严格执行《水电工程验收管理办法》《水电工程 安全鉴定管理办法》的有关要求。对各参建单位在现场验收和工程阶段验收中造假及隐 瞒工程质量隐患的行为,验收主持单位和质量监督机构应责令整改,必要时报吿能源主 管部门。
  8. 质量监督机构提出的质量整改要求未整改落实的,验收主持单位不得通过工 程验收。
  9. 施工现场质量管理

根据国家能源局印发的《水电建设工程质量监督检查大纲》,施工现场各参建单位 的质量管理要求有:

  1. 建设单位

(1 )工程项目按规定进行招标投标并与承包商签订合同。

  1. 项目负责人已经单位法定代表人授权,并应签署工程质量终身责任承诺书。
  2. 质量管理组织结构已建立,质量管理人员数量、专业满足工程质量管理要求。
  3. 质量管理制度已制定。

(5 )无任意压缩合同约定工期的行为。

  1. 监理规划、施工组织设计已审批。
  2. 工程采用的专业标准清单已审批,更新及时。

(8 )工程建设有关质量标准强制性条文实施管理措施已制定。

  1. 工程项目开工申请已审批。
  2. 及时组织分部工程、单位工程验收,按有关规定参加重要工程、隐蔽工程的 单元工程验收。
  3. 按国家及行业规范规定组织阶段验收,验收程序和过程符合规定要求。
  4. 按照国家有关规定组织工程安全鉴定工作。
  5. 对建设过程中发生的重大设计变更,及时组织设计单位编制专题报告,并按 规定程序报审。
  6. 对有关质量监督检查提出的意见及时整改落实。

2 )勘察、设计单位

(1 )项目负责人已经单位法定代表人授权,并已签署工程质量终身责任承诺书。专 业人员具有相应资格。

  1. 已建立勘察、设计、科研、试验成果校审签证制度。

(3 )明确了设计现场服务机构及相应职责。

  1. 勘察设计由两个以上单位承担时,各责任方履行了规定的各自职责。
  2. 勘察设计文件满足国家强制性标准的要求,按照有关国家、行业规程规范进 行设计,对重大技术问题进行充分的试验和论证。
  3. 勘察资料与工程实际情况相符,重大偏差及时反馈修改设计并采取相应的 措施。
  4. 建设过程中发生的重大设计变更已经过充分分析论证。一般设计变更编制了 设计变更文件。
  5. 设计文件供应及时,满足现场施工需要;设计产品执行校审程序和专业会签。
  6. 现场设计服务机构制定了相应的设计服务管理制度,并建立了技术质量责 任制。
  7. 派出以设计项目经理或设计总工程师为首的专业配套、人员相对稳定的设计 代表常驻工地。
  8. 根据工程进展及时完成设计交底,交底记录齐全。
  9. 及时开展地质编录、预测预报等工作,根据现场开挖揭露的地质条件,做好 现场调整变更设计。
  10. 收集施工反馈信息,检查现场地质、施工成果与设计假定、设计要求的符合 程度,对存在的问题向建设单位或监理单位反映意见和提供技术支持。

(14 )工程建设有关质量标准强制性条文已执行。

  1. 按要求参加重要工程、隐蔽工程、关键部位的质量检查及工程验收签证等。 (16 )按规定参与质量事故的调查与分析。

(17)对有关质量监督检查提出的意见及时整改和落实。

3)监理单位

  1. 总监理工程师已经单位法定代表人授权,并已签署工程质量终身责任承诺书。
  2. 现场监理机构组建符合合同文件规定,相应的规章制度和工作程序已建立。
  3. 人员专业配备及数量符合工程各专业质量控制要求以及合同约定,资格符合 要求;总监理工程师变更已经建设单位批准,驻现场时间符合合同约定。
  4. 与被监理的施工承包单位和建筑材料、设备供应单位没有隶属关系和其他利 益关系,不存在同体监理以及转让监理现象。
  5. 检测设备、计量器具配备满足监理需要,按规定验定(校准)合格且在有效 期内。
  6. 已编制适合工程情况的监理规划、监理实施细则,审批手续齐全。
  7. 已编制并发布适合工程情况的监理工作用表。
  8. 组织或参加材料进场和设备、构配件开箱检查验收以及原材料见证取样;按 规定和合同约定对主要原材料、中间产品进行平行检测;对涉及结构安全的试块、试件 以及有关材料进行见证取样。
  9. 按规定对施工质量管理和现场质量控制进行检查。对施工过程进行现场巡视, 对重点工序、重要部位及隐蔽工程实行旁站监理。
  10. 坚持监理例会制度,对发现的质量问题能够及时闭环处理。
  11. 对设计文件检查与签发及时;及时组织设计交底,处理交底中发现的问题。
  12. 实行质量检查验收签证和质量评定制度。
  13. 监理旁站记录及监理月报等资料和文件及时、准确地反映工程质量,廣况。'
  14. 对现场工程质量问题处理及时发出监理指令,并跟踪检查闭环处理'唐况。
  15. 对工程质量事故报告及时,按规定参与调查和处理。
  16. 及时对施工单位的质量检验结果进行核实,及时对单元工程质量等级进行复 核,签字手续完备。
  17. 及时审批施工单位施工措施、计划和技术方案。
  18. 在工程开工前检查开工准备及开工条件,进行工程项目划分。
  19. 按规定发布开工令、停工令和复工令。

(20 )本阶段应执行的工程建设有关质量强制性条文实施情况已检查。

(21 )对有关质量监督检查提出的意见及时整改和落实。

  1. 施工单位
  2. 项目负责人已经单位法定代表人授权,并已签署工程质量终身责任承诺书。
  3. 项目部组织结构健全,专业人员配置满足工程实际需要和合同要求。项目经 理资格符合要求,驻现场时间符合合同规定,变更已经建设单位批准。
  4. 特种作业人员持证上岗;施工质检员的专业、数量配备满足施工质量检查的 要求,经培训合格。
  5. 质量管理制度已制定。
  6. 开工前施工组织设计、施工方案、质量保证措施、施工实验方案及时报审。超 过一定规模的危险性较大工程专项施工方案通过专家论证。技术交底记录齐全。
  7. 按合同约定设立的试验检测、测量等专业机构资质、执业人员资格符合国家 或行业相关规定。检测设备、计量器具按规定验定(校准)合格,且在有效期内。

(7 )检测试验项目计划已制定并报审。

(8 )单位工程开工申请及时审批。

(9 )专业绿色施工措施已制定并报审。

  1. 施工作业符合设计图纸及有关施工技术标准的要求,无擅自修改设计图纸 现象。
  2. 供应方有关资料已按规定报审。进场工程材料、半成品、构配件及金属结构、 启闭机、机电设备等的质量证明文件齐全。
  3. 施工质量“三检制”(班组初检、作业队复检、项目部终检)落实到位,质 量检验评定及时、准确,资料齐全,施工日志记录规范。
  4. 施工期观测资料的收集、整理和分析及时,报告完整。
  5. 对施工质量缺陷及时进行了调查登记并建立台账,对质量缺陷按有关要求处 理,消缺处理手续完备;质量事故报告及时。

(15 )对有关质量监督检査提出的意见及时整改和落实。

  1. 检验检测单位

(1 )母体机构资质满足国家或行业规定,现场派出机构按母体机构授权范围开展 工作。

  1. 质量管理体系、计量认证体系建立和执行情况满足要求。
  2. 检测人员资格满足检验检测工作要求。

(4 )仪器设备配备满足检验检测需要并按规定进行鉴定校准。

  1. 检测环境满足规范要求。
  2. 检测项目和频次满足规范和设计要求,检测依据准确、有效,检测记录与报 告内容齐全且符合国家相关标准的规定。
  3. 检测资料及时整编并提交相关单位;定期进行检测结果汇总分析,发现质量 问题及时报告有关单位。
  4. 对有关质量监督检查提出的意见及时整改和落实。

12.2施工质量检验

12.2.1水利水电工程项目划分的原则

  1. 执行的相关标准

标准SL/T 223以及标准SL/T 631.N。

  1. 项目划分的组织与分级

1 )施工项目的划分

  1. 项目按级划分为单位工程、分部工程、单元工程三级。
  2. 项目中规模较小的不宜划分为单位工程或分部工程的单体建筑物,可划分为 子单位工程、子分部工程。
  3. 项目中不宜划分为单位工程或分部工程的专业工程,也可划分为子单位工程、 子分部工程,项目划分、项目名称等按相关标准执行。

(注:子单位工程、子分部工程在施工项目的质量统计中,等同于施工项目中的其他分部工 程、单元工程,故分别按照分部工程、单元工程纳人施工项目的质量统计。)

  1. 需要进行施工质量验收的临时工程,可单独进行项目划分和验收,但不纳入 工程施工质量验收范围。
  2. 项目划分应结合工程规模、工程结构和功能特点、施工部署及施工合同要求 进行,划分结果应有利于施工过程质量管理和施工质量验收。
  3. 项目划分组织与项目划分调整
  4. 项目划分由项目法人组织监理、设计及施工等单位进行,并明确重要隐蔽单 元工程和关键部位单元工程。项目划分(表)及说明由项目法人在主体工程开工前书面 报质量监督机构。
  5. 工程建设实施过程中,单位工程、分部工程、重要隐蔽单元工程和关键部位 单元工程的项目划分需调整时,调整后的项目划分(表)及说明由项目法人重新报质量 监督机构。
  6. 项目划分原则
  7. 单位工程划分原则
  8. 枢纽工程。宜以每座独立的建筑物作为一个单位工程。当工程规模较大时,可 将一个建筑物中具有独立施工条件的一部分划分为一个单位工程。
  9. 堤防工程或引(调)排水工程。宜以招标标段、工程结构进行单位工程戈ϋ分,其 中规模较大的交叉联结建筑物及管理设施,可将每座独立的建筑物划分为一个单位工程。
  10. 疏浚工程。可将一个招标标段按长度划分为一个或若干个单位工程。需要吹 填的工程,可按一个吹填区划分为一个单位工程。
  11. 除险加固工程。按招标标段或加固内容,并结合工程量划分单位工程。
  12. 分部工程划分原则
  13. 枢纽工程。土建部分按单位工程的主要组成部分及功能划分;金属结构及启 闭机安装工程、机电设备安装工程按组合功能划分。
  14. 堤防工程或引(调)排水工程。按长度或功能划分。大中型交叉联接建筑物 分部工程划分原则同枢纽工程。
  15. 疏浚工程。按长度或面积划分。有质量要求的排泥场或弃土区宜单独划分为 分部工程。
  16. 除险加固工程。按加固内容、部位或功能划分。
  17. 同一单位工程中,各个分部工程的工程量(或投资)不宜相差太大,每个单 位工程中的分部工程数量不宜少于5个。
  18. 单元工程划分原则

按施工内容不同执行标准SL/T 631.N中的相应标准。详见“12.2.4水利水电工 程单元工程质量标准”。

  1. 标准中的质量术语

术语及其定义适用于标准SL/T 223和标准SL/T 631.N。

(1 )单位工程。能独立发挥作用或具有独立施工条件的建筑物。

  1. 分部工程。单位工程的组成部分,在一个建筑物内能组合发挥功能的建筑安 装工程。
  2. 单元工程。依据建筑物设计结构、施工部署和质量验收要求,将分部工程划 分为若干个施工部位(层、块、区、段)或施工项目,每一施工部位、项目为一个单元 工程,是施工质量验收的基本单位。
  3. 外观质量。通过检查、观察以及必要的量测所反映的工程外表质量。
  4. 验收。根据合同文件、设计文件和相关标准对工程现场进行检查,对技术文 件进行审核,以书面形式对工程是否达到合格标准作出确认的活动。
  5. 专项验收。对水利水电工程建设项目中的移民安置、环境保护、水土保持、消 防设施档案等进行的验收。
  6. 专业验收。对水利水电工程建设项目中的交通、电力、建筑、市政及信息化 (数字孪生)等专业工程按相关行业标准进行的验收。
  7. 关键部位单元工程。对工程安全或功能有显著影响的单元工程。
  8. 重要隐蔽单元工程。主要建筑物的地基开挖、地下洞室开挖、地基防渗、地 基加固和基础排水等隐蔽工程中,对工程安全或功能有显著影响的单元工程。

(10 )单元工程施工质量验收。在施工单位检验合格的基础上,由工程质量验收责 任方组织相关单位根据标准对工程实体质量进行检验、对施工过程控制资料进行检查, 确认单元工程施工质量是否达到合格标准的活动。

  1. 工序。根据单元工程施工质量控制需要,将单元工程划分成若干个具体施工 过程或施工步骤。
  2. 主控项目。对单元工程的主要功能起决定作用和对安全、卫生、环境保护有 重大影响的检验项目。

(13 ) 一般项目。除主控项目以外的检验项目。

  1. 检验。对检验项目的特征、性能进行量测、检查、试验等,并将结果与标准 规定要求进行比较,以确定每项性能是否合格所进行的活动。
  2. 施工单位自检。施工单位对检验项目进行检验的活动。
  3. 平行检验。监理单位在施工单位检验的同时,对同一检验项目进行独立检验 的活动。
  4. 见证取样。在建设单位或监理单位监督下,由施工单位现场取样,并送到具 有相应检测资质的质量检测单位进行检测的活动。
  5. 见证检验。建设单位或监理单位以见证的方式对施工单位的检验活动进行全 过程监督,并认可其结果的活动。

12.2.2水利水电工程施工质量检查的要求

根据标准SL/T 223和标准SL/T 631.N。

  1. 质量检查的基本要求
  2. 施工质量验收分为单元工程验收、分部工程验收和单位工程验收。施ΣΕ质量验 收结论分为“合格” “不合格”。验收结论为不合格的,必须进行处理且达到合格标准。
  3. 施工单位应对已经完成的单元工程及时进行自检,自检合格后,向监理单位 申请验收。单元工程未经验收或验收不通过的,不得进人下一单元工程施工。

(3 )施工单位应按标准SL/T 631.N及有关技术标准对原材料、中间产品质量进行 检验和验收,并报监理单位复核。不合格的原材料和中间产品,不得使用。

  1. 对涉及结构安全的关键部位试块、试件及有关材料,应实行见证取样,其内 容由项目法人组织设计、施工、监理等单位确定。见证取样文件由施工单位制备,记录 应真实齐全,参与取样人员应在相关文件上签字。
  2. 工程施工中出现检验不合格项目时,处理方式应符合下列规定:
  3. 原材料、中间产品一次抽样检验或测试不合格时,应及时对同一取样扣:次另取 两倍数量进行检验或测试。如仍不合格,则该批次原材料或中间产品应定为不合格,不 得使用。
  4. 混凝土(砂浆)试件抽样检验不合格时,应委托符合资质管理要求的质量检测 单位对相应工程实体进行检测。如检测合格,所涉及的工程质量可判定合格;安Π仍不合 格,应由项目法人组织有关单位进行研究,并提出处理意见。
  5. 有关单位应按合同约定对进场的水工金属结构、启闭机及机电产品等进行交 货检查和验收。无出厂合格证或不符合质量标准的产品不得用于工程中。
  6. 发生质量事故后,应按相关规定做好事故处理工作,事故部位处理完成后,按 相关标准进行质量验收,合格后方可投人使用或进人下一阶段施工。
  7. 工程质量缺陷备案
  8. 工程质量缺陷备案程序
  9. 在施工过程中,工程个别部位或局部达不到技术标准和设计要求(但不影 响使用),按下列情形处理后,由监理单位组织填写工程质量缺陷备案表,其格式见 表 12.2-1。
  10. 经项目法人、监理及设计单位确认不影响使用,且不进行处理的质量缺:陷问题, 质量验收仍为合格。
  11. 处理后的工程部分质量指标仍达不到设计要求时,经设计复核,项目法人和监 理单位确认能满足安全和使用功能要求,可不再进行处理,其质量可验收为合格。
  12. 经加固补强后,改变了外形尺寸或造成工程永久性缺陷的,经项目法人、监理 及设计单位确认能基本满足设计要求,其质量可验收为合格。

表12.2-1工程质量缺陷备案表格式

单位工程名称 备案曰期 (填所有代表签字曰期)
分部工程名称 施工单位
单元工程名称/部位 监理单位
质量缺陷产生的部位 (主要说明具体位置、 缺陷描述并附示意图)
质量缺陷产生的 主要原因
对工程安全性、使用 功能和运行影响分析
处理方案或

不处理原因分析
处理结果
保留意见 (应说明主要理由,或采 取其他方案及主要理由) 保留意见人(签名):
施工单位 项目技术负贵人(签名): (盖章)
勘察单位 勘察代表(签名): (盖章)
设计单位 设计代表(签名):

(盖章)
监理单位 监理工程师(签名):

(盖章)
项目法人 现场代表(签名): (盖章)
  1. 工程质量缺陷需要处理的备案表需附处理方案及消除质量缺陷验收i己录。
  2. 工程验收时,项目法人应向验收委员会(验收工作组)汇报并提交历次工程 质量缺陷备案文件(资料)。
  3. 工程质量缺陷备案表
  4. 盖章可使用现场管理机构印章。
  5. 采用手写时,应采用钢笔或中性笔,用深蓝色或黑色墨水填写。
  6. 表12.2-1为格式并不意味备案表只能是一张纸可以按照需要填写后形成 若干张纸。
  7. 参建单位代表,应在合同或相关文件中明确,并不一定要求是法人代表。
  8. 与勘察单位无直接关联时,勘察单位可以不参加填写,在表中划

12.2.3水利水电工程施工质量验收的要求

  1. 施工质量等级

根据标准SL/T 223和标准SL/T 631.N,施工质量验收等级分为"合格” “不合格”。 验收结论为不合格的,必须进行处理且达到合格标准。

  1. 单元工程施工质量验收合格标准
  2. 单元工程按工序划分情况,分为划分工序单元工程和不划分工序单元工程。
  3. 划分工序单元工程应先进行工序施工质量验收在工序验收合格的基石HI上进 行单元工程施工质量验收。
  4. 不划分工序单元工程的施工质量验收,应在单元工程中所包含的检验项目经施 工自检合格的基础上进行。

(2 )工序施工质量验收合格条件:

  1. 检验项目中主控项目全部符合标准SL/T 223和标准SL/T 631.N要求一般项 目中逐项应有80%及以上的检验点符合标准SL/T 223和标准SL/T 631.N要求且不 符合点不应集中。
  2. 各项验收资料符合标准SL/T 223和标准SL/T 631.N要求。

(3 )单元工程施工质量验收合格条件:

  1. 划分工序单元工程所含工序验收全部合格。
  2. 不划分工序单元工程检验项目中主控项目全部符合标准SL/T 223和标准SL/T 631.N要求一般项目中逐项应有80%及以上的检验点符合标准SL/T 223和标准SL/T 631.N要求且不符合点不应集中。
  3. 各项验收资料应符合标准SL/T 223和标准SL/T 631.N要求。
  4. 单元工程施工质量验收不合格,监理单位或联合验收小组应在单元工程施工 质量验收表签署“不合格”结论,并提出处理要求。处理后应按以下规定进行验收:
  5. 全部返工重做的单元工程,应重新进行验收。
  6. 经加固补强并经设计和监理单位鉴定能达到设计要求时,应验收通过。
  7. 处理后的单元工程部分质量指标仍未达到设计要求时,经原设计单位复核,建 设单位及监理单位确认能满足安全和使用功能要求的,或经加固补强后,改变了建筑物 外形尺寸或造成工程永久缺陷的经建设、设计及监理等单位确认能基本满足设计要求可通过验收但均应按表12.2-2进行质量缺陷备案并在单元工程施工质量验收 表的验收意见中载明缺陷备案情况。

表12.2-2单元工程施工质量缺陷备案表格式

单位工程名称 缺陷类别
分部工程名称 备案曰期
单元工程名称/部位 施工单位
质量缺陷产生的部位 (主要说明具体位置、 缺陷描述并附示意图)
质量缺陷产生的 主要原因
对工程安全性、使用 功能和运行影响分析
处理方案或

不处理原因分析
保留意见 (应说明主要理由,或采 取其他方案及主要理由) 保留意见人(签字):
施工单位 质量负责人(签字): 技术负贵人(签字):

施工单位(盖章):
设计单位 设计代表(签字):

设计单位(盖章):
监理单位 监理工程师(签字): 总监理工程师(签字): 监理单位(盖章):
项目法人(建设单位) 现场代表(签字):

技术负责人(签字): 项目法人(建设单位)(盖章):
  1. 分部工程验收合格标准
  2. 所含单元工程质量全部合格。
  3. 原材料、中间产品质量合格,混凝土(砂浆)试件质量检验评定合格,金属 结构及启闭机、机电产品、信息化设备等质量合格。混凝土(砂浆)试件质量检验评定 按相关规定执行。
  4. 单位工程验收合格标准

(1)所含分部工程施工质量全部合格。

(2 )工程外观质量验收合格。

(3 )单位工程相关文件(资料)齐全。

  1. 工程施工期及试运行期,单位工程观测文件、分析结果符合国家和行业技术 标准以及合同约定的要求。
  2. 单位工程外观质量合格标准
  3. 检测数量:检查、检测项目经工程外观质量验收组全面检查后,抽视ϋ应达到 25%,且各项不少于10点。
  4. 各项目工程外观质量等级分为四级各级标准得分应符合表12.2-3的规定。

表12.2-3外观质量等级与标准得分

等级 检测项目测点合格率() 各项验收得分
一级 100 该项标准分
二级 90.0 〜99.9 该项标准分Χ90%
三级 80.◦〜89.9 该项标准分Χ80%
四级 < 80.0 0
  1. 水利水电建设工程单位工程外观质量得分率80.0%及以上为合格;夕卜观质量 得分率80.0%以下为不合格。外观质量不合格的,应按规定处理,直至达到合格标准。
  2. 单元工程施工质量验收的组织
  3. 单元工程划分应在分部工程开工前,由建设单位组织监理、设计、施工等单 位共同完成,并根据工程性质和部位确定重要隐蔽单元工程和关键部位单元工程。
  4. 单元工程按工序划分情况,分为划分工序单元工程和不划分工序单元工程。
  5. 检验项目的检验应按均匀分布、具有代表性及有利于质量控制的原则布点。检 验方法和数量应符合标准SL/T 223和标准SL/T 631.Ν的相关规定。

(4 )施工单位应按照工程设计图纸和施工技术标准进行施工过程质量控葡1和质量 检验,并做好过程质量控制、检查和检验记录,作为验收备查资料。

  1. 监理单位应采取旁站、现场巡视、平行检验、见证取样和见证检验等形式进 行施工过程质量控制和质量检验,做好过程质量控制、检查、检验记录,作为验收备查 资料。
  2. 重要隐蔽单元工程和关键部位单元工程的施工、质量问题处理等,应保留照 片、音视频文件资料并归档。照片、音视频文件应准确反映质量状况,同时记载拍摄时 间、地点和对应的单元工程等信息。记录资料的载体及相关信息、内容格式应符合国家及行业档案资料的相关规定。
  3. 用于质量检验的各类设备、仪器和计量器具的量程、精度等指标应符合相关 规范要求,并应按相关规定进行检定、校准。
  4. 单元工程施工质量验收相关资料应符合下列要求:
  5. 单元工程施工质量检验表和验收表经签字、复印后盖章建设单位保存1份 其他参加验收的单位各保存1份。
  6. 采用施工质量管理信息化系统的,验收后根据需要打印输出保存。电子文件应 采用电子签名。
  7. 单元工程施工质量检验表和验收表的文档规格宜采用A4 ( 210 mmX297 mm)。

(9 )标准SL/T 223和标准SL/T 631.N中未涉及的施工内容其质量验收标准应由 建设单位组织监理、设计和施工等单位按有关规定进行制定。

  1. 能源领域行业的要求

根据《水电水利基本建设工程 单元工程质量等级评定标准第1部分土建工程》 DL/T 5113.1—2019有关单元工程施工质量验收评定主要有以下要求

  1. 水电水利工程分部工程或分项工程开工前,应进行单元工程划分,并确定重 要隐蔽单元工程和关键部位单元工程。
  2. 单元工程可分为划分工序的单元工程和不划分工序的单元工程,质量检验项 目分为主控项目和一般项目。
  3. 工序施工质量等级应分为优良、合格,单元工程质量等级应在工序施工质量 评定基础上进行,分为优良、合格,不合格单元工程应经过处理,达到合格标准后,再 进行单元工程质量复评。
  4. 单元工程质量等级评定,应符合下列条件:
  5. 单元工程施工作业已经全部完成。
  6. 各工序使用的原材料、中间产品及工序验收等规定的全部质量检验项目已经结 束,且检验项目检验合格和施工项目实体质量检验合格。
  7. 单元工程已通过验收,质量缺陷已经修复并通过验收,或修复措施和实施时间 已经确定。
  8. 工序施工质量等级评定标准和单元工程质量等级评定标准,除非有特别说明, 应符合下列要求:
  9. 工序施工质量等级评定标准应符合下列要求:

合格主控项目检验结果应全部符合本标准的要求一般项目逐项应有70%及以 上的检测点合格,且不合格点不集中;各项报验资料应符合本标准要求。

优良主控项目检验结果应全部符合本标准的要求一般项目逐项应有90%及以 上的检测点合格,且不合格点不集中;各项报验资料应符合本标准要求。

  1. 不划分工序的单元工程质量等级评定标准应符合下列要求:

合格主控项目检验结果应全部符合本标准的要求一般项目逐项应有70%及以 上的检测点合格,且不合格点不集中;各项报验资料应符合本标准要求。

优良主控项目检验结果应全部符合本标准的要求一般项目逐项应有90%及以 上的检测点合格,且不合格点不集中;各项报验资料应符合本标准要求。

  1. 划分工序的单元工程质量等级评定标准应符合下列要求:

合格:各工序施工质量验收评定全部合格;各项报验资料符合本标准要求。

优良各工序施工质量验收评定全部合格其中优良工序应达到50%及以上,且 主要工序应达到优良等级;各项报验资料符合本标准要求。

(6 )单元工程质量等级评定宜在单元工程完工28d内完成并应符合下列程序

  1. 单元工程所有工序或施工项目已完成,并通过现场验收。
  2. 施工单位在单元工程通过验收后的7d内根据监理单位签署确认的质量检验 记录,按《水电水利基本建设工程 单元工程质量等级评定标准第1部分土建工程》 DL/T 5113.1—2019附录A的要求填写工序施工质量等级评定表和单元工程质量等级 评定表,经质量负责人签署、施工单位盖章后,连同完整的质量检验资料提交监理 单位。
  3. 监理单位收到施工单位提交的验收资料后在3日内完成复核评定确认单元 工程的质量等级。
  4. 若因特殊情况,部分项目不能及时检查,可缺项暂评,补齐缺项后进行终评。
  5. 对于质量检验或验收不合格的单元工程,应经过处理达到合格标准且通过监理 单位组织的验收。
  6. 单元工程质量等级评定,应符合下列要求:
  7. 原材料、构配件、中间产品及工序等质量检验合格,检验资料齐全且符合规定 的格式。
  8. 原材料、构配件和中间产品等的抽样频率和数量等符合相关规定,工序质量检 验的检查点数和布置点位随机分布,或与监理单位指定的重点抽查部分相结合。
  9. 施工记录及图表齐全、准确、清晰。
  10. 单元工程质量等级可在缺陷修复后修正,但应在分部工程验收前进行。
  11. 监理单位应对单元工程质量评定等级进行复核确认。
  12. 重要的隐蔽单元工程或关键部位单元工程质量验收与评定,应由参建各方共同 验收评定。
  13. 单元工程质量等级评定应形成原材料、构配件或中间产品等的质量检验、单 元工程质量等级评定表和工序工程质量等级评定表,以及质量缺陷修复检查和验收质量 检验等资料。
  14. 单元工程质量验收评定未达到合格标准时,应及时按照规定的程序和批准的 措施实施处理,处理后的单元工程质量等级修正应于分部工程验收前完成。修正质量等 级评定,应符合下列规定:
  15. 全部返工重做的,根据验收资料重新评定质量等级。
  16. 经处理并经设计和监理单位鉴定能达到设计要求时,其质量等级评定为合格。
  17. 处理后的单元工程部分质量指标仍未达到设计要求时,经原设计单位复核,业 主单位及监理单位确认能满足安全和使用功能要求,可不再处理;或经处理后,改变了 建筑物外形尺寸或造成工程永久缺陷的,经业主单位、设计单位及监理单位确认能基本 满足设计要求,其质量可认定为合格,并按规定进行质量缺陷备案。

12.2.4水利水电工程单元工程质量标准

  1. 单元工程质量标准的演变

2012年12月19日前使用下列《水利水电基本建设工程单元工程质量等级评定标 准》(以下简称单元标准第一版):

  1. 《水利水电基本建设工程单元工程质量等级评定标准(一)》SDJ 249-1988。
  2. 《水利水电基本建设工程单元工程质量等级评定标准(二)金属结构及启闭机 械安装工程》SDJ 249.2—1988。
  3. 《水利水电基本建设工程单元工程质量等级评定标准(三)水轮发电机组安装 工程》SDJ 249.3—1988。

(4 )《水利水电基本建设工程单元工程质量等级评定标准(四)水力机械辅助设备 安装工程》SDJ 249.4—1988。

(5 )《水利水电基本建设工程单元工程质量等级评定标准(五)发电电气设备安装 工程》SDJ 249.5—1988。

  1. 《水利水电基本建设工程单元工程质量等级评定标准(六)升压变电电气设备 安装工程》SDJ 249.6—1988。
  2. 《水利水电基本建设工程单元工程质量等级评定标准(七)碾压式土石坝和浆 砌石坝工程》SL 38—1992。

(8 )《堤防工程单元工程质量等级评定标准》[含在《堤防工程施工质量评定与验 收规程(试行)》SL 239—1999中

自2012年12月19日起单元标准第一版被下列标准(以下简称单元标准第二版) 替代:

(1 )《水利水电单元工程施工质量验收评定标准土石方工程》SL 631—2012o

(2)《水利水电工程单元工程施工质量验收评定标准 混凝土工程》SL 632—2012。 (3 )《水利水电单元工程施工质量验收评定标准 地基处理与基础工程》SL 633— 2012。

(4 )《水利水电单元工程施工质量验收评定标准 堤防工程》SL 634—2012ο

(5 )《水利水电单元工程施工质量验收评定标准 水工金属结构安装工程》SL 635— 2012。

  1. 《水利水电工程单元工程施工质量验收评定标准 水轮发电机组安装工程》SL 636—2012。

(7 )《水利水电单元工程施工质量验收评定标准 水力机械辅助设备系统安装工程》 SL 637—2012ο

  1. 《水利水电工程单元工程施工质量验收评定标准 发电电气设备安装工程》SL 638—2013。

(9 )《水利水电工程单元工程施工质量验收评定标准 升压变电电气设备安装工程》 SL 639—2013。

单元标准第一版,其中有将质量检验项目分为一般原则和要求、质量检查项目和 允许偏差项目三项,也有将质量标准项目分为保证项目、基本项目和允许偏差项目等三类,以上各有优点。另外一个不同点是部分标准将中间产品质量标准纳人了正文,主要 理由是中间产品应作为一个工序考虑,其质量标准也应经过检验评定,只有在检验合格 后才能在单元工程中加以应用,并且在重要工程的产品中,当单元工程评定分优良时, 其中间产品必须优良。

单元标准第二版,将质量检验项目统一为主控项目、一般项目(主控项目,对单元 工程功能起决定作用或对安全、卫生、环境保护有重大影响的检验项目;一般项目,除 主控项目外的检验项目)o

需要强调的是单元工程是日常工程质量考核的基本单位,它是以有关设计、施工 规范为依据的,其质量评定一般不超出这些规范的范围。由于以上评定标准是以有关技 术规范为基础的,而一些目前使用的检测手段(如超声波、电子或激光探测等),相应 的有关技术规范没有列,所以评定标准中基本没有使用这些手段的相应检测标准。

自2025年1月3日起单元标准第二版陆续被下列《水利水电工程单元ΞΕ程施工 质量验收标准》SL/T 631.N系列标准替代(截至2025年5月未颁发的不带年份)

  1. 《水利水电工程单元工程施工质量验收标准 第1部分土石方工程》SL/T
  2. 2025。
  3. (水利水电工程单元工程施工质量验收标准 第2部分混凝土工程》SL/T
  4. 2025。
  5. 《水利水电工程单元工程施工质量验收标准 第3部分地基处理与基石出工程》 SL/T 631.3—2025。
  6. 《水利水电工程单元工程施工质量验收标准 第4部分堤防与河道整治工程》 SL/T 631.4—2025。
  7. 《水利水电工程单元工程施工质量验收标准 第N部分水工金属结构安装工 程》SL/T 631.Nο
  8. 《水利水电工程单元工程施工质量验收标准 第Ν部分:水轮发电机纽安装工 程》SL/T631.N。
  9. 《水利水电工程单元工程施工质量验收标准 第Ν部分:升压变电电气设备工 程》SL/T 631.No
  10. 《水利水电工程单元工程施工质量验收标准 第8部分安全监测工程》SL/T 631.8—2025。

标准SL/T 631 .Ν与单元标准第二版相比,主要变化有:

(1 )取消了关于优良等级的标准及相关内容。

(2)标准适用于水利水电工程的单元工程施工质量验收。因为是推荐性行业标准, 故取消了 “小型水利水电工程可参照执行”的条款。

(3 )将单元标准第二版的“工序施工质量及单元工程施工质量验收评定表(样式)” 一张表分为两张表,即施工单位自检用的“工序施工质量及单元工程施工质量检验表 (样式)”、监理单位验收用的“工序施工质量及单元工程施工质量验收表(样式广。

(4 )增加“重要隐蔽(关键部位)单元工程施工质量验收签证表(样式)”。

  1. 增加“单元工程施工质量缺陷备案表(格式)” “原材料中间产品检验项目、 检验频次和质量标准”。
  2. 工序施工质量验收
  3. 工序施工质量验收需具备下列条件:
  4. 工序中所有施工内容已完成,现场具备验收条件。
  5. 检查发现的与该工序有关的质量问题已经处理。
  6. 工序中所包含的检验项目经施工单位检验合格,工序施工质量自检合格。
  7. 工序施工质量验收按下列程序进行:
  8. 施工单位应对已完成的工序按标准SL/T 631.N及时进行检验并填写“工序施 工质量检验表”,质量责任人履行相应签认手续后,向监理单位申请验收。
  9. 监理单位收到申请后应在4h内组织验收按标准SL/T 631.N规定的检验项 目进行检验,并在“工序施工质量验收表”中填写检验记录和检验结论,签署验收意见。
  10. 检验项目不合格的,监理单位应要求施工单位整改完成后重新申请验收。

(3 )工序施工质量验收准备下列资料:

  1. 工序施工质量检验表及备查资料。
  2. 工序施工质量验收表及备查资料。
  3. 单元工程施工质量验收
  4. 单元工程施工质量验收需具备下列条件:
  5. 单元工程中所含工序(或施工内容)已完成,施工现场具备验收的条件。
  6. 检查发现的与该单元有关的质量问题已经处理完成或有明确结论。
  7. 单元工程中所含工序(或检验项目)经监理单位验收合格。
  8. 单元工程施工质量验收按下列程序进行:
  9. 施工单位对已经完成施工的单元工程,按以下要求申请验收:
  10. 划分工序的单元工程,在完成全部工序验收并填写“工序施工质量检验表(划 分工序)”,质量责任人履行相应签认手续后,向监理单位申请验收。
  11. 不划分工序的单元工程,施工单位填写“单元工程施工质量检验表”,质量责任 人履行相应签认手续后,向监理单位申请验收。
  12. 监理单位收到申请后应在8h内组织验收。验收下列内容
  13. 划分工序的单元工程,在“单元工程施工质量验收表(划分工序)”中填写工序 的验收结论,签署验收意见。
  14. 不划分工序的单元工程,在“单元工程施工质量验收表(不划分工序)”中填写 检验项目的检验记录和检验结论,签署验收意见。
  15. 重要隐蔽单元工程和关键部位单元工程还应由建设单位主持,建设、勘察、设 计、监理、施工等单位的代表组成联合小组共同验收签证,填写“重要隐蔽(关键部 位)单元工程施工质量验收签证表”。
  16. 单元工程施工质量验收准备下列资料:
  17. 划分工序单元工程包括:
  18. 工序施工质量检验表及备査资料。
  19. 工序施工质量验收表及备查资料。
  20. 单元工程施工质量验收表及备査资料。
  21. 不划分工序单元工程包括:
  22. 单兀工程施工质量检验表及备查资料。
  23. 单元工程施工质量验收表及备查资料。
  24. 重要隐蔽单元工程和关键部位单元工程还应有“重要隐蔽(关键部位)单元工 程施工质量验收签证表”。
  25. 验收标准

自标准SL/T 631.N摘录部分验收标准如下。

1 土料填筑单元工程施工质量验收标准见表12.2-4。适用于土石坝工程的土料 填筑。

表12.2-4 土料填筑单元工程施工质量验收标准

项次 检验项目 质量要求 施工单位自检 监理单ί立检验
检验方法 检验数量 检验(工

作)方式
检验数量
主控项自 1 土料质量 料源质量符合设计及C.0.1条要求; 上坝料无树根等杂物 观察,查阅

质量证明文件 和检验报告
全部 平行检验 全部
2 碾压参数 符合碾压试验成果要求 查阅施工记录 全部 平行检验 全部
3 压实质量 土料含水率应控制在最优量的-2%〜 3%;压实指标符合设计要求;取样 合格率不小于90%;不合格试样不应 集中且1级、2级坝和高坝压实度 不低于98%, 3级中低坝和3级以下 中坝压实度不低于96%,无防渗要求 时压实度不低于90% 试验 黏土每100〜

500 m3抽检1 个;砾质土每 20◦〜1000 m3 抽检1个每层 不少于5个
平行检验 施工单位 自检数量

的5%
4 接(结)

合面处理
填筑体与 土质建基面 (上下层结合 层面)处理 无浮渣、污物杂物,无 积水等基面刨毛3〜 5 cm,无团块 观察、量测 全部 现场巡视
填筑体与岩 面和建(构) 筑物面处理 无浮渣、污物杂物,无 积水等;铺填前涂刷浓 泥浆或黏土水泥砂浆, 涂刷均匀,无空白,且 回填及时,无风干现象
有防渗要求时

涂刷浆液质量
浆液稠度适宜、均匀无 团块,材料配合比最大 允许偏差为±10% 观察、检测 每拌和一批抽检 不少于1次 见证检验 全部
5 防渗体

轴线
最大允许偏差为±5 cm 量测 每10m测1个点 不少于3个点 见证检验 施工单位 自检数量

的20%
I般项目 1 卸料铺填 非均质土坝:粗料不应侵入细料边 线允许偏差为◦〜10 cm。

均质土坝:人工铺料允许偏差为◦〜 10 cm,机械铺料允许偏差为◦〜 30 cm;铺料厚度符合碾压试验要求, 允许偏差为-5〜0 cm
观察、量测 铺填边线每10m 测1个点不少 于3个点铺 料厚度按网格控 制每100m2测 1个点不少于 3个点 旁站、

平行检验
施工单位 自检数量

的10%

续表

项次 检验项目 质量要求 施工单位自检 监理单位检验
检验方法 检验数量 检验(工

作)方式
检验数量
I般项目 2 碾压面

处理
碾压密实,层面平整,无漏压、无拉裂 和起皮现象,弹簧、起皮、脱空及剪 力破坏等部位的处理符合设计要求。 分段碾压时,相邻两段交接帯碾压迹 应彼此搭接,垂直碾压方向搭接带宽 度0.3〜0.5 m顺碾压方向搭接带宽 长度为1.0〜1.5 m 观察、量测 每 100 m2 测1个点 不少于3个点 平行检验 施工单位 自检数量 的10%
3 接缝处理 斜墙和心墙内不应有纵向接缝。防 渗体及均质坝的横向接坡不应陡于 1 3,其高差应符合设计要求,与岸 坡接合坡度应符合设计要求。均质坝 纵向接缝斜坡坡度和平台宽度应满足 稳定要求平台间高差不大于15 m 观察 全部 平行检验 全部
4 填筑体

位置及

外形尺寸
轴线 最大允许偏差为 +5cm 量测 每10m测1个点, 不少于3个点 见证检验 施工单位 自检数量 的20%
顶面宽度 允许偏差为:

人工0〜10 cm; 机械0〜30 cm
量测 每10m测1个点 不少于3个点 平行检验 施工单位 自检数量 的10%
含预留

沉降顶高程
允许偏差为0〜10 cm 量测 网格控制,每

100 m2测1个点 不少于3个点
见证检验 施工单位 自检数量 的20%
外露边坡坡度 无亏坡,不陡于设计 坡度 观察、量测 每10m测1个点 不少于3个点 见证检验 施工单位 自检数量 的20%

1.顶髙程及坡度检验项目只在填筑完最后一层填筑单元时进行检验。 2.设计坡度计算按预留沉降加髙的断面计算。

表12.2-4中C.0.1指《水利水电工程单元工程施工质量验收标准第1部分土石 方工程》SL/T 631.1—2025中C.0.1 土石方填筑原材料检验项目、检验频次和质量标 准见表C.0.1-1〜表C.0.1-5。

2干砌体单元工程施工质量验收标准见表12.2-5。单元工程宜以工程设计结构 或施工检查验收的区、段划分,每一区、段划分为一个单元工程。

表12.2-5干砌体单元工程施工质量验收标准

项次 检验项目 质量要求 施工单位自检 监理单位检验
检验方法 检验数量 检验(工 作)方式 检验数量
主控项目 1 石料、预

制块质量
符合设计和C.0.1条要求,已通过进 场验收 观察,查阅质 堡证明文件、

验收记录和

检验报告
全部 平行检验 全部

续表

项次 检验项目 质量要求 施工单位自检 监理单·位检验
检验方法 检验数量 检验(工

作)方式
检验数量
主控项目 2 砌筑质量 自下而上错缝砌筑,石料或预制块紧 靠密实,垫塞稳固,大块压边,咬扣 紧密;无叠砌和浮塞;采用水泥砂浆 勾缝时,应预留排水孔 观察,翻撬 或铁纤插检 上游面不少于20 个点,其他护面工 程不少于10个点 见证检验 施工单位 自检数量 的20%
1般项目 1 基层处理 基面处理方法、基础埋置深度符合设 计要求 观察,查阅施

工及验收记录
全部 平行检验 全部
2 基面碎石 垫层铺填

质量
碎石垫层料的颗粒级配、铺填方法、 铺填厚度及压实度满足设计要求 量测、试验 每个单元不少于 20个点 见证检验

或平行

检验
见证检验 施工单位 自检数量 的 20% 平行检验 施工单位 自检数量 的10%
3 夕卜露面

平整度
细料石

(预制块)
最大允许偏差为±1 cm 量测

用2m靠尺
每个单元不少于 20个点 平行检验 施工单位 自检数量

的10%
粗料石 最大允许偏差为±3 cm
块石 最大允许偏差为±5 cm
4 外形尺寸 ο 厚度 最大允许偏差为±10% 量测 每25m2测3个 点不少于3个点 平行检验 施工单位 自检数量 的10%
坡度 最大允许偏差为±2% 量测 每个单元不少于 2个断面 见证检验 施工单位 自检数量

的20%
干砌体

墙体
丽硫 不低于设计高程 量测 每10 m测1个 点不少于3个点 见证检验 施工单位 自检数量 的20%
顶宽 最大允许偏差为 土 20mm 量测 每10 m测1个 点不少于3个点 平行检验 施工单位 自检数量

的10%
ί聴 无亏坡,

不陡于设计坡度
观察、量测 每个单元不少于 2个断面 见证检验 施工单位 自检数量 的20%
5 变形缝

质量
位置符合设计要求,缝面宜平整、竖 直、贯通 观察 全部 现场巡视

表12.2-5中C.0.1指《水利水电工程单元工程施工质量验收标准第1部分土石 方工程》SL/T 631.1—2025中C.0.1 土石方填筑原材料检验项目、检验频次和质量标 准见表C.0.1-1〜表C.0.1-5。

3普通混凝土工程。普通混凝土单元工程划分为备仓、浇筑两个工序。普通混凝

土备仓工序施工质量验收由基础面或施工缝处理、模板制作与安装、钢筋制作与安装、 预埋件(止水、伸缩缝等)制作与安装等内容组成。普通混凝土浇筑工序施工质量验收 由混凝土浇筑和外观质量等内容组成。其中:基础面或施工缝处理、模板制作与安装、 钢筋制作与安装、预埋件(止水、伸缩缝等)制作与安装、混凝土浇筑、外观质量填人 “单元工程施工质量检验表” “单元工程施工质量验收表”中的“类别”栏。

  1. 基础面或施工缝处理施工质量验收标准见表12.2-6。

表12.2-6基础面或施工缝处理施工质量验收标准

项次 检验项目 质量要求 施工单位自检 监理单位检验
检验方法 检验数燈 检验(工

作)方式
检验数量
主1 基础面 表面清理干净,无杂物、无积水、无油污 观察 全部 平行检验 全部


项9 冃2
施工缝 施工缝位置符合设计或有关施工规范规定,凿 毛等处理后基面无乳皮,成毛面,微露粗砂 观察 全部 平行检验 全部
  1. 定型或现场装配式钢、木模等模板的制作与安装施工质量验收标准见表12.2-7。 采用滑模施工时还应符合《水工建筑物滑动模板施工技术规范》SL 32—2014的相关 要求;有专门要求的高速水流区、溢流面、闸墩、闸门槽、机电设备安装等部位的模 板,还应符合有关专项设计的要求。

表12.2-7模板制作与安装施工质量验收标准

项次 检验项目 质量要求 施工单位自检 监理单位检验
检验方法 检验数量 检验(工 作)方式 检验数量
主控项目 1 稳定度、 刚度和

强度
满足混凝土施工荷载要求,并符合模 板设计要求 观察,检查

与模板设计 文件和施工 方案的符合性
全部 平行检验 全部
2 承重模板

底面高程
允许偏差为0〜5 mm,有预留拱度 的应满足设计或施工方案要求 a测 模板面积在50m2 以内不少于5个 点;每増加20m2, 检查点数増加

不少于2个点
见证检验 施工单位 自检数量 的20%
3 轴线位置 尺寸的最大允许偏差为土5mm,特 殊部位应满足设计或规范要求 量测 轴线长度在20m 以内不少于5个 点每増加10m 检查点増加不少 于1个点 见证检验 施工单位 自检数量

的20%
I般项目 1 结构断面 尺寸 大体积混凝土尺寸的最大允许偏差为 土20 mm;现浇基础尺寸的最大允许 偏差为土 10 mm,排架柱、梁板、墙 等现浇结构尺寸的最大允许偏差为 ±5 mm 量测 边长或高度20m 以内,每边不少 于5个点每増 加10m,每边检 查点数増加不少 于1个点 平行检验 施工单位

自检数量 的10%

续表

项次 检验项目 质量要求 施工单位自检 监理单ί立检验
检验方法 检验数量 检验(工

作)方式
检验数量
I般项目 2 预留孔、 洞、槽尺 寸及位置 孔、洞、槽尺寸的允许偏差为0〜

10 mm;中心位置允许偏差为10 mm
查阅图纸、 量测 全部 平行检验 施工单位 自检数量

的10%
3 模板平整 度、相邻 模板错台 外露表面钢模允许偏差为2 mm; 木模允许偏差为3 mm。隐蔽内面 尺寸的最大允许偏差为土5 mm 2 m靠尺量测 模板面积在50n? 以内不少于5个 点;每增埔:20m2, 检查点数増加

不少于2个点
平行检验 施工单位 自检数量

的10%
4 板面缝隙 允许偏差为2 mm 量测 模板面积在50m2 以内不少于5个 点;每増加20m2, 检查点数増加

不少于2个点
平行检验 施工单位 自检数量

的10%
5 模板外观

及脱模剂 涂刷
模板平整、表面光洁、无污物;隔离 剂产品质量符合标准要求,涂刷均匀 观察,查阅产 品质检证明 全部 现场巡视

注:外露表面、隐蔽内面系指相应模板的混凝土结构物表面最终所处的位置。

  1. 钢筋制作与安装施工质量验收标准见表12.2_8。

表12.2-8钢筋制作与安装施工质量验收标准

项次 检验项目 质量要求 施工单位自检 监理单位检验
检验方法 检验数量 检验(工

作)方式
检验数量
主控项目 1 钢筋及连接 材料质量 符合设计及0.0.1条要求 观察,查阅质 量证明文件和

检验报告
全部 平行检验 全部
2 钢筋数量、规格

尺寸、安装位置
符合设计要求 对照设计文件 检查、量测 全部 平行检验 全部
3 钢筋接头 力学性能 钢筋接头应进行相应工艺试验,并 符合设计及C.0.1条要求 查阅检验报告 全部 平行检验 全部
4 S 电弧焊 接头处钢筋轴线允许偏差为4°焊 缝长度允许偏差为-0.5c/;焊缝表 面气孔、夹渣直径不大于3 mm,气 孔、夹渣数量每2d长度不多于2个 焊缝饱满,无明显咬边、凹陷 观察、量测 每项不少 于10个点 平行检验 施工单位 自检数量

的10%
对焊 接头处钢筋中心线位移允许偏差为

0.1c/且不大于2 mm,钢筋表面无 裂纹和明显烧伤
观察、量测 每项不少

于1◦个点
平行检验 施工单位 自检数量

的10%
绑扎 缺扣、松扣不大于20%且不集中,搭 接长度符合设计要求 观察、量测 全部且每 项不少于 10个点 平行检验 施工单位 自检数量

的10%

续表

项次 检验项目 质量要求 施工单位自检 监理单位检验
检验方法 检验数量 检验(工 作)方式 检验数量
主控项目 4 带肋钢筋

冷挤压

机械
符合《钢筋机械连接技术规程》JGJ 107—2016相关规定挤压后套筒长 度应为原套筒长度的1.10〜115倍 或压痕处套筒的外径波动范围为原 套筒外径的0.8〜0.9倍;挤压道次 符合型式检验结果;接头无裂纹或 肉眼可见缺陷 观察、量测 全部且每 项不少于 1◦个点 平行检验 施工单位 自检数量 的10%
直(锥)

螺纹
符合《钢筋机械连接技术规程》JGJ 107—2016相关规定丝头加工长度 偏差不大于1扣连接后无明显松动 无1扣以上完整丝扣外漏 观察、量测 全部且每 项不少于

10个点
平行检验 施工单位 自检数量

的10%
I般项目 1 钢筋外观 平直、无损伤,表面无裂纹、无油 污、无颗粒状锈蚀或片状锈蚀现象 观察 全部 平行检验 全部
2 钢筋保护层厚度 局部尺寸的最大允许偏差为±V4净 保护层厚度 观察、量测 不少于

5个点
平行检验 施工单位 自检数量 的10%
3 钢筋长度 尺寸的最大允许偏差为±1/2净保护 层厚度 量测 不少于

5个点
平行检验 施工单位 自检数量

的10%
4 钢筋间距 分布均匀,无明显过大过小的现象 观察 全部 平行检验 全部
5 双排钢筋,

其排与排间距
尺寸的最大允许偏差为±0.1倍排距 观察、量测 不少于

5个点
平行检验 施工单位 自检数量

的10%

表12.2-8中C.0.1指《水利水电工程单元工程施工质量验收标准 第2部分混凝 土工程》SL/T 631.2—2025中C.0.1水泥、掺合料、外加剂、止水片(带)、钢筋、 钢筋连接接头等原材料检验项目、检验频次和质量标准见表C.0.1-1〜表C.0.1-6o

  1. 普通混凝土中的预埋件包括止水、伸缩缝(填充材料)、排水系统、冷却及灌浆管 路、金属件等。预埋件止水、伸缩缝等制作与安装施工质量验收标准见表12.2-9〜 表 12.2-13。

表12.2-9止水片施工质量验收标准

项次 检验项目 质量要求 施工单位自检 监理单位检验
检验方法 检验数量 检验(工

作)方式
检验数量
主控项目 1 片(带)

性能指标
符合设计及C.0.1条的要求 观察,查阅

质量证明文件 和检测报告
全部 平行检验 全部
2 片(带)规 格、外观 规格符合设计要求、观感表面平整,无 锈污、油溃、砂眼、钉孔、裂纹等 观察 全部 平行检验 全部

续表

项次 检验项目 质量要求 施工单位自检 监理单位检验
检验方法 检验数量 检验(工

作)方式
检验数量
主控项目 3 接头方式、

接头质量 及焊缝外观
接头方式符合设计要求且通过工艺试验 检测合格,接头质量符合工艺试验的质 量要求,焊缝外观平整,无烧伤,无 夹渣 观察,查阅

工艺试验报告
全部 平行检验 全部
I般项目 1 安装位置 止水片(带)中心线与接缝中心线 安装尺寸的最大允许偏差为±5mm 量测 每50m检查 不少于5个点 每增加10m

増加一个点
平行检验 施工单位 自检数量

的10%
2 搭接长度 金属止水片双面焊不小于20mm,橡 胶、PVC止水片不小于100mm;不同 材质止水片螺栓法连接不小于350mm 量测 全数 平行检验 施工单位 自检数量

的10%
3 止水保护 内置部分应采取合适的定位固定措施, 外露部分有防破损、防老化保护措施 观察 全部 现场巡视

表12.2-9中C.0.1指《水利水电工程单元工程施工质量验收标准 第2部分混凝土 工程》SL/T 631.2—2025中C.0.1水泥、掺合料、外加剂、止水片(带)、钢筋、钢筋 连接接头等原材料检验项目、检验频次和质量标准见表C.0.1-1〜表C.0.1-6o

表12.2-10伸缩缝填充材料施工质量验收标准





量 质
检 白| 位一

工一 施
验 检 位 单



法 方



检验(工

作)方式


E-
主控项目 I 1 I 证 量 质 厂 出 质 材

要 计 设 合

Mi全 厚齐 及料 质资 材明
阅δ告 查肢报

JE0

^质彳


B F


均 料 青余 沥齡 敷W 涂钥

>,隱 颐夕Ϊ

ί觀 干起„ 理_ _ 处及I 、泡 整一? 平无

缝尔




巡 场

-
I般项目

紧 接 搭 ®X



平 匀 均 度 厚 设 铺
Ε 0 B -

表12.2-11排水系统施工质量验收标准

项次 检验项目 质量要求 施工单位自检 监理单位检验
检验方法 检验数量 检验(工

作)方式
检验数量
|主控项目| 1 排水管 材质 符合设计要求,材质出厂质量证明资料齐全 观察,查阅

质量证明文件 和检测报告
全部 平行检验 全部

续表

项次 检验项目 质量要求 施工单位自检 监理单位检验
检验方法 检验数量 检验(工 作)方式 检验数量
主控项目 2 排水管

孔口装置
孔口装置的加工、安装、防锈处理等符合 设计要求,无渗水、漏水现象 观察、量测 全部 平行检验 全部
3 排水管 通畅性 管路布设符合设计要求,通畅 观察、量测 全部 现场巡视
I般项目 1 排水孔

(管)位置
允许偏差为100mm 量测 全数 见证检验 施工单位 自检数量 的20%
2 倾斜度 预埋安装允许偏差为4%;

岩石钻孔允许偏差为2%
量测 全数 见证检验 施工单位 自检数量 的20%
3 基岩孑L 深度 尺寸的最大允许偏差为±0.5%设计深度 量测 全数 平行检验 施工单位

自检数量 的10%
4 反滤装置 材料规格、设置位置、断面尺寸符合设计 要求 观察、量测 全部 平行检验 施工单位 自检数量 的10%

表12.2-12冷却及灌浆管路施工质量验收标准











Κ-.-Ι









Η


检 位















检验(工

作)方式
量 数

验 检
主控项目 t 1 S 牢 装 安

氣 要 计 设 合 符 设 布 路 管 及 堡靠 质可 材、 管固
阅嫌告 查肢报

g测 察2i检 见 A Q 5U质矛
S E
| I般项目 § Κ}!7标 不 啦朗

护 头保 接m 乳出 噪塞 计曝 嘴无 拾_路_ 符W' 式、 方气 头漏楚 接不清
7KS查 通艇

,气 腺_通_
Ξ B E

表12.2-13金属件施工质量验收标准

项次 检验项目 质量要求 施工单位自检 监理单位检验
检验方法 检验数量 检验(工 作)方式 检验数量
主控项目 1 金属件

规格、材 质及数量
符合设计要求 观察,查阅

质量证明文件 和检测报告
全部 平行检验 全部
2 安装质燈 安装牢固、可靠 观察、量测 全部 平行检验 全部
I般项目| 1 中心位置 允许偏差为20mm 量测 全数 平行检验 施工单位 自检数量 的10%
  1. 普通混凝土浇筑施工质量验收标准见表12.2-140

表12.2-14普通混凝土浇筑施工质量验收标准

项次 检验项目 质量要求 施工单位自检 监理单位检验
检验方法 检验数量 检验(工 作)方式 检验数量
主控项目 1 入仓

混凝土料
入仓混凝土应符合C.0.3条要求,不合格料 不应入仓 观察,查阅记 录及检验报告 全部 平行检验 全部
2 平仓分层 厚度不大于振捣棒有效长度的90%,铺设 均匀,分层清楚,无集料集中现象 观察 全部 旁站 全部
3 振捣 振捣次序、间距、留振时间等符合要求, 无漏振、无过振 观察 全部 旁站 全部
4 铺料间歇 时间 符合要求,无初凝现象 观察、量测 全部 旁站 全部
5 入仓温度 (有温控 要求时) 符合设计要求 量测 每4h

检测1次
平行检验 施工单位 自检数量

的10%
I般项目 1 砂浆铺筑 铺筑厚度为20〜30mm砂浆铺设均匀 无漏铺 观察、量测 每 100 m2 不少于

5个点
见证检验 施工单位 自检数量

的20%
2 积水和

泌水
无外部水流入,泌水排除及时 观察 全部 旁站 全部
3 插筋、管 路等埋设 件的保护 符合设计要求 观察 全部 现场巡视
4 养护措施 浇筑后应及时养护,养护方法符合要求 观察 全部 现场巡视

表12.2-14中C.0.3指《水利水电工程单元工程施工质量验收标准 第2部分混 凝土工程》SL/T 631.2—2025中C.0.3混凝土拌和物检验项目、检验频次及质量标准 见表C.0.3 ο

  1. 混凝土外观施工质量验收标准见表12.2-15。混凝土拆模后应检查其外观质 量。当发生混凝土裂缝、冷缝、蜂窝、麻面、错台和变形等质量问题时,应及时处理, 并做好记录。

表12.2-15混凝土外观施工质量验收标准

项次 检验项目 质量要求 施工单位自检 监理单位检验
检验方法 检验数量 检验(工 作)方式 检验数量
主控项目 1 有平整度 要求的

部位
符合设计要求 量测 100 m2以上的表 面检查6〜10个 点100 m2以下 的表面检查3-

5个点
平行检验 施工单位 自检数量 的10%

续表

项次 检验项目 质量要求 施工单位自检 监理单位检验
检验方法 检验数量 检验(工

作)方式
检验数量
主控项目 2 轴线位置 梁、板、柱、墙等结构混凝土允许偏差为

10 mm
量测 不少于5个点 见证检验 施工单位 自检数量 的20%
3 形体尺寸 符合设计要求或尺寸的最大允许偏差为 士20 mm;梁、板、柱、墙等结构混凝土 最大允许偏差为±5mm 量测 JAL \ 冋守 主要尺寸每项 不少于5个点 平行检验 施工单位 自检数量 的10%
4 重要部位 缺损 不应出现缺损 观察、

量测
全部 平行检验 全部
I般项目 1 表面

平整度
每2m偏差不大于8mm;梁、板、柱、墙 等结构混凝土每2m偏差不大于5mm 量测 面积100 m2以 内的检查3〜

5 个点100 m2 以上的检查6〜

10个点
平行检验 施工单位 自检数量 的10%
2 表面裂缝 表面裂缝短小、深度不大于钢筋保护层 厚度,表面裂缝经处理符合设计要求 观察、

量测
全部 见证检验 全部
3 外观缺陷 混凝土结构的外观质量不应有严重缺陷 及影响结构性能和使用功能的尺寸偏差, 麻面、蜂窝累计面积不超过本单元工程 外露面的0.5%,孔洞单个面积不超过 0.01m2,且深度不超过集料最大粒径, 经处理符合设计要求;错台、跑模、掉 角经处理符合要求 观察、

量测
全部 见证检验 全部

4碾压混凝土单元工程分为备仓、铺筑碾压两个工序。碾压混凝土备仓工序施工 质量验收由基础面或施工缝面处理表12.2-16、模板制作与安装、钢筋制作与安装、 预埋件(止水、伸缩缝等)制作与安装等内容组成,其中模板、预埋件等内容的质量检 验,按照碾压混凝土浇筑施工进度分批进行检验。碾压混凝土铺筑碾压工序施工质量验 收由混凝土拌合物、碾压混凝土铺筑碾压表12.2-17、变态混凝土浇筑表12.2-18、 碾压混凝土外观质量等内容组成。

表12.2-16基础面或施工缝面处理施工质量验收标准

项次 检验项目 质量要求 施工单位自检 监理单位检验
检验方法 检验数量 检验(工 作)方式 检验数量
主控项目| 1 基础面 表面清理干净,无杂物、无积水、无油污 观察 全部 平行检验 全部
2 施工缝面 无乳皮、表面成毛面,层面清理洁净、无积 渣、无积水 观察 全部 平行检验 全部

表12.2-17碾压混凝土铺筑碾压施工质量验收标准

项次 检验项目 质量要求 施工单位自检 监理单位检验
检验方法 检验数量 检验(工 作)方式 检验数量
主控项目 1 运输、卸 料、平仓

和碾压
符合设计要求,入仓混凝土应符合 C.0.3条的要求,卸料高度不宜大于 1.5m,无集料分离现象,上游面防 渗体范围平仓及碾压方向平行于坝轴 线;摊铺至碾压间隔时间不宜超过 2h,不合格料不应入仓 观察,

查阅资料
全部 旁站 全部
2 碾压参数 铺料厚度、碾压设备、碾压遍数等符 合碾压工艺技术参数要求 观察、量测、 查阅施工记录 铺料厚度每层每 500 m2不少于5 个点,其他参数 每班不少于2次 平行检验 施工单位 自检数量 的10%
3 混凝土

压实密度
符合规范或设计要求 检测 每200 m2检测 1个点且每层 不少于3个点 见证检验 施工单位 自检数量 的20%
4 层间间隔 时间 应符合不同时段环境温度下的允许间 隔时间要求,超过允许间隔时间后的 处理方式应符合设计和工艺试验确定 的处理方式 观察,查阅

施工记录
全部 现场巡视
I般项目 1 碾压层

表面
碾压后表面泛浆均分布,且无集料集 中现象 观察 全部 现场巡视
2 碾压搭接 宽度 碾压条带间搭接宽度不小于100 mm; 端头部位搭接长度不小于1000 mm 观察、量测 每仓不少于10 点 平行检验 施工单位 自检数量

的10%
3 缝面位置、 结构型式

及填充材料
符合设计要求 观察、量测 全部 平行检验 全部
4 层间砂浆 铺筑 砂浆铺设厚度宜为20〜30 mm,均匀 平整,无漏铺 观察 全部 平行检验 全部
5 养护措施 碾压过程层面保持湿润,停仓后仓面 应及时养护,养护方法符合要求 观察 全部 现场巡视

表12.2-17中C.0.3指《水利水电工程单元工程施工质量验收标准 第2部分混 凝土工程》SL/T 631.2—2025中C.0.3混凝土拌合物检验项目、检验频次及质量标准 见表C.0.3。

表12.2-18变态混凝土浇筑施工质量验收标准

项次 检验项目 质量要求 施工单位自检 监理单位检验
检验方法 检验数量 检验(工

作)方式
检验数量
主控项目| 1 灰浆拌制 浆液水胶比符合配合比设计要求,拌制 后浆体均匀,浓度符合标准要求 观察、量测 每班2次 现场巡视

续表

项次 检验项目 质量要求 施工单位自检 监理单位检验
检验方法 检验数量 检验(工

作)方式
检验数量
主控项目 | 2 灰浆铺洒 铺洒方式符合设计及工艺试验要求,间 歇时间低于规定时间;加浆量符合配合 比要求 观察,查阅

施工记录
每班2次 见证检验 施工单位 自检数量 的20%
3 振捣 振捣有序、均匀,间距、留振时间合理, 无漏振、无过振现象 观察 全部 旁站 全部
I般项目 1 与碾压混凝土

振碾搭接宽度
大于200 mm 观察、

量测
每仓不少 于2个点 现场巡视
2 铺层厚度 符合设计要求 观察 全部 平行检验 全部
3 施工层面 无积水,不应出现集料分离;特殊地区 施工时空气温度应满足施工层面需要 观察 全部 现场巡视

5 土料与建筑物接合部填筑单元工程施工质量验收标准见表12.2-19。接合部填 筑按填筑工程量相近的原则可将不超过5个的填筑层划分为一个单元工程。

表12.2-19 土料与建筑物接合部填筑单元工程施工质量验收标准

项次 检验项目 质量要求 施工单位自检 监理单位检验
检验方法 检验数量 检验(工

作)方式
检验数量
主控项目 1 涂浆土料

质堡
塑性指数Tp大于等于17,符合设计要求 检测 同一料源检测 1次料源发生 变化检测1次 见证检验 施工单位 自检数量 的20%
2 填筑土料 质量 符合设计及附录C表C.0.2-1要求 观察,查阅

质量证明文件 和检验报告
全部 平行检验 全部
3 土块粒径 小于5 cm 观察 全部 旁站 全部
4 压实度或

相对密度
符合设计要求 检测 每层至少取样

1个取样点 宜靠近建筑物
平行检验 施工单位 自检数量

的5%
5 含水率 最优含水率±3% 检测 每层至少

检测1处
见证检验 施工单位

自检数量 的20%
6 涂浆效果 建筑物表面洒水保持湿润;涂浆高度与 铺土厚度一致涂层厚度宜为3〜5 mm, 并应与下部涂层衔接;保持涂浆层湿润, 无漏涂 观察 全面 旁站 全面
I般项目 1 涂层泥浆 浓度 土水质ft比为1 : 2.5-1 : 3.0 检查泥浆配制 施工记录 全部 现场巡视
2 接合面

处理
清除建筑物表面乳皮、粉尘、油污及附 着杂物;割除外露铁件,并对残余露头 进行水泥砂浆覆盖保护 观察 全面 平行检验 全面

续表

项次 检验项目 质量要求 施工单位自检 监理单位检验
检验方法 检验数量 检验(工

作)方式
检验数量
I般项目 3 衔接部位 处理 清除表面杂物,并将衔接部位开挖成台 阶状,分层填筑 观察 全面 现场巡视
4 铺料厚度 15〜20 cm 量测 每层至少

检测1处
平行检验 施工单位 自检数量

的10%

表12.2-19中C.0.2指《水利水电工程单元工程施工质量验收标准第4部分堤 防与河道整治工程》SL/T 631.4—2025中C.0.2 土料检验项目、检验频次和质量标准见 表 C.0.2-1,表 C.0.2-2o

6现浇混凝土护坡单元工程施工质量验收标准见表12.2-20。岸坡防护工程由垫 层和护坡构成。平顺岸坡防护工程宜按轴线施工段长60〜100 m划分为一个单元工程 现浇混凝土岸坡防护工程宜按轴线施工段长30〜50 m划分为一个单元工程丁坝、垛 的岸坡防护工程宜按每个坝、垛划分为一个单元工程。

表12.2-20现浇混凝土护坡单元工程施工质量验收标准

项次 检验项目 质量要求 施工单位自检 监理单位检验
检验方法 检验数量 检验(工

作)方式
检验数量
主控项目 1 拌合物

质量
符合设计及《水利水电工程单元工 程施工质量验收标准第2部分混 凝土工程》SL/T 631.2—2025规定 观察,查阅

质量证明文件 和检验报告
全部 平行检验 全部
2 护坡厚度 允许偏差为-1〜2 cm 量测 按作业面积每5◦〜

100 m2检测1处
平行检验 施工单位 自检数量

的10%
3 排水孔

反滤
符合设计要求 观察 全部 现场巡视
4 坡度 不陡于设计坡度 量测 护坡长度方向

每10 m检测1处
见证检验 施工单位 自检数量 的20%
I般项目 1 坡面

平整度
允许偏差为1 cm/2 m 量测 每 50〜100 m2 检测1处 平行检验 施工单位 自检数量

的10%
2 高程 顶高程不低于设计值,底高程不高 于设计值 量测 护坡长度方向

每10 m检测1处
见证检验 施工单位 自检数量 的20%
3 排水孔

设置
连续贯通,孔径符合设计要求,孔 距最大允许偏差为±5%设计值, 出口端高程低于进口端 量测 每10孔检测1孔 平行检验 施工单位

自检数量

的10%
4 变形缝结构 与填充质量 变形缝顺直、贯通,宽度满足设计 要求,填充完整 观察 全部 现场巡视

续表

项次 检验项目 质量要求 施工单位自检 监理单位检验
检验方法 检验数量 检验(工

作)方式
检验数量
1般项目 5 振捣质量 拌合物和易性、黏聚性良好,振捣 有序,无漏振、无过振、无集料分 离等现象 观察 全部 旁站 全部
6 养护措施 初凝后及时覆盖,保湿保温措施到 位,表面无风干现象 观察 全面 现场巡视
  1. 原材料中间产品检验项目、检验频次和质量标准

自标准SL/T 631.N摘录部分原材料中间产品检验项目、检验频次和质量标准如下。 (1 ) 土石方填筑原材料检验项目、检验频次和质量标准见表12.2-21。

表12.2-21 土石方填筑原材料检验项目、检验频次和质量标准

检验类别 检验项目 检验频次 质量标准
首次进场 检验 土粒比重、天然含水率、天然密度、颗粒分析、 液限、塑限、水溶盐含量\有机质含量b、黏 土压缩性\最大干密度、最优含水率 同一料源检测不少于1次防渗土料同 一料源检测不少于2次 符合设计

及规范要求
批次检验 黏粒含量、塑性指数、渗透系数0 同一料源每5000-10000 m3为一批检 测1次

注:设计有明确要求时,执行设计要求。

a易溶盐、中溶盐按质量计。

b按质量计。

c有必要时进行。

d防渗土要在击实后进行试验。

(2 )水泥原材料检验项目、检验频次和质量标准见表12.2-22o

表12.2-22水泥原材料检验项目、检验频次和质量标准

检验类别 检验项目 检验频次 质量标准
首次检验 密度、细度(或比表面积)、凝结时间、安 定性、胶砂强度、烧失量、不溶物、氧化 镁含量、三氧化硫含量;有要求时进行水 泥中水溶性铬、碱含量和氯离子含堡检验 同厂家、同规格等级首次进场或连续使用 6个月时检验1次 符合设计

及规范要求
批次检验 细度(或比表面积)、凝结时间、安定性、 胶砂强度。使用碱活性集料时,应进行碱 含量检验 同厂家、同品种、同强度等级且连续进场 的水泥散装不超过500t、袋装不超过 200 t检测一次不足上述数量时也应检测 1次。使用碱活性集料时每3个月进行1 次碱含量检验

1.设计有明确要求或采用中热、低热、低碱、抗硫等特殊要求的水泥时,按照设计及相关标准要求在

首次检验、批次检验中增加相应检验项目。

2.每批水泥进场时的厂家质fi证明文件和检验报告齐全完整。

(3 )钢筋原材料检验项目、检验频次和质量标准见表12.2-23。

表12.2-23钢筋原材料检验项目、检验频次和质量标准

检验类别 检验项目 检验频次 质量标准
首次检验 尺寸、外形、长度及允许偏差、截面(表面) 形状及尺寸允许偏差、弯曲度及端部、重量及 允许偏差、主要化学成分、下屈服强度、抗拉 强度、断后伸长率、最大力总延伸率、弯曲等 每一厂家、每一规格产品每批进场核查 供应商提供的质量证明文件及检验报告 符合设计

及规范要求
批次检验 外观质量、尺寸、外形、重量及允许偏差、下 屈服强度、抗拉强度、断后伸长率、最大力总 延伸率、弯曲等 同厂家、同品种、同一牌号、规格、同 一炉罐号到货每60 t检测1次不足 601也应检测1次

注:设计有明确要求时,在首次进场检验、批次检验中增减相应检验项目。

4 混凝土拌合物检验项目、检验频次及质量标准见表12.2-24。

表12.2-24混凝土拌合物检验项自、检验频次及质量标准

检验项目 质量要求 检验频次
胶凝材料、外加剂、

粗细集料等原材料质量
符合设计及配合比要求质量应符合C.0.1条、C.0.2条相关 要求 全部
施工配合比 对细集料含水率、集料超逊径等指标进行检验,并出具施工配 合比配料单 开仓前不少次,出 具的施工配合比配料单 经监理工程!签字认可
原材料称重偏差 胶凝材料、水、外加剂允许偏差为1%,集料允许偏差为2%, 实测允许偏差合格率80%且偏差极值不应超过允许偏差值 1.5倍 每班2次
工作度 以配合比设计值为基准,允许偏差以施工规范为准,合格率 不小于80%最大偏差值不应超过允许偏差值1.5倍 每4h检测1次
含气量 以配合比设计值为基准最大允许偏差为±1%,合格率不小 于80%最大偏差值不应超过允许偏差值1.5倍 每4h检测1次
拌和时间 符合规范要求或工艺试验参数要求 每4 h检查1次

1."工作度”检验项目普通混凝土及面板混凝土时检验班落度或扩展度碾压混凝土时检验KC 值自密实混凝土时检验斟落扩展度、V形漏斗通过时间、性能稳定性、间隙通过性等水下不分 散混凝土时,检验流动性、抗分散性等性能;砂浆时,检验稠度、泌水率等。

2.商品混凝土进场后,现场应检验混凝土班落度或扩展度、含气量及温度等。

表12.2-24中C.0.1和C.0.2指《水利水电工程单元工程施工质量验收标准 第2部分: 混凝土工程》SL/T 631.2—2025中C.0.1水泥、掺合料、外加剂、止水片(带)、钢 筋、钢筋连接接头等原材料检验项目、检验频次和质量标准见表C.0.1-1〜表C.0.1-6o

C.0.2普通混凝土中间产品检验项目、检验频次和质量标准见表C.0.2-1 — 表 C.0.2—3。

  1. 主要施工质量检验(验收)表

1施工质量表的制定

根据《水利水电工程单元工程施工质量验收评定表及填表说明》水建管函2016 478号为便于工程建设中的使用颁布总计539个表格其中土石方工程51个混 凝土工程68个地基处理与基础工程52个堤防工程38个水工金属结构安装工程

50个水轮发电机组安装工程83个水力机械辅助设备系统安装工程45个发电电 气设备安装工程106个升压变电电气设备安装工程46个。

对于技术进步、设备更新、工艺流程改造等原因,使得部分水轮发电机、水力机 械辅助设备、发电电气设备、升压变电电气设备安装工程尚无统一的质量评定标准和表 时,可以按新技术、新工艺的技术规范、设计要求和设备生产厂商的技术说明书,增补 制定施工、安装的质量评定标准并按照标准SL/T 233以及标准SL/T 631.N的统一格 式(表头、表尾、表身)制定相应施工质量检验与验收表。有关质量检验与验收标准和 表,须经过省级以上水利工程行政主管部门或其委托的水利工程质量监督机构批准。

2 )施工单位使用的检验表(格式)

  1. 划分工序单元工程其工序施工质量检验采用表12.2-25。
  2. 不划分工序的单元工程施工质量检验采用表12.2-26。

2026一建《水利》电子教材(可搜索)

表12.2-25 工序施工质量检验表(划分工序)

单元工程编号: 共页第页

主控项目 I般项目 主控项目 般项目

续表

检测报告 份,记录编号: 影像记录 份,记录编号: 主要测量成果 份,记录编号:

主要质量证明文件 份,记录编号:

备查资料

隐蔽工程记录 份,记录编号:

其他记录 "份,记录编号:

表12.2-26单元工程施工质量检验表不划分工序

单元工程编号: 共页第页

主控项目 |般项目 主控项目 I般项目

施工单位 检验意见

本单元工程主控项目质量全部符合要求,一般项目单项检验点合格率最小为 不合格点不集中分布,单元工程质量合格,具备验收条件。

质量责任人(签字):

现场管理机构(盖章

%,且

备查资料

检测报告 份,记录编号: 影像记录 份,记录编号: 主要测量成果" 份,记录编号:

主要质量证明文件 份,记录编号:

隐蔽工程记录 份,记录编号: 其他记录 份,记录编号:

单位工程名称 施工曰期 年 月曰一年 月曰
分部工程名称 施工单位
单元工程名称/部位 单元工程量

类别项次

检验项目

质量要求

检查记录

检查结论

3 )监理单位使用的验收表(格式)

  1. 划分工序单元工程其工序、单元工程施工质量验收采用表12.2-27和表12.2-28。
  2. 不划分工序的单元工程施工质量验收采用表12.2-29。

表12.2-27 工序施工质量验收表(划分工序)

单元工程编号: 共页第页

主控项目

I般项目

主控项目

I般项目

监理单位

验收意见

本工序主控项目全部/部分符合要求,一般项目单项检验点合格率最小为 %,且不 合格点不集中/集中分布,工序质靈合格/不合格,同意/不同意通过验收。_

监理工程师(签字)

现场监理机构(盖章)

年 月 曰

施工单位

质量贵任人(签字):

现场管理机构(盖章):

备查资料

平行检验报告 份,记录编号:

影像记录 份,记录编号:

监理旁站、巡视、检验记录等 份,记录编号:

质fl:问题的处理及相关记录,可另附页。

单位工程名称 施工曰期 年 月 日一年 月曰
分部工程名称 施工单位
单元工程名称 单元工程部位
类别项次 检验项目 质量要求 检验记录 检验结论 问题及处理意见

1

表12.2-28单元工程施工质量验收表划分工序

单元工程编号: 共页第页

单位工程名称 施工曰期 年 月曰一年
分部工程名称 施工单位
单元工程名称/部位 单元工程量
项次 工序名称 监理单位验收结论
1
2
3
本单元工程共 个工序, 个合格, 个不合格。单元工程质量合格/不合
监理单位

验收意见
格,同意/不同意通过验收。 监理工程师(签字):

现场监理机构(盖章):

施工单位 质量贵任人(签字):

现场管理机构(盖章):

注:质量问题的处理及相关记录,可另附页。

表12.2-29单元工程施工质量验收表不划分工序

2026一建《水利》电子教材(可搜索)共页第页

单元工程编号:

续表

监理单位

验收意见

施工单位

备查资料









求 要

量 质一










见 意 理 处 及 题 问
主控项目 3
I般项目
F1

本单元工程主控项自全部/部分符合要求,一般项目单项检验点合格率最小为 %, 且不合格点不集中/集中分布,单元工程质量合格/不合格,同意/不同意通过验收。

监理工程师(签字):

现场监理机构(盖章):

年 月 曰

质量责任人(签字):

现场管理机构(盖章):

年 月 日

平行检验报告 份,记录编号:

影像记录 份,记录编号:

监理旁站、巡视、检验记录等 份,记录编号:

质ffl问题的处理及相关记录可另附页。

4 )重要隐蔽(关键部位)单元工程施工质量验收签证表(格式)

重要隐蔽单元工程与关键部位单元工程施工质量验收除填写表12.2-25〜表12.2-29 外还应填写表12.2-30进行验收签证。重要隐蔽单元工程验收应有地质工程师参加 验收。

表12.2-30重要隐蔽关键部位单元工程施工质量验收签证表

单位工程名称 施工曰期 年 月曰一年 月 日
分部工程名称 施工单位
单元工程名称/部位 单元工程编码
施工单位 检验意见 质量责任人(签字盖章):

年 月 曰
勘察

单位意见
地质工程师(签字,盖章):

年 月 曰

续表

设计

单位意见
设计工程师(签字,盖章)

年 月 曰
监理单位 验收意见 监理工程师(签字,盖章)

年 月 曰
保留意见 签字

年 月 曰
验收结论 建设单位:(签字、盖章)

年 月 曰
单位名称 职务、职称 签名
建设单位
设计单位
勘察单位
监理单位
施工单位

注:联合小组成员单位由建设单位确定。

5 )施工质量检验表与验收表的填写

根据《水利水电工程单元工程施工质量验收评定表及填表说明》水建管函2016 478号以及标准SL/T 233、标准SL/T 631.N,《水利水电工程单元工程施工质量检验 表》与《水利水电工程单元工程施工质量验收表》(以下简称《检验与验收表》)是施 工质量及工程验收的基础资料,是施工质量控制过程的真实反映,也是进行工程维修和 事故处理的重要凭证。工程竣工验收后,《检验与验收表》作为档案资料长期保存。填 表注意以下事项:

  1. 《检验与验收表》应在熟练掌握SL/T 631.N和有关工程施工规程规范及相关规 定的基础上进行。
  2. 单元(工序)工程完工后,在规定时间内按现场检验结果及时、客观、真实地 填写《检验与验收表》。
  3. 《检验与验收表》中的检查(检测)记录可以使用黑色水笔手写,字迹应清晰工 整;也可以使用激光打印机打印,输入内容的字体应与表格固有字体不同,以示区别, 字号相同或相近,匀称为宜。质量意见、质量结论及签字部分(包括日期)不可打印。 施工单位的三检资料和监理单位的现场检测资料应使用黑色水笔手写,字迹清断工整。
  4. 应使用国家正式公布的简化汉字,不得使用繁体字。应横排填写具体肉容,可以根据版面的实际需要进行适当处理。
  5. 计算数值应符合《数值修约规则与极限数值的表示和判定》GB/T 8170—2008 要求。数据使用阿拉伯数字,使用法定计量单位及其符号。数据与数据之间用(,)隔 开,小数点要用圆点(.。经计算得出的合格率用百分数表示小数点后保留1位如 果为整数则小数点后以0表示。日期用数字表达年份不得简写。
  6. 修改错误时使用杠改,再在右上方填写正确的文字或数字;不应涂抹或使用修 正液、橡皮擦、刀片刮等不标准方法。
  7. 表头空格线上填写工程项目名称,如“小浪底水利枢纽工程”。表格内的单位工 程、分部工程、单元工程名称,按项目划分确定的名称填写。单元工程部位可用桩号 (长度)、高程(高度)、到轴线或中心线的距离(宽度)表示,使该单元从三维空间 上受控,必要时附图示意。“施工单位”栏应填写与项目法人签订承包合同的施工单位 全称。
  8. 有电子档案管理要求的,可根据工程需要对单位工程、分部工程、单元工程及 工序进行统一编号。否则,“工序编号"栏可以不填写。
  9. 当遇有选择项目(项次)时,如钢筋的连接方式、预埋件的结构形式等不发生 的项目(项次),在检查记录栏划“广。
  10. 凡检验项目的“质量要求”栏中为“符合设计要求"者,应填写设计要求的具 体设计指标,检查项目应注明设计要求的具体内容,如内容较多可简要说明;凡检验项 目的“质量要求”栏中为“符合规范要求”者,应填写出所执行的规范名称和编号、条 款。“质量要求”栏中的“设计要求”,包括设计单位的设计文件,也包括经监理批准 的施工方案、设备技术文件等有关要求。

⑪检验(检查、检测)记录应真实、准确,检测结果中的数据为终检数据,并在 施工单位自评意见栏中有终检负责人签字。检测结果可以是实测值,也可以是偏差值, 填写偏差值时必须附实测记录。

⑫所有签字人员必须由本人签字,不得由他人代签,同时填写签字的实际日期。

⑬单元、工序中涉及的备查资料表格如标准SL223/T、标准SL/T 631.N或施工 规范有具体格式要求的,则按有关要求执行。否则,由项目法人组织监理、设计及施工 单位根据设计要求,制定相应的备查资料表格。

  1. 能源领域行业的要求

《水电水利基本建设工程单元工程质量等级评定标准》为系列标准编号为DL/T

5113.N—X XXX,或 NB/T 35097.N—X XXX,其中N 表示第几部分XXXX 表示发布年包括以下15个部分:

土建工程 DL/T 5113.1—2019

I 第1部分 2第2部分 3 第3部分 4 第4部分 5 第5部分 6 第6部分 7 第7部分

金属结构及启闭机安装工程NB/T 35097.2—2017 水轮发电机组安装工程DL/T 5113.3—2012 水力机械辅助设备安装工程DL/T 5113.4—2012 发电电气设备安装工程DL/T 5113.5—2012 升压变电电气设备安装工程DL/T5113.6—2012 碾压式土石坝工程DL/T 5113.7—2015

  1. 第8部分水工碾压混凝土工程DL/T 5113.8—2012
  2. 第9部分土工合成材料应用工程DL/T 5113.9—2017
  3. 第10部分沥青混凝土工程DL/T 5113.10—2024

灯泡贯流式水轮发电机组安装工程DL/T 5113.11—2005

  1. 第11部分
  2. 第12部分
  3. 第13部分
  4. 第14部分
  5. 第15部分

采暖通风和空气调节设备安装工程

浆砌石坝工程DL/T 5113.13—2019

混凝土面板堆石坝工程DL/T 5113.14—2018

安全监测工程DL/T 5113.15—2023

13章 施工成本管理

2026一建《水利》电子教材(可搜索)13.1水利水电工程概预算

第13章

看本章精讲课 做本章自测题

13.1.1水利工程定额

  1. 造价管理

水利工程造价,是指水利工程建设项目从项目建议书到竣工验收阶段发

生的全部建设费用。全部或者部分使用国有资金投资或者国家融资的水利工程造价管理

活动,应当遵守《水利工程造价管理规定》(水建设2023156号)。

  1. 水利工程造价计价依据,是指编制各阶段水利工程造价文件所依据的编制规 定、定额、价格信息以及其他相关计价文件和标准。
  2. 水利部负责制定水利工程行业造价编制规定。省级人民政府水行政主管部门 依据水利工程行业造价编制规定,可以结合实际情况制定水利工程地方造价编制规定, 并报水利部备案。
  3. 水利部负责制定水利工程行业定额。流域管理机构和省级人民政府水行政主 管部门可以结合实际组织制定补充定额,并报水利部备案。
  4. 水利工程施工企业应当逐步建立企业成本数据库,编制能反映自身技术及管 理水平的企业定额,用于企业投标报价和成本管理等。
  5. 为进一步加强水利工程造价管理,完善定额体系,合理确定和有效控制工程 投资,提高投资效益,支撑水利高质量发展,水利部发布了《水利工程设计概(估) 算编制规定》(水总2024323号),该规定与同期发布的水利工程系列定额配套 使用。
  6. 造价构成

根据《水利工程设计概(估)算编制规定》(水总2024323号),水利工程工程 部分概算的费用由工程费、独立费用、预备费、建设期融资利息组成。工程费由建筑安 装工程费和设备费组成。建筑安装工程费是建筑工程费和安装工程费的统称,包括工程 各部分概算属于建筑工程、安装工程性质的全部费用,其中建筑工程费是永久和临时建 筑物的建造费用,安装工程费是设备、装置性材料等安装过程中发生的费用。按费用构 成要素,建筑安装工程费划分为直接费、间接费、利润和税金。

1 )直接费

直接费指建筑安装工程施工过程中消耗的用于工程实体的直接费用,以及为完成 工程项目施工发生的措施费用和设施费用。直接费包括基本直接费、其他直接费。

基本直接费包括人工费、材料费、施工机械使用费。

其他直接费包括冬雨期施工增加费、夜间施工增加费、特殊地区施工增加费、临 时设施费和其他。

(1 )人工费

指直接从事建筑安装工程施工的生产工人开支的工资性费用,内容包括基本工资 和辅助工资。基本工资由岗位工资和年应工作天数内非作业天数的工资组成。辅助工资

指在基本工资之外,以其他形式支付给生产工人的工资性收人,包括根据国家有关规定 属于工资性质的各种津贴,如艰苦边远地区津贴、施工津贴、夜餐津贴、节假曰加班津 贴等。

(2 )材料费

指用于建筑安装工程项目上的消耗性材料、装置性材料和周转性材料摊纟肖费,包 括定额工作内容规定应计人的计价材料费和未计价材料费。《水利工程设计概(估)算 编制规定》(水总2024323号)将超出限制价格的计价材料费划分为材料基价(费) 和材料补差(费)两部分费用。

(3 )施工机械使用费

指消耗在建筑安装工程项目上的机械磨损、维修和动力燃料费用等,包括折旧费、 修理及替换设备费、安装装卸费、机上人工费和动力燃料费等。

(4 )冬雨期施工增加费

指在冬雨期施工期间为保证工程质量所需增加的费用,包括增加施工工序,增设 防雨、保温、排水等设施增耗的动力、燃料、材料,以及因人工、机械效率降而增加 的费用。

(5 )夜间施工增加费

指施工场地和公用施工道路的照明费用。照明线路工程费用包括在“临时设施费” 中;施工附属企业系统,加工厂、车间的照明,列人相应的产品中,均不包括在本项费 用之内。

(6 )特殊地区施工增加费

指在高海拔、原始森林、沙漠等特殊地区施工而增加的费用。

(7 )临时设施费

指建筑安装工程施工必需的但又未被计人施工临时工程的小型临时建筑物、构筑 物、临时设施的建设、维修、拆除、摊销等费用。如:供风、供水(支线)、场內供电、 照明、供热系统、制冷系统设施及通信支线,土石料场场区施工道路设施(不含计人施 工专项工程的防护工程),简易砂石料加工系统设施,小型混凝土拌和浇筑系统设施, 木工、钢筋、机修等辅助加工厂,混凝土预制构件厂,场内施工排水与降水,施工场地 平整,施工道路等临时工程维护及其他小型临时设施。

(8 )其他

包括施工工具用具使用费、工程项目及设备仪表移交生产前的维护费、工程定位 复测及施工控制网测设费、工程点交费、竣工场地清理费、超前地质预报措施费、工 程质量检测费等。其中工程质量检测费包括施工企业自检费、跟踪检测费、验收检 测费。

2)间接费

间接费指施工企业为完成建筑安装工程施工而组织施工生产和经营管理所发生的 各项费用。间接费包括规费和企业管理费。

(1 )规费

规费指政府和有关部门规定必须缴纳的费用,包括社会保险费(基本养老保险费、 失业保险费、基本医疗保险费、工伤保险费、生育保险费)和住房公积金。

2企业管理费

包括管理人员工资、差旅交通费、办公费、固定资产使用费、工具用具使用费、 职工福利费、劳动保护费、工会经费、职工教育经费、保险费、财务费用、税金(房产 税、车船税、印花税、消费税、城市维护建设税、教育费附加、地方教育附加)等。

  1. 造价分析

1基础单价

基础单价是计算工程单价的基础,包括人工预算单价,主要材料预算价格,施工 机械使用费,混凝土材料单价,施工用电、水、风预算价格。

1 )人工预算单价

根据工程性质的不同,人工预算单价有枢纽工程、引水及河道工程三种计算方法 和标准。每种计算方法将人工均划分为工长、高级工、中级工、初级工4个档次。人 工预算单价不同类别地区的标准不同,包括一般地区、一类区、二类区、三类区、四 类区、五类区(西藏二类区)、六类区(西藏三类区)、西藏四类区。人工预算单价以 元/工时为单位一般地区人工预算单价计算标准见表13.1-1。

表13.1-1 —般地区人工预算单价计算标准 (单位:元/工时)

等级 枢纽工程 引水工程 河道工程
工长 35.97 30.62 30.05
高级工 16.89 14.98 13.84
中级工 12.70 11.74 11.17
初级工 11.54 10.97 10.40

表13.1-1中人工预算单价与概算定额配套使用用于编制设计概算。建设实施阶 段,施工企业应当根据劳务工资有关规定,结合企业管理水平和市场情况,自行确定工 人实际工资标准和投标人工单价。

2主要材料预算价格

主要材料指占工程投资比例大的材料,一般包括柴油,汽油,水泥,钢筋,炸药, 木材,粉煤灰,外购的砂、碎石、卵石等砂石料,外购的块石、料石等石料,安装工程 的电缆、母线、轨道、钢板、输水管道等未计价装置性材料。

主要材料预算价格计算公式为:

材料预算价格=(材料原价+运杂费X丨+采购及保管费率)+运输保险费 构成主要材料预算价格的材料原价和费用均不含增值税进项税额。

  1. 材料原价

指材料指定交货地点的价格,采用主管部门发布或者价格信息发布的工程所在地 材料价格。没有发布价时,结合设计要求,通过市场调查、询价或者分析论证同类工程 合同价确定价格采用不少于3个价格来源的平均值作为材料原价。

  1. 运杂费

指材料从指定交货地点至工地分仓库或相当于工地分仓库(材料堆放场)所发生 的全部费用。铁路按铁路行业货物运价规则计算,公路、水路运输按工程所在省、自治

区、直辖市交通运输部门规定的标准或市场调查标准计算。

  1. 运输保险费

按工程所在省、自治区、直辖市或中国人民保险公司的有关规定计算。

  1. 采购及保管费

以材料原价和运杂费之和为计算基数各材料的采购及保管费费率见表13.1-2。

表13.1-2采购及保管费费率

序号 材料名称 费率(%)
1 水泥、粉煤灰 3
2 钢筋 2
3 其他材料 2.5

主要材料预算价格超过表13.1-3规定的限制价格材料基价应当揆基价计 人基本直接费并计取费用预算价与基价的差值计人材料补差材料补差列人工1程单价 税金之前仅计取税金。如主要材料预算价格低于基价时,按预算价参与计算。计算施 工用电、水、风价格时,油料按预算价参与计算。材料增值税税率变化时,材·料基价 不变。

表13.1-3主要材料基价

序号 材料名称 单位 基价(元)
枢纽工程 引水工程、河道工1程
1 柴油 t 4000 2500
2 汽油 t 4000 4000
3 钢筋 t 2000 2000
4 水泥 t 300 225
5 炸药 t 6000 6000
6 工业电子雷管 3 3
7 外购砂石料 m[3] [4] 40 40
8 外购石料 m3 40 40

分别计算混凝土材料单价。混凝土配合比的各项材料用量应根据工程试验提供的资料计 算,若无试验资料时也可按有关定额规定计算。采用商品混凝土时,商品混凝土单价采 用不含增值税进项税额的价格其材料单价应按基价200元/m3计入工程单价取费预 算价格与基价的差额以材料补差形式进行计算,材料补差列在工程单价的税金之前,仅 计取税金。商品混凝土增值税税率变化时,基价不变。

5施工用电、水、风预算价格

施工用电、水、风的价格组成基本相同,由基本价、能量损耗摊销费、设施维修 摊销费组成。

2 取费标准

取费标准包括计算其他直接费、间接费需要确定的费率。施工企业在计算施工成 本时可参考《水利工程设计概算编制规定》水总2024323号有关规定。

3 单价分析

工程单价是指以价格形式表示的完成单位工程量如lm3、It、1套等所耗用的 全部费用,包括直接费、间接费、企业利润和税金等四部分内容,分为建筑和安装工程 单价两类,由“量、价、费”三要素组成。建筑工程单价以实物量形式表现,并计算材 料补差;安装工程单价以实物量或费率两种形式表现。

量:指完成单位工程量所需的人工、材料和施工机械台时数量。须根据设计图纸 及施工组织设计等资料,正确选用定额相应子目的规定量。

价:指人工预算单价、材料预算价格和施工机械台时费等基础单价。

费:指按规定计入工程单价的其他直接费、间接费、企业利润和税金。参照《水利 工程设计概算编制规定》水总2024323号的取费标准计算。

建筑工程单价计算一般采用表13.1-4的形式计算。

表13.1-4建筑工程单价分析表格式

1 直接费 1)+2)
1) 基本直接费 (1) + (2) + (3)
(1) 人工费 Σ定额人工工时数X人工预算单价
(2) 材料费 Σ定额材料用退X材料预算价格
(3) 机械使用费 Σ定额机械台时用量X机械台时费
2) 其他直接费 1 X其他直接费率
2 间接费 1X间接费率
3 利润 1+2 X利润率
4 材料补差 材料预算价格一材料基价X材料消耗迅
5 税金 (1 +2 + 3 + 4) X 税率
6 工程单价 1+2+3+4+5

间接费以直接费或人工费为计算基数按表13.1-5规定的费率计算。

表13.1-5间接费费率表

序号 工程类别 计算基础 间接费费率(%)
枢纽工程 引水工程 河道工程
建筑工程
1 土方工程 直接费 26 18 〜24 1O 〜12
2 石方工程 直接费 26 18〜24 10-12
3 砌筑工程 直接费 10 6〜8 5〜6
4 模板工程 直接费 16 10 〜14 7〜8
5 混凝土浇筑工程 直接费 26 18 〜24 1◦〜12
6 钢筋工程 直接费 4 4 4
7 砂石备料工程 直接费 6 6 6
8 钻孔灌浆工程 直接费 8 5〜6 4
9 锚固工程 直接费 14 1◦〜12 7〜8
10 疏浚工程 直接费 6 6 5〜6
11 掘进机施工隧洞工程 直接费 3 3 3
12 其他工程 直接费 12 10 〜12 4〜5
安装工程 人工费
1 设备安装工程 人工费 70 60 60
2 管道安装工程 人工费 70 60 60

利润按直接费和间接费之和的7%计算。

税金按照建筑、安装工程单价的税金计算公式计算。税率为建筑业增值税税率。 现行建筑业增值税税率为9%,税率变化时,应当根据国家财政税务部门发布的文件适 时调整。

  1. 水利工程施工定额分类

定额是指在一定的外部条件下,预先规定完成某项合格产品所需要素(人力、物 力、财力、时间等)的标准额度。它反映了一定时间的社会生产水平。

  1. 按应用范围划分
  2. 全国统一定额

全国统一定额指工程建设中,各行业、部门普遍使用,需要全国统一执行的定额。 如全国市政工程预算定额、送电线路工程预算定额、电气工程预算定额、通信设备安装 预算定额、通风及空调工程预算定额等。

(2 )水利行业定额

水利行业定额指水利工程建设使用的,经国家发展和改革委员会批准由水利部编 制颁发的定额。

(3 )水利地方定额

一般指省、自治区、直辖市根据地方工程特点编制的地方通用定额和地方专业定 额,在该地区执行。

(4 )企业定额

企业定额指建筑、安装企业在其生产经营过程中用自己积累的资料,结合本企业 情况自行编制的定额,供该企业内部管理和企业投标报价使用。

  1. 按用途划分
  2. 投资估算指标。投资估算指标主要用于项目建议书及可行性研究阶段技术经 济比较和预测(估算)造价,它的概略程度与可行性研究阶段的深度相一致。
  3. 概算定额。概算定额主要用于初步设计阶段预测工程造价。
  4. 预算定额。预算定额主要用于编制施工图预算时计算工程造价和计算工程中 劳动力、材料、机械台时需要的一种定额,也是招标阶段编制标底、报价的依据。
  5. 施工定额。施工定额是施工企业组织生产和管理在企业内部使用的一种定额, 属于企业生产定额性质,是企业编制投标报价和成本管理的重要依据。
  6. 按费用性质划分

(1 )直接费定额。直接费定额指直接用于施工生产的人工、材料、成品、半成品、 机械消耗的定额。如水利水电建筑工程预算定额、水利水电设备安装工程预算定额等。

  1. 间接费定额。间接费定额指施工企业经营管理所需费用定额。
  2. 其他基本建设费用定额。其他基本建设费用定额指不属于建筑安装工作量的 独立费用定额,如勘测设计费定额等。
  3. 按定额的内容划分
  4. 劳动定额。劳动定额是指具有某种专长和规定的技术水平的工人,在一定的 施工组织条件下,在单位时间内应当完成合格产品的数量或完成单位合格产品所需的劳 动时间。
  5. 材料消耗定额。材料消耗定额指完成合格的单位产品所需材料、成品、半成 品的合理数量。
  6. 机械作业定额。机械作业定额指某种机械在一定的施工组织条件下,在单位 时间内应当完成合格产品的数量,称机械产量定额,或完成单位合格产品所需时间,称 机械时间定额。
  7. 综合定额。综合定额指在一定的施工组织条件下,完成单位合格产品所需人 工、材料、机械台时数量。
  8. 机械台时定额。机械台时定额指施工过程中使用施工机械一个台时所需机上 人工、动力、燃料、折旧、修理、替换配件、安装拆卸以及牌照税、车船使用税、养路 费的定额。
  9. 费用定额。费用定额指除以上定额以外的其他直接费定额、间接费定额、其 他费用定额等。
  10. 工程定额的内容和作用
  11. 施工定额

施工定额有人工定额、材料定额、机械使用定额三种。

施工定额基本上是按工制定的定额。以混凝土工程为例,现行水利水电建设工程 施工定额分模板工程、混凝土工程两册。模板工程又按木材加工、模板制作、安装、拆

除、运输等工序分别设节。混凝土工程又按配运集料、水泥运输、凿毛、清仓、混凝土 拌和、运输、浇筑、养护等工序分别设节。

施工定额是施工企业管理工作的基础,主要用于施工企业内部经济核算,编制施 工预算、施工作业计划,是实行内部经济核算(或承包)的依据。施工定额也是编制预 算定额和编制补充单价表的基础。

2 预算定额

预算定额将完成单位分部分项工程项目所需的各个工序综合在一起,以前述混凝 土工程为例将完成100m3混凝土浇筑所需的混凝土配料、拌和、运输、浇筑、养护等 综合在一起,按其部位、结构类型分别设节,如板、墙、墩、梁等。模板制作、安装、 拆卸、运输另有定额。

预算定额是编制预算的依据,是编制标底、报价的参考定额,也是编制概算定额 的基础。

3 概算定额

概算定额是在预算定额的基础上进一步综合而成的。以水闸混凝土工程为例,概 算定额将预算定额中的导水墙、阻滑板、溢流堰、护坦、闸墩、胸墙、工作桥等定额综 合在一起,以适应概算编制的需要。概算定额是编制初设概算和修改概算的依据,是 编制估算指标的基础,它也是施工组织设计确定劳动力、材料、施工机械用量的依据 之一ο

  1. 使用定额应注意的问题

1 )专业专用

水利水电工程除水工建筑物和水利水电设备安装外,一般还有房屋建筑、公路、 铁路、输电线路、通信线路等永久性设施。水工建筑物和水利水电设备安装应采用水 利、电力主管部门颁发的定额。其他永久性工程应分别采用所属主管部门颁发的定额, 如铁路工程应采用国家铁路局颁发的铁路工程定额,公路工程应采用交通运输部颁发的 公路工程定额。

2 工程定额与费用定额配套使用

在计算各类永久性设施工程投资时,采用的工程定额应执行专业专用的原则,其 费用定额也应遵照专业专用的原则,与工程定额相配套。如采用公路工程定额计算永久 性公路投资时,应相应采用交通行业颁发的费用定额。

3 定额的种类应与设计阶段相适应

可行性研究阶段编制投资估算应采用估算指标;初设阶段编制概算应采用概算定 额;施工图设计阶段编制施工图预算应采用预算定额。如因本阶段定额缺项,需采用下 一阶段定额时,应按规定乘阶段系数。

  1. 《水利建筑工程预算定额》2024年版使用

《水利建筑工程预算定额》2024年版是投标人编制投标报价、成本控带I广泛采 用的依据之一,分为土方开挖工程、石方开挖工程、土石填筑工程、混凝土工程、模板 工程、砂石备料工程、钻孔灌浆及锚固工程、掘进机施工隧洞工程、疏浚工程、其他工 程,共十章及附录。

1 )定额使用总体要求

  1. 定额“工作内容”仅扼要说明各章节的主要施工过程及工序。次要的施工过 程及工序和必要的辅助工作所需要的人工、材料、机械已包括在定额内。
  2. 除石方超挖、水泥超灌等定额外,定额以工程设计几何轮廓尺寸计算的工程 量为计量单位。不构成实体的各种施工操作损耗已计人定额,但超挖及超填量、施工附 加量等未人定额。
  3. 定额中人工是指完成该定额子目工作内容所需的人工耗用量,包括基本用工 和辅助用工,并按其所需技术等级,分别列出工长、高级工、中级工、初级工的工时及 其合计数。
  4. 材料定额中的材料包括主要材料、其他材料和零星材料。主要材料以材料名称 列示;零星材料、其他材料均未列示,其费用分别包含在其他材料费、零星材料费中。
  5. 材料定额中,凡一种材料名称之后,同时并列了几种不同型号、规格的,表 示这种材料只能选用其中一种型号、规格材料;凡一种材料分几种型号、规格与材料名 称同时并列的,则表示这些名称相同、规格不同的材料都应同时计价。机械定额相似情 况以此类推(如运输定额中的自卸汽车)。
  6. 其他材料费和零星材料费是指完成一个定额子目的工作内容,所必需的未列 量材料费。如工作面内的脚手架、简易操作平台等的摊销费,地下工程的照明费、石方 开挖工程中的空心钢及其他用量较少的材料。
  7. 材料从分仓库或相当于分仓库材料堆放地至工作面的场内运输所需的人工、机 械及费用,已包括在各定额子目中。
  8. 机械台时定额(含其他机械费)是指完成一个定额子目工作内容所需的主要 机械和次要辅助机械使用费。其他直接费是指完成一个定额子目工作内容所必需的次 要机械使用费。如混凝土浇筑现场运输中次要机械、疏浚工程中的油驳等辅助生产船 舶等。
  9. 其他材料费、零星材料费、其他机械费,均以费率()形式表示。
  10. 挖掘机定额均按液压挖掘机拟定。
  11. 土方工程定额使用要求

土方工程定额适用于水利建筑工程的土方工程,包括土方开挖、运输、压实等定 额。土方工程定额应用应注意下述规定:

  1. 土方定额的计量单位,除注明外,均按自然方计算。自然方指未经扰动的自 然状态的土方。松方指自然方经人工或机械开挖而松动过的土方。实方指填筑(回填) 并经过压实后的成品方。
  2. 土方工程定额,除定额规定的工作内容外,还包括挖小排水沟、修坡、清除 场地草皮杂物、交通指挥及取土场和卸土场的小路修筑与维护工作。
  3. 挖掘机、装载机挖装土自卸汽车或机动翻斗车运输定额系按挖装自然方、ΙΠ 类土拟定。

(4 )推土机的推土距离和铲运机的铲运距离是指取土中心至卸土中心的平均距离。

  1. 混凝土工程定额使用要求

混凝土定额包括常态混凝土、碾压混凝土、堆石混凝土、沥青混凝土等定额。混凝土定额的计量单位除注明外,均为建筑物或构筑物的成品实体方。使用混凝土工程定 额应注意下述规定:

1 )预制混凝土定额中的模板材料为单位混凝土成品方的摊销量,已考虑了周转 和回收。

2 钢筋制作安装定额,不分部位、规格型号综合计算。定额中的钢筋?肖耗量含 施工操作损耗,不含施工需要的搭接、架立筋等施工附加量。

3 混凝土浇筑的仓面清洗及养护用水,已分别计人浇筑定额的用水量中。

4 材料定额中的“混凝土” 一项,指完成单位产品所需的混凝土半成品量,其 中包括干缩、运输、浇筑等损耗。

5 混凝土拌制定额的计量单位为半成品方,不包括干缩、运输、浇筑等损耗所 消耗的人工、材料、机械的数量和费用。“集料系统”指自混凝土生产系统集料堆场至 混凝土搅拌楼(站)的给料及输送设备。“水泥系统”指自水泥、掺合料罐至ΐ昆凝土搅 拌楼(站)的提升、输送、除尘设备。搅拌机、搅拌站、搅拌楼等的清洗用水已计人拌 制定额的零星材料费中。混凝土拌制定额按常态混凝土拟定。

6 混凝土运输是指混凝土自搅拌楼或搅拌机出料口至仓面的全音13水平运 输和垂直运输。运输方式与运输机械由施工组织设计确定。混凝土运输定额均以半成品 方为单位计算,不包括干缩、运输、浇筑等损耗所消耗的人工、材料、机械的数量和 费用。

13.1.2水力发电工程定额

水电工程概算编制方面的依据是水电水利规划设计总院(可再生能源定额站)联合 颁发的《水电工程设计概算编制规定》ΝΒ/Τ 11408-2023和《水电工程费用构成及概 (估)算费用标准》ΝΒ/Τ 11409—2023ο配套定额是《水电建筑工程概算定额》2024年 版、《水电设备安装工程概算定额》2024年版、《水电工程施工机械台时费定额》 2024 年版)。

  1. 项目划分

水电工程设计概算项目划分为枢纽工程、建设征地移民安置补偿两部分。

枢纽工程包括施工辅助工程、建筑工程、环境保护和水土保持专项工程、机电设 备及安装工程、金属结构设备及安装工程、独立费用六项。

建设征地和移民安置包括农村部分、城镇部分、专业项目部分、独立行政机关和 企事业单位、水库库底清理、独立费用六项。

  1. 总概算构成

水电工程总概算由枢纽工程概算、建设征地移民安置补偿费用概算、价差预备费 和建设期利息四部分组成。

枢纽工程费用由建筑及安装工程费、设备费、独立费用、增值税、基本预备费构成。

1建筑及安装工程费

1直接费

指施工过程中耗费的构成工程实体或独立计价措施项目的费用,以及按综合计费 形式表现的措施费用。由基本直接费和其他直接费组成。基本直接费包括人工费、材料 费和施工机械使用费。

  1. 间接费

指建筑、安装工程施工过程中构成建筑产品成本,但又无法直接计量的消耗在工 程项目上的有关费用。由企业管理费和财务费用组成。

(3 )利润

指按水电工程建设市场情况应计人建筑及安装工程费用中的利润。

  1. 增值税

指应计人建设项目总投资内的增值税额。

  1. 设备费

设备费由设备原价、运杂综合费组成。运杂综合费由运杂费、运输保险费、特大 (重)件运输增加费、采购及保管费组成。

  1. 费用标准

1 )人工预算单价

水电工程定额人工等级划分为高级熟练工、熟练工、半熟练工、普工四个等级。 所在地区不同标准不同。一般地区人工预算单价分别为31.64元/工时、25.07元/ 工时、20.98元/工时、18.37元/工时。

  1. 材料预算价

主要材料超过规定的最高限额价格时,按最高限额价格计算工程直接费、间接费 和利润,超出最高限额价格部分以补差形式计人相应工程单价,并计算税金。主要材料 最高限额价格标准:

(1 )钢筋3400 元/to

  1. 水泥440 元/t0
  2. 粉煤灰260元八。

(4 )炸药6800 元/to

材料采购及保管费用标准为材料运到工地仓库价格的2.8%。

  1. 其他直接费
  2. 冬雨期施工增加费。按不同地区以建筑安装工程基本直接费的0.5%〜3% 计算。
  3. 夜间施工增加费。建筑工程取建筑工程基本直接费的0.8%~1%;安装工程取 安装工程基本直接费的0.8%〜0.9%。
  4. 小型临时设施摊销费。取建筑或安装工程基本直接费的1.5%。
  5. 安全文明施工措施费。建筑工程取建筑工程基本直接费的2%;安装工程取安 装工程基本直接费的2%。
  6. 其他。建筑工程取建筑工程基本直接费的1.6%;安装工程取安装工程基本直 接费的1.8%。
  7. 间接费

(1 ) 土方工程取直接费的8.56%。

(2)石方工程取直接费的11.98%。

(3 )混凝土工程(不外购砂石料)取直接费的8.53%。

(4 )混凝土工程(外购砂石料)取直接费的6.86%。

(5 )钢筋制作安装工程取直接费的3.76%。

(6 )设备安装工程取人工费的47.33%。

  1. )利润

建筑或安装工程直接费与间接费之和的7%。

13.1.3工程量清单

招标文件中的工程量清单是投标报价的重要依据。根据《水利工程工程量精单计价 规范》GB 50501-2007,工程量清单由分类分项工程量清单、措施项目清单、其他项 目清单和零星工作项目清单组成。

  1. 分类分项工程量清单

分类分项工程量清单分为水利建筑工程工程量清单和水利安装工程工程量清单。 分类分项工程量清单项目编码采用十二位阿拉伯数字表示(由左至右计位)。一至九位 为统一编码,其中,一、二位为水利工程顺序码,三、四位为专业工程顺序码,五、六 位为分类工程顺序码,七、八、九位为分项工程顺序码,十至十二位为清单项目名称顺 序码。清单项目名称顺序码自001起顺序编制。图13.1-1所示为编码500101002001各 部分所代表的含义。

代表一般土方开挖顺序码

| 代表清单项目名称顺序码

50 01 0] 002 001

\ 代表土方开挖工程顺序码

代表水利建筑工程顺序码

代表水利工程顺序码

图13.1-1分类分项工程量清单项目编码含义

分类分项工程量清单计价采用工程单价计价。单价应根据单价组成内容、招标文 件、图纸及主要工作内容确定。除另有约定外,对有效工程量以外的超挖、超填工程 量,施工附加量,加工损耗量等,所消耗的人工、材料和机械费用,均应摊人相应有效 工程量的工程单价中。

  1. 措施项目清单

措施项目指为完成工程项目施工,发生于该工程项目施工前和施工过程中招标人 不要求列明工程量的项目。措施项目清单,主要包括环境保护、文明施工、安全防护措 施、小型临时工程、施工企业进退场费、大型施工设备安拆费等。措施项目清单项目名 称应按招标文件确定的措施项目名称填写。措施项目清单的金额,应根据招标文件的要 求以及工程的施工方案,以每一项措施项目为单位,按项计价。

  1. 其他项目清单

其他项目指为完成工程项目施工,发生于该工程施工过程中招标人要求计列的费 用项目。其中,暂列金额指招标人为可能发生的合同变更而预留的金额,一般可为分类 分项工程项目和措施项目合价的5%。暂估价指在工程招标阶段已经确定的,但又无法准确确定价格的材料、工程设备或工程项目。

  1. 零星工作项目清单

零星工作项目指完成招标人提出的零星工作项目所需的人工、材料、机械单价, 也称“计日工”。

零星工作项目清单列出人工(按工种)、材料(按名称和规格型号)、机械(按名 称和规格型号)的计量单位,单价由投标人确定。

  1. 投标报价表组成

投标报价表由以下表格组成:

  1. 投标总价。
  2. 工程项目总价表。

(3 )分类分项工程量清单计价表。

  1. 措施项目清单计价表。
  2. 其他项目清单计价表。
  3. 零星工作项目清单计价表。
  4. 工程单价汇总表。
  5. 工程单价费(税)率汇总表。
  6. 投标人生产电、风、水、砂石基础单价汇总表。
  7. 投标人生产混凝土配合比材料费表。
  8. 招标人供应材料价格汇总表(若招标人提供)。
  9. 投标人自行采购主要材料预算价格汇总表。

(13 )招标人提供施工机械台时(班)费汇总表(若招标人提供)。

  1. 投标人自备施工机械台时(班)费汇总表。
  2. 总价项目分类分项工程分解表。

(16 )工程单价计算表。

(17)人工费单价汇总表。

上述17个表中(1)〜(6)称为主表,(7)〜(17)称为辅表。需要注意的是, 由于招标文件不给出零星工作项目清单工程量,零星工作项目清单计价表只填报单价, 不计人工程项目总价表。表13.1-6〜表13.1-8所示为工程项目报价表示例。

表13.1-6工程项目总价表

工程名称X X X X分洪道拓浚工程施工I标段施工标

序号 工程项目名称 金额(元)
分类分项工程部分
1 河道工程
2 X X X X分洪道建筑物土建工程
3 水土保持工程
措施项目
暂列金 3000000.00
合计

表13.1-7分类分项工程量清单计价表

工程名称X X X X分洪道拓浚工程施工I标段施工标

序号 项目编码 项目名称 ¥ 工程数量 单价(元) 合价(元) 主要技术 条款编码 备注
1 河道工程
1.1 X X X X分洪道拓浚工程 m3 2505204
1.1.1 500101003001 土方开挖 m3 1543078 6
1.1.2 500101003002 土方开挖 m3 962126 6
1.2 桥梁防护工程 m3 3215
1.2.1 500101002001 土方开挖 m3 2983
1.2.2 500103001001 土方回填 m3 232
小计

表13.1-8措施项目清单计价表

工程名称X X X X分洪道拓浚工程施工I标段施工标

序号 项目名称 金额(元) 备注
1 安全生产费用 应不低于工程建安造价的2%。 总价承包,专款专用
2 临时工程 总价承包
2.1 导流工程
2.2 施工期降水、排水(临时排漠、灌溉)
2.3 施工交通设施
2.4 施工及生活供电设施
2.5 施工及生活供水设施
2.6 施工照明设施
2.7 临时生产管理及生活设施
2.8 施工期间的防汛、度汛
3 环境保护及水土保持专项措施费 总价承包
4 工程完工验收至投入使用前的防汛度汛措施费 总价承包
5 工程完工验收至投入使用前的安全防护措施费 总价承包
合计
  1. 投标报价表填写规定

1除招标文件另有规定外投标人不得随意增加、删除或涂改招标文件工程量清 单中的任何内容。工程量清单中列明的所有需要填写的单价和合价,投标人均应填写; 未填写的单价和合价,视为已包括在工程量清单的其他单价和合价中。

2 )工程量清单中的工程单价是完成工程量清单中一个质量合格的规定计量单位 项目所需的直接费(包括人工费、材料费、机械使用费和季节、夜间、高原、风沙等原

因增加的直接费)、施工管理费、企业利润和税金,并考虑到风险因素。 3 )投标金额(价格)均应以人民币表示。

4 )投标总价应按工程项目总价表合计金额填写。

5 )工程项目总价表中一级项目名称按招标文件工程项目总价表中的相应名称填 写,并按分类分项工程量清单计价表中相应项目合计金额填写。

6 分类分项工程量清单计价表中的序号、项目编码、项目名称、计量单位、工 程数量和合同技术条款章节号,按招标文件分类分项工程量清单计价表中的相应内容填 写,并填写相应项目的单价和合价。

7 措施项目清单计价表中的序号、项目名称按招标文件措施项目清单计价表中 的相应内容填写,并填写相应措施项目的金额和合计金额。

8 其他项目清单计价表中的序号、项目名称、金额,按招标文件其他项目清单 计价表中的相应内容填写。

9 零星工作项目清单计价表的序号、人工、材料、机械的名称、型号规格以及 计量单位,按招标文件零星工作项目清单计价表中的相应内容填写,并填写相应项目 单价。.

13.2阶段成本控制

13.2.1投标阶段成本控制

投标阶段成本控制的重点是编制科学合理、具有竞争力的投标报价,进行成本 预测。

  1. 水利工程设计概(估)算编制规定(工程部分)

《水利工程设计概算编制规定工程部分水总2014429号配套水 利工程预算定额,是投标报价的依据之一。

1 )费用构成

根据《水利工程设计概算编制规定工程部分水总2014429号 工程费由建筑及安装工程费和设备费组成。建筑及安装工程费由直接费、间接费、利 润、材料补差和税金组成。施工企业的施工成本不等同于工程费用或工程造价。工程费 用或工程造价是从项目法人角度来说的,而施工企业的施工成本则与合同内容密切相 关。施工企业的施工成本由直接费和间接费组成。施工企业可根据企业管理水平,依据 企业定额并参考《水利工程设计概算编制规定工程部分水总2014429号 及《水利部办公厅关于印发〈水利工程营业税改征增值税计价依据调整办法〉的通知》 办水总2016132号结合市场情况调整相关费用标准后合理确定施工成本和利 润控制目标。

1 )直接费

直接费指建筑安装工程施工过程中直接消耗在工程项目上的活劳动和物化劳动。 由基本直接费、其他直接费组成。

基本直接费包括人工费、材料费、施工机械使用费。

其他直接费包括冬雨期施工增加费、夜间施工增加费、特殊地区施工增加费、临时设施费、安全生产措施费和其他。

2 )间接费

间接费指施工企业为建筑安装工程施工而进行组织与经营管理所发生的各项费用。 它是产品成本的一部分,包括规费和企业管理费。

  1. 规费

规费指政府和有关部门规定必须缴纳的费用。包括社会保险费(养老保险费、失业 保险费、医疗保险费、工伤保险费、生育保险费)和住房公积金。

  1. 企业管理费

企业管理费指施工企业为组织施工生产和经营活动所发生的费用。包括管理人员 工资、差旅交通费、办公费、固定资产使用费、工具用具使用费、职工福利费、劳动保 护费、工会经费、职工教育经费、保险费、财务费用、税金(房产税、管理用车辆使用 税、印花税、城市维护建设税、教育费附加和地方教育附加)和其他等。

2费用标准

1人工预算单价

人工预算单价是指生产工人在单位时间(工时)的费用。根据工程性质的不同,人 工预算单价有枢纽工程、引水及河道工程三种计算方法和标准。每种计算方法将人工均 划分为工长、高级工、中级工、初级工四个档次。人工预算单价计算标准不同类别地 区,其标准不同。水利工程中将建设项目地区划分为以下几类,包括一般地区、一类 区、二类区、三类区、四类区、五类区(西藏二类区)、六类区(西藏三类区:)、西藏 四类区。人工预算单价通常以元/工时为单位。具体见表13.2-1。

表13.2-1 一般地区人工预算单价计算标准(单位:元/工时)

等级 枢纽工程 引水工程 河道工程
工长 11.55 9.27 8.02
高级工 10.67 8.57 7.40
中级工 8.90 6.62 6.16
初级工 6.13 4.64 4.26

2 )材料预算价格

材料预算价格指从购买地运到工地分仓库(或堆放场地)的出库价格。材料预算价 格一般包括材料原价、运杂费、运输保险费、采购及保管费四项,个别材料若规定另计 包装费的另行计算。材料原价、运杂费、运输保险费和采购及保管费等分别按不含增值 税进项税款的价格计算采购及保管费按现行计算标准乘以调整系数1.10。

①材料原价

除电及火工产品外,材料原价按工程所在地区就近的大物资供应公司、材料交易 中心的市场成交价或设计选定的生产厂家的出厂价格计算。有时也可以按工程所在地建 设工程造价管理部门公布的信息价计算。电及火工产品执行国家定价。包装费一般包含 在材料原价中。若材料原价中未包括包装费用,而在运输和保管过程中必须包装的材 料,则应另计包装费,按照包装材料的品种、规格、包装费用和正常的折旧摊ΐ肖费,包装费按工程所在地实际资料和有关规定计算。

根据《水利部办公厅关于印发〈水利工程营业税改征增值税计价依据调整办法〉的 通知》办水总2016132号材料价格应采用不含增值税进项税额的价格。投标报 价文件采用含税价格编制时,材料价格可以采用将含税价格除以调整系数的方式调整为 不含税价格。结合《水利部办公厅关于调整水利工程计价依据增值税计算标准的通知》 办财务函2019448号调整系数的规定如下主要材料水泥、钢筋、柴油、汽 油、炸药、木材、引水管道、安装工程的电缆、轨道、钢板等未计价材料、其他占工程 投资比例高的材料除以调整系数1.13次要材料除以调整系数1.03;购买的砂、石 料、土料暂按除以调整系数1.02;商品混凝土除以调整系数1.03。

  1. 运杂费

运杂费指材料由交货地点运至工地分仓库(或相当于工地分仓库的堆放场地)所发 生的各种运载车辆的运费、调车费、装卸费和其他杂费等费用。一般分铁路、公路、水 路几种运输方式计算其运杂费。

  1. 运输保险费

运输保险费指材料在运输过程中发生的保险费,按工程所在省、自治区、直辖市 或中国人民保险公司的有关规定计算。运输保险费=材料原价X材料运输保险费率。

  1. 采购及保管费

采购及保管费指材料采购和保管过程中所发生的各项费用,以材料运到工地仓库 价格不包括运输保险费为基准计算。各材料的采购及保管费费率见表13.2-2。

表13.2-2各种材料采购及保管费费率

序号 材料名称 费率(%)
1 水泥、碎石、砂、块石 3.30
2 钢材 2.20
3 油料 2.20
4 其他材料 2.75

注:本表已根据《水利部办公厅关于印发〈水利工程营业税改征增值税计价依据调整办法〉的通知》(办水

2016132号调整。

采用材料补差方式计算工程单价时主要材料基价按表13.2-3调整。如主要材料 预算价格超过材料基价时,应按基价计人工程单价参与取费,预算价与基价的差值以材 料补差方式计算,材料补差列人单价表中并计取税金。如主要材料预算价格低于基价 时,按预算价参与计算。

表13.2-3主要材料基价表

序号 材料名称 单位 基价(元)
1 柴油 t 2990
2 汽油 t 3075
3 钢筋 t 2560

续表

序号 材料名称 单位 基价(元)
4 水泥 t 255
5 炸药 t 5150

3 )施工机械使用费

施工机械使用费是计算建筑安装工程单价中机械使用费的基础,指一台施工机械 正常工作lh所支出和分摊的各项费用之和由一类、二类费用组成。

一类费用分为折旧费、修理及替换设备费(含大修理费、经常性修理费)和安装拆 卸费按2000年度价格水平计算并用金额表示

二类费用分为人工、动力、燃料或消耗材料,以工时数量和实物量消耗量表示, 其费用按国家规定的人工工资计算办法和工程所在地的物价水平分别计算,人工按中级 工计算。施工机械使用费应根据《水利工程施工机械台时费定额》计算。

根据《水利部办公厅关于印发〈水利工程营业税改征增值税计价依据调整功、法〉的 通知》办水总2016132号和《水利部办公厅关于调整水利工程计价依据增值税 计算标准的通知》办财务函2019448号施工机械台时费定额的折旧费除以调整 系数1.13,修理及替换设备费除以调整系数1.09,安装拆卸费不变。施工机械使用费 按调整后的施工机械台时费定额和不含增值税进项税额的基础价格计算。

4 )混凝土材料单价

混凝土配合比的各项材料用量,已考虑了材料的场内运输及操作损耗(至拌合楼进 料仓止),混凝土拌制后的熟料运输、操作损耗,已反映在不同浇筑部位定额的“混凝 土”材料量中。混凝土配合比的各项材料用量应根据工程试验提供的资料计算,若无试 验资料时也可按有关定额规定计算。混凝土材料单价按混凝土配合比中各项材料的数量 和不含增值税进项税额的材料价格进行计算。

根据《水利工程设计概算编制规定工程部分水总2014429号 当采用商品混凝土时,商品混凝土单价采用不含增值税进项税额的价格,其材料单价应 按基价200元/m3计人工程单价取费预算价格与基价的差额以材料补差形式进行计 算,材料补差列人单价表中并计取税金。

3单价分析

建筑工程单价计算一般采用表13.2-4 “建筑工程单价分析表”的形式计算。

表13.2-4建筑工程单价分析表格式

1 直接费 1)+2)
1) 基本直接费 (1) + (2) + (3)
(1) 人工费 定额人工工时数X人工预算单价
(2) 材料费 定额材料用量X材料预算价格
(3) 机械使用费 定额机械台时用量X机械台时费
2) 其他直接费 1 X其他直接费率
2 间接费 1X间接费率

续表

3 利润 (1 +2) X利润率
4 材料补差 材料预算价格一材料基价X材料消耗量
5 税金 (1 +2 + 3 + 4) X 税率
6 工程单价 1+2Ψ3+4+5

1.材料补差是《水利工程设计概算编制规定工程部分水总2014429号规范概 算管理时用到的方法。施工单位投标或成本核算时可根据自身情况参照本表格式。需要注意的是, 若不采用材料补差方式,在选取间接费率、其他直接费费率、利润率、税率时应考虑价格竞争性, 合理调整《水利工程设计概(估)算编制规定****工程部分水总2014429号规定的费率。

2.根据《水利部办公厅关于印发〈水利工程营业税改征增值税计价依据调整办法〉的通知》(办水总 2016132号其他直接费、利润计算标准不变利润率为7%),税金指应计人建筑安装工程费 用内的增值税销项税额税率为9%。

  1. 投标报价策略

报价策略是指在投标报价时,以招标人可以接受的价格同时投标人又可以获得尽 可能高的利润为目的的方案集合。常用的方案有:

1 投标报价高报

下列情形可以将投标报价高报:

1 施工条件差的工程。

2 专业要求高且公司有专长的技术密集型工程。

3 合同估算价低自己不愿做、又不方便不投标的工程。

4 风险较大的特殊的工程。

5 工期要求急的工程。

6 )投标竞争对手少的工程。

7支付条件不理想的工程。

2 投标报价低报

下列情形可以将投标报价低报:

1 )施工条件好、工作简单、工程量大的工程。

2 有策略开拓某一地区市场。

3 在某地区面临工程结束,机械设备等无工地转移时。

4 投标人在待发包工程附近有项目,而本项目又可利用该工程的设备、劳务,或 有条件短期内突击完成的工程。

5 投标竞争对手多的工程。

6 工期宽松工程。

7 支付条件好的工程。

3 不平衡报价

一个工程项目总报价基本确定后,可以调整内部各个项目的报价,以期既不提高 总报价、不影响中标,又能在结算时得到更理想的经济效益。一般可以考虑在以下几方 面采用不平衡报价:

1能够早日结账收款的项目如临时工程费、基础工程、土方开挖等可适当

提局。

  1. 预计今后工程量会增加的项目,单价适当提高。
  2. 招标图纸不明确,估计修改后工程量要增加的,可以提高单价;而二程内容 解说不清楚的,则可适当降低一些单价,待澄清后可再要求提价。

采用不平衡报价一定要建立在对工程量表中工程量仔细核对分析的基础上,特别 是对报低单价的项目,如工程量执行时增多将造成承包商的重大损失;不平衡ί艮价过多 和过于明显,可能会导致报价不合理等后果。

  1. 计日工单价可高报

水利工程计日工不计人总价,可以报高,以便在发包人额外用工或使用施工机械 时可多盈利ο

  1. 无利润报价

缺乏竞争优势的投标人,在不得已的情况下,可不考虑利润去竞争。这沖办法一 般是处于以下情况时采用:

  1. 中标后,拟将大部分工程分包给报价较低的一些分包商。
  2. 对于分期建设的项目,先以低价获得首期工程,而后赢得机会创造第二期工 程中的竞争优势,并在以后的实施中赚得利润。
  3. 较长时期内,投标人没有在建的工程项目,如果再不中标,企业亏损会更大。

13.2.2施工阶段成本控制

  1. 施工现场因素

在保证施工质量和进度的情况下,以降低成本为目标,制定合理的施工组织设计 实施细则,并据此选择先进的施工方案,合理地布置施工现场、临时设施和工艺流程, 重点在于严密合理的施工现场管理。

1 )细化施工组织设计

合理组织人机料,避免出现非正常抢工现象。在开工之前要编制好合理的总体施 工计划,在开工后无特殊情况严格按照总体施工计划和由此编制的季度、月度生产计划 施工,尽量避免发生随意打乱总体施工计划的现象,否则有可能造成机械人员的窝工, 降低工效,也可能导致后期由于工期原因进行不必要的抢工,势必增加人财物的投人, 降低了工效,增加了成本。

  1. 严格质量管理

质量管理措施包括控制返工和缺陷修补,加强对成品及半成品的保护,注意雨期 施工对钢筋、粉煤灰的损坏。

  1. 提高施工技术

根据工程的技术特点重点分析对施工过程中的计算要尽量精确有利f降低成 本,不得超挖和欠挖。

  1. 控制材料成本

制定材料采购计划,根据生产计划、任务和产品消耗情况对材料采购计划进行评 审、研究。采用招标方式集中采购以降低采购成本。严把验收关,从原材料的质量和数 量上严格控制,避免出现材料退场和二次进场,同时避免出现实际数量与人库数量不符的现象。

严格控制材料消耗,施工中严格组织管理,减少各个环节的损耗,避免使用不当 引起的材料浪费。合理堆置现场材料,避免和减少二次搬运。

5 合理调配人力

根据合理的施工组织设计,合理调配劳动力,安排好生产计划,避免窝工现象的 发生。对施工人员实行合理的奖惩制度,加强技术教育和培训工作,加强劳动纪律。压 缩非生产用工和辅助用工,严格控制非生产人员比例。

6 合理使用施工机械

熟悉施工工艺和施工顺序合理编制机械调遣计划,避免出现不合理的二次调遣设 备的现象。保证机械完好率和利用率。合理组织计划,根据总体施工组织设计组织机械 设备,避免出现不合理的机械停、窝工。

  1. 计量支付因素

计量支付是施工阶段成本管理的重要方面。为了最大可能争取应有利益,熟悉计 量和支付规则十分重要。

根据《水利水电工程标准施工招标文件》2009年版技术标准和要求构成合同 的重要组成部分。技术标准和要求是投标人进行投标报价和发包人进行合同支付的实物 依据。投标人应根据合同进度要求和技术标准和要求规定的质量标准,结合自身的施工 能力和管理水平,计算投标价;中标后,承包人应根据合同约定和技术标准和要求的规 定组织工程施工;发包人和监理人则应根据技术标准和要求规定的质量标准进行检查和 验收,并按计量支付条款的约定执行支付。

  1. 施工临时工程计量支付

1 现场施工测量

现场施工测量(包括根据合同约定由承包人测设的施工控制网、工程施工阶段的全 部施工测量放样工作等)所需费用,由发包人按《工程量清单》所列项目的总价支付。

《工程量清单》是指《水利水电工程标准施工招标文件》2009年版合同文件中的 已标价工程量清单,下同。]

2 现场试验

1现场室内试验

承包人现场试验室的建设费用,由发包人按《工程量清单》所列相应项目的总价 支付。

2 )现场工艺试验

除合同另有约定外,现场工艺试验所需费用,包含在现场工艺试验项目总价中, 由发包人按《工程量清单》相应项目的总价支付。

3 )现场生产性试验

除合同约定的大型现场生产性试验项目由发包人按《工程量清单》所列项目的总价 支付外,其他各项生产性试验费用均包含在《工程量清单》相应项目的工程单价或总价 中,发包人不另行支付。

3 施工交通设施

1除合同另有约定外承包人根据合同要求完成场内施工道路的建设和施工期的管理维护工作所需的费用由发包人按《工程量清单》相应项目的工程单价或总价 支付。

2 场外公共交通的费用,除合同约定由承包人为场外公共交通修建和(或)维 护的临时设施外,承包人在施工场地外的一切交通费用,均由承包人自行承担,发包人 不另行支付。

3 承包人承担的超大、超重件的运输费用,均由承包人自行负责,发包人不另行 支付。超大、超重件的尺寸或重量超出合同约定的限度时,增加的费用由发包人承担。

4 施工及生活供电设施

除合同另有约定外,承包人根据合同要求完成施工及生活供电设施的建设、移设 和拆除工作所需的费用,由发包人按《工程量清单》相应项目的工程单价或总份支付。

5 施工及生活供水设施

除合同另有约定外,承包人根据合同要求完成施工及生活供水设施的建设、移设 和拆除工作所需的费用,由发包人按《工程量清单》相应项目的工程单价或总价支付。

6 施工供风设施

除合同另有约定外,承包人根据合同要求完成施工供风设施的建设、移设和拆除 工作所需的费用,由发包人按《工程量清单》相应项目的工程单价或总价支付。

7 施工照明设施

除合同另有约定外,承包人根据合同要求完成施工照明设施的建设、移置、维护 管理和拆除工作所需的费用,由发包人按《工程量清单》相应项目的工程单价或总价 支付。

8 施工通信和邮政设施

除合同另有约定外,承包人根据合同要求完成现场施工通信和邮政设施的建设、 移设、维护管理和拆除工作所需的费用,由发包人按《工程量清单》相应项目的工程单 价或总价支付。

9 砂石料生产系统

除合同另有约定外,承包人根据合同要求完成砂石料生产系统的建设和拆除工作 所需的费用,由发包人按《工程量清单》相应项目的工程单价或总价支付。

10 混凝土生产系统

除合同另有约定外,承包人根据合同要求完成混凝土生产系统的建设和拆除工作 所需的费用,由发包人按《工程量清单》相应项目的工程单价或总价支付。

11 )附属加工厂

除合同另有约定外,承包人根据合同要求完成附属加工厂的建设、维护管理和拆 除工作所需的费用,由发包人按《工程量清单》相应项目的工程单价或总价支付。

12 仓库和存料场

除合同另有约定外,承包人根据合同要求完成仓库或存料场的建设、维护管理和 拆除工作所需的费用,由发包人按《工程量清单》相应项目的工程单价或总价支付。

13 弃渣场

除合同另有约定外,承包人根据合同要求完成弃渣场的建设和维护管理等工作所 需的费用,由发包人按《工程量清单》相应项目的工程单价或总价支付。

14 )临时生产管理和生活设施

除合同另有约定外,承包人根据合同要求完成临时生产管理和生活设施的建设、 移设、维护管理和拆除工作所需的费用,由发包人按《工程量清单》相应项目的工程单 价或总价支付。

15)其他临时设施

未列人《工程量清单》的其他临时设施,承包人根据合同要求完成这些设施的建 设、移置、维护管理和拆除工作所需的费用,包含在相应永久工程项目的工程单价或总 价中,发包人不另行支付。

  1. 土方开挖工程计量支付
  2. 场地平整按施工图纸所示场地平整区域计算的有效面积以平方米为单位计量, 由发包人按《工程量清单》相应项目有效工程量的每平方米工程单价支付。
  3. 一般土方开挖、淤泥流砂开挖、沟槽开挖和柱坑开挖按施工图纸所示开挖轮 廓尺寸计算的有效自然方体积以立方米为单位计量,由发包人按《工程量清单》相应项 目有效工程量的每立方米工程单价支付。

(3 )塌方清理按施工图纸所示开挖轮廓尺寸计算的有效塌方堆方体积以立方米为 单位计量,由发包人按《工程量清单》相应项目有效工程量的每立方米工程单价支付。

  1. 承包人完成“植被清理”工作所需的费用,包含在《工程量清单》相应土方 明挖项目有效工程量的每立方米工程单价中,发包人不另行支付。
  2. 土方明挖工程单价包括承包人按合同要求完成场地清理,测量放样,临时性 排水措施(包括排水设备的安拆、运行和维修),土方开挖、装卸和运输,边坡整治和 稳定观测,基础、边坡面的检查和验收,以及将开挖可利用或废弃的土方运至监理人指 定的堆放区并加以保护、处理等工作所需的费用。
  3. 土方明挖开始前,承包人应根据监理人指示,测量开挖区的地形和计量剖面, 经监理人检查确认后,作为计量支付的原始资料。土方明挖按施工图纸所示的轮廓尺寸 计算有效自然方体积以立方米为单位计量,由发包人按《工程量清单》相应项目有效 工程量的每立方米工程单价支付。施工过程中增加的超挖量和施工附加量所需的费用, 应包含在《工程量清单》相应项目有效工程量的每立方米工程单价中,发包人不另行 支付。
  4. 除合同另有约定外,开采土料或砂砾料(包括取土、含水量调整、弃土处理、 土料运输和堆放等工作)所需的费用,包含在《工程量清单》相应项目有效工程量的工 程单价或总价中,发包人不另行支付。
  5. 除合同另有约定外,承包人在料场开采结束后完成开采区清理、恢复和绿化 等工作所需的费用,包含在《工程量清单》“环境保护和水土保持”相应项目的工程单 价或总价中,发包人不另行支付。
  6. 混凝土灌注桩工程计量支付
  7. 钻孔灌注桩或者沉管灌注桩按施工图纸所示尺寸计算的桩体有效体积以立方 米为单位计量,由发包人按《工程量清单》相应项目有效工程量的每立方米工程单价 支付。
  8. 除合同另有约定外,承包人按合同要求完成灌注桩成孔成桩试验、成桩承载力检验、校验施工参数和工艺、埋设孔口装置、造孔、清孔、护壁以及混凝土伴和、运 输和灌注等工作所需的费用,包含在《工程量清单》相应灌注桩项目有效工程量的每立 方米工程单价中,发包人不另行支付。
  9. 灌注桩的钢筋按施工图纸所示钢筋强度等级、直径和长度计算的有玫重量以 吨为单位计量,由发包人按《工程量清单》相应项目有效工程量的每吨工程单价支付。
  10. 土方填筑工程计量支付
  11. 坝(堤)体填筑按施工图纸所示尺寸计算的有效压实方体积以立方米为单位 计量,由发包人按《工程量清单》相应项目有效工程量的每立方米工程单价支付。
  12. 坝(堤)体全部完成后,最终结算的工程量应是经过施工期间压实并经自然 沉陷后按施工图纸所示尺寸计算的有效压实方体积。若分次支付的累计工程量超出最终 结算的工程量,发包人应扣除超出部分工程量。
  13. 黏土心墙、接触黏土、混凝土防渗墙顶部附近的高塑性黏土、上游浦盖区的 土料、反滤料、过渡料和垫层料均按施工图纸所示尺寸计算的有效压实方体积以立方 米为单位计量,由发包人按《工程量清单》相应项目有效工程量的每立方米程单价 支付。
  14. 坝体上、下游面块石护坡按施工图纸所示尺寸计算的有效体积以立方米为单 位计量,由发包人按《工程量清单》相应项目有效工程量的每立方米工程单价支付。
  15. 除合同另有约定外,承包人对料场(土料场、石料场和存料场)进行复核、复 勘、取样试验、地质测绘以及工程完建后的料场整治和清理等工作所需的费用,包含在 每立方米(吨)材料单价或《工程量清单》相应项目工程单价或总价中,发包人不另行 支付。
  16. 坝体填筑的现场碾压试验费用,由发包人按《工程量清单》相应项目的总价 支付。
  17. 混凝土工程计量支付

1 )模板

  1. 除合同另有约定外,现浇混凝土的模板费用,包含在《工程量清单》相应混 凝土或钢筋混凝土项目有效工程量的每立方米工程单价中,发包人不另行计量和支付。
  2. 混凝土预制构件模板所需费用,包含在《工程量清单》相应预制混凝土构件 项目有效工程量的工程单价中,发包人不另行支付。
  3. 钢筋

按施工图纸所示钢筋强度等级、直径和长度计算的有效重量以吨为单位计量,由 发包人按《工程量清单》相应项目有效工程量的每吨工程单价支付。施工架立筋、搭 接、套筒连接、加工及安装过程中操作损耗等所需费用,均包含在《工程量清单》相应 项目有效工程量的每吨工程单价中,发包人不另行支付。

  1. 普通混凝土
  2. 普通混凝土按施工图纸所示尺寸计算的有效体积以立方米为单位计量,由发 包人按《工程量清单》相应项目有效工程量的每立方米工程单价支付。

(2 )混凝土有效工程量不扣除设计单体体积小于0.1m3的圆角或斜角,单体占用的 空间体积小于0.1m3的钢筋和金属件单体横截面积小于0.1m2的孔洞、咏管、预埋管和凹槽等所占的体积,按设计要求对上述孔洞回填的混凝土也不予计量。

  1. 不可预见地质原因超挖引起的超填工程量所发生的费用,由发包人按《工程 量清单》相应项目或变更项目的每立方米工程单价支付。除此之外,同一承包人由于其 他原因超挖引起的超填工程量和由此增加的其他工作所需的费用,均应包含在《工程量 清单》相应项目有效工程量的每立方米工程单价中,发包人不另行支付。
  2. 混凝土在冲(凿)毛、拌和、运输和浇筑过程中的操作损耗,以及为临时性 施工措施增加的附加混凝土量所需的费用,应包含在《工程量清单》相应项目有效工程 量的每立方米工程单价中,发包人不另行支付。
  3. 施工过程中,承包人按本合同技术条款规定进行的各项混凝土试验所需的费 用(不包括以总价形式支付的混凝土配合比试验费),均包含在《工程量清单》相应项 目有效工程量的每立方米工程单价中,发包人不另行支付。
  4. 止水、止浆、伸缩缝等按施工图纸所示各种材料数量以米(或平方米)为单 位计量,由发包人按《工程量清单》相应项目有效工程量的每米(或平方米)工程单价 支付。
  5. 混凝土温度控制措施费(包括冷却水管埋设及通水冷却费用、混凝土收缩缝 和冷却水管的灌浆费用,以及混凝土坝体的保温费用)包含在《工程量清单》相应混凝 土项目有效工程量的每立方米工程单价中,发包人不另行支付。
  6. 混凝土坝体的接缝灌浆(接触灌浆),按设计图纸所示要求灌浆的混凝土施工 缝(混凝土与基础、岸坡岩体的接触缝)的接缝面积以平方米为单位计量,由发包人按 《工程量清单》相应项目有效工程量的每平方米工程单价支付。
  7. 混凝土坝体内预埋排水管所需的费用,应包含在《工程量清单》相应混凝土 项目有效工程量的每立方米工程单价中,发包人不另行支付。
  8. 砌体工程计量支付
  9. 浆砌石、干砌石、混凝土预制块和砖砌体按施工图纸所示尺寸计算的有效砌 筑体积以立方米为单位计量,由发包人按《工程量清单》相应项目有效工程量的每立方 米工程单价支付。
  10. 砌筑工程的砂浆、拉结筋、垫层、排水管、止水设施、伸缩缝、沉降缝及埋 设件等费用,包含在《工程量清单》相应砌筑项目有效工程量的每立方米工程单价中, 发包人不另行支付。

(3 )承包人按合同要求完成砌体建筑物的基础清理和施工排水等工作所需的费用, 包含在《工程量清单》相应砌筑项目有效工程量的每立方米工程单价中,发包人不另行 支付。

  1. 疏浚工程计量支付
  2. 疏浚工程按施工图纸所示轮廓尺寸计算的水下有效自然方体积以立方米为单 位计量,由发包人按《工程量清单》相应项目有效工程量的每立方米工程单价支付。
  3. 疏浚工程施工过程中疏浚设计断面以外增加的超挖量、施工期自然回淤量、开 工展布与收工集合、避险与防干扰措施、排泥管安拆移动以及使用辅助船只等所需的费 用,包含在《工程量清单》相应项目有效工程量的每立方米工程单价中,发包人不另行 支付。疏浚工程的辅助措施(如疏浚前扫床和障碍物的清除、排泥区围堰、隔埂、退水口及排水渠等项目)另行计量支付。

3 吹填工程按施工图纸所示尺寸计算的有效吹填体积(扣除吹填区围堰、隔埂 等的体积)以立方米为单位计量,由发包人按《工程量清单》相应项目有效工程量的每 立方米工程单价支付。

4 吹填工程施工过程中吹填土体的沉陷量、原地基因上部吹填荷载而产左的沉降 量和泥砂流失量、对吹填区平整度要求较高的工程配备的陆上土方机械等所需費用,包 含在《工程量清单》相应项目有效工程量的每立方米工程单价中,发包人不另行支付。 吹填工程的辅助措施(如疏浚前扫床和障碍物的清除、排泥区围堰、隔埂、退水口及排 水渠等项目)另行计量支付。

5 利用疏浚排泥进行吹填的工程,疏浚和吹填的计量和支付分界根据合·同相关 条款的具体约定执行。

  1. 闸门及启闭机安装工程计量支付

1 闸门

1钢闸门安装工程按施工图纸所示尺寸计算的闸门本体有效重量以吨为单位计 量,由发包人按《工程量清单》相应项目的每吨工程单价支付。钢闸门附件安装、附 属装置安装、钢闸门本体及附件涂装、试验检测和调试校正等工作所需费用,包含 在《工程量清单》相应钢闸门安装项目有效工程量的每吨工程单价中,发包人不另行 支付。

2 )门槽(楯)安装工程按施工图纸所示尺寸计算的有效重量以吨为单位计量,由 发包人按《工程量清单》相应项目的每吨工程单价支付。二次埋件、附件安装、涂装、 调试校正等工作所需费用,均包含在《工程量清单》相应门槽(楣)安装项目有效工程 量的每吨工程单价中,发包人不另行支付。

2 启闭机

1 启闭机安装工程按施工图纸所示启闭机数量以台为单位计量,由发包人按《工 程量清单》相应启闭机安装项目每台工程单价支付。

2 除合同另有约定外,基础埋件安装、.附属设备(起吊梁或平衡梁、供电系统、 控制操作系统、液压启闭机的液压系统等)安装、与闸门连接和调试校正等工作所需 费用,均包含在《工程量清单》相应启闭机安装项目每台工程单价中,发包人不另行 支付。

14章 施工安全管理

2026一建《水利》电子教材(可搜索)14.1水利水电工程建设安全生产职责

第14章 看本章精讲课 做本章自测题

14.1.1水利工程项目法人的安全生产责任

  1. 行业安全生产规定

根据《中华人民共和国安全生产法》《建设工程安全生产管理条例》等 法律、法规结合水利工程的特点2005年6月22日水利部部长会议审议通过《水利 工程建设安全生产管理规定》水利部令第26号自2005年9月1日起施行根据 2014年水利部令第48号和2019年水利部令第50号进行修改。

《水利工程建设安全生产管理规定》水利部令第26号以下简称《安全生产管 理规定》)包括总则,项目法人的安全责任,勘察(测)、设计、建设监理及其他有关 单位的安全责任,施工单位的安全责任,监督管理,生产安全事故的应急救援和调查处 理附则共7章42条。《安全生产管理规定》第四十条规定“违反本规定需要实施 行政处罚的,由水行政主管部门或者流域管理机构按照《建设工程安全生产管理条例》 的规定执行。”

  1. 项目法人安全生产的特别要求

《安全生产管理规定》,进一步明确了项目法人的安全生产责任。

1 )项目法人在对施工投标单位进行资格审查时,应当对投标单位的主要负责人、 项目负责人以及专职安全生产管理人员是否经水行政主管部门安全生产考核合格进行审 查。有关人员未经考核合格的,不得认定投标单位的投标资格。

2 项目法人应当向施工单位提供施工现场及施工可能影响的毗邻区域内供水、排 水、供电、供气、供热、通信、广播电视等地下管线资料,气象和水文观测资料,拟建 工程可能影响的相邻建筑物和构筑物、地下工程的有关资料,并保证有关资料的真实、 准确、完整,满足有关技术规范的要求。对可能影响施工报价的资料,应当在招标时 提供。

3 项目法人不得调减或挪用批准概算中所确定的水利工程建设有关安全作业环 境及安全施工措施等所需费用。工程承包合同中应当明确安全作业环境及安全施工措施 所需费用。

[注:根据《水利部办公厅关于调整水利工程计价依据安全生产措施费计算标准的通知》(办 水总202338号将《水利工程设计概算编制规定》水总2014429号中的安 全生产措施费标准统一调整为2.5%。]

4项目法人应当组织编制保证安全生产的措施方案并自工程开工之日起15个 工作日内报有管辖权的水行政主管部门、流域管理机构或者其委托的水利工程建设安全 生产监督机构备案。建设过程中安全生产的情况发生变化时,应当及时对保证安全生产 的措施方案进行调整,并报原备案机关。

保证安全生产的措施方案应当根据有关法律法规、强制性标准和技术规范的要求 并结合工程的具体情况编制,应当包括以下内容:

  1. 项目概况。
  2. 编制依据。
  3. 安全生产管理机构及相关负责人。
  4. 安全生产的有关规章制度制定情况。
  5. 安全生产管理人员及特种作业人员持证上岗情况等。
  6. 生产安全事故的应急救援预案。
  7. 工程度汛方案、措施。
  8. 其他有关事项。

(5 )项目法人应当将水利工程中的拆除工程和爆破工程发包给具有相应水利水 电工程施工资质等级的施工单位。项目法人应当在拆除工程或者爆破工程施工15日 前,将下列资料报送水行政主管部门、流域管理机构或者其委托的安全生产监督机构 备案:

  1. 拟拆除或拟爆破的工程及可能危及毗邻建筑物的说明。
  2. 施工组织方案。
  3. 堆放、清除废弃物的措施。
  4. 生产安全事故的应急救援预案。
  5. 项目法人安全生产目标管理

根据《水利水电工程施工安全管理导则》SL 721—2015,项目法人应根据本工程项 目安全生产实际制定项目安全生产总体目标和年度目标。明确目标与指标的讳U定、分 解、实施、考核等环节内容。安全生产目标主要包括以下内容:

  1. 生产安全事故控制目标。
  2. 安全生产投人目标。
  3. 安全生产教育培训目标。
  4. 安全生产隐患排查治理目标。
  5. 重大危险源监控目标。
  6. 应急管理目标。
  7. 文明施工管理目标。
  8. 人员、机械、设备、交通、消防、环境等方面的安全管理控制目标等。

根据《水电水利工程施工重大危险源辨识及评价导则》DL/T 5274-2012依据事 故可能造成的人员伤亡数量及财产损失情况(与“14.2水利工程建设项目风险管理” 中事故划分标准一致),重大危险源划分为一级重大危险源、二级重大危险源、三级重 大危险源以及四级重大危险源4级。

  1. 项目法人制定安全生产管理制度

根据《水利水电工程施工安全管理导则》SL 721-2015,项目法人应于工程开工前 将《适用的安全生产法律法规、标准规范清单》书面通知各参建单位。项目法人应组织 制定各种安全生产管理制度,安全生产管理制度基本内容包括以下:

(1)工作内容。

(2 )责任人(部门)的职责与权限。

  1. 基本工作程序及标准。
  2. 项目法人组织生产安全事故隐患排查

《安全生产事故隐患排查治理暂行规定》安全监管总局令第16号关于重大事故 隐患的定义是:重大事故隐患是指危害和整改难度较大,应当全部或者局部停产停业, 并经过一定时间整改治理方能排除的隐患,或者因外部因素影响致使生产经营单位自身 难以排除的隐患。

根据《水利部办公厅关于印发水利工程生产安全重大事故隐患清单指南2021年 版的通知》办监督2021364号和《水利部办公厅关于印发水利工程生产安全 重大事故隐患清单指南2023年版的通知》办监督2023273号对事故隐患 排查治理提出以下要求:

1 水利工程建设各参建单位是事故隐患判定工作的主体。清单中表14.1-1 列出了重大事故隐患内容,各单位可按照清单直接判定隐患等级。

2 对于排查出的事故隐患,有关责任单位要立即组织整改,不能立即整改的,要 做到整改责任、资金、措施、时限和应急预案“五落实”。重大事故隐患及其整改进展 情况需经本单位负责人同意后报有管辖权的水行政主管部门,同时,在水利安全生产信 息系统中逐级上报。

3 地方各级水行政主管部门要建立健全并落实重大事故隐患治理督办制度,督 促水利生产经营单位消除重大事故隐患。对重大事故隐患整改不力的要实行约谈告诫、 公开曝光,情节严重的依法依规严肃问责。

表14.1-1水利工程建设项目生产安全重大事故隐患清单





^-

理 管




患 隐






咄里 □理 穌管 麵5 01

JO

SJ
察工备生业 勘包配全作 .,分 ίΛΕ安} 动法规职备 活违按专设 营、采和ί 经包或人种 设转构责特 建、机负; 程揽理目书 π刹管项证 和奶产、格业 料韩生人合作 从资安-考上

设主生证 啊赫规企安资

呼砂未施效操 t?Η位.,有员 姓 I Ϊ 5 mLA

Η人定业 鞍缸施理规作

淑^人产未特 沫册法生员得 位设目舍人恥 单λ项安理未 工m .,职管员 施**(i**程专产人
2

W-



02

ο -J

SJ-
方织收 工组验 施定要 项规需 专按; 程未施 工案实 的方织工 大工组施 较施案i 性项方P 险专工续 危的施后 批程项入 审工专转 和项的格 制单准合 编的批收 定大按验 规较未经 按性.,未 未险工程 .,危施工 工的自项 施模擅单 计规查的 设定审大 织I 、较 组过证性 工超论险 施.,家危 无案专的
3 营炎 洪 在 置 布 库 仓 品 学 化 险 危域 -X-

级石 理®-. 管及

设塌 唐
IJ (I


Η初 施泥 [XX

厂滑

Η 、 工崩 施雪
4 时程

临工






II·'
04 Jo

-

SJ
距易房 全、用 安间公 位作办 部操、 点房舍 重厨宿 防、■,级 消房级Α

Α到 库讼到达 滴办达未 险\未级 诡舍级等 爆宿等能 易;能性 燃施性烧 易措烧傲 、护燃盼 间防的材 作效件芯 操有构其I 房取筑, 厨采建时

、未等材 房且库板 用求品芯 公要险夹 办合危属 、符爆金 舍不易用 宿离燃采
5

Η 堰 围
05

Jo

-J

SJ
效 有 无 且

要 计 设 过 超

流 渗 及 移 位 堰 酣

要 计 设 和 范 规 合 符施 不措

I险 _管
6 项程

专工
3 m 保安 零的 接路

S线

Z 用 ·, 采JT 未运 统唎 系并 电,施 配锁措 压闭护 低相防 的互取 地J采 接电定 接他规

点与未 性未且 中源求 源电要 电组范 的机规 用电合 专发符 场.,不 现统离 工系距 施护全

续表

序号 类别 管理环节 隐患编号 隐患内容
达到或超过一定规模的作业脚手架和支撑脚手架的立杆基础承载力不符合
7 脚手架 SJ-J007 专项施工方案的要求,且已有明显沉降;立杆采用搭接(作业卸手架顶步 距除外);未按专项施工方案设置连墙件
8 模板工程 SJ-J008 爬模、滑模和翻模施工以及脱模或混凝土承重模板拆除时,混凝土强度未 达到规定值
9 危险物品 SJ-J009 运输、使用、保管和处置易燃易爆、雷管炸药等危险物品不符合安全要求
起重机械未按规定经有相应资质的单位安装(拆除)或未经有相应资质的 检验检测机构检验合格后投入使用;起重机械未配备荷载、变幅等指示装
10 SJ-J010 置和荷载、力矩、高度、行程等限位、限制及连锁装置;同一 1乍业区两台 及以上起重设备运行未制定防碰撞方案,且存在碰撞可能;隧洞竖(斜) 井或沉井、人工挖孔桩井载人(货)提升机械未设置安全装置或;安全装置
与运输 不灵敏
大中型水利水电工程金属结构施工采用临时钢梁、龙门架、天錨起吊闸
11 SJ-J011 门、钢管前,未对其结构和吊点进行设计计算、履行审批审查验收手续, 未进行相应的负荷试验;闸门、钢管上的吊耳板、焊缝未经检查裣测和强 度验算投入使用
高边坡、 深基坑 断层、裂隙、破碎带等不良地质构造的高边坡,未按设计要求及时采取支
12 SJ-J012 护措施或未经验收合格即进行下一梯段施工;深基坑土方开挖放坡坡度不 满足其稳定性要求且未采取加固措施
专项 未按规定要求进行超前地质预报和监控测量;勘察设计与实际地质条件严
13 工程 隧洞施工 SJ-J013 重不符时,未进行动态勘察设计;监控测量数据异常变化,来采取措施 处置;地下水丰富地段隧洞施工作业面带水施工无相应措施或控制措施失 效时继续施工;矿山法施工仰拱一次开挖长度不符合方案要求、未及时封 闭成环;矿山法施工仰拱、初期支护、二次衬砌与掌子面的距离不符合规 范、设计或专项施工方案要求;犷山法施工未及时处理拱架背后脱空、二 衬拱顶脱空问题盾构施工盾尾密封失效仍冒险作业盾构施I未按规定 带压开仓检查换刀
14 SJ-J014 无爆破设计或未按爆破设计作业;无统一的爆破信号和爆破指痒,起爆前 未进行安全条件确认;爆破后未进行检查确认,或未排险立即艇工;隧洞 施工运输车辆未定期检查,超重运输或使用货运车辆运送人员;未按规定 设置应急通信和报警系统;高瓦斯隧洞或瓦斯突出隧洞未按设计或方案进 行揭煤防突,各开挖工作面未设置独立通风;高瓦斯或瓦斯突出的隧洞工 程场所作业未使用防爆电器;洞室施工过程中,未对洞内有毒有害气体进 行检测、监测;有毒有害气体达到或超过规定标准时未采取有玫措施;隧 洞内动火作业未按要求履行作业许可审批手续并安排专人监护
蜗壳、机坑里衬安装时,搭设的施工平台(组装)未经检查验收:即投入使
15 设备安装 SJ-J015 用;在机坑中进行电焊、气割作业(如水机室、定子组装,上下机架组 装)时,未设置隔离防护平台或铺设防火布,现场未配备消防器材
16 水上作业 SJ-J016 未按规定设置必要的安全作业区或警戒区;水上作业施工船舶施工安全工 作条件不符合船舶使用说明书和设备状况,未停止施工;挖泥沿的实际工 作条件大于《疏浚与吹填工程技术规范》SL 17—2014表5.7.9中所列数 值,未停止施工

续表

序号 类别 管理环节 隐患编号 隐患内容
17 防洪度汛 SJ-J017 有度汛要求的建设项目未按规定制定度汛方案和超标准洪水应急预案;工 程进度不满足度汛要求时未制定和采取相应措施;位于自然地面或河水位 以下的隧洞进出口未按施工期防洪标准设置围堰或预留岩坎
18 其他 液氨制冷 SJ-J018 氨压机车间控制盘柜与氨压机未分开隔离布置;未设置、配备固定式氨气 报警仪和便携式氨气检测仪;未设置应急疏散通道并明确标识
19 安全防护 SJ-J019 排架、井架、施工电梯、大坝廊道、隧洞等出入口和上部有施工作业的通 道,未按规定设置防护棚
20 设备检修 SJ-J020 混凝土(水泥土、水泥稳定土)拌合机、进筒(罐、斗)检修、TBM及 盾构设备刀盘检维修时未切断电源或开关箱未上锁且无人监管

14.1.2水利工程施工单位的安全生产责任

  1. 施工单位安全生产的特别要求

《水利工程建设安全生产管理规定》(水利部令第26号)进一步明确了施工单位安 全生产的责任。按施工单位、施工单位的相关人员以及施工作业人员三个方面,从保证 安全生产应当具有的基本条件出发,对施工单位的资质等级、机构设置、投标报价、安 全责任,施工单位有关负责人的安全责任以及施工作业人员的安全责任等作出具体规 定,对水利工程建设的特殊要求有:

(1 )施工单位在建设有度汛要求的水利工程时,应当根据项目法人编制的工程度汛 方案、措施制定相应的度汛方案,报项目法人批准;涉及防汛调度或者影响其他工程、 设施度汛安全的,由项目法人报有管辖权的防汛指挥机构批准。

(2 )施工单位应当在施工组织设计中编制安全技术措施和施工现场临时用电方案, 对下列达到一定规模的危险性较大的工程应当编制专项施工方案,并附具安全验算结 果,经施工单位技术负责人签字以及总监理工程师核签后实施,由专职安全生产管理人 员进行现场监督:

  1. 基坑支护与降水工程。
  2. 土方和石方开挖工程。
  3. 模板工程。
  4. 起重吊装工程。
  5. 脚手架工程。
  6. 拆除、爆破工程。
  7. 围堰工程。
  8. 其他危险性较大的工程。

对前款所列工程中涉及高边坡、深基坑、地下暗挖工程、高大模板工程的专项施 工方案,施工单位还应当组织专家进行论证、审查。

  1. 施工单位的主要负责人、项目负责人、专职安全生产管理人员应当经水行政 主管部门安全生产考核合格后方可任职。

(4 )施工单位应当对管理人员和作业人员每年至少进行一次安全生产教育培训,其

教育培训情况记人个人工作档案。安全生产教育培训考核不合格的人员,不得上岗。

施工单位在采用新技术、新工艺、新设备、新材料时,应当对作业人员进行相应 的安全生产教育培训。

5施工单位应当设立安全生产管理机构按照国家有关规定配备专职安全生产 管理人员。施工现场必须有专职安全生产管理人员。

专职安全生产管理人员负责对安全生产进行现场监督检查。发现生产安全事故隐 患,应当及时向项目负责人和安全生产管理机构报告;对违章指挥、违章操作的,应当 立即制止。

  1. 水利水电工程施工单位管理人员安全生产考核的要求

为规范水利水电工程施工企业主要负责人、项目负责人和专职安全生产管理人员 安全生产考核管理,根据《中共中央国务院关于推进安全生产领域改革发展的意见》 《国务院办公厅关于全面实行行政许可事项清单管理的通知》国办发20222号要 求,依据《中华人民共和国安全生产法》《中华人民共和国行政许可法》《建设工程安全 生产管理条例》《水利工程建设安全生产管理规定》等法律法规和规章2022年水利部 印发修订后的《水利水电工程施工企业主要负责人、项目负责人和专职安全生产管理人 员安全生产考核管理办法》(以下简称《考核管理办法》)。

1 )安管人员

《考核管理办法》所称企业主要负责人是指企业的法定代表人和实际控制人。项目 负责人是指由企业法定代表人授权,负责工程项目管理的人员。专职安全生产管理人员 是指在企业专职从事工程项目安全生产管理工作的人员,包括企业安全生产管理机构的 人员和专职从事工程项目安全生产管理的人员。上述人员统称为“安管人员”。

2安管人员安全生产考核的主要要求

1 安管人员安全生产考核实行分类考核,分为企业主要负责人考核、项目负责 人考核和专职安全生产管理人员考核α

2 安管人员安全生产考核实行分级管理。国务院水行政主管部门对水禾j水电工 程施工企业主要负责人、项目负责人和专职安全生产管理人员安全生产考核管理和安全 生产工作实施监督管理,负责全国水利水电工程施工总承包一级(含)以上资质、专业 承包一级资质企业安管人员的安全生产考核。

各省、自治区、直辖市人民政府水行政主管部门对本省级行政区域内水禾j水电工 程施工企业主要负责人、项目负责人和专职安全生产管理人员安全生产工作实施监督管 理,负责本省级行政区域内工商注册的水利水电工程施工总承包二级(含)以下资质、 专业承包二级(含)以下资质企业安管人员的安全生产考核。

市、县级水行政主管部门依法对本行政区域内安管人员安全生产工作实施监督 检查。

3 )安管人员应具备与从事水利水电工程施工相应的安全生产知识和管理能力,经 考核管理部门考试合格后,申请取得水利水电工程施工企业主要负责人、项目负责人和 专职安全生产管理人员安全生产考核合格证书以下简称证书。证书有效期3年采 用电子证书形式,在全国水利水电工程建设领域适用。证书样式由国务院水行政主管部 门统一规定。

安管人员本人通过全国一体化在线政务服务平台向考核管理部门提出证书申领、 延续、变更和注销申请,也可递交纸质材料申请。安管人员对申请材料的真实性和有效 性负责。

  1. 安全生产考试内容

安全生产考试内容包括安全生产知识和管理能力两部分。

  1. 安全生产知识包括:安全生产工作的基本方针政策,安全生产方面的法律法 规、国家和水利行业安全生产有关规章制度、标准规范,地方法规规章、标准规范,水 利水电工程安全生产技术等。
  2. 安全生产管理能力包括:危险源辨识评估和风险管控,隐患排查治理,事故 报告和处置,应急管理,安全生产教育培训等。
  3. 安全生产考试采取闭卷答题形式考试时间150min;考试满分100分不低 于60分为合格成绩合格成绩有效期1年。
  4. 申领证书的条件

申领安全生产考核合格证书的安管人员应具备以下条件:

(1 )与受聘施工企业有正式劳动关系。

(2 )经安全生产教育培训合格申领证书年度安全生产培训不少于32个学时。 (3 )经考核管理部门安全生产考试合格。

  1. 项目负责人年龄不得超过建造师执业年龄,专职安全生产管理人员年龄不得 超过法定退休年龄。
  2. 学历、职业资格和工作经历要求:
  3. 项目负责人应具有建造师执业资格。
  4. 专职安全生产管理人员应具有中专或同等学历且具有3年及以上的水利水电工 程建设经历或大专及以上学历且具有2年及以上的水利水电工程建设经历。
  5. 证书延期条件

安管人员证书有效期届满需申请延续的,应具备以下条件:

(1 )与受聘施工企业有正式劳动关系。

  1. 经安全生产教育培训合格连续3年内每年度不少于12个学时。
  2. 项目负责人年龄不得超过建造师执业年龄,专职安全生产管理人员年龄不得 超过法定退休年龄。
  3. 证书有效期内未在水利生产安全事故中负有责任。
  4. 申领证书需要的材料

安管人员向考核管理部门申领证书,应提交以下材料:

(1 )承诺书。

  1. 证书申领申请表。

(3 )劳动合同和近3个月的社会保险参保缴费材料(退休人员应提供有效的退休 证明相关材料、劳务合同和意外伤害保险投保缴费材料)o

  1. 安全生产教育培训记录。

(5 )学历证书或建造师执业资格证书。

  1. 证书有效期及变更
  2. 安管人员应在证书有效期满前3个月内向考核管理部门提出延续申请。证 书每延续一次有效期3年有效期满未申请延续的证书自动失效。
  3. 安管人员在证书有效期内,因施工企业名称变化、资质变更等需变更证书的, 应向考核管理部门提出证书变更申请。变更后的证书有效期不变。

安管人员在证书有效期内,因个人信息变化、工作调动需变更证书的,应向考核 管理部门提出证书变更申请。变更后的证书有效期不变。

安管人员在证书有效期内,停止从事安全生产管理工作需注销证书的,应向考核 管理部门提出证书注销申请。

  1. 行政许可

证书申领、延续、变更和注销的申请材料不齐全或者不符合法定形式的,考核管 理部门应在5个工作日内一次性告知安管人员需补正的全部内容。考核管理部ΓΊ1应自证 书申领、延续、变更和注销申请受理之日起20个工作日内完成审查作出许可或不予 许可的决定20个工作日内不能作出决定的经考核管理部门负责人批准可以延长 10个工作日。决定予以许可的考核管理部门自作出决定之日起10个工作日内颁发、 延续、变更和注销证书;不予许可的,考核管理部门应书面说明理由。

  1. 处罚
  2. 安管人员隐瞒有关情况或者提供虚假材料申请安全生产考核的,考核管理部 门应不予受理或不予行政许可并给予警告1年内不得再次申请安全生产考核。安管 人员以欺骗、贿赂等不正当手段取得证书的考核管理部门应撤销证书3年内不得再 次申请安全生产考核。安管人员涂改、倒卖、出租、出借或者以其他形式非法转让证书 的,考核管理部门应撤销证书。安管人员对水利水电工程生产安全事故负有责任的,考 核管理部门应依法暂停或者吊销证书。
  3. 水行政主管部门发现安管人员违反法律、法规、规章等相关规定的,应当予 以查处,并按照水利建设市场信用管理有关要求,及时将本单位或同级人民政府及有关 部门作出的责任追究、行政处罚以及司法机关作出的刑事处罚等信息逐级报送至国务院 水行政主管部门,通过全国水利建设市场监管服务平台公开;应予撤销或吊销证书的, 应当及时将违法事实、处理建议及有关材料逐级报送至考核管理部门,由考核管理部门 依法作出处理。
  4. 安管人员受到县级以上人民政府及有关部门行政处罚的,在全国水利]建设市 场监管平台公开有关行政处罚的期限内,水行政主管部门和有关单位可采取以下严格监 管措施:
  5. 在行政许可、市场准人、招标投标、信用评价、评比表彰、政策试点、项目示 范、行业创新等事项中作为技术人员申报时,进行重点审查。
  6. 在“双随机、一公开”监督检查基础上,增加监督检查频次。

该办法施行前已经取得的安管人员证书仍然有效,由考核管理部门组织换发水利 水电工程施工企业主要负责人、项目负责人和专职安全生产管理人员安全生产考核合格 证书。

[注:《水利水电工程施工企业主要负责人、项目负责人和专职安全生产管理人员安全生产 考核管理暂行规定》(水建管2004168号),将企业主要负责人、项目负责人和专职安全生产 管理人员统称为"安全生产管理三类人员”。]

  1. 施工单位安全生产管理制度

根据《水利水电工程施工安全管理导则》SL 721—2015,施工单位应组织制定以下 安全生产管理制度:

  1. 安全生产目标管理制度。
  2. 安全生产责任制度。
  3. 安全生产考核奖惩制度。
  4. 安全生产费用管理制度。

(5 )意外伤害保险管理制度。

  1. 安全技术措施审查制度。
  2. 安全设施“三同时”管理制度。
  3. 用工管理、安全生产教育培训制度。
  4. 安全防护用品、设施管理制度。
  5. 生产设备、设施安全管理制度。
  6. 安全作业管理制度。
  7. 生产安全事故隐患排查治理制度。
  8. 危险物品和重大危险源管理制度。
  9. 安全例会、技术交底制度。
  10. 危险性较大的专项工程验收制度。
  11. 文明施工、环境保护制度。
  12. 消防安全、社会治安管理制度。
  13. 职业卫生、健康管理制度。
  14. 应急管理制度。
  15. 事故管理制度。
  16. 安全档案管理制度等。
  17. 企业安全生产费用

1 )提取标准

根据《企业安全生产费用提取和使用管理办法》(财资2022136号),企业安全 生产费用是指企业按照规定标准提取,在成本(费用)中列支,专门用于完善和改进企 业或者项目安全生产条件的资金。水利水电工程施工企业以建筑安装工程造价的2.5% 为依据,于月末按工程进度计算提取企业安全生产费用。建设单位应当在合同中单独约 定并于工程开工日一个月内向承包单位支付至少50%企业安全生产费用。总包单位应 当在合同中单独约定并于分包工程开工日一个月内将至少50%企业安全生产费用直接 支付分包单位并监督使用,分包单位不再重复提取。工程竣工决算后结余的企业安全生 产费用,应当退回建设单位。

  1. 费用支出范围

建设工程施工企业安全生产费用应当用于以下支出:

  1. 完善、改造和维护安全防护设施设备支出(不含“三同时”要求初期投人的

安全设施),包括施工现场临时用电系统、洞口或临边防护、高处作业或交叉作业防 护、临时安全防护、支护及防治边坡滑坡、工程有害气体监测和通风、保障安全的机 械设备、防火、防爆、防触电、防尘、防毒、防雷、防台风、防地质灾害等设施设备 支出。

  1. 应急救援技术装备、设施配置及维护保养支出,事故逃生和紧急避难设施设 备的配置和应急救援队伍建设、应急预案制修订与应急演练支出。
  2. 开展施工现场重大危险源检测、评估、监控支出,安全风险分级管控和事故 隐患排查整改支出,工程项目安全生产信息化建设、运维和网络安全支出。
  3. 安全生产检查、评估评价(不含新建、改建、扩建项目安全评价)、咨询和标 准化建设支出。
  4. 配备和更新现场作业人员安全防护用品支出。
  5. 安全生产宣传、教育、培训和从业人员发现并报告事故隐患的奖励支出。
  6. 安全生产适用的新技术、新标准、新工艺、新装备的推广应用支出。
  7. 安全设施及特种设备检测检验、检定校准支出。
  8. 安全生产责任保险支出。
  9. 与安全生产直接相关的其他支出。

(注:企业职工薪酬、福利不得从企业安全生产费用中支出。企业从业人员发现报吿事故隐 患的奖励支出从企业安全生产费用中列支。)

  1. 安全生产教育

根据《水利水电工程施工安全管理导则》SL 721—2015,施工单位应对三级安全教 育培训情况建立档案。三级安全教育内容是:

(1 )公司教育(一级教育)主要进行安全基本知识、法规、法制教育,包括:

  1. 党和国家的安全生产方针、政策。
  2. 安全生产法规、标准和法制观念。
  3. 本工程施工过程及安全规章制度、安全纪律。
  4. 本单位安全生产形势及历史上发生的重大事故及应吸取的教训。
  5. 发生事故后如何抢救伤员,排险,保护现场和及时进行报告。
  6. 项目部(工段、区、队)教育(二级教育)主要进行现场规章制度利1遵章守 纪教育,包括:
  7. 本工程施工特点及施工安全基本知识。
  8. 本单位(包括施工、生产现场)安全生产制度、规定及安全注意事项。
  9. 本工种的安全操作技术规程。
  10. 高处作业、机械设备、电气安全基础知识。
  11. 防火、防毒、防尘、防爆知识及紧急情况安全处置和安全疏散知识。
  12. 防护用品发放标准及防护用品、用具使用的基本知识。
  13. 班组教育(三级教育)主要进行本工种岗位安全操作及班组安全制度、纪律 教育,包括:
  14. 本班组作业特点及安全操作规程。
  15. 班组安全活动制度及纪律。
  16. 爱护和正确使用安全防护装置(设施)及个人劳动防护用品。
  17. 本岗位易发生事故的不安全因素及防范对策。
  18. 本岗位的作业环境及使用机械设备、工具的安全要求。
  19. 施工场地安全标志与安全色

1 安全标志

1 安全标志用以表达特定安全信息的标志,由图形符号、安全色、几何形状(边 框)或文字构成。施工场地应根据设备设施功能、危险源、安全防护要求及警示需要设 置明显的安全标志。

2 安全标志应设在与安全有关的醒目位置,不应设在可移动的物体上,确保安 全标志能够始终在观察者的视线范围内,不会出现偶尔被遮挡的情形(例如被打开的门 遮挡)。

2 安全标志的形状与颜色

安全标志分为以下四种图14.1-1

2026一建《水利》电子教材(可搜索)

图14.1-1安全标志

1 禁止标志,禁止人们的不安全行为。禁止标志的几何图形是带斜杠的圆环,其 中圆环与斜杠相连,用红色,图形符号用黑色,背景用白色。红色,传递禁止、停止、 危险或提示消防设备、设施的信息。

2 警告标志,提醒人们对周围环境引起注意,以免可能发生的危险。警告标志 的几何图形是黑色的正三角形、黑色符号和黄色背景。黄色,传递注意、警告的信息。

3 指令标志,强制人们必须做出某种动作或采取防范措施。指令标志的几何图 形是圆形,蓝色背景,白色图形符号。蓝色,传递必须遵守规定的指令性信息。

4 提示标志,向人们提供某种信息(如标明安全设施或场所等)。提示标志的几 何图形通常是方形(增加辅助标志时可以是矩形),绿色背景,白色图形符号及文字。 绿色,传递安全的提示性信息。

3补充标志

经风险评估认为评估区域内的观察者可能不熟悉该安全标志时,使用的安全标志 应带有能够传达安全标志含义的辅助文字,称为补充标志,是对前述四种标志的补充说 明,以防误解。补充标志分为横写和竖写两种。

1横写的为长方形写在标志的下方可以和标志连在一起也可以分开。

  1. 竖写的写在标志上部。
  2. 补充标志的颜色:竖写的,均为白底黑字;横写的,用于禁止标志的用红底 白字,用于警告标志的用白底黑字,用带指令标志的用蓝底白字。
  3. 辅助标志

提示目标位置的提示性标志应加方向辅助标志。按实际需要指示左向时,辅助标 志应放在图形标志的左方;指示右向时,辅助标志应放在图形标志的右方。

  1. 标志牌排列

多个安全标志牌设置在一起时,应按警告、禁止、指令、提示类型的顺序从左到 右、从上到下排列。

  1. 其他相关规定

根据工程的具体情况和需要确定安全标志设置场所及类型。有关示例见表14.1-2。

表14.1-2安全标志类型、颜色、设置场所、内容

标志类型 安全色 设置场所 标志内容
禁止标志 红色 人可能坠入的孔、槽、井、坑、池、沟等 禁止跨越
易燃易爆品等仓库、车库入口处 禁止烟火
电力变压器、高压配电装置、线路杆塔等带电设备的爬梯 禁止攀登、高压危险
警告标志 黄色 电气设备的防护围栏 当心触电
人可能坠入的孔、槽、井、坑、池的防护栏杆 当心坠落
机修间、修配厂车间入口处 当心机補伤人
超过55°的斜梯 当心滑跌
主要交通道口 当心车辆
露天油库,汽车库,存储易燃、可燃品的仓库等处 当心火灾
有可燃气体、爆炸物或爆炸性混合气体的场所 当心爆炸
指令标志 蓝色 施工区入口处 必须戴安全帽
密封区域施工 注意通风
提不标志 绿色 拌合楼 地点
安全疏散通道 安全通道、太平门
通往安全出口的疏散出口 安全出口
通向安全出口的疏散路线上 疏散方向
安全避险处所 避险区
消防设施

标志
红色 灭火设备集中摆放的位置 灭火设备
手提式灭火器的位置 手提式灭火器
推车式灭火器的位置 推车式灭火器
地上消火栓的位置 地上彡肖火栓

消防安全标志的设置应符合《消防安全标志设置要求》GB 15630-1995和《消防 安全标志 第1部分标志》GB 13495.1—2015的有关规定。

场地内道路交通标志和标线的设置应符合《道路交通标志和标线》GB 5768 (所有 部分)的有关规定。

工程中有关管路着色见表14.1-3。

表14.1-3工程中有关管路着色

管道类别 着色
供油管 红色
排油管 黄色
供水管 蓝色
排水管 绿色
压缩空气管 白色
消防水管 红色

14.1.3水利工程勘察设计与监理单位的安全生产责任

建设工程勘察、设计、监理单位分别是工程建设的活动主体之一,也是工程建设 安全生产的责任主体。《水利工程建设安全生产管理规定》水利部令第26号进一步 明确了上述责任主体安全生产的责任。

  1. 勘察(测)单位

1 )勘察(测)单位应当按照法律、法规和工程建设强制性标准进行勘察(测), 提供的勘察(测)文件必须真实、准确,满足水利工程建设安全生产的需要。

2勘察单位在勘察作业时应当严格执行操作规程采取措施保 证各类管线、设施和周边建筑物、构筑物的安全。

3 )勘察(测)单位和有关勘察(测)人员应当对其勘察(测)成果负责。

  1. 设计单位

1 设计单位应当按照法律、法规和工程建设强制性标准进行设计,并考虑项目 周边环境对施工安全的影响,防止因设计不合理导致生产安全事故的发生。

2 设计单位应当考虑施工安全操作和防护的需要,对涉及施工安全的重点部位 和环节在设计文件中注明,并对防范生产安全事故提出指导意见。

3 采用新结构、新材料、新工艺以及特殊结构的水利工程,设计单位应当在设 计中提出保障施工作业人员安全和预防生产安全事故的措施建议。

4 设计单位和有关设计人员应当对其设计成果负责。

5 设计单位应当参与与设计有关的生产安全事故分析,并承担相应的责任。

  1. 监理单位

1责任

1建设监理单位和监理人员应当按照法律、法规和工程建设强制性标准实施监 理,并对水利工程建设安全生产承担监理责任。

2 )建设监理单位应当审查施工组织设计中的安全技术措施或者专项施工方案是 否符合工程建设强制性标准。

  1. 建设监理单位在实施监理过程中,发现存在生产安全事故隐患的,应当要求 施工单位整改;对情况严重的,应当要求施工单位暂时停止施工,并及时向水行政主管 部门、流域管理机构或者其委托的安全生产监督机构以及项目法人报告。
  2. 安全生产管理制度

根据《水利水电工程施工安全管理导则》SL 721—2015,监理单位应组织银]定以下 安全生产管理制度:

(1 )安全生产责任制度。

  1. 安全生产教育培训制度。
  2. 安全生产费用、技术、措施、方案审查制度。
  3. 生产安全事故隐患排查制度。
  4. 危险源监控管理制度。
  5. 安全防护设施、生产设施及设备、危险性较大的专项工程、重大事故隐患治 理验收制度。
  6. 安全例会制度及安全档案管理制度等。
  7. 注意事项

在落实上述单位的安全生产责任时,须注意以下几点:

1 )对建设工程勘察单位安全责任的规定中包括勘察标准、勘察文件和勘察操作 规程三个方面

  1. 第一个方面是勘察标准。勘察单位应执行有关法律、法规和工程建设强制性 标准。

勘察单位在从事勘察工作时,应当满足相应的资质标准,即勘察单位必须具有相 应的勘察资质,并且只能在其资质等级许可的范围内承揽勘察业务。

  1. 第二个方面是勘察文件。勘察文件在符合国家有关法律法规和技术标准的基 础上,应当满足设计以及施工等勘察深度要求,必须真实、准确。
  2. 第三个方面是勘察单位在勘察作业时应严格执行有关操作规程。防止因钻探、 取土、取水、测量等活动,对各类管线、设施和周边建筑物、构筑物造成危害。勘察单 位有权拒绝建设单位提出的违反国家有关规定的不合理要求,并提出保证工程勘察质量 所必需的现场工作条件和合理工期。

2)对建设工程设计单位安全责任的规定中包括设计标准、设计文件和设计人员 三个方面

(1 )第一个方面是设计标准。因为强制性标准是对所有设计的普遍性要求,每个 工程项目均有其特殊性,所以提醒设计单位注意周边环境因素可能对工程的施工安全的 影响,周边环境因素包括施工现场及施工可能影响的毗邻区域内供水、排水、供电、供 气、供热、通信、广播电视等地下管线,气象和水文条件,拟建工程可能对相建筑物 和构筑物、地下工程的影响等。同时提醒设计单位注意由于设计本身的不合理也可能导 致生产安全事故的发生。

(2)第二个方面是设计文件。规定了设计单位有义务在设计文件中提醒施工单位 等应当注意的主要安全事项。“注明”和“提出指导意见”两项义务,在普通民事合同 中,这种义务只能看作是一种附随义务,一般不会因违反而承担严重的法律后果。但水利建设施工安全事关公众重大利益,并且一般情况下只有工程设计单位和设计人员对工 程项目的结构、材料、强度、可能的危险源等有全面准确的理解和把握,如果设计单位 或设计人员不履行提醒义务可能造成十分严重的社会后果。所以,在此将之规定为工程 设计单位的一种强制义务,体现出国家权力对司法领域的适当干预。

  1. 第三个方面是设计人员。设计人员应当具备国家规定的执业资格条件,如 2005年人事部、建设部、水利部联合颁布了《注册土木工程师(水利水电工程)制度 暂行规定》等文件,从事水利水电工程除单位具备资质外,设计人员也将实行执业资格 等管理制度。
  2. 对工程建设监理单位安全责任的规定中包括技术标准、施工前审查和施工过 程中监督检查三个方面

(1 )第一个方面是监理人员应当严格按照国家的法律法规和技术标准进行工程的 监理。

  1. 第二个方面是监理单位施工前应当履行有关文件的审查义务。监理单位对施工 组织设计和专项施工方案的安全审查责任,从履行形式上看,它是一种书面审查,其对 象是施工组织的设计文件或专项施工方案。从内容上看,它是监理单位和监理人员运用 自己的专业知识,以法律、法规和监理合同以及施工合同中约定的强制性标准为依据, 对施工组织设计中的安全技术措施和专项施工方案进行安全性审查。
  2. 第三个方面是监理单位应当履行代表项目法人对施工过程中的安全生产情况 进行监督检查义务。

有关义务可以分为两个层次:

一是在发现施工过程中存在安全事故隐患时,应当要求施工单位整改。“安全事故 隐患”是指施工单位的劳动安全设施和劳动卫生条件不符合国家规定,对劳动者和其他 人群健康安全及公私财产构成威胁的状态。这里的“发现”既包括事实上的“发现”, 也包括根据监理合同规定的监理单位职责以及监理人员应当具备的基本技能"应当发 现”生产安全事故隐患等,只有这样才能杜绝监理单位因玩忽职守而逃脱安全责任。 “情况严重”是指事故隐患事态紧急,可能造成人身或财产的重大损失的情况,例如建 筑物倾斜、滑坡等。

二是在施工单位拒不整改或者不停止施工时等情况下的救急责任,监理单位应当 履行及时报告的义务。

14.1.4水利工程安全生产监督管理的内容

  1. 监督管理体系和职责

根据《水利安全生产监督管理办法(试行)》(水监督2021412号),水利安全 生产监督管理工作实行分级负责、属地管理。水利部、流域管理机构、地方水行政主管 部门应当建立健全安全生产领导小组(安全生产委员会)统一领导的协调机制和综合监 管与专业监管分工负责的工作机制。其中:

(1 )水利部指导水利行业安全生产工作,负责对其直属单位安全生产工作进行监 督管理,对地方水行政主管部门、流域管理机构水利安全生产工作进行指导和监督。

(2)流域管理机构负责对其直属单位和管辖范围内水利生产经营单位安全生产工

作进行监督管理,按照法律、行政法规规定和水利部授权开展安全生产监督管理工作。

(3 )水利部其他直属单位及所属水利生产经营单位依法履行安全生产主体责任, 逐级加强内部安全生产管理和监督检查,自觉接受属地政府及有关部门的安全生产监督 管理。

  1. 地方水行政主管部门指导本行政区域内水利安全生产工作,负责对其直属单 位和管辖范围内水利生产经营单位安全生产工作进行监督管理,对下级水行政主管部门 水利安全生产工作进行指导和监督。

根据《中华人民共和国安全生产法》第九条、第六十条,《建设工程安全生产管理 条例》第三十九条、第四十条等有关规定,《水利工程建设安全生产管理规定》(水利部 令第26号)结合水利工程建设的特点以及建设管理体系的具体情况,对水利工程建设 安全生产监督管理体系和职责要求有以下:

  1. 水行政主管部门或者流域管理机构委托的安全生产监督机构,应当严格按照 有关安全生产的法律、法规、规章和技术标准,对水利工程施工现场实施监督检查。安 全生产监督机构应当配备一定数量的专职安全生产监督人员。
  2. 水行政主管部门或者其委托的安全生产监督机构应当自收到《水利:£程建设 安全生产管理规定》(水利部令第26号)第九条和第十一条规定的有关备案资料后20 曰内,将有关备案资料抄送同级安全生产监督管理部门。流域管理机构抄送项目所在地 省级安全生产监督管理部门,并报水利部备案。
  3. 水行政主管部门、流域管理机构或者其委托的安全生产监督机构依法履行安 全生产监督检查职责时,有权采取下列措施:
  4. 要求被检查单位提供有关安全生产的文件和资料。
  5. 进人被检查单位施工现场进行检查。
  6. 纠正施工中违反安全生产要求的行为。
  7. 对检查中发现的安全事故隐患,责令立即排除;重大安全事故隐患排除前或者 排除过程中无法保证安全的,责令从危险区域内撤出作业人员或者暂时停止施工。
  8. 各级水行政主管部门和流域管理机构应当建立举报制度,及时受理对水利工 程建设生产安全事故及安全事故隐患的检举、控告和投诉;对超出管理权限的,应当及 时转送有管理权限的部门。举报制度应当包括以下内容:
  9. 公布举报电话、信箱或者电子邮件地址,受理对水利工程建设安全生产的举报。
  10. 对举报事项进行调查核实,并形成书面材料。
  11. 督促落实整顿措施,依法作出处理。
  12. 监督管理原则
  13. 水利安全生产监督管理应当以人为本,坚持人民至上、生命至上,统筹发展 和安全。
  14. 坚持安全第一、预防为主、综合治理的方针,从源头上防范化解重大安全风险。
  15. 坚持党政同责、一岗双责、齐抓共管、失职追责,实行管行业必须管安全、管 业务必须管安全、管生产经营必须管安全。
  16. 水利生产经营单位安全生产管理总体要求

《水利安全生产监督管理办法(试行)》(水监督2021412号),进一步明确了 生产经营单位安全生产管理的总体要求。

(1 )水利生产经营单位应当具备有关法律、行政法规和技术标准等规定的安全生 产条件;不具备安全生产条件的,不得从事水利生产经营活动。

  1. 水利生产经营单位应当建立健全并落实本单位全员安全生产责任制,按规定设 置安全生产管理机构或者配备专(兼)职安全生产管理人员,制定并实施安全生产规章 制度、操作规程,开展安全生产教育和培训,建立并落实安全风险分级管控和隐患排查 治理双重预防工作机制,建立安全生产承诺制度,加强安全生产标准化和信息化建设, 依法参加工伤保险和按规定投保安全生产责任保险,制定并实施生产安全事故应急救援 预案,及时、如实报吿安全生产信息。
  2. 水利生产经营单位的主要负责人是本单位安全生产第一责任人,对本单位的 安全生产工作全面负责,其他负责人对职责范围内的安全生产工作负责。水利生产经 营单位可以设置专职安全生产分管负责人,协助本单位主要负责人履行安全生产管理 职责。
  3. 水利生产经营单位应当建立安全风险分级管控制度,落实安全风险查找、研 判、预警、防范、处置、责任等环节的全链条管控机制,定期开展危险源辨识,评价确 定危险源风险等级,实施安全风险预警,落实监测、控制和防范措施,采取科学有效措 施进行差异化处置,明确和落实各级各岗位的管控责任,并根据实际情况动态更新,按 规定报告和备案。

(5 )水利生产经营单位应当建立健全并落实生产安全事故隐患排查治理制度,明确 排查治理责任,落实排查治理经费,采取技术、管理措施,及时发现并消除事故隐患, 按规定通报和报告。

  1. 水利生产经营单位的特种作业人员和特种设备作业人员必须取得相应资格方 可上岗作业。

水利水电工程施工企业主要负责人、项目负责人和专职安全生产管理人员应当经 水利部或省级水行政主管部门安全生产考核合格。

  1. 水利生产经营单位应当加强安全生产标准化建设,建立并持续完善安全生产 管理体系,提升安全生产管理水平。
  2. 水利生产经营单位应当加强安全生产信息化建设,应用水利安全生产监管信 息系统,推广运用信息技术手段,提高安全生产保障能力。
  3. 水利生产经营单位将工程建设项目、生产经营项目、场所等发包或出租给其 他单位的,或者两个以上生产经营单位在同一作业区域内进行生产经营活动可能危及对 方生产安全的,应当签订专门的安全生产管理协议或在合同中约定各自的安全生产管理 职责。
  4. 监督检查的主要内容

根据《水利部关于印发水利工程建设安全生产监督检查导则的通知》(水安监 2011475号)和《重大水利工程建设安全生产巡查工作制度》,各级水行政主管部门 安全生产监督检查的主要内容如下:

1)对项目法人安全生产监督检查的内容

(1 )安全生产管理制度建立情况。

(2)安全生产管理机构设立及人员配置情况。

(3 )安全生产责任制建立及落实情况。

  1. 安全生产例会制度、安全生产检查制度、教育培训制度、职业卫生帝ϋ度、事 故报吿制度等执行情况。

(5 )安全生产措施方案的制定、备案与执行情况。

  1. 危险性较大单项工程、拆除爆破工程施工方案的审核及备案情况。
  2. 工程度汛方案和超标准洪水应急预案的制定、批准或备案、落实情况。
  3. 施工单位安全生产许可证、安全生产“三类人员”和特种作业人员持证上岗 等核查情况。

(9 )安全生产措施费用落实及管理情况。

(10 )安全生产应急处置能力建设情况。

  1. 事故隐患排查治理、重大危险源辨识管控等情况。
  2. 开展水利安全生产标准化建设情况。
  3. 对施工单位安全生产监督检查的内容

ί 1)安全生产管理制度建立情况。

(2)安全生产许可证的有效性。

(3 )安全生产管理机构设立及人员配置情况。

  1. 安全生产责任制落实情况。
  2. 安全生产例会制度、安全生产检查制度、教育培训制度、职业卫生帯I度、事 故报告制度等执行情况。

(6 )安全生产有关操作规程制定及执行情况。

(7 )施工组织设计中的安全技术措施及专项施工方案制定和审查情况。

  1. 安全施工交底情况。
  2. 安全生产“三类人员”和特种作业人员持证上岗情况。

(10 )安全生产措施费用提取及使用情况。

  1. 安全生产应急处置能力建设情况。
  2. 隐患排查治理、重大危险源辨识管控等情况。
  3. 对施工现场安全生产监督检查的内容
  4. 安全技术措施及专项施工方案落实情况。
  5. 施工支护、脚手架、爆破、吊装、临时用电、安全防护设施和文明施工等情况。 (3 )安全生产操作规程执行情况。
  6. 安全生产“三类人员”和特种作业人员持证上岗情况。

(5 )个体防护与劳动防护用品使用情况。

  1. 应急预案中有关救援设备、物资落实情况。

(7 )特种设备检验与维护状况。

(8)消防、防汛设施等落实及完好情况。

  1. 水利工程建设安全生产问题追究

有关水利工程建设质量安全生产的监督检查、问题认定和责任追究等,执行《水 利工程建设质量与安全生产监督检查办法(试行)》(以下简称检查办法),主要内容有以下:

1 安全生产管理是指建设、勘察设计、监理、施工、质量检测等参建单位按照 法律、法规、规章、技术标准和设计文件开展安全策划、安全预防、安全治理、安全改 善、安全保障等工作。

2 水利工程建设安全生产问题,是指安全生产管理违规行为。水利工程生产安 全事故的分类、报告、调查、处理、处罚等工作按照《生产安全事故报告和调查处理条 例》执行。

3 安全生产管理违规行为是指水利工程建设参建单位及其人员违反法律、法规、 规章、技术标准、设计文件和合同要求的各类行为。安全生产管理违规行为分为一般安 全生产管理违规行为、较重安全生产管理违规行为、严重安全生产管理违规行为。检查 办法附有相关认定标准。

4 )对责任单位的责任追究方式与水利工程建设质量问题追究方式一致。

  1. 水利安全生产信息报告和处置

根据《水利安全生产信息报告和处置规则》水安监20162加号水利安全生 产信息报告和处置的主要要求有:

1信息报告

1水利安全生产信息

水利安全生产信息包括基本信息、危险源信息、隐患信息、事故信息和应急管理 信息等。均应通过水利安全生产监管信息系统(以下简称信息系统)报送。

在建工程由项目法人负责填报安全生产信息。各单位(项目法人)负责填报本单位 (工程)安全生产责任人[包括单位(工程)主要负责人、分管安全生产负责人]信息, 并在每年1月31日前将单位安全生产责任人信息报送主管部门。

各流域管理机构、地方各级水行政主管部门负责填报工程基本信息中的政府、行 业监管负责人(包括政府安全生产监管负责人、行业安全生产综合监管负责人、行业安 全生产专业监管负责人信息并在每年1月31日前将政府、行业监管负责人信息 在互联网上公布,供公众监督,同时报送上级水行政主管部门。责任人信息变动时,应 及时到信息系统进行变更。

2 )基本信息

基本信息包括水行政主管部门和水利生产经营单位(以下简称单位)基本信息以及 水利工程基本信息。

  1. 单位基本信息包括单位类型、名称、所在行政区划、单位规格、经费来源、所 属水行政主管部门,主要负责人、分管安全负责人、安全生产联系人信息,安全生产承 诺信息,经纬度等。
  2. 工程基本信息包括工程名称、工程状态、工程类别、所属行政区划、所属单位、 所属水行政主管部门,相关建设、设计、施工、监理、验收等单位信息,工程类别特性 参数,政府安全负责人、水行政主管部门安全负责人信息,工程主要责任人、分管安全 负责人信息,经纬度等。

3 )危险源信息

危险源信息包括危险源基本信息、管控措施方案信息等。

  1. 危险源基本信息包括危险源名称、危险源情况、危险源所在工程、危险源级别、 危险源类型、危险源风险等级、辨识单位、辨识人员、辨识日期等。
  2. 管控措施方案信息包括管控目标和任务、安全防范应急方案、管控措施、管控 责任单位、责任人等。
  3. 危险源级别、类型、风险等级信息,水利工程施工按照《水利水电工程施工危 险源辨识与风险评价导则(试行)》规定填报。

4 )隐患信息

隐患信息包括隐患基本信息、整改方案信息、整改进展信息、整改完成‘隋况信息 四类信息。

  1. 隐患基本信息包括隐患名称、隐患情况、隐患所在工程、隐患级别、隐患类型、 排查单位、排查人员、排查日期等。
  2. 整改方案信息包括治理目标和任务、安全防范应急预案、整改措施、整改责任 单位、责任人、资金落实情况、计划完成日期等。
  3. 整改进展信息包括阶段性整改进展情况、填报时间人员等。
  4. 整改完成情况信息包括实际完成日期、治理责任单位验收情况、验收责任人等。
  5. 隐患应按水库建设与运行、水电站建设与运行、农村水电站及配套电网建设与 运行、水闸建设与运行、泵站建设与运行、堤防建设与运行、引调水建设与运行、灌溉 排水工程建设与运行、淤地坝建设与运行、河道采砂、水文测验、水利工程勘测设计、 水利科学研究实验与检验、后勤服务、综合经营、其他隐患等类型填报。
  6. 各单位负责填报本单位的隐患信息,项目法人负责填报工程隐患信息。隐患信 息实行“零报告”制度,当月没有排查出隐患也要按时报告。隐患信息除通过信息系统 报告外,还应依据有关法规规定,向有关政府及相关部门报告。
  7. 重大事故隐患须经单位(项目法人)主要负责人签字并形成电子扫描件后,通 过信息系统上报。

5 )事故信息

事故信息包括生产安全事故和较大涉险事故信息。

  1. 水利生产安全事故信息报告包括事故文字报告、电话快报、事故月f艮和事故 调查处理情况报告。
  2. 事故文字报告格式见表14.1-4。其中事故已经造成或者可能造成的伤亡人 数(包括下落不明、涉险的人数)。文字报告按规定直接向水利部监督司报告。
  3. 事故调查处理情况报告包括:负责事故调查的人民政府批复的事故调查报告、 事故责任人处理情况等。
  4. 水利生产安全事故等级划分按《生产安全事故报告和调查处理条例》第三条 执行。
  5. 较大涉险事故包括涉险10人及以上的事故造成3人及以上被困或者下落不 明的事故紧急疏散人员500人及以上的事故危及重要场所和设施电站、重要水利 设施、危化品库、油气田和车站、码头、港口、机场及其他人员密集场所等)安全的事 故;其他较大涉险事故。

表14.1-4事故情况表

填报单位:(盖章) 填报时间: 年 月曰
事故发生时间 事故发生地点
事故单位 名称
类型
主要负贵人
联系方式
上级主管部门(单位)
事故工程概况 名称
开工时间
工程规模
项目法人 名称
上级主管部门
设计单位 名称
资质
施工单位 名称
资质
监理单位 名称
资质
竣工验收时间
投入使用时间
伤亡人员基本情况
事故简要经过
事故已经造成和可能造成的伤亡人数, 初步估计事故造成的直接经济损失
事故抢救进展情况和采取的措施
其他有关情况

填报说明1.亊故单位类型填写1水利T程建设2水利工程管理3 )农村水电站及配套电网建

设与运行4水文测验5水利工程勘测设计6水利科学研究实验与检验7后 勤服务和综合经营8其他。非水利系统事故单位应予以注明。

  1. 事故不涉及水利工程的,工程概况不填。
  2. 水利部监督司电话:略。
  3. 事故信息除电话快报、文字报告和信息系统月报外,还应依据有关佐规规定, 向有关政府及相关部门报告。
  4. 事故发生单位事故信息报告时限和方式。事故发生后,事故现场有关人员应当 立即向本单位负责人电话报告单位负责人接到报告后在lh内向主管单位和事故发 生地县级以上水行政主管部门电话报告。其中,水利工程建设项目事故发生单位应立即 向项目法人项目部负责人报告项目法人项目部负责人应于lh内向主管单位 和事故发生地县级以上水行政主管部门报告。

部直属单位或者其下属单位(以下统称部直属单位)发生的生产安全事故信息,在 报告主管单位同时应于lh内向事故发生地县级以上水行政主管部门报告。

  1. 水行政主管部门事故信息报告时限和方式。水行政主管部门接到事故发生单位 的事故信息报告后,对特别重大、重大、较大和造成人员死亡的一般事故以及较大涉险 事故信息应当逐级上报至水利部。逐级上报事故情况每级上报的时间不得超过2h。

部直属单位发生的生产安全事故信息,应当逐级报告水利部。每级上报的时间不 得超过2h。

情况紧急时,事故现场有关人员可以直接向事故发生地县级以上水行政主管部门 报告,水行政主管部门也可以越级上报。

  1. 水行政主管部门事故信息快报时限和方式。发生人员死亡的一般事故的,县级 以上水行政主管部门接到报告后在逐级上报的同时应当在lh内电话快报省级水行 政主管部门随后补报事故文字报告。省级水行政主管部门接到报告后应当在lh内 电话快报水利部,随后补报事故文字报告。

地方水行政主管部门接到发生较大事故的报告应在事故发生lh内快报、2h内书 面报告水利部监督司特别重大事故、重大事故应力争在20min内快报、40min内书 面报告水利部监督司。

部直属单位(工程)发生的生产安全事故信息,在逐级报告的同时,其中佼大事故、 有人员死亡的一般事故应在事故发生lh内快报、2h内书面报告水利部监督司发生 特别重大事故、重大事故应力争在20min内快报、40min内书面报告水利部监督司。

  1. 对于不能立即认定为生产安全事故的,应当先按照本办法规定的信息告内容、 时限和方式报告,其后根据负责事故调查的人民政府批复的事故调查报告,及日寸补报有 关事故定性和调查处理结果。

⑪事故报告后出现新情况或事故发生之日起30日内道路交通、火灾事故自发 生之日起7日内人员伤亡情况发生变化的应当在变化当日及时补报。

⑫事故月报报告时限和方式。水利生产经营单位、部直属单位应当通过信息系统 将上月本单位发生的造成人员死亡、重伤(包括急性工业中毒)或者直接经济损失在 100万元以上的水利生产安全事故和较大涉险事故情况逐级上报至水利部。省级水行政 主管部门、部直属单位须于每月6日前将事故月报通过信息系统报告水利部监督司。 事故月报实行“零报告”制度,当月无生产安全事故也要按时报告。

6 )应急管理信息

应急管理信息包括水行政主管部门和生产经营单位生产安全事故应急预案信息(以 下简称应急预案信息)、生产安全事故应急预案演练信息(以下简称应急预案演练信息)、应急队伍信息、应急物资和装备信息四类信息。

  1. 水利生产经营单位负责填报本单位安全生产应急预案信息,并通过信息系统向 县级以上水行政主管部门办理生产安全事故应急救援预案备案手续。县级以上水行政主 管部门负责在信息系统中填报本部门安全生产应急预案信息,按职责分工负责管辖范围 内水利生产经营单位应急预案备案受理。水利生产经营单位和水行政主管部门预案修订 后应及时在系统中更新信息,水利生产经营单位预案信息应及时向从业人员公布,水行 政主管部门预案按规定应报送本级人民政府备案。
  2. 水利生产经营单位负责填报本单位应急预案演练信息,其中项目法人应当按规 定组织水利工程施工单位每半年开展一次预案演练;水行政主管部门负责填报本部门预 案演练信息部门预案至少每2年开展一次演练及时填报预案演练信息。

2信息处置

1基本信息

上级水行政主管部门应对下级单位和工程基本信息进行审核。每年对单位和工程 情况进行复核确保辖区内水利生产经营单位和规模以上工程100%纳人信息系统管理 范围。

各级水行政主管部门充分利用信息系统安全生产信息,在开展安全生产检查督查 时,全面采用“不发通知、不打招呼、不听汇报、不要陪同接待,直奔基层、直插现 场”的“四不两直”检查方式,及时发现安全生产隐患和非法违法生产情况,促进安全 隐患的整改和安全管理的加强,切实提升安全检查质量。

2 )危险源信息

单位要建立安全风险公告制度,设置风险公告栏、岗位安全风险吿知卡,重大安 全风险工作场所要设置警示标志。要按照安全风险等级实行分级管理,按规定落实各级 单位、部门、车间(施工项目部)、班组(施工现场)、岗位(各工序施工作业面)的 管控责任。

对重大危险源应当登记建档,进行定期检测、评估、监控,按照国家有关规定将 本单位重大危险源及有关安全措施、应急措施报有关地方人民政府应急管理部门和水行 政主管部门备案。

水行政主管部门对管辖范围内备案的重大危险源信息,要明确监管责任,制定监 管措施,督促指导水利生产经营单位强化管控。对未有效实施监测和控制的重大危险 源,应作为重大隐患纳入信息系统并按规定挂牌督办。水行政主管部门要根据不同工程 的风险情况,确定不同的监督检查频次、重点内容,实行差异化、精准化动态监管。

3 )隐患信息

单位应当每月通过职工代表大会、信息公示栏等方式,向从业人员通报事故隐患 信息排查情况、整改方案、“五落实”情况、治理进展等情况。重大隐患排查治理情况 应当及时向水行政主管部门和职工大会或职工代表大会报告。

地方各级水行政主管部门应建立健全重大事故隐患治理督办制度,对上报的重大 隐患信息进行督办跟踪,督促有关单位消除重大事故隐患。各级水行政主管部门应定期 对隐患信息汇总统计,分析隐患整改率、重大隐患整改情况及存在的问题等,对本地区 安全生产形势以及单位或工程安全状况进行判断分析,并提出相应的工作措施,确保安

全生产。

(4 )事故信息

接到事故报告后,相关水行政主管部门应当立即启动生产安全事故应急预案。相 关水行政主管部门应当派员赶赴事故现场:

  1. 发生特别重大事故的,水利部负责人立即赶赴事故现场;
  2. 发生重大事故的,水利部相关司局和省级水行政主管部门负责人立即赶赴事故 现场;
  3. 发生较大事故的,省级水行政主管部门和市级水行政主管部门负责人立即赶赴 事故现场;
  4. 发生人员死亡一般事故和较大涉险事故的,市级水行政主管部门负责人立即赶 赴事故现场;
  5. 发生其他一般事故的,县级水行政主管部门负责人立即赶赴事故现场;
  6. 部直属单位发生人员死亡生产安全事故或较大涉险事故的,事故责任单位负责人 应当立即赶赴事故现场。水利部负责人或者相关司局负责人根据事故等级赶赴事故现场;
  7. 发生较大事故、一般事故和较大涉险事故,上级水行政主管部门认为必要的, 可以派员赶赴事故现场。

水利部对重大、较大事故处理进行跟踪督导,督促负责事故调查的地方人民政府 按照“四不放过”原则严肃追究相关责任单位和责任人责任,将事故处理到位。相关水 行政主管部门应当将负责事故调查的人民政府批复的事故调查报告逐级上报至冰利部。 各级水行政主管部门应当建立事故信息报告处置制度和内部流程,并向社会公布值班电 话,受理事故信息报告和举报。

(5 )应急管理信息

县级以上水行政主管部门应当建立应急预案备案登记建档制度,应当对本行政区 域内项目法人、水利工程施工单位的生产安全事故应急救援预案演练进行抽查;发现演 练不符合要求的,应当责令限期改正。

  1. 风险管控"六项机制"

根据《构建水利安全生产风险管控“六项机制”的实施意见》(水监督2022 309号),构建水利安全生产风险查找、研判、预警、防范、处置和责任等风险管控“六 项机制”。按照《水利安全生产风险管控“六项机制”实施工作指南(2024年版)》, 主要工作要求有:

1 )健全风险查找机制,提升风险发现能力

  1. 建立安全风险分级管控制度:

水利工程建设项目法人应组织工程参建单位现场管理机构建立本项目安全风险分 级管控制度,明确危险源辨识,风险评价,风险预警,风险管控的程序、方法、频次和 责任等。新开工水利工程建设项目应在开工前制定该制度,已开工建设项目应按照要求 及时补充完善相关制度。

  1. 危险源辨识可采取直接判定法、安全检查表法、预先危险性分析法及因果分 析法等方法。应优先采用直接判定法,不能用直接判定法辨识的,可采用其他方■法进行 判定。

水利工程建设项目法人应组织参建单位按照水利部印发的《水利水电工程施工危险 源辨识与风险评价导则(试行)》进行辨识。

3 新开工水利工程建设项目,在项目开工前,项目法人应组织各参建单位全面 开展一次危险源辨识及风险评价工作。各施工单位应开展各自标段的危险源辨识及风险 评价工作,将结果及时报送项目法人和监理单位审核。已开工水利工程建设项目,各标 段施工单位应按照制度规定开展各自标段的危险源辨识及风险评价工作,将结果及时报 送项目法人和监理单位审核。

4 水利工程建设项目施工期,施工单位应根据本工程建设项目安全风险分级管 控制度确定的危险源辨识周期和施工进展情况对危险源实施动态辨识,动态辨识每季度 应至少开展一次。达到或超过一定规模的危险性较大单项工程施工过程中,应结合实际 适时组织动态辨识施工时间少于3个月的应至少开展一次辨识。动态辨识结果及时 报项目法人和监理单位现场管理机构。

5 发生下列情形时,应及时组织重新辨识:

  1. 相关法律法规、技术标准发布(修订)。
  2. 施工条件、构(建)筑物、机械设备、金属结构、设施场所、作业活动、作业 环境、生产工艺、管理体系等相关要素发生较大变化。
  3. 发生生产安全事故。
  4. 对首次采用尚无相关技术标准的新技术、新材料、新设备、新工艺的部位或单 项工程。
  5. 上级主管部门监督检查中发现新的重大风险危险源。

2 健全风险研判机制,提升科学评价能力

1 )水利工程建设项目法人应组织参建单位对所辨识危险源的风险等级逐一进行 评价。危险源的风险等级由高到低依次为重大风险、较大风险、一般风险和低风险四个 等级。重大危险源的风险等级直接评定为重大风险;一般危险源可以采用作业条件危险 性分析法LEC、安全检查表法等方法进行分析判定推荐使用LEC法。

2建立重大风险危险源专项档案。水利工程建设项目法人负责组织各参建单位 对本项目所有重大危险源和风险等级为重大的一般危险源(以下简称重大风险危险源), 建立重大风险危险源专项档案,专项档案包括但不限于重大风险危险源基本情况、安全 管理制度及安全操作规程、安全监测监控记录、安全风险警示牌设置记录、维修养护记 录、“一源一案”及应急演练记录等资料。

3 健全风险预警机制,提升高效应对能力

1 落实监测监控措施。水利工程建设项目法人应组织各参建单位对较大及以上 风险危险源逐一明确监测监控措施、监测频次、监测指标及预警阈值,建立危险源监控 清单。应优先采用自动监测方式,加强对危险源特别是重大风险危险源的监测监控,合 理确定监测监控措施、频次、指标及预警阈值,并按照规定开展人工校核,确保监测设 施设备正常运行。水利工程建设项目各参建单位应按照确定的监测监控要求开展工作, 记录保存监测监控、值班值守、巡查检查及设备设施维护保养等资料。

2 严格值班值守。水利工程建设项目由项目法人和施工单位建立值班值守制度 和事故信息报告制度。落实本建设项目与属地水行政主管部门、应急管理部门以及应急救援队伍的常用、备用联系方式,特别是值班联系方式。

  1. 及时实施预警。当危险源监测指标值超过监测预警阈值后,水利工程建设项 目法人应组织各参建单位立即采取相应管控措施和应急处置措施。当风险得到有效控制 后,水利工程建设项目法人应解除预警。
  2. 健全风险防范机制,提升精准防控能力
  3. 落实风险分级管控责任。危险源实行分级管控,根据本项目组织机构设置情 况,确定每个危险源的现场管控责任人、组织管控责任人、监督责任人。

危险源的现场管控责任人应由一线员工担任。

水利工程建设项目组织管控责任人和监督责任人按以下原则确定:

  1. 重大风险危险源:由项目法人主要负责人组织监理单位、施工单位共同管控, 属地水行政主管部门或部直属单位监督。
  2. 较大风险危险源:由监理单位现场管理机构主要负责人组织施工单位共同管控, 项目法人主要负责人监督。
  3. 一般风险和低风险危险源:由施工单位现场管理机构负责人组织管控,监理单 位现场管理机构负责人监督。

水利工程建设采用代建制模式的组织管控责任人和监督责任人按以下原贝I确定

  1. 重大风险危险源:由项目法人主要负责人会同代建单位主要负责人组织监理单 位、施工单位共同管控,属地水行政主管部门或部直属单位监督。
  2. 较大风险危险源:由监理单位现场管理机构主要负责人组织施工单位共同管控, 代建单位主要负责人监督。
  3. 一般风险和低风险危险源:由施工单位现场管理机构负责人组织管控,监理单 位现场管理机构负责人监督。

水利工程建设采用建设项目总承包模式的,组织管控责任人和监督责任人按以下 原则确定:

  1. 重大风险危险源:由项目法人主要负责人组织监理单位、总承包单位共同管控, 属地水行政主管部门或部直属单位监督。
  2. 较大风险危险源:由监理单位现场管理机构主要负责人组织总承包单位共同管 控,项目法人主要负责人监督。
  3. 一般风险和低风险危险源:由总承包单位现场管理机构负责人组织管控,监理 单位现场管理机构负责人监督。
  4. 落实风险管控措施。水利工程建设项目风险管控措施由项目法人安全生产分管 负责人组织各参建单位现场管理机构负责人、专业技术人员、一线员工共同研究制定。 较大及以上风险危险源管控措施应逐一制定,一般风险和低风险危险源管控措施可根据 实际情况适当合并。危险源风险管控措施包括但不限于风险公告、工程技术、管理、教 育培训、个体防护和应急处置等措施。

①风险公告措施。设置安全风险空间分布图、安全风险公告栏、重大风险警示牌、 岗位风险告知卡、安全警示标志等。

  1. 安全风险空间分布图。安全风险空间分布图以平面图等形式呈现工程现场不同 风险等级区域的分布情况,一般设置于工程入口处或其他醒目位置,其中重大风险区标 为红色,较大风险区为橙色,一般风险区为黄色,低风险区为蓝色。
  2. 安全风险公告栏。安全风险公告栏是对管理范围内的重大风险进行告知,一般 设置于工程人口处或其他醒目位置,主要内容包括危险源名称、位置、类别、级别、风 险等级、事故诱因、可能导致的后果、管控责任人(监督责任人、组织管控责任人、现 场管控责任人)及报告电话等内容。
  3. 重大风险警示牌。重大风险警示牌是对重大风险危险源进行警示,一般设置于 重大风险危险源所在场所的醒目位置,主要内容包括危险源名称、级别、风险等级、所 在部位、事故诱因、可能导致的后果、管控措施/应急措施、管控责任人、报告电话等 信息。
  4. 岗位风险告知卡。岗位风险告知卡是对参与本工程建设的具体岗位进行风险告 知,设置于岗位工作场所或由从业人员随身携带,主要包括岗位名称、涉及的主要危险 源、事故诱因、可能导致的后果、安全操作要点以及风险防范、应急处置措施、报告电 话等内容。
  5. 安全警示标志。安全警示标志应设置于存在较大及以上风险危险源的工作场所 和岗位。
  6. 工程技术措施。包括:
  7. 消除或减弱。通过对装置、设备设施、工艺等的优化设计消除危险源。
  8. 替代。用低危害物质替代或降低系统能量。
  9. 封闭。对产生或导致危害的设施或场所进行密闭。
  10. 隔离。通过隔离带、栅栏、警戒绳等把人员与危险区域隔开,如采用隔声罩以 降低噪声等。
  11. 移开或改变方向。调整危险源所在位置,改变有毒有害气体排放口等。
  12. 管理措施。包括:
  13. 制定实施作业程序、安全许可、安全操作规程等。
  14. 合理调控作业时间,减少暴露时间。
  15. 监测监控、巡查,尤其是对危险物品存储、使用。
  16. 警报和警示信号,提高作业人员注意力。
  17. 对处在同一岗位、同一作业场所、同一工序内有相互影响的不同单位和作业人 员,通过签订协议等形式明确各自的安全生产责任和义务。
  18. 购买安全生产责任保险。
  19. 其他根据项目实际可以采取的管理措施。
  20. 教育培训措施。水利工程建设项目法人现场管理机构应定期组织从业人员开展 教育培训,使相关人员熟练掌握危险源辨识、风险评价、风险管控及应急处置知识。
  21. 个体防护措施。水利工程建设项目法人和各参建单位应根据作业现场实际情况, 按规范配备符合国家标准或行业标准的个体防护用品,从业人员应规范佩戴防护用品。
  22. 应急处置措施。包括:

A.重大风险危险源应落实“一源一案”。对于同一类别的重大风险危险源,可以 综合考虑管理主体或管控措施的具体情况,分类制定相应的现场处置方案或专项应急 预案。

其他危险源应明确现场处置、伤员抢救、人员撤离、现场控制、事故报告等措施。

B.水利工程建设项目法人现场管理机构应组织施工单位现场管理机构针X寸有关工 作场所、设施设备、岗位的特点编制应急处置卡,主要内容包括应急处置程序、措施、 相关联络人员和联系方式,发放给从业人员随身携带或在现场显著位置放置。

水利工程建设项目法人现场管理机构应组织各参建单位现场管理机构相关人员, 结合危险源动态辨识情况,对危险源的管控措施每季度至少评估一次,发现问题及时完 善和改进。当危险源或其风险等级发生变化时,应对管控措施重新检查评估,及时完善 相关措施。

水利工程建设项目法人应通过水利安全生产监管信息系统,及时将重大风险危险 源报送负有直接监管责任的主管部门备案。危险物品重大危险源应按规定同时ί艮应急管 理部门和有关部门备案。

水利工程建设项目法人应编制危险源信息表,包括危险源名称、位置、类别、级 别、风险等级、监测方式及频次、管控措施、较大及以上风险危险源预警条件、监督责 任人、组织管控责任人、现场管控责任人及联系方式等与危险源相关的各项信肩、,由各 参建单位现场管理机构负责人和项目法人安全生产分管负责人审核确认。

水利工程建设项目法人应于每季度首月6日前通过水利安全生产监管信肩、系统上 报本项目上季度危险源信息表。

(3 )编制危险源辨识与风险评价报告:

水利工程建设项目首次开展危险源辨识与风险评价时,应由项目法人组织各参建 单位编制危险源辨识与风险评价报告,并由各参建单位现场管理机构主要负责人、项目 法人安全管理部门负责人和分管安全生产负责人签字确认,必要时可组织专家进行审查 后确认。报吿内容应包括工程简介、辨识与评价主要依据、辨识与评价方法、辨识与评 价内容、安全管控措施、应急预案、管控责任等。水利工程建设项目开展危险源动态辨 识时应同步更新危险源信息表,可不重新编制危险源辨识与风险评价报告。

  1. 及时排查治理事故隐患:

水利工程建设项目法人主要负责人应每月至少一次对本项目重大事故隐患排查治 理情况带队进行检查。

水利工程建设项目各参建单位应按照制度定期对危险源管控措施落实情况进行检 查,发现缺失或失效的启动隐患治理流程。

水利工程建设项目各参建单位应对发现的事故隐患进行整改。

  1. 一般事故隐患,发现后应立即整改。
  2. 重大事故隐患,发现后应立即整改。不能立即整改的要做到责任、措施、资金、 时限和预案“五落实”,及时将治理进展情况向负有直接监管责任的水行政主管部门及 其他相关部门报告。水利工程建设项目重大事故隐患应由施工单位主要负责人组织制定 治理方案,经监理单位审核,报项目法人主要负责人同意后实施。项目法人应将重大事 故隐患治理方案报送负有直接监管责任的主管部门备案。
  3. 水利工程建设项目应建立隐患排查治理工作台账。台账包括但不限于:

①事故隐患整改通知书(参照《水利水电工程施工安全管理导则》SL 721—2015 附件 Ε.0.3—65)。

  1. 事故隐患整改通知回复单(参照《水利水电工程施工安全管理导则》SL 721—

2015 附件 E.0.3—66 )。

  1. 事故隐患排查治理统计表。
  2. 健全风险处置机制,提升风险化解能力
  3. 建立健全应急预案:

水利工程建设项目法人、施工单位分别组织开展本项目、本标段生产安全事故风 险分析,建立和完善本项目、本标段生产安全事故应急预案。

事故风险单一、危险性小、施工作业人员较少的建设项目,可以只编制现场处置 方案。

水利工程建设项目法人、施工单位应按照《生产经营单位生产安全事故应急预案编 制导则》GB/T 29639—2020编制各类应急预案应急预案应当包括向相关主管部门报 告的内容、应急组织机构和人员的联系方式、应急物资储备清单等附件信息。应急预案 经专家评审或者论证后,由水利工程建设项目法人、施工单位主要负责人签署印发,及 时发放至各参建单位现场管理机构、岗位、从业人员和相关应急救援队伍。

水利工程建设项目法人和施工单位应当按照《生产安全事故应急预案管理办法》及 《生产经营单位生产安全事故应急预案评估指南》AQ/T 9011—2019规定至少每三年 进行一次应急预案评估。

  1. 明确应急队伍及物资:

水利工程建设项目施工单位应建立与项目规模、施工实际相适应的专职或兼职 应急救援队伍。投资较少、工期较短的水利工程建设项目法人,可以不建立应急救援 队伍,但应当指定兼职的应急救援人员,也可以与邻近的应急救援队伍签订应急救援 协议。

水利工程建设项目应根据有关规定并结合实际确定和配备必要的应急救援器材、 设备和物资,建立应急装备和物资台账,明确专人管理,定期检查、维护、更新应急装 备物资,保证正常使用。

  1. 开展应急演练:

水利工程建设项目法人和施工单位应当每半年组织一次生产安全事故应急预案演 练,并将演练情况通过水利安全生产监管信息系统报送所在地水行政主管部门。水利工 程建设项目开展应急演练前应编制演练方案,准备应急演练所需的物资。

水利工程建设项目法人主要负责人应按照演练方案组织开展应急演练。应急演练 结束后,水利工程建设项目法人应对演练情况进行评估。

  1. 快速有效开展应急处置:

险情发生后,水利工程建设项目法人和各参建单位应根据相应预案迅速启动生产 安全事故应急响应。先期处置应优先组织抢救遇险人员,采取必要措施,防止事故危害 扩大和次生、衍生灾害发生。

  1. 健全风险贵任机制,提升管控履职能力

(1 )建立全员安全生产责任制:

水利工程建设项目法人和各参建单位应建立全员安全生产责任制。全员安全生 产责任制应以单位正式文件印发至项目法人和各参建单位现场管理机构的每个岗位和人员。

水利工程建设项目法人主要负责人与各参建单位主要负责人,项目法人和各参建 单位主要负责人与分管负责人,分管负责人与现场管理机构负责人,现场管理机构负责 人与各岗位工作人员应逐级明确安全生产责任和履责要求。

2 开展教育培训:

应当接受安全教育培训的从业人员包括项目法人和各参建单位现场管理机构主要 负责人、安全生产管理人员、特种作业(特种设备作业)人员和其他从业人员,以及劳 务派遣、灵活用工、对外委托协作单位人员等。从业人员应做到“三知两会”,即知道 本岗位危险源所在、管控措施、应急措施,会使用配备的应急器材、宣讲岗位风险防范 措施。

水利工程建设项目法人和各参建单位主要负责人和安全生产管理人员初次安全培 训时间不少于32学时含“六项机制”内容12学时以上每年再培训时间不少于12 学时。水利水电工程施工企业主要负责人、项目负责人和专职安全生产管理人员应当经 过有关水行政主管部门安全生产考核合格。

水利工程建设项目法人和各参建单位应当对新上岗的临时工、合同工、劳务工、 轮换工、协议工等从业人员进行安全培训岗前安全培训时间不少于24学时含“六 项机制”内容8学时以上对劳务派遣、灵活用工、对外委托协作单位人员等其他从 业人员开展安全生产培训,保证其具备本岗位风险管控、应急处置等知识和技倉旨。

水利工程建设项目从业人员在本单位内调整工作岗位或离岗一年以上重新上岗时, 应当重新接受项目部级和班组级的安全培训培训时间不少于8学时。

水利工程建设项目采用新工艺、新技术或者使用新设备、新材料时应5寸有关从 业人员进行有针对性的安全培训。

3 开展责任制考核:

水利工程建设项目法人和各参建单位应根据安全生产岗位责任考核办法定期开展 考核,检查岗位责任落实和有关指标完成情况,兑现奖惩措施。

4 严格奖惩问责:

水利工程建设项目法人应组织各参建单位制定本项目安全生产奖惩制度,严格各 参建单位安全生产履约管理。

14.1.5水力发电工程建设各方安全生产责任

根据2015年颁布的《电力建设工程施工安全监督管理办法》国家发展和改革委 员会令第28号电力建设工程施工安全坚持“安全第一、预防为主、综合治理”的 方针,建立“企业负责、职工参与、行业自律、政府监管、社会监督”的管理机制。电 力建设单位、勘察设计单位、施工单位、监理单位及其他与电力建设工程施工安全有关 的单位,必须遵守安全生产法律法规和标准规范,建立健全安全生产保证体系和监督体 系,建立安全生产责任制和安全生产规章制度,保证电力建设工程施工安全,依法承担 安全生产责任。

  1. 建设单位安全责任

建设单位对电力建设工程施工安全负全面管理责任,具体内容包括:

  1. 建立健全安全生产组织和管理机制,负责电力建设工程安全生产组织、协调、 监督职责。
  2. 建立健全安全生产监督检查和隐患排查治理机制,实施施工现场全过程安全 生产管理。
  3. 建立健全安全生产应急响应和事故处置机制,实施突发事件应急抢险和事故 救援。
  4. 建立电力建设工程项目应急管理体系,编制应急综合预案,组织勘察设计、施 工、监理等单位制定各类安全事故应急预案,落实应急组织、程序、资源及措施,定期 组织演练,建立与国家有关部门、地方政府应急体系的协调联动机制,确保应急工作有 效实施。
  5. 及时协调和解决影响安全生产重大问题。建设工程实行工程总承包的,总承 包单位应当按照合同约定,履行建设单位对工程的安全生产责任;建设单位应当监督工 程总承包单位履行对工程的安全生产责任。
  6. 按照国家有关安全生产费用投人和使用管理规定,电力建设工程概算应当单 独计列安全生产费用,不得在电力建设工程投标中将安全生产费用列人竞争性报价。
  7. 组织参建单位落实防灾减灾责任,建立健全自然灾害预测预警和应急响应机 制,对重点区域、重要部位地质灾害情况进行评估检查。
  8. 应当执行定额工期,不得压缩合同约定的工期。如工期确需调整,应当对安 全影响进行论证和评估。论证和评估应当提出相应的施工组织措施和安全保障措施。
  9. 应在电力建设工程开工报告批准之日起15日内将保证安全施工的措施包 括电力建设工程基本情况、参建单位基本情况、安全组织及管理措施、安全投人计划、 施工组织方案、应急预案等内容向建设工程所在地国家能源局派出机构备案。

根据《国家能源局关于进一步明确电力建设工程安全管理有关要求的通知》(国能 发安全202168号),地方各级能源主管部门在向项目建设单位下达电力项目核准文 件或项目备案通知书时,应同时就项目在安全管理和质量管控等方面需要履行的相关责 任和义务进行书面告知(图14.1-2),告知书一式两份,项目核准(或备案)部门和建 设单位各一份。

  1. 勘察设计单位安全责任
  2. 在编制设计计划书时应当识别设计适用的工程建设强制性标准并编制条文 清单。

(2 )电力建设工程所在区域存在自然灾害或电力建设活动可能引发地质灾害风险 时,勘察设计单位应当制定相应专项安全技术措施,并向建设单位提出灾害防治方案建 议。应当监控基础开挖、洞室开挖、水下作业等重大危险作业的地质条件变化情况,及 时调整设计方案和安全技术措施。

  1. 对于采用新技术、新工艺、新流程、新设备、新材料和特殊结构的电力建设 工程,勘察设计单位应当在设计文件中提出保障施工作业人员安全和预防生产安全事故 的措施建议;不符合现行相关安全技术规范或标准规定的,应当提请建设单位组织专题 技术论证,报送相应主管部门同意。
  2. 施工过程中,对不能满足安全生产要求的设计,应当及时变更。

电力项目安全管理和质量管控事项告知书

(示范文本)

(被告知单位):

为了进一步加强电力项目的安全管理,有效防范安全生产和质量事故,现就你单位项目施工安全和质量 管控应重点注意的事项告知如下。

一、 严格按照《中华人民共和国安全生产法》《电力安全生产监督管理办法》(国家发展和改車委员会令 第21号、《电力建设工程施工安全监督管理办法》国家发展和改革委员会令第28号和《电力建设工程 施工安全管理导则》NB/T 10096-2018等有关法律、法规和标准的规定和要求切实落实企业安全生产主体 责任。

二、 应当按要求设置项目安全生产管理机构,配备安全生产管理人员。

三、 应当开展安全生产教育培训。

四、 应当严格落实安全生产投入。

五、 应当按要求建立工程分包管控制度和措施,禁止施工单位转包或违法分包工程。

六、 应当组织开展安全风险管控和隐患排查治理工作。

七、 应当严格落实应急管理及事故处置措施,及时如实报告生产安全事故。

八、 严格按照《建设工程质量管理条例》国务院令第279号和《国家能源局关于进一步明确电力建设 工程质量监督机构业务工作的通知》国能函安全202039号等有关文件的规定和要求开工前必须办理 工程质量监督注册手续,并做好工程质量管控各项工作。

若发生违反上述事项的行为,有关部门将依照相关法律、法规和政策规定进行处罚,并将处罚信息纳人 被处罚单位的信用记录。

告知人(项目核准或备案部门):

被告知单位(项目法定代表人):

年 月 日

图14.1-2电力项目安全管理和质量管控事项告知书示范文本

  1. 施工单位安全责任

1 电力建设工程实行施工总承包的,由施工总承包单位对施工现场的安全生产 负总责,具体包括:

  1. 施工单位或施工总承包单位应当自行完成主体工程的施工除可依法叉1劳务作 业进行劳务分包外,不得对主体工程进行其他形式的施工分包;禁止任何形式的转包和 违法分包。
  2. 施工单位或施工总承包单位依法将主体工程以外项目进行专业分包的,分包单 位必须具有相应资质和安全生产许可证,合同中应当明确双方在安全生产方面的权利和 义务。施工单位或施工总承包单位履行电力建设工程安全生产监督管理职责,承担工程 安全生产连带管理责任,分包单位对其承包的施工现场安全生产负责。
  3. 施工单位或施工总承包单位和专业承包单位实行劳务分包的,应当分包给具有 相应资质的单位,并对施工现场的安全生产承担主体责任。

2 施工单位应当履行劳务分包安全管理责任,将劳务派遣人员、临时用工人员 纳人其安全管理体系,落实安全措施,加强作业现场管理和控制。

3 电力建设工程开工前,施工单位应当开展现场查勘,编制施工组织设计、施 工方案和安全技术措施并按技术管理相关规定报建设单位、监理单位同意。分部分项工 程施工前,施工单位负责项目管理的技术人员应当向作业人员进行安全技术交底,如实告知作业场所和工作岗位可能存在的风险因素、防范措施以及现场应急处置方案,并由 双方签字确认;对复杂自然条件、复杂结构、技术难度大及危险性较大的分部分项工程 需编制专项施工方案并附安全验算结果,必要时召开专家会议论证确认。

  1. 施工单位应当对因电力建设工程施工可能造成损害和影响的毗邻建筑物、构 筑物、地下管线、架空线缆、设施及周边环境采取专项防护措施。对施工现场出人口、 通道口、孔洞口、邻近带电区、易燃易爆及危险化学品存放处等危险区域和部位采取防 护措施并设置明显的安全警示标志。
  2. 监理单位安全责任

监理单位应当组织或参加各类安全检查活动,掌握现场安全生产动态,建立安全 管理台账。重点审查、监督下列工作:

(1 )按照工程建设强制性标准和安全生产标准及时审查施工组织设计中的安全技 术措施和专项施工方案。

  1. 审查和验证分包单位的资质文件和拟签订的分包合同、人员资质、安全协议。
  2. 审查安全管理人员、特种作业人员、特种设备操作人员资格证明文件和主要 施工机械、工器具、安全用具的安全性能证明文件是否符合国家有关标准;检查现场作 业人员及设备配置是否满足安全施工的要求。
  3. 对大中型起重机械、脚手架、跨越架、施工用电、危险品库房等重要施工设 施投人使用前进行安全检查签证。土建交付安装、安装交付调试及整套启动等重大工序 交接前进行安全检查签证。
  4. 对工程关键部位、关键工序、特殊作业和危险作业进行旁站监理;对复杂自 然条件、复杂结构、技术难度大及危险性较大的分部分项工程专项施工方案的实施进行 现场监理;监督交叉作业和工序交接中的安全施工措施的落实。
  5. 监督施工单位安全生产费的使用、安全教育培训情况。
  6. 监督管理

国家能源局依法实施电力建设工程施工安全的监督管理,具体内容包括:

  1. 建立健全电力建设工程安全生产监管机制,制定电力建设工程施工安全行业 标准。
  2. 建立电力建设工程施工安全生产事故和重大事故隐患约谈、诫勉制度。
  3. 加强层级监督指导,对事故多发地区、安全管理薄弱的企业和安全隐患突出 的项目、部位实施重点监督检查。

国家能源局派出机构按照国家能源局授权实施辖区内电力建设工程施工安全监督 管理,具体内容如下:

(1 )部署和组织开展辖区内电力建设工程施工安全监督检查。

  1. 建立电力建设工程施工安全生产事故和重大事故隐患约谈、诫勉制度。
  2. 依法组织或参加辖区内电力建设工程施工安全事故的调查与处理,做好事故 分析和上报工作。

国家能源局及其派出机构履行电力建设工程施工安全监督管理职责时,可以采取 下列监管措施:

  1. 要求被检查单位提供有关安全生产的文件和资料(含相关照片、录像及电子

文本等),按照国家规定如实公开有关信息。

2 进人被检查单位施工现场进行监督检查,纠正施工中违反安全生产要求的行为。

3 对检查中发现的生产安全事故隐患,责令整改;对重大生产安全事故隐患实 施挂牌督办,重大生产安全事故隐患整改前或整改过程中无法保证安全的,责令其从危 险区域撤出作业人员或者暂时停止施工。

4 约谈存在生产安全事故隐患整改不到位的单位,受理和查处有关安全生产违 法行为的举报和投诉,披露违反有关规定的行为和单位,并向社会公布。

5 )法律法规规定的其他措施。

  1. 电力安全信息报送

《国家能源局综合司关于做好电力安全信息报送工作的通知》国能综安全2014 198号明确了电力安全信息报送工作。

1 信息报送范围。电力生产(含电力建设施工)过程中发生的电力安全事故、 电力人身伤亡事故、电力设备损坏造成直接经济损失达到100万元以上的事故设备事 故),以上统称电力事故。电力安全事件和信息安全事件,统称事件。

2 信息报送单位。电力建设施工中发生电力事故或事件时,工程项目业主、建 设、施工、监理等单位都有报告信息的责任。

3 )报告程序及时限。.

信息报送责任单位负责人接到电力事故报告后应当于lh内报告上级主管单位和 有关派出能源监管机构,抄报相关地方人民政府电力管理等有关部门。全国电力安委会 成员单位接到电力事故报告后应当于lh内向国家能源局值班室报告。

社会影响较大的电力安全突发事件报送,参照电力事故报送时限执行。其他电力 安全突发事件信息报告责任单位负责人接到事件报吿后应当于12h内报告上级主管 单位、事件发生地派出能源监管机构,抄报相关地方人民政府电力管理等有关部门。全 国电力安委会成员单位接到事件报告后应当于12h内向国家能源局值班室报告。

4报告内容及方式

信息报告应当采取书面方式,不具备书面报告条件的可先通过电话报告,再书面 报告。各单位报送电力安全信息时,要准确核实事故(事件)过程及有关单位具体情 况,完整填写《电力事故或电力安全事件即时报告单》,详细报告各类事故(事件)相 关信息,并通过电力安全信息报送系统填报电子信息。

纸质文件和电子信息须经本单位安全生产部门负责人签发和审核。

5 )电力事故或事件调查报告

电力事故(事件)调查报告及批复文件印发后,事故(事件)发生单位应当及时获 取调查报告及批复文件。应当于电力事故事件调查报告经正式批复或同意后5个工 作曰内将调查报告报送国家能源局电力安全监督司。

  1. 施工反措

为切实做好电力建设工程施工安全监管,有效防范电力建设工程施工安全事故, 《国家能源局关于印发〈防止电力建设工程施工安全事故三十项重点要求〉的通知》(国 能发安全202255号要求摘录如下参照行业习惯称谓简称《施工反措》

1 )总体要求

  1. 危大工程完成后,监理单位应组织有关人员进行验收。验收合格,经施工单 位技术负责人、工程总承包单位负责人或项目技术负责人及总监理工程师签字后,方 可进行后续工程施工。危险性较大作业项目成品在使用过程中应责成专人进行检查 维护。
  2. 两个及以上施工单位在同一作业区域进行施工,发包单位应当组织签订安全 生产管理协议,明确各方的安全生产管理职责和应当采取的安全措施,并指定专职安全 生产管理人员进行安全检查与协调。
  3. 防止高处坠落事故
  4. 高处作业人员必须正确佩戴使用安全帽、安全带、攀登自锁器、速差自控器 等安全防护用具。
  5. 在轻质型材等强度不足的高处作业面、屋面(如石棉瓦、铁皮板、采光浪板、 装饰板、屋面光伏板等)上作业,必须搭设临时通道,并在梁下张设安全平网或搭设安 全防护设施。
  6. 作业层脚手板探头长度不得大于150mm;脚手架内立杆与建筑物距离大于 150mm时必须采取封闭防护措施。

(4 )脚手架作业层外侧应设置两道防护栏杆和不低于180 mm高的挡脚板。扣件式 和碗扣式立杆碗扣节点间距按0.6m模数设置的钢管脚手架,上栏杆距作业层高度应为 1.2m中间栏杆应居中设置承插型盘扣式和碗扣式立杆碗扣节点间距按0.5m模数设 置的钢管脚手架上栏杆距作业层高度应为1.0m,中间栏杆应居中设置。

  1. 吊篮内作业人员不应超过2人每个作业人员的安全绳应独立设置安全带 必须挂设在有防坠器的安全绳上,安全绳不得与吊篮任何部位连接。
  2. 防止坍塌事故
  3. 高度超过2.0m的竖向混凝土构件,在钢筋绑扎过程及绑扎完成后、侧模安装 完成前,必须采取有效的侧向临时支撑措施。
  4. 边坡工程必须遵循边施工、边治理,边施工、边监测的原则进行切坡、填筑 和支护结构的施工。
  5. 人工开挖时挖掘分层厚度不得超过2.0m,严禁掏根挖土和反坡挖土。
  6. 脚手架搭设必须按规定设置扫地杆、剪刀撑、连墙件等。
  7. 严禁将模板支架、缆风绳、泵送混凝土和砂浆输送管等固定在脚手架上。严 禁将脚手架作为起吊重物的承力点。
  8. 移动式操作平台高宽比严禁大于2,施工荷载严禁大于1.5kN/m2。移动式操 作平台的行走轮和导向轮必须设置制动设施。制动器除在移动情况外,必须保持制动状 态。移动操作平台时,操作平台上严禁站人。
  9. 施工围挡外侧为街道或行人通道时,必须采取加固措施。弃土及物料堆放应 远离围挡堆场离围挡的安全距离不应小于1.0m。严禁在施工围挡上方或紧靠施工围 挡架设广告或宣传标牌。
  10. 防止起重伤害事故
  11. 起重机械严禁超载,严禁同时操作三个动作。在接近额定载荷时,严禁同时

操作两个动作(注:三个动作即吊重物、旋转和起重机械的上升下降)。

2 塔机的尾部与周围建筑物及其外围施工设施之间的安全距离不小于0.6m。

3 两台塔机之间的最小架设距离应保证处于低位塔机的起重臂端部与另一台塔 机的塔身之间至少有2.0m的距离;处于高位塔机的最低位置的部件(吊钩升至最高点 或平衡重的最低部位与低位塔机中处于最高位置部件之间的垂直距离不应小牙2.0m。 集中布置多台塔机,作业中有交叉干涉、可能造成相互碰撞的,及塔机与建(构)筑 物之间有干涉的,必须制定和采取防碰撞措施,并对所有操作、指挥、管理人员培训 交底。

4 当采用两台或多台手动葫芦吊同一物件时,必须制定可靠的安全技术措施,且 单台手动葫芦的允许起重量必须大于起吊物件的重量。

5 两台及以上千斤顶同时顶升一个物件时,千斤顶总起重能力必须大干载荷的 两倍。

5 防止触电事故

1 在活动板房、集装箱等金属外壳内穿越的低压线路必须穿绝缘管保护,防止 破皮漏电。活动板房、集装箱等金属外壳必须可靠接地。

2 在带电设备周围或上方进行安装或测量时上下传递物件必须使用干1燥的绝 缘绳索,严禁使用钢卷尺或带有金属丝的测绳、皮尺。

6 防止物体打击事故

1 高处作业工具袋、工具保险绳必须拴紧系牢;上下传递物件必须用纟竜子系牢 物件后再传递,严禁上下抛掷物品。高处作业下方必须设警戒区域。

2 临近边坡的作业面、通行道路,当上方边坡的地质条件较差,或采用爆破方 法施工边坡土石方时,必须在边坡上设置阻拦网、插打锚杆或覆盖钢丝网进行防护。

7 防止机械伤害事故

1 喷浆机必须按作业要求调整风压严禁空气压缩机超压运行作业B寸在喷嘴 的前面及左右5m范围内禁止有人暂停工作时喷嘴严禁对着有人的方向处理输料 管堵塞故障时,必须先切断动力源,确认输料管疏通后再重新作业。

2 射钉枪枪口禁止对人,严禁用手掌推压钉管。在使用结束或更换零件时,在 断开射钉枪之前,严禁装射钉弹。经两次扣动扳机子弹还不能击发时,保持原肘击位置 30s后再将射钉弹退出。

8 防止火灾事故

1 现场生活、办公、可燃材料库和易燃易爆品库等临时建筑构件的燃烧性能等 级必须为A级。当采用金属夹芯板材时其芯材的燃烧性能等级必须为A级。

2 进行焊接、切割或热处理作业时,必须清除焊渣、火花可能落人范囿内以及 作业地点周围10m范围内的易燃、易爆物品或采取有效的隔离、防护措施件设专人 监护。

3 氧气瓶与乙炔、丙烷气瓶的工作间距不得小于5m气瓶与明火作业点ζ的距离 不得小于10m。乙炔瓶应安装灵敏可靠的回火防止器。

9 防止放炮(爆破)事故

1非长大隧道掘进爆破时起爆站必须设在硐口侧面50m以外长大隧道在硐

内的避车洞中设立起爆站时起爆站距爆破位置不得小于300m。竖井、斜井等掘进爆 破起爆时井筒内严禁有人。地下爆破距爆破作业面100m范围内照明电压必须按规定 使用安全电压。

  1. 露天浅孔、深孔、特种爆破爆后未超过5min,禁止检查人员进人爆破作业 地点如不能确认有无盲炮应经15min后才能进人爆区检查地下开挖工程爆破后 经通风吹排烟、检查确认井下空气合格、等待时间超过15min后方准许作业人员进人 爆破作业地点。
  2. 防止场内车辆伤害事故
  3. 在货场、厂房、仓库、窄路等处严禁倒车,转弯时必须有专人指挥。实施复 杂、狭窄场地,临边,临近带电体及线路等危险区域(路段)作业时,必须划定明确的 作业范围,设置警示标志并设专人监护。禁止无关人员从作业区域穿行。
  4. 作业前,必须提前确认路基、边坡满足安全作业要求;悬崖陡坡、路边临空 边缘必须设安全警示标志、安全墩、挡墙等防护设施,并确保夜间有充足照明。
  5. 防止淹溺事故
  6. 水上作业平台周边必须设置防护栏杆,人员上下通道必须设安全防护措施并 设置多条安全通道。
  7. 隧道内反坡排水时抽水设备排水能力必须大于排水量20%以上并且有备用 设备,抽水设备必须有备用电源。
  8. 防止灼烫事故
  9. 开展焊接与热切割作业时,必须正确穿戴焊工工作服、焊工防护鞋、工作帽 和焊工手套。电焊作业必须戴好焊工面罩,热切割作业必须戴好防护眼镜。
  10. 试运人员或检修作业人员工作时,严禁站在化学液体、热力汽水可能喷泻的 方向。冲洗盛放化学品的液位计时,必须站在液位计的侧面;松解法兰时,严禁正对法 AZ. XU -1—

二站兑。

  1. 防止有限空间作业中毒和窒息事故
  2. 有限空间作业必须严格遵守“先通风、再检测、后作业”的原则。检测必须 在作业开始前30min内实施。未对存在易燃易爆气体、有毒有害气体的环境进行通风、 检测、评估的情况下,严禁组织开展有限空间作业。
  3. 在有限空间作业过程中,必须对氧气浓度、易燃易爆物质(可燃性气体、爆 炸性粉尘)浓度、有毒有害气体浓度等指标进行定时检测或者连续监测;进入自然通风 换气效果不良的有限空间,必须采取机械连续通风,严禁使用纯氧通风。作业中断间隔 超过30min恢复作业前必须重新通风检测合格后方可进人。

14 )防止管道吹扫事故

  1. 防止烟囱、冷却塔筒壁施工事故
  2. 防止锅炉、汽机大件设备吊装事故
  3. 防止太阳能热发电施工事故
  4. 防止液氨储罐泄漏、中毒、爆炸事故
  5. 防止输电线路工程深基坑中毒窒息事故
  6. 防止输电线路工程倒塔事故
  7. )防止抱杆倾倒事故
  8. )防止输电线路跨(穿)越施工事故
  9. )防止输电线路工程索道运输作业事故
  10. 防止临近带电体作业事故
  11. 防止陆上风电机组设备场内运输及施工事故

26 )防止海上风电施工事故

  1. 防止泥石流、滑坡、崩塌事故

(1 )工程建设场地必须在项目可行性研究阶段进行地质灾害危险性评估工作后,方 可开展下一阶段工作。

  1. 评估工作结束后两年,工程建设仍未进行,必须重新进行地质灾害危险性评 估工作。
  2. 泥石流、滑坡、崩塌等地质灾害易发区,建设单位必须在汛前、汛后、持续降 雨后和特殊工况(如地震、台风、北方冻前和冻后等)下组织进行地质灾害隐患排查。
  3. 防止水电工程压力管道安装事故
  4. 钢管运输时人员严禁靠近受力的钢丝绳和滑车严禁进人破断可肖g回弹的 区域,严禁在可能倾翻的下侧停留。
  5. 钢管吊运时,应计算出其重心位置,确认吊点位置。翻转时应先放好旧轮胎 或木板等垫物工作人员应站在重物倾斜方向的对面。翻转时应采取措施防止冲1击。
  6. 防止竖(斜)井载人提升机械安装和使用事故

(1)升降人员前,必须经过空车试运,并对钢丝绳、安全设施进行检查,严禁超 载运行。井口接罐地点必须设置牢固的活动栅门,由专人负责启闭。接罐人员必须佩戴 安全带,上下井的人员必须服从接罐人员的指挥。通向井口的轨道应设阻车器,阻车器 的阻爪严禁在阻车时自行打开。

(2 )竖井载人提升机必须配备应急备用电源,作业人员必须配备应急通信设备。

30 )防止地下工程开挖作业事故

  1. 每循环开挖时初期支护必须及时跟进,严禁在初期支护未跟进或跟进未完成 的情况下进行下循环开挖钻爆作业。
  2. 大断面洞室全断面开挖或扩挖必须自上而下分层进行,下层开挖需在上层开 挖支护完成且监测围岩变形稳定后进行。

[注:以上仅摘录与水利水电工程施工较相关的内容,与强制性条文和有关规定要求重复或 相似的要求没有摘录。]

14.2水利水电工程建设风险管控

14.2.1水利水电工程建设项目风险管理

  1. 水利水电工程建设项目风险分类与分级

根据《大中型水电工程建设风险管理规范》GB/T 50927—2013,水利水电工程建 设风险分为以下五类:

(1 )人员伤亡风险。

(2)经济损失风险。 (3 )工期延误风险。

  1. 环境影响风险。

(5 )社会影响风险。

水利水电工程建设风险从风险发生可能性与损失严重性两个方面进行风险评估。 其中按风险发生可能性划分为表14.2-1,按风险损失严重性划分为表14.2-2。

表14.2-1水利水电工程建设风险发生可能性程度等级标准

等级 可能性 概率或频率值
1 不可能 < 0.0001
2 可能性极小 0.0001 〜0.001
3 偶尔 0.001 〜0.01
4 有可能 0.01-0.1
5 经常 > 0.1

表14.2-2水利水电工程建设风险损失严重性程度等级标准

A Β C D E




--HI- 严
-lm-l











人 设

&I1I 建


以 人

3



1IHII
5)

l(3~

3


4J/篇 数 529 亡**-910** 死_扩_
宗重JL·

U{2930~5310
踪上 失以 含及 (人 亡ο3




1

ο ^1

2

伤 轻
上 及2 人人

1 ο 伤**-1**

重樹


9 t

2-3



踪上 含及

ϋ(1Λ
錫敝





Η








00


以 元



00

10
:兀

万万 800

1050


亿



000

5
上 以



亿




下 以 元



ο




50

- 万 10




00

50
二兀

万万 0000

1 2
上 以 元

ο

20
工期 延误 程±) 工以 期年 长3







3

1~

1^1



6

-

3



12



6



月期 2

T1t

**Λ-**误 误恥
程下

短年

3
od





~ d10d30

延少
一 d od60

J

X

X
上 以

od

9









小及 很害 围灾害 范然灾一 及自生

涉的次
的生 小次 较及 围害 范灾 及然害 涉自灾 自生

W

见灾害

涉然灾
的生 大次 很及 围害 范灾 及然害 涉自灾 大次 常及 非害 围灾 范然害 及自灾 涉的生


会 社
Η 或安

,移ΛΤ 的转必 微急人 轻紧50
需置 或安 轧移人 重转100 严急~ 较紧50 需置

或安入 ,移ο 的转50 重急0~ 严紧10
需置 3JC!安人 ή,00 S转f 严急O- 很紧50 需置

或安h ,移 的转人 劣急00 恶紧10

将建设项目风险发生可能性等级与风险损失严重性等级组合后,水利水电工程建 设风险评价等级分为四级其风险等级标准的矩阵应符合表14.2-3的规定。

表14.2-3水利水电工程建设风险等级标准的矩阵

可能性等级 损失等级
A B C D E
轻微 较大 严重 很严重 灾滩性
1 不可能 I级 I级 I级 Π级 Π级
2 可能性极小 I级 I级 Π级 Π级 m级
3 偶尔 I级 Π级 Π级 皿级 rv级
4 有可能 I级 Π级 m级 皿级 IV级
5 经常 Π级 皿级 m级 IV级 IV级

基于不同等级的风险,应采用不同的风险控制措施,各等级风险的接受准则应符 合表14.2-4的规定。

表14.2-4水利水电工程建设风险接受准则

等级 接受准则 应对策略 控制方案
I级 可忽略 宜进行风险状态监控 开展日常审核检查
π级 可接受 宜加强风险状态监控 宜加强日常审核检查
皿级 有条件可接受 应实施风险管理降低风险,且风险降低所需成 本应小于风险发生后的损失 应实施风险防范与监测,制订风险处置 措施
IV级 不可接受 应采取风险控制措施降低风险,应至少将其风 险等级降低至可接受或有条件可接受的水平 应编制风险预警与应急处置方案,或进 行有关方案修正或调整,或规避风险

风险控制应采取经济、可行、积极的处置措施,具体风险处置方法有:风险规避、 风险缓解、风险转移、风险自留、风险利用等方法。处置方法的采用应符合以f原则

  1. 损失大、概率大的灾难性风险,应采用风险规避。
  2. 损失小、概率大的风险,宜采用风险缓解。
  3. 损失大、概率小的风险,宜采用保险或合同条款将责任进行风险转移。
  4. 损失小、概率小的风险,宜采用风险自留。
  5. 有利于工程项目目标的风险,宜采用风险利用。

采用工程保险等方法转移剩余风险时,工程保险不应被作为唯一减轻或降低风险 的应对措施。

  1. 施工危险源辨识与风险评价

根据《水利部关于开展水利安全风险分级管控的指导意见》(水监督2018323 号),水利生产经营单位是本单位安全风险管控工作的责任主体,要建立安全凤险分级 管控制度,制定危险源辨识和风险评价程序,全面开展危险源辨识和风险评价,强化 安全风险管控措施。根据《水利部办公厅关于做好〈水利水电工程生产安全重大事故 隐患判定导则〉(SL/T 842—2025 )〈水利水电工程危险源辨识与风险评价导则> (SL/T 843—2025 )技术标准实施工作的通知》(办监督函2025508号),危险源辩识与风 险评价工作按照《水利水电工程危险源辨识与风险评价导则》SL/T 843-2025 (以下简 称标准SL/T 843—2025 )开展。

  1. 术语
  2. 危险源。可能导致人员伤亡、健康损害、财产损失或环境破坏的根源或状态。
  3. 重大危险源。可能导致人员较大及以上伤亡、健康严重损害、财产重大损失 或环境严重破坏的危险源。
  4. 一般危险源。除重大危险源外的危险源。
  5. 危险源辨识。识别危险源并确定其类别、级别等过程。
  6. 风险。导致生产安全事故发生的可能性与危害程度的组合。
  7. 危险源风险评价。对危险源导致生产安全事故发生的可能性及危害程度进行 调查、分析、论证等,以判断危险源风险程度、确定风险等级的过程。
  8. 危险源辨识与风险评价工作程序

(1 )辨识危险源,然后对其进行风险评价。

  1. 建立危险源清单和专项档案。

(3 )编制危险源辨识与风险评价报告。

(4 )按有关规定向水行政主管部门报送危险源辨识与风险评价情况。

(5 )按有关规定将重大风险危险源和危险物品重大危险源报送水行政主管部门及 有关部门备案。

  1. 基本要求
  2. 涉及强制性标准技术要求的水利水电工程施工等环节应列为危险源辨识与风 险评价的重点。

(2 )新开工的水利水电工程建设项目应在项目开工前开展危险源辨识与风险评价。

  1. 应对危险源实施动态管理,实时掌握危险源及其风险的变化情况,并更新危 险源及其风险等级。出现下列情况之一,应进行危险源动态辨识与风险评价:
  2. 相关安全生产管理规定修订或发布。
  3. 水利生产经营单位的安全生产管理体系发生变化。
  4. 施工条件、构(建)筑物、金属结构、机电设备、设施场所、作业活动、周边 环境、生产工艺等发生变化。
  5. 首次采用新工艺、新技术、新材料、新产品、新设备。
  6. 首次生产、储存、使用及运输危险物品或者危险物品的生产、储存、使用及运 输条件发生变化。
  7. 发生生产安全事故或一个月内在其他单位或工程发生了由相同或相似危险源导 致的生产安全事故。
  8. 工程出现病险情况并经安全鉴定为病险工程。
  9. 出现其他对危险源产生影响的情况。
  10. 危险源辨识

(1 )危险源级别划分为重大危险源和一般危险源。

  1. 水利水电工程施工危险源分为五类:施工作业、机械设备、设施场所、作业 环境和其他。
  2. 危险物品的危险源辨识:
  3. 在工程区域及管理范围内涉及危险化学品的生产、储存、使用及运输其危险源辨识应按《危险化学品重大危险源辨识》GB 18218—2018执行。
  4. 放射性物品及其所涉及的储存、使用、运输等场所和活动应为重大危险源。

4危险源辨识应包括的内容

  1. 名称、级别、类别。
  2. 危险源所在位置(区域、项目)。
  3. 事故诱因。
  4. 可能导致的事故。.

5 )危险源名称按下列顺序和内容选取:

  1. 施工、生产作业活动名称。
  2. 场所名称。
  3. 能量源、能量载体或危险物品名称。
  4. 工程部位、控制装置(控制系统)、设备设施名称。
  5. 体现人、物、环境等行为、活动或存在的名称。
  6. 其他。

6危险源辨识范围

  1. 生产经营活动涉及的所有区域、场所、部位和直接关联的外部环境。
  2. 所有作业活动、工艺流程、设备设施和工作面。
  3. 参与生产经营活动的所有单位(部门)、岗位。
  4. 对外委托、分包、租赁等项目、工作、场所。
  5. 生产经营活动涉及的所有危险物品。

7 水利水电工程施工各类别危险源的辨识对象详见标准SL/T 843—2025。

8危险源辨识宜采用清单判定法、安全检查表法、预先危险性分析法、因果分 析法等方法。当本工程区域内出现符合表14.2-5中的任何一条要素的可直接判定为 重大危险源。

表14.2-5水利水电工程施工重大危险源清单

序号 类别 区域、项目 重大危险源 事故诱因 可能导致的事故 (后果)
1 滑坡地段的开挖 不良地质、违规操作 i丹塌、物体打击
2 堆渣高度大于等于10m的挖掘作业 不良地质、违规操作 班塌、物体打击
3 明挖施工 土方边坡高度大于等于30m或地质缺 陷部位的开挖作业 不良地质、违规操作 班塌、物体打击
4 施工

作业类
石方边坡高度大于等于50m的开挖 作业 不良地质、违规操作 班塌、物体打击
5 洞挖施工 断面大于等于20m2或单洞长度大于等 于50m以及地质缺陷部位开挖地应 力大于等于20 MPa或大于等于岩石强 度的1/5或埋深大于等于500m部位 的作业;洞室临近相互贯通时的作业; 当某一工作面爆破作业时,相邻洞室的 施工作业 不良地质、违规操作 冒顶片帮
6 不能及时支护的部位 不良地质、违规操作 冒顶片帮

续表

序号 类别 区域、项目 重大危险源 事故诱因 可能导致的事故 (后果)
7 隧洞进出口及交叉洞作业 不良地质、违规操作 冒顶片帮
8 '洞挖施工 地下水丰富地段隧洞开挖 不良地质、违规操作 透水
9 浅埋隧洞施工 不良地质、违规操作 冒顶片帮
10 一次装药量大于等于200kg的爆破 雷雨天气的露天爆破作业;多作业面同 时爆破 违规操作 火药爆炸、放炮
11 石方爆破 一次装药量大于等于50kg的地下爆破 违规操作 火药爆炸、放炮
12 斜井开挖的爆破作业 违规操作 火药爆炸、放炮
13 竖井开挖的爆破作业 违规操作 火药爆炸、放炮
14 临近边坡的地下开挖爆破作业 违规操作 火药爆炸、放炮
15 灌浆工程 采用达到《危险化学品重大危险源辨 识》GB 18218—2018规定临界量的危 险化学品进行化学灌浆 违规操作 中毒或其他伤害
16 斜井、竖井开挖 提升系统行程大于等于20m 违规操作 坍塌、高处坠落
17 沉井工程 大于等于20m的沉井工程 违规操作 物体打击
18 混凝土生产 制冷车间的液氨制冷系统 违规操作 中毒、爆炸
19 施工

作业类
脚手架工程 搭设高度24m及以上的落地式钢管脚 手架工程;附着式整体和分片提升脚手 架工程;悬挑式脚手架工程:吊篮脚手 架工程;新型及异型脚手架工程 违规操作 坍塌、高处坠

落、物体打击
20 模板工程及

支撑体系
工具式模板工程(滑模、爬模、飞模等) 违规操作 物体打击、 高处坠落
21 模板工程及 支撑体系 搭设高度5m及以上搭设跨度10m 及以上施工总荷载10kN/m2及以上 集中线荷载15kN/m及以上高度大 于支撑水平投影宽度且相对独立无联系 构建的混凝土模板支撑工程 违规操作 班塌、物体打 击、高处坠落
22 满堂支撑体系、造槽机(移动模架) 违规操作 坍塌、物体打

击、高处坠落
23 金属结构制作、

安装及机电

设备安装
金属结构安装、水轮机及发电机安装采 用非常规起重设备、方法(自制起重设 备、多台设备联合作业等),且单件起 吊重量在10kN及以上的起重吊装作业 违规操作、处理不当 起重伤害
24 建筑物拆除 采取机械拆除拆除高度大于10m; 可能影响行人、交通、电力设施、通信 设施或其他建、构筑物安全的拆除作 业;文物保护建筑、优秀历史建筑或历 史文化风貌区控制范围的拆除作业 违规操作 坍塌、物体打

击、高处坠落
25 3级、4级围堰拆除作业 违规操作 坍塌、淹溺

续表

序号 类别 区域、项目 重大危险源 事故诱因 可能导致的事故 (后果)
26 施工

作业类
建筑物拆除 爆破拆除作业 违规操作 放炮、物体打击
27 起重设备安装、 拆卸及吊装作业 采用非常规起重设备、方法(自制起 重设备、多台设备联合作业等),且单 件起吊重量在10kN及以上的起重吊装 作业 违规操作 起重伤害
28 采用起重机械设备进行安装的作业 违规操作 起重伤害、 高处坠落
29 起重机械设备自身的安装、拆卸作业 违规操作 起重仿害、高处 坠客、触电
30 其他单项工程 涉及《水利水电工程施工安全管理导 则》SL 721—2015规定的危险性较大 的单项工程,并且是首次采用新工艺、 新技术、新材料或使用新设备、新产 品的 首次采用、 无工作经验 坍塌、其他爆

炸、物体打击等
31 涉及《水利水电工程施工安全管理导 则》SL 721—2015规定的危险性较大 的单项工程,并且尚无相关标准的 无相关标准 坍塌、其他爆

炸、物体打击等
32 设施

场所类
深埋长隧洞 深埋长隧洞 高地应力、不良地质、 预防措施不足 岩爆、物体打击
33 存弃渣场 弃渣堆下方有生活区或办公(工厂)区 违规操作 站塌
34 深基坑(槽) 开挖深度大于等于5m的基坑 不良地质、违规操作 坍竭、高处坠落
35 基坑(槽) 开挖深度小于5m但地质条件、周围 环境复杂,或可能存在燃气管道等地下 管线,或影响毗邻建筑(构筑)物安全, 或受到降排水影晌的基坑(槽) 不良地质、违规操作、

降排水骤启骤停
坍塌、其他 爆炸、突涌
36 油库、

油罐区
储存量等于或超过临界量的汽油、柴油 等,按《危险化学品重大危险源辨识》 GB 18218—2018的相关规定执行 违规操作 火灾、其他爆炸
37 危险化学品仓库 储存量等于或超过临界量的乙炔、液氨 等,按《危险化学品重大危险源辨识》 GB18218—2018的相关规定执行 违规操作 火灾、其他爆炸
38 供电系统 临时用电工程 违规操作 触电
39 围堰 3级、4级围堰工程 超标准洪水(潮位) 坍塌、淹溺
40 作业

环境类
超标准洪水 超标准洪水(潮位) 暴雨、涨潮、 上游放水 坍塌、淹溺水
41 可能发生自然

灾害的危险区域
可能发生山洪、泥石流、山体滑坡、雪 崩等自然灾害的危险区域 恶劣天气、不良地质、

地震等
坍塌、淹溺
42 有毒有害气体及 危险化学品 按《危险化学品重大危险源辨识》GB 18218—2018的相关规定执行 违规操作 中毒或其他伤害
  1. 风险评价

(1 )危险源风险评价应从危险源导致生产安全事故发生的可能性、人员暴露于危 险源影响范围内的频率、生产安全事故(后果)的危害程度等方面进行。

  1. 危险源的风险等级由高到低划分为重大风险、较大风险、一般风险和低风险 四个等级。
  2. 评价方法:
  3. 重大危险源的风险等级应直接判定为重大风险。
  4. 一般危险源的风险评价采用LEC法和LS法。其中水利水电工程施工中可能 直接导致人员伤亡的危险源其风险评价宜采用LEC法水利水电工程施工中可能影 响工程正常运行或导致工程失稳、结构破坏的危险源其风险评价宜采用LS法。
  5. 组织实施
  6. 项目法人组织勘测、设计、监理、施工等单位现场管理机构共同制定建设 项目安全风险分级管控制度,明确各单位的职责,并组织共同开展危险源辨识与风险 评价。

(2 )施工单位应将其负责的施工工程危险源辨识与风险评价成果报送项目法人和 监理单位。

(3 )参与危险源辨识与风险评价的部门和人员应符合下列规定:

  1. 应由负责施工管理管理和安全生产管理的部门参与。
  2. 应由熟悉安全技术、安全管理并且经验丰富的专业技术人员参与。
  3. 应由施工、运行管理具体工作人员参与。
  4. 可组织专家技术论证或委托第三方安全生产技术服务机构。
  5. 评价成果使用
  6. 制定安全风险空间分布图,并采用红、橙、黄、蓝四种颜色分别标识重大风 险、较大风险、一般风险、低风险。
  7. 风险评价定为低风险的危险源应按一般风险进行管控。

(3 )重大危险源和风险等级为重大风险的一般危险源由项目法人组织建立专项档 案。专项档案包括但不限于下列内容:

  1. 危险源基本情况。
  2. 安全管理制度及安全操作规程。
  3. 安全监测监控记录。
  4. 安全风险警示牌设置记录。
  5. 维修养护记录。
  6. 应急预案及应急演练记录等。
  7. 危险源辨识与风险评价报告主要内容

(1 )工程简介。

(2 )危险源辨识与风险评价主要依据。

(3 )危险源辨识和风险评价方法。

  1. 危险源辨识与风险评价内容。应以危险源清单方式列出危险源辨识相关内容 以及风险评价的参数值。
  2. 风险管控责任。在危险源清单中应列出各危险源的管控责任人。
  3. 应急预案。根据本工程危险源辨识与风险评价结果,提出所制定的才目关应急 预案名称或应急措施内容。对重大危险源,应按照“一源一案”要求专门说明。

(7 )评价结论。对本工程危险源辨识与风险评价结果进行总体描述。

  1. )危险源风险评价LEC法
  2. 风险值ΰ按式(14.2_1)计算:

D = LXEXC ( 14.2-1 )

式中**D** 风险值;

L——危险源导致生产安全事故发生的可能性;

E 人员暴露于危险源影响范围内的频率;

C——危险严重程度。

  1. 危险源导致生产安全事故发生的可能性i值大小与作业类型有关可根据施 工工期制定出相应的i值判定指标**L**值可按表14.2-6的规定确定。

表14.2-6 Δ值对照表

△值 生产安全事故发生的可能性
10 完全可以预料
6 相当可能
3 可能,但不经常
1 可能性小,完全意外
0.5 很不可能,可以设想
0.2 极不可能
  1. 人员暴露于危险源影响范围内的频率五值与工程类型无关,仅与施工作业 时间长短有关,可从人体暴露于危险环境的频率,或危险环境人员的分布及人员出人 的多少或设备及装置的影响因素分析、确定五值的大小可按表14.2-7的规定 确定。

表14.2-7 E值对照表

E值 人员暴露于危险源影响范围内的频率
10 连续暴露
6 每天工作时间内暴露
3 每周1次或偶然暴露
2 每月1次暴露
1 每年几次暴露
0.5 非常罕见暴露

(4)发生事故可能造成的后果即危险严重程度C值与危险源在触发因素作用下

发生事故时产生后果的严重程度有关,可从人身安全、财产及经济损失、社会影响等因 素分析危险源发生事故可能产生的后果确定C值可按表14.2-8的规定确定。

表14.2-8 C值对照表

C值 生产安全事故(后果)的危害程度
100 造成30人以上死亡或者100人以上重伤包括急性中毒下同或者1亿元以上 直接经济损失
40 造成10〜29人死亡或者50〜99人重伤或者5000万元以上1亿元以下直接经济 损失
15 造成3〜9人死亡或者10〜49人重伤或者1000万元以上5000万元以下直接经 济损失
7 造成3人以下死亡或者10人以下重伤或者1000万元以下直接经济损失
3 无人员死亡,致残或重伤,或很小的财产损失

注:表中所称的“以上”包括本数,所称的“以下”不包括本数。

5 )危险源风险等级划分以**D**值大小作为标准按表14.2-9的规定确定。

表14.2-9危险源风险等级划分标准表

◦值 风险等级
D>320 重大风险
160 <0^320 较大风险
70 160 一般风险
Ώ^70 低风险
6 £值判定指标确定
  1. i值宜由水利生产经营单位现场管理机构基层运管单位的领导、部门负责人、 具体工作人员等多层级人员共同确定。
  2. 多层级人员共同确定i值时应先分别计算每个层级内所有评价人员选取乙值 的算术平均数,再将各层级的权重数值分别代人计算加权平均数。
  3. 各层级的权重数值宜采用下列方法设置:
  4. 有两个层级时现场管理机构基层运管单位的领导层级为0.7,具体工作人 员层级为0.3。
  5. 有三个层级时现场管理机构基层运管单位的领导层级为0.3,部门负责人 层级为0.5,具体工作人员层级为0.2。
  6. 工程建设安全生产责任保险

根据《水利部印发关于推进水利工程建设安全生产责任保险工作的指导意见》(水 监督2023347号加快推进水利工程建设安全生产责任保险以下简称安责险 实施,切实发挥安责险风险防控和事故预防功能,进一步提升水利工程建设安全生产管 理水平。

  1. 工作原则
  2. 行业推动、市场运作。进一步明确水行政主管部门、水利工程建设参建单位 的安责险实施工作职责,依法依规开展安责险市场化运营服务。
  3. 预防为主、防赔结合。充分发挥安责险的事前预防与事后保障作用,在保障 经济补偿功能的基础上,强化风险评估管控和事故预防功能。
  4. 全面推进、规范实施。水利工程建设应当全面投保安责险,科学规范开展事 故预防服务,有效提升水利工程建设安全风险防范水平。
  5. 工作责任

水利部指导和监督全国水利工程建设安责险实施工作。流域管理机构指导流域管 理范围内水利工程建设安责险实施工作,负责所管辖的水利工程建设项目的安责险组织 实施与监督管理。省级水行政主管部门负责管辖范围内水利工程建设安责险组织实施与 监督管理。水利工程施工企业要依法投保安责险,接受保险机构事故预防服务,落实问 题整改;水利工程项目法人和监理单位负责督促参建施工企业依法投保安责险,监督事 故预防服务情况。鼓励水利行业协会发挥自律管理作用,建立安责险相关行业管理规 则,促进安责险有效实施。

  1. 安贵险实施
  2. 明确实施范围和保险责任。新建、扩建、改建、加固和拆除的水利工程建设 (包括配套与附属工程)应当投保安责险。安责险保险责任应包括投保项目的施工企业 因生产安全事故造成的从业人员(含劳务分包单位从业人员、劳务派遣人员、灵活用工 等)人身伤亡赔偿,第三者人身伤亡和财产损失赔偿,事故抢险救援、医疗救护、事故 鉴定、法律诉讼等费用。
  3. 确定投保单位。水利工程建设安责险以项目施工标段为单元由承包的施工企 业投保。单个施工标段存在总承包单位和分包单位时,应根据各自施工范围进行投保, 避免漏保或者重复投保。鼓励探索由项目法人以项目为单位统一投保。
  4. 规范投保要求。对于新开工水利工程,安责险费用在水利工程建设项目安全 生产措施费中列支,由投保单位与保险机构协商约定合同后缴纳,不得以任何■方式分摊 给从业人员个人。项目法人应将安全生产措施费作为不可竞争费用单独列支,保障安责 险费用足额到位。投保单位应在工程开工之前完成投保,保险期限应覆盖整个施工期。 对于已开工水利工程,未投保安责险的应根据剩余工程情况进行投保,保险朗限应覆盖 剩余施工期。
  5. 督促落实事故预防服务。水利部组织研究制定水利工程建设安责险事故预防 服务指南,规范事故预防服务。投保单位在投保前应进行比选,优先选择具有相应专业 资质和能力、事故预防服务制度健全的保险机构,在投保时应依据《安全生产责任保险 事故预防技术服务规范》AQ 9010—2019等有关标准或规定在保险合同中约定事故预 防服务具体内容和频次,要求保险机构按合同约定规范开展事故预防服务。保险机构事 故预防服务不替代投保单位安全生产主体责任。
  6. 安责险监督

(1)加大监督执法力度。各级水行政主管部门要将安责险投保和事故顶防服务情 况纳人监督检查,对于检查中发现未按规定投保安责险的,应依法严肃查处;对于未按合同约定和规定开展事故预防服务的、投保单位反映问题多的、拒不整改的,应及时通 报相关保险监督管理机构。

  1. 建立激励约束机制。各级水行政主管部门要将安责险投保情况作为相关工作 考核、评先评优的参考依据,纳人水利安全生产标准化达标评级、水利建设市场主体信 用评价等工作。
  2. 加强监管信息化。各级水行政主管部门要积极运用信息化手段加强监管,建 立健全安责险信息监管平台,加强信息共享与数据交换。鼓励运用政府设立的安责险平 台,实现安责险投保、理赔和事故预防服务的统一、规范管理。
  3. 强化社会监督。各级水行政主管部门要建立安责险社会监督机制,畅通政务 网站、邮箱、电话等渠道,受理相关问题举报并及时处置。社会公众对水利工程建设未 按规定投保等问题可向当地水行政主管部门反映,对承保、交易、理赔等发现的问题向 有关部门反映。

14.2.2安全事故应急管理

  1. 应急预案体系

根据2005年1月26日国务院第79次常务会议通过的《国家突发公共事件总体应 急预案》,按照不同的责任主体,国家突发公共事件应急预案体系设计为国家总体应急 预案、专项应急预案、部门应急预案、地方应急预案、企事业单位应急预案五个层次。

《水利部生产安全事故应急预案(试行)》属于部门应急预案,此预案与以下应急 预案共同构成水利部生产安全事故应急预案体系。

(1 )水利部直属单位针对负责的水利工程建设与运行活动编制的生产安全事故应 急预案。

(2 )水利部直属单位针对生产经营和后勤保障活动编制的生产安全事故应急预案。

上述预案、省级水行政主管部门生产安全事故应急预案应与水利部预案相衔接, 并应在水利部预案启动时相应启动。

  1. 水利部生产安全事故应急预案(节选)
  2. 编制应急预案的目的
  3. 应急管理工作原则
  4. 以人为本,安全第一。
  5. 属地为主,部门协调。按照国家有关规定,生产安全事故救援处置的领导和 指挥以地方人民政府为主,水利部发挥指导、协调、督促和配合作用。
  6. 分工负责,协同应对。
  7. 专业指导,技术支撑。
  8. 预防为主,平战结合。建立健全安全风险分级管控和隐患排查治理双重预防 性工作机制,坚持事故预防和应急处置相结合,加强教育培训、预测预警、预案演练和 保障能力建设。
  9. 事故分级

生产安全事故分为特别重大事故、重大事故、较大事故和一般事故四个等级 (表 14.2-10 )。

表14.2-10生产安全事故等级分类表

才贝失内谷 事故等级
特别重大事故 重大事故 较大事故 —般事故
死亡 3◦含本数下同 人以上 1◦人以上

3◦人以下
3人以上

10人以下
3人以下
或者重伤(包括急性 工业中毒,下同) 100人以上 5◦人以上

1◦◦人以下
10人以上

5◦人以下
3人以上 10人以下
或者直接经济损失 1亿元以上 5000万元以上

1亿元以下
1000万元以上 5000万元以下 100万元以上

1000万元以下

较大涉险事故是指发生涉险10人以上或者造成3人以上被困或下落不明或 者需要紧急疏散500人以上或者危及重要场所和设施电站、重要水利设施、危化品 库、油气田和车站、码头、港口、机场及其他人员密集场所)的事故。

4 预警管理

预警管理包括:发布预警(预警信息由地方人民政府按照有关规定发布)、预警行 动、预警终止(当险情得到有效控制后,由预警信息发布单位宣布解除预警)。

5 信息报告和先期处置研判

1 略(注:信息报告内容与水利部《水利安全生产信息报告和处置规则》一致)。

2 先期处置。水利生产经营单位发生生产安全事故后,除按照国家有关规定上 报事故情况,要立即启动相应的生产安全事故应急预案,采取下列一项或者多项应急处 置措施:

  1. 迅速控制危险源,组织抢救遇险人员。
  2. 根据事故危害程度,组织现场人员撤离或者采取可能的应急措施后撤离。
  3. 及时通知可能受到事故影响的单位和人员。
  4. 采取必要措施,防止事故危害扩大和次生、衍生灾害发生。
  5. 根据需要请求邻近的应急救援队伍参加救援,并向参加救援的应急救援队伍提 供相关技术资料、信息和处置方法。
  6. 维护事故现场秩序,保护事故现场和相关证据。
  7. 法律、法规规定的其他应急救援措施。

6 报告程序和时限

  1. 略(注:信息报告内容与水利部《水利安全生产信息报告和处置规则》一致)。
  2. 接到国务院总值班室要求核报的信息电话反馈时间不得超过30min,要求报送 书面信息的反馈时间不得超过lh。各单位接到水利部要求核报的信息应通过各种 渠道迅速核实按照时限要求反馈相关情况。原则上电话反馈时间不得超过20min 要求报送书面信息的反馈时间不得超过40min,对事故情况不得迟报、漏报、谎报或 者瞒报。事故报告后出现新情况的,应按有关规定及时补报相关信息。
  3. 除上报水行政主管部门外,各单位还应按照相关法律法规将事故信息告地方 政府及其有关部门。

7生产安全事故应急响应

1水利部直属单位工程生产安全事故应急响应。水利部应对部直属单位工程 生产安全事故应急响应设定为一级、二级和三级3个等级。响应流程如图14.2-1所示。

2026一建《水利》电子教材(可搜索)

图14.2-1水利部直属单位丁.程)生产安全事故应急响应流程

  1. 发生特别重大生产安全事故,启动一级应急响应。
  2. 发生重大生产安全事故,启动二级应急响应。
  3. 发生较大生产安全事故,启动三级应急响应。

水利部直属单位(工程)发生一般生产安全事故或较大涉险事故,由水利部监督司 会同相关业务司局、单位跟踪事故处置进展情况,通报事故处置信息。

2地方水利工程生产安全事故应急响应。水利部应对地方水利工程生产安全事 故应急响应设定为一级、二级和三级3个等级。响应流程如图14.2-2所示。

  1. 发生特别重大生产安全事故,启动一级应急响应。
  2. 发生重大生产安全事故,启动二级应急响应。
  3. 发生较大生产安全事故,启动三级应急响应。

地方水利工程发生一般生产安全事故或较大涉险事故,由水利部监督司会同相关 业务司局、单位跟踪事故处置进展情况,通报事故处置信息。

2026一建《水利》电子教材(可搜索)

图14.2-2地方水利工程生产安全事故应急响应流程

8 信息公开与舆情应对

信息发布。及时跟踪社会舆情态势,及时组织向社会发布有关信息。

舆情应对。采取适当方式,及时回应生产安全事故引发的社会关切。

9 后期处置

  1. 善后处置。做好伤残抚恤、修复重建和生产恢复等工作。

地方发生生产安全事故的,按照有关法律法规规定由地方人民政府处置。

  1. 应急处置总结。

10 保障措施

保障措施包括:信息与通信保障、人力资源保障、应急经费保障、物资与装备 保障。

11 培训与演练

  1. 预案培训。定期组织开展应急培训工作,提高相关人员安全意识与应急处置 技能。
  2. 预案演练。及时开展应急预案演练,对演练效果进行总结评估,撰写应急预案 演练评估报告,查找、分析预案存在的问题,并对应急预案提出修改意见。
  3. 项目部应急预案

按照《电力建设企业应急预案编制导则》DL/T 2519-2022,施工单位项目部应当

编制综合应急预案、专项应急预案、现场处置方案三种应急预案,构成项目部应急预案 体系。其中:

综合应急预案,是应对各类突发事件的总体工作程序、措施和应急预案体系的总 纲,是应对突发事件的综合性工作方案。

专项应急预案,是应对某一种或者多种类型事故或者针对重要生产设施、重大 危险源、重要施工工序、危险作业、重大活动防止生产安全事故而制定的专项工作 方案。

现场处置方案,是根据不同生产安全事故类型,针对具体场所、装置或者设施所 制定的应急处置措施。

专项应急预案包括:自然灾害类、事故灾害类、公共卫生事件类、社会安全事件 类四类。

  1. 水电水利工程突发事件管理

水电水利工程突发事件,是指在水电水利工程建设中,由自然灾害或工程灾害、 群体性灾害突然诱发的,对工程造成或可能造成危害,需要采取应急措施的事件。

为预防和控制突发事件的危害参考《水电水利工程突发事件管理》DL/T 5872- 2024,水电水利工程突发事件管理应立足于预防为主、统一领导、科学规划、依法依 规、快速响应的原则。

水电水利工程突发事件分为突发自然灾害事件、突发工程灾害事件和突发群体性 灾害事件,根据事件的后果,可分为一般、较大、重大和特别重大四级。分级标准见 表14.2-1U 其中:

自然灾害事件,是指由于气象、地质、地震、洪涝等灾害给水电水利工程建设带 来影响,危及人民生命、财产的自然现象。

工程灾害事件,是指由于工程建设活动而导致的人员伤亡、设备设施损坏、建筑 物损伤的工程现象。

群体性灾害事件,是指公共卫生事件和社会安全事件。

表14.2-11部分突发事件分级标准表

序号 突发事件 名称 特别重大I级 (红色预警) 重大II级 (橙色预詧) 较大III级 (黄色预瞥) 一般事件IV级 (蓝色预瞥)
1 洪涝灾害 发生超标特大洪水或 部分泄洪设施不能正 常运行,导致出现溃 坝(堰)或漫坝(堰) 或防洪设施被冲毁的 险情 发生超标大洪水或个 别泄洪设施不能运行 导致出现涌浪翻坝(堰) 的险情,或危及大坝、 厂房及基坑安全的险 情,或者泄洪设施被 局部被冲毁的险情 发生达到相应标准洪 水导致上、下游护岸、 道路冲毁,影响正常 通行的险情 发生设计标准以下洪 水,导致相关泄洪设 施、道路、建筑物等 被损毁,但不影响整 体泄洪的险情
2 岩爆灾害 造成30人以上死亡 或者100人以上重伤 或1亿元以上直接经 济损失 造成10人以上30人 以下死亡或50人 以上100人以下重伤 或直接经济损失5000 万元以上1亿元以下 的事件 造成3人以上10人以 下死亡或10人以上 50人以下重伤或直 接经济损失1000万 元以上、5000万元以 下的事件 造成3人以下死亡 或10人以下重伤或 直接经济损失1000 万元以下的事件

续表

序号 突发事件 名称 特别重大(I级) (红色预警) 重大(II级) (橙色预警) 较大(III级) (黄色预警) —般事件(IV级)

(蓝色预餐)
3 大型机械

设备事故
造成30人以上死亡 或者100人以上重伤 或者1亿元以上直接 经济损失的 造成10人以上3◦人 以下死亡或者50人 以上100人以下重伤 或者5000万元以上 1亿元以下直接经济 损失的 造成3人以上10人 以下死亡或者10人 以上50人以下重伤 或者1000万元以上 5000万元以下直接经 济损失的 造成3人以下死亡或 者10人以下重伤或 者1万元以上1000 万元以下直接经济损 失的
4 民爆物品 事故 造成30人以上死亡或 10◦人以上重伤或造 成直接经济损失1亿元 以上,或社会危害及 影响特别严重的事故。 或在运输、储存以及 爆破作业过程中发生 民爆物品盗窃、丢失 数量较大事件(炸药5 箱、雷管200发以上) 造成10人以上30人 以下死亡或50人以 上1◦◦人以下重伤的 或造成直接经济损失 5000万元以上1亿元 以下,或社会危害及 影晌重大的事故,或 者遗失炸药1~5箱、 雷管50-200发 造成3人以上10人以 下死亡或10人以上 5◦人以下重伤或造 成直接经济损失较大 的事故,或者遗失炸 药5kg~1箱、雷管 10-49 发 造成3人以丁死亡 或10人以下重伤或 者遗失炸药5kg、雷 管10发以下或使用 单位启动本单位事故 应急预案即可完全控 制,损失及危害没有 扩大可能性的事故
5 突发公共 卫生事件 危害特别严重的突发

公共卫生事件
1. 一次食物中毒人 数超过100人并出现 死亡病例或出现10 例以上死亡病例。
2. 一次发生急性职 业中毒50人以上 或死亡5人以上
市(地)级以上人民 政府卫生行政部门认 定的其他较大公共卫 生事件 县级以上人民政府卫 生行政部门认定的其 他一般公共卫生事件
6 群体性

事件
1. 一次参与人数 5000人以上严重影 响社会稳定的事件。
2. 参与人员对抗性 特征突出,已发生大 规模的打、砸、抢、 烧等违法犯罪行为。
(1)参与人数在1000 人以上5000人以 下,影响较大的非法 集会游行示威、上访 请愿、聚众闹事、罢 工等,或人数不多但 涉及面广和有可能进 京集体上访事件。 1. 一次参与人数 500人以上1000人 以下,影响社会稳定 的事件。
2. 已造成3人以下 死亡或已造成1◦人 以下受伤群体性事件。
1. —次参与人数 500人以下影晌社 会稳定的事件。
2. 造成3人以下受 重伤的群体'性事件。
6 群体性

事件
1. 已造成10人以上 死亡或30人以上受 伤,严重危害社会稳 定事件。
2. 阻断国道或阻挠、 妨碍国家重点建设工 程施工造成24h以 上停工事件。
3. 参与人数50◦人 以上,或造成重大人 员伤亡的群体性械斗、 冲突事件
1. 已造成3人以上 10人以下死亡或已 造成10人以上30人 以下受伤群体性事件。
2. 参与人数200人 以上500人以下或 造成较大人员伤亡的 群体性械斗、冲突 事件。
3. 因环境污染、生态 破坏引发的,造成严 重后果的群体性事件
(3)参与人数100人 以上200人以下或 造成较大人员伤亡的 群体性械斗、冲突 事件 1. 参与人数100人 以下,或造成人员伤 亡的群体性械斗、冲 突事件。
2. 群体性人数未达 到上述标准,但过激 行为和负面影响已达 到危及项目工程建设 正常生产、办公

注:摘录自《国务院特别重大、重大突发事件分级标准(试行)》《生产安全事故报告和调查处理条例》《电 力安全事故应急处置和调査处理条例》。

  1. 突发自然灾害事件管理
  2. 气象灾害

主要有冰冻、凌汛、冰雪融化、暴雪、大风等。

  1. 应加强对极端天气的预报工作,并及时发布极端气象信息。经会商后,应及时 启动停工、停产等紧急预案。
  2. 因暴雪、大风、冰冻灾害造成对外交通、电力线路中断时,应及时启动停工预 案,并协调社会资源启动救援工作。

(2 )地质灾害

  1. 在项目前期阶段,应结合项目所处的自然和工程条件,编制预防上游堰塞体溃 决或泥石流影响专题报告。在实施过程中,应加强组织协调,建立流域应对堰塞体溃决 与泥石流突发的管控机制。
  2. 与项目相关联的大型堰塞体一旦发生,应服从政府专门机构的统一调度管理。 受堰塞体溃决影响的挡水土石围堰,经论证,不能抵挡堰塞体溃决后的洪峰时,应对土 石围堰实施临时拆除。影响区的水库应按统一调度要求及时腾库。
  3. 建设期突发滑坡或变形体时,应立即停止影响区内的施工,并加强警戒和监测, 待处理后的区域达到安全要求后,再恢复影响区内的施工。
  4. 在水库蓄水初期,近坝库岸突发或将要发生大型变形体或滑坡体时,应严格限 制水库上升速度,并及时布置监测仪器,经专家组研究分析确定水库运行方式。
  5. 水库库容被泥石流严重淤积,闸门不能正常启动而出现洪水漫坝情况时,应及 时协调地方政府紧急启动影响区群众的紧急撤退,并采用工程措施开启闸门。
  6. 突发地表沉陷时,应立即封闭受影响区,并加强警戒和监测,待处理方案完成 后,再恢复正常的作业或通行。

(3 )地震灾害

  1. 项目开工前,应完成枢纽工程抗震设计专题报告,并明确相关预案。
  2. 建设期发生7度及以上的地震时应及时启动停工避险预案并对枢纽区的危 险源进行处理。
  3. 洪涝灾害

应结合项目所在的自然特点,在设计文件中分别提出建设期和运行初期应对超标 洪水的应急预案。泄洪建筑物的启闭机应配置双电源。

  1. 突发工程灾害事件管理
  2. 施工灾害事故,包括边坡垮塌、岩爆、地下洞室内涌水或有害气体、高脚手 架倾倒、钢模台车、滑模等大型专用模板损坏、门塔机、缆机等大型施工设备损坏、拆 除的建筑物或设施安全事件等。应当做好相应施工方案防止发生,制定相应应急预案 应对。
  3. 建筑物灾害事件,包括土石围堰基础防渗墙管涌等重大渗漏、导流隧洞进口 地坎和洞内底板等结构出现重大损坏、导流隧洞进口的门槽保护填框因变形而无法正常 取出、过流建筑物及相关设施因受损而导致下闸失败、有压隧洞衬砌顶拱结构损坏、大 坝渗漏等。

大坝突发以下渗漏情况时,应在查清原因的基础上,经过评审,结合预案提出专门的处理方案:

  1. 碾压混凝土大坝出现层间渗水。
  2. 混凝土坝施工期出现内部贯穿性裂缝。
  3. 心墙堆石坝的基础廊道等部位出现渗漏。
  4. 混凝土面板堆石坝因上游变形而出现渗漏。
  5. 大坝两岸出现重大渗漏。

(3 )设备设施灾害事件。

  1. 危险品灾害事件,包括民爆器材丢失、哑炮、强酸和液氨泄漏、油库等易燃 设施发生火灾等。
  2. 民爆器材从运输、装药到保存应实施一体化管理。民爆器材突然丢失时,项目 法人应紧急封闭相关区域,并及时上报地方公安紧急处理。
  3. 爆破作业面出现哑炮时,应封闭作业影响区,由专业民爆器材公司及时组织抢 险处理。
  4. 生态环境和水土保持突发事件,包括施工期基坑、砂石废水、拌和系统废水、 生活污水、洞室施工废水不达标排放;项目征地红线范围内,突然发现国家级野生保护 动物栖息地或珍惜保护植物等。
  5. 突发群体性灾害事件管理
  6. 外部发生重大疫情时,项目法人应按政府的统一要求,结合预案,提出具体 管理细则。
  7. 突发食物中毒时,应及时上报政府职能管理部门,并按要求组织善后工作。
  8. 项目所在地发生当地群众聚集性社会稳定事件时,项目法人应第一 间请示 地方政府,并通过法律途径及时化解。重大聚集性社会稳定事件造成的停工,应和参建 单位签订停工协议,并到地方政府备案,对枢纽区的安全防护做出安排。
  9. 安全生产标准化

根据《水利安全生产标准化通用规范》SL/T 789-2019,该标准适用于工程参建单 位开展安全生产标准化建设工作。

  1. 安全生产标准化

生产经营单位通过落实安全生产主体责任,全员全过程参与,建立并保持安全生 产管理体系,全面管控生产经营活动各环节的安全生产与职业卫生工作,实现安全健康 管理系统化、岗位操作行为规范化、设备设施本质安全化、作业环境器具定置化,并持 续改进。

  1. 核心技术要求

企业安全生产标准化管理体系核心技术要求有目标责任、制度化管理、教育培 训、现场管理、安全风险管控及隐患排查治理、应急管理、事故管理和持续改进8个 方面。

  1. 目标职责

1 )目标

制定总体和年度安全生产与职业健康(以下简称安健)目标,并纳人单位总体和年度生产经营目标。应明确目标的制定、分解、实施、检查、考核等环节要求,将目标分 解为指标,签订目禄责任书。

2 机构和职责

1 机构设置。成立安全生产委员会(领导小组),设置安健管理机构,或配备相 应的专职或兼职安健管理人员。

2 主要负责人及管理层职责。单位主要负责人全面负责安健工作。分管负责人 应对各自职责范围内的安健工作负责。各级管理人员应按照安全生产和职业健康责任制 (以下简称责任制)的相关要求,履行其安健职责。

3 全员参与

应建立健全责任制,明确各级部门和从业人员的安健职责,并对职责的适宜性、 履行情况进行定期评估和监督考核。

单位应为全员参与安健工作创造必要的条件。

4 安全生产投入

按照有关规定提取和使用安全生产费用,编制安全费用使用计划,建立使用台账, 落实、检查、总结安全生产费用的使用情况。按照有关规定,为从业人员缴纳相关保险 费用。

5 安全文化建设

按照《企业安全文化建设导则》AQ/T 9004—2008开展安全文化建设确立本单 位的安全生产和职业病危害防治理念及行为准则,并教育、引导全体人员贯彻执行。

6 安全生产信息化建设

应根据自身实际情况,利用信息化手段开展安全生产管理,建立安全生产电子台 账管理、重大危险源监控、职业病危害防治、应急管理、安全风险管控和隐患自查自 报、安全生产预测预警等信息系统。

7 水利水电施工企业补充要求

1 满足《水利水电工程施工安全管理导则》SL 721—2015 以下简称SL 721 )的 有关要求。

2 明确现场项目部的安全生产目标、管理机构及人员职责。

3 监督检查分包单位安全生产和职业健康目标职责管理。

4 按有关规定提取和使用安全生产费用。

5 按照有关规定投保安全生产责任保险。

  1. 制度化管理

1 )法规标准识别

应建立安健法律法规、标准规范的管理制度,明确主管部门,确定获取的渠道、 方式,及时识别和获取适用、有效的法律法规、标准规范,建立安健法律法规、标准规 范清单和文本数据库。

应将适用的安健法律法规、标准规范的相关要求转化为本单位的规章制度、操作 规程,并及时传达给相关从业人员。

2规章制度

应建立健全安健规章制度,应确保从业人员及时获取制度文本。

(注安健规章制度目录见《水利安全生产标准化通用规范》SL/T 789—2019。)

  1. 操作规程

引用或编制适用的安健操作规程。应确保从业人员参与岗位安健操作规程的编制 和修订工作。在新技术、新工艺、新设备设施、新材料投人使用前,应进行安全生产评 估,组织制(修)定相应的安健操作规程。

  1. 文档管理
  2. 文件和记录管理。明确安健规章制度、操作规程的编制、评审、发布、使用、 修订、废止以及文件和记录管理的职责、程序和要求。
  3. 评估。应每年至少评估一次安健法律法规、标准规范、规章制度、操作规程 的适用性、有效性和执行情况。
  4. 修订。应根据评估结果、安全检查情况、自评结果、评审情况、事故情况等, 及时修订安健规章制度、操作规程。
  5. 水利水电施工企业补充要求
  6. 按SL 721的规定结合本单位、本项目实际建立健全安全生产和职业健康 规章制度体系。
  7. 按《水利水电工程施工作业人员安全操作规程》SL 401—2007的规定结合 本单位、本项目实际,引用或编制相关岗位和设备的安全操作规程,并确保安全操作规 程具有针对性和可操作性。
  8. 教育培训

1 )教育培训管理

应建立健全安健教育培训制度,明确教育培训主管部门,定期识别教育培训需求, 制定、实施安全教育培训计划,保证必要的安全教育培训资源,按照有关规定进行培 训。如实记录全体从业人员的安全教育和培训情况,对培训效果进行评估和改进,建立 全体从业人员安全教育培训档案,并记录有关从业人员依法持证情况。

  1. 人员教育培训
  2. 主要负责人和管理人员。单位的主要负责人和安全生产管理人员应具备与本 单位所从事的生产经营活动相适应的安健知识与能力。单位应对各级管理人员进行教育 培训,确保其具备正确履行岗位安健职责的知识与能力。
  3. 其他从业人员。应对其他从业人员进行安全生产和职业健康教育培切I保证 从业人员具备满足岗位要求的安健知识,熟悉有关的安健法律法规、规章制度、操作规 程,掌握本岗位的安全操作技能和职业危害防护技能、安全风险辨识和管控方法,了解 事故现场应急处置措施,并根据实际需要,定期进行复训考核。
  4. 未经安全教育培训合格的从业人员,不得上岗作业。
  5. 新人职从业人员在上岗前应经过单位、部门、班组三级安全教育培训。
  6. 在新工艺、新技术、新材料、新设备设施投人使用前,应对有关从业人员进行 专门的安健教育培训。
  7. 从业人员在调整工作岗位或离岗一年以上重新上岗时,应重新进行部门或项目、 班组安全培训。
  8. 特种作业人员、专职应急救援人员应按照有关规定,经专门的安全作业培训,考核合格,取得相应资格后,方可上岗作业,并定期接受复审。
  9. 从业人员每年应接受再培训。
  10. 外来人员。应对进人单位内部从事服务和作业活动的相关方的从业人员以及 检查、参观、学习等外来人员进行安全教育和危险告知,主要内容包括:安全规定、可 能接触到的危险有害因素、职业病危害防护措施、应急知识等,并保存记录。
  11. 水利水电施工企业补充要求

(1 )满足SL 721的有关要求。

  1. 建立健全从业人员安全教育培训管理台账和档案,并实施动态管理。
  2. 现场管理
  3. 设备设施管理
  4. 设备设施建设。安全设施和职业病防护设施应与主体工程同时设计、同时施 工、同时投人生产和使用。
  5. 设备设施验收。设备设施安装后应进行验收,并对相关过程及结果进行记录。
  6. 设备设施运行:
  7. 应按规定对设备设施进行变更登记、安全鉴定。
  8. 应对设备设施进行规范化管理,建立设备设施管理台账。
  9. 应有专人负责管理各种安全设施以及检测与监测设备,定期检查维护并做好 记录。
  10. 应建立设备设施运行、巡检、保养的专项安全管理制度,确保其始终处于安全 可靠的运行状态。
  11. 安全设施和职业病防护设施不应随意拆除、挪用或弃置不用;确因检维修拆除 的,应采取临时安全措施,检维修完毕后立即复原。
  12. 设备设施检维修:
  13. 应建立设备设施检维修管理制度,制定综合检维修计划。
  14. 加强日常检维修和定期检维修管理,落实定检维修方案、定检维修人员、定安 全措施、定检维修质量、定检维修进度的“五定”原则,并做好记录。
  15. 检维修方案应包含作业安全风险分析、控制措施、应急处置措施及安全验收标 准。检维修过程中应执行安全控制措施,隔离能量和危险物质,并进行监督检查,检维 修后应进行安全确认。
  16. 特种设备检测检验。委托具有专业资质的检测、检验机构进行定期检测、 检验。
  17. 设备设施拆除、报废。应建立设备设施报废管理制度。报废设备设施拆除前 应制定方案,并在现场设置明显的报废设备设施标志。

(7 )水利水电施工单位补充要求:

  1. 满足SL 721的有关要求。
  2. 建立健全作业现场安全设施、职业病防护设施、消防设施安全管理台账,并实 施动态管理。
  3. 将项目法人提供的设施设备和分包商使用的设施设备纳人本单位安全管理范畴。

2作业安全

1作业环境和作业条件

  1. 应事先分析和控制生产过程及工艺、物料、设备设施、器材、通道、作业环境 等存在的安全风险。
  2. 生产现场应实行定置管理。
  3. 生产现场应配备相应的安全、职业病防护用品(具)及消防设施与器材,按照 有关规定设置应急照明、安全通道。
  4. 应对水上水下作业、临近高压输电线路作业、危险场所动火作业、有(受)限 空间作业、爆破作业、封道作业等危险性较大的作业活动,实施作业许可管理。作业许 可应包含安全风险分析、安全及职业病危害防护措施、应急处置等内容。作业许可实行 闭环管理。
  5. 水利生产经营单位应对作业人员的上岗资格、条件等进行作业前的安全检查。
  6. 应采取可靠的安全技术措施,对设备能量和危险有害物质进行屏蔽或隔离。
  7. 两个以上作业队伍在同一作业区域内进行作业活动时,不同作业队伍才目互之间 应签订管理协议,明确各自的安健管理职责和采取的有效措施,并指定专人进行检查与 协调。
  8. 危险化学品储存和使用单位的特殊作业,应符合《危险化学品企业特殊作业安 全规范》GB 30871—2022的规定。
  9. 水利水电施工单位补充要求:
  10. 危险性较大的单项工程、风险较高的作业活动的安全防护管理应符合《爆破安 全规程》GB 6722—2014 以下简称GB 6722、《水利水电工程施工通用安全技术规 程》SL 398—2007 以下简称SL 398 )、《水利水电工程施工安全防护设施技术规范》 SL 714—2015 以下简称SL714、SL 721等标准的规定。
  11. 施工现场用电管理应符合《建设工程施工现场供用电安全规范》GB 50194— 2014等规定。

2 )作业行为

  1. 控制作业行为安全风险。
  2. 杜绝违章指挥、违规作业和违反劳动纪律的“三违”行为。
  3. 应为从业人员配备与岗位安全风险相适应的、符合《个体防护装备配备规范第 1部分总则》GB/T 39800.1-2020规定的劳动防护装备与用品并监督、指导从业人 员按照有关规定正确佩戴、使用、维护、保养和检查劳动防护装备与用品。
  4. 水利水电施工单位补充要求:
  5. 现场管理人员和作业人员的行为、高边坡或深基坑作业、洞室作业、爆破作业、 水上(下)作业、高处作业、起重作业、临近带电体作业、焊接与切割作业、交叉作业 等行为管理应符合GB6722、SL 398、SL714和SL 721等标准的规定。
  6. 雨期、高温季节和冬期施工符合SL 398、SL714和SL 721等标准的规定。 3 )岗位达标

①从业人员应熟练掌握本岗位安全职责、安全生产和职业卫生操作规程、安全风 险及管控措施、防护用品使用、自救互救及应急处置措施。

②各班组应开展安全生产和职业卫生教育培训、安全操作技能训练、岗位作业危 险预知、作业现场隐患排查、事故分析等工作,并做好记录。

  1. 相关方
  2. 应建立相关方安全管理制度,将相关方的安健纳人本单位内部管理,对相关方 的资格预审、选择、作业人员培训、作业过程检查监督、提供的产品与服务、绩效评 估、续用或退出等进行管理。
  3. 应建立合格供方的名录和档案,定期识别服务行为安全风险。..1
  4. 应与相关方签订协议,明确规定双方的责任和义务。
  5. 水利水电施工单位补充要求:
  6. 在工程分包、专业分包、劳务分包、设备物资采购、设备租赁管理制度中明确 各管理层次和部门管理职责和权限,包括分包方的评价和选择、分包招标合同谈判和签 约、分包项目实施阶段的管理、分包实施过程中或结束后的再评价等,并按制度组织 实施。
  7. 按规定对分包单位的人员和设备设施进行管理。
  8. 审查工程分包、专业分包单位的专项施工方案,并督促落实。
  9. 职业健康

(1 ) 一般规定

  1. 为从事接触职业病危害的从业人员提供符合职业健康要求的工作环境和条件, 产生职业病危害的工作场所应设置相应的职业病防护设施。应建立健全职业卫生档案和 健康监护档案。
  2. 应确保使用有毒物品作业场所与生活区分开,有毒物品作业场所严禁住人;应 将有害作业与无害作业分开,高毒作业场所与其他作业场所隔离。
  3. 对可能导致发生急性职业病危害的有毒、有害工作场所,应设置检测报警装置, 制定应急预案,配置现场急救用品、设备,设置应急撤离通道和必要的泄险区,定期检 查监测并记录。
  4. 对从事接触职业病危害作业的人员进行上岗前、在岗期间、特殊情况应急后和 离岗时的职业健康检查,将检查结果书面如实告知从业人员并存档。水利生产经营单位 不应安排上岗前未经职业健康检查的从业人员从事接触职业病危害作业;不应安排有职 业禁忌的从业人员从事禁忌作业。从业人员的职业健康监护应符合《职业健康监护技术 规范》GBZ 188—2014的规定。
  5. 按规定为从业人员配备职业健康防护设施、器具及劳动保护用品,并由专人负 责保管,定期校验和维护。

(2 )职业病危害告知

  1. 与从业人员订立劳动合同时,应写明工作过程中可能产生的职业病危害及其后 果和防护措施。
  2. 在醒目位置设置公告栏,公布有关职业病防治的规章制度、操作规程、职业病 危害事故应急救援措施和工作场所职业病危害因素检测结果。对存在或者产生职业病危 害的工作场所、作业岗位、设备、设施,应设置警示标识和中文瞥示说明,警示说明应 载明职业危害的种类、后果、预防和应急救治措施。
  3. 职业病危害项目申报

应按规定,及时、如实向所在地有关部门申报职业病危害项目,并及时更新信息。 (4 )职业病危害检测与评价

  1. 应对工作场所职业病危害因素进行日常监测。存在职业病危害的,应委托具有 相应资质的职业卫生技术服务机构进行定期检测,每年至少进行一次全面的职业病危害 因素检测,检测结果存人职业卫生档案,向从业人员公布。
  2. 定期检测结果中职业病危害因素浓度或强度超过职业接触限值的应带j定整改 方案,立即整改。整改落实情况应有明确的记录并存人职业卫生档案。
  3. 警示标识
  4. 在有重大危险源、较大危险因素和严重职业病危害因素的工作场所,设置明 显的、符合有关规定要求的安全警示标识和职业病危害警示标识。

(2 )应定期对警示标志进行检查维护,确保其完好有效。

  1. 在设备设施施工、吊装、检维修等作业现场设置警戒区域和警示标识,在检 维修现场的井、洞、坑、沟口、渠、临边、陡坡等场所设置围栏和警示标识,进行危险 提示、警示,告知危险的种类、后果及应急措施等。
  2. 水利水电施工单位补充要求:
  3. 危险场所夜间设红灯示警。
  4. 建立健全作业现场安全警示标志管理台账,并实施动态管理。
  5. 安全风险管控及隐患排查治理
  6. 安全风险管理包括安全风险辨识、安全风险评估、安全风险控制I、变更 管理。
  7. 重大危险源辨识与管理。

(3 )隐患排查治理。

(4 )预测预警。

  1. 应急管理

1 )应急准备

  1. 应急救援组织。建立应急管理组织机构或指定专人负责应急管理工作,建立与 本单位安全生产特点相适应的专(兼)职应急救援队伍。不单独建立应急救援队伍的, 应指定兼职救援人员,并与邻近专业应急救援队伍签订应急救援服务协议。
  2. 应急预案。建立生产安全事故应急预案体系。
  3. 应急设施、装备、物资。
  4. 应急演练。

(5 )应急救援信息系统建设。

  1. 应急处置

发生事故后,应根据预案要求,立即启动应急响应程序,按照有关规定ί艮告事故 情况,并开展先期处置:

  1. 发出警报,在不危及人身安全时,现场人员采取阻断或隔离事故源、危险源 等措施;严重危及人身安全时,迅速停止现场作业,现场人员采取必要的或可會卽勺应急 措施后撤离危险区域。
  2. 立即按照有关规定和程序报告事故。
  3. 研判事故危害及发展趋势,将可能危及周边生命、财产、环境安全的危险 性和防护措施等告知相关单位与人员;遇有重大紧急情况时,应立即封闭事故现场, 通知本单位从业人员和周边人员疏散,采取转移重要物资、避免或减轻环境危害等 措施。
  4. 请求周边应急救援队伍参加事故救援,维护事故现场秩序,保护事故现场证 据。准备事故救援技术资料,做好向所在地人民政府及其负有安全生产监督管理职责的 部门移交救援工作指挥权的各项准备。
  5. 应急评估
  6. 应对应急准备、应急处置工作进行评估。
  7. 储存、使用危险物品的单位,应每年进行一次应急准备评估。
  8. 完成险情或事故应急处置后,应主动配合有关组织开展应急处置评估。
  9. 水利水电施工单位补充要求
  10. 在项目安全风险评估和应急资源调查的基础上,建立健全本单位和项目生产 安全事故应急预案,并形成应急预案体系,项目应急预案应经监理单位审核,报项目法 人备案。
  11. 项目部的应急预案体系应与本单位、项目法人和项目所在地地方政府的应急 预案体系相衔接。

(3 )配合项目法人开展应急预案演练和评估等工作。

  1. 事故管理
  2. 事故报告
  3. 明确事故报告程序。
  4. 妥善保护事故现场以及相关证据。

(3 )及时补充报告。

  1. 事故调查和处理
  2. 内部调查。
  3. 配合政府调查。
  4. 事故管理。建立事故档案盒管理台账,开展事故统计分析。
  5. 持续改进

1 )绩效评定

  1. 应对本单位安全生产标准化的运行情况每年至少进行一次自评,验证各项安 全生产制度措施的适宜性、充分性和有效性,检查安全生产和职业健康管理目标、指标 的完成情况。
  2. 单位主要负责人应全面负责自评工作,并将结果向本单位所有部门、所属单 位和从业人员通报。
  3. 应落实安全生产报告制度,定期向业绩考核等有关部门报告安全生产情况,并 向社会公示。
  4. 发生死亡事故后应重新进行安全绩效评定,全面查找安全生产标准化管理体 系中存在的缺陷。

2持续改进

应根据安全生产标准化的自评结果和安全生产预测预警系统所反映的趋势,以及 绩效评定情况,客观分析安全生产标准化管理体系的运行质量,及时调整完善+目关制度 文件和过程管控,持续改进,不断提高安全生产绩效。

15章 绿色建造及施工现场环境管理

2026一建《水利》电子教材(可搜索)15.1绿色建造

第15章

看本章精讲课

做本章自测题

15.1.1绿色建造基本要求

住房和城乡建设部颁布的《绿色建造技术导则(试行)》,対绿色建造 提出了指导性基本要求。

  1. 术语

1 绿色建造

按照绿色发展的要求,通过科学管理和技术创新,采用有利于节约资源、保护环 境、减少排放、提高效率、保障品质的建造方式,实现人与自然和谐共生的工程建造 活动。

2 绿色策划

因地制宜对建造全过程、全要素进行统筹,科学确定绿色建造目标及实施路径的 工程策划活动。

3 绿色设计

贯彻绿色建造理念,落实绿色策划目标的工程设计活动。

4 绿色建材

在全寿命期内可减少对资源的消耗和对生态环境的影响,具有节能、减排、安全、 健康、便利、可循环等特征的建材产品。

5 绿色施工

在保证工程质量、施工安全等基本要求的前提下,以人为本,因地制宜,通过科 学管理和技术进步,最大限度地节约资源,减少对环境负面影响的施工及生产活动。

6 智慧工地

综合采用各类信息技术,围绕人员、机械设备、材料、方法、环境等施工现场关 键要素,具备信息实时采集、互通共享、工作协同、智能决策分析、风险预控等功能的 数字化施工管理模式。

7 绿色交付

在综合效能调适、绿色建造效果评估的基础上,制定交付策略、交付标准、交付 方案,采用实体与数字化同步交付的方式,进行工程移交和验收的活动。

8 建筑信息模型

在建筑工程及设施全寿命期内,对其物理和功能特性进行数字化表达,并依此设 计、施工、运营的过程和结果的总称简称模型或BIM Building Information Model o

  1. 基本要求

绿色建造应将绿色发展理念融入工程策划、设计、施工、交付的建造全过程,充 分体现绿色化、工业化、信息化、集约化和产业化的总体特征。

1绿色策划

建设单位应在建筑工程立项阶段组织编制项目绿色策划方案,项目各参与方应遵 照执行。绿色策划方案应明确绿色建造总体目标和资源节约、环境保护、减少碳排放、 品质提升、职业健康安全等分项目标,应包括绿色设计策划、绿色施工策划、绿色交付 策划等内容。

  1. 绿色设计
  2. 统筹建筑、结构、机电设备、装饰装修、景观园林等各专业设计,能筹策划、 设计、施工、交付等建造全过程,实现工程全寿命期系统化集成设计。
  3. 场地设计应有效利用地域自然条件,尊重城市肌理和地域风貌,实现建筑布 局、交通组织、场地环境、场地设施和管网的合理设计。
  4. 建立涵盖设计、生产、施工等不同阶段的协同设计机制,实现生产、施工、运 营维护各方的前置参与,统筹管理项目方案设计、初步设计、施工图设计。
  5. 数字设计。宜采用BIM正向设计优化设计流程支撑不同专业间以及设计 与生产、施工的数据交换和信息共享。

(5 )建筑材料的选用应符合下列规定:

  1. 应符合国家和地方相关标准规范环保要求;
  2. 宜优先选用获得绿色建材评价认证标识的建筑材料和产品;
  3. 宜优先采用高强、高性能材料;
  4. 宜选择地方性建筑材料和当地推广使用的建筑材料。
  5. 绿色施工

(1 )绿色施工应符合现行国家标准《建筑工程绿色施工规范》GB/T 50905—2014 和《建筑与市政工程绿色施工评价标准》GB/T 50640—2023的要求。

  1. 根据绿色施工策划进行绿色施工组织设计、绿色施工方案编制。
  2. 协同与优化。应在项目前期进行设计与施工协同,根据工程实际情况及施工 能力优化设计方案,提高施工机械化、工业化、信息化水平。
  3. 环境保护。应通过信息化手段监测并分析施工现场扬尘、噪声、光、污水、有 害气体、固体废弃物等各类污染物。
  4. 资源节约。应采用精益化施工组织方式,统筹管理施工相关要素和环节,提 升施工现场精细化管理水平,减少资源消耗与浪费。
  5. 信息技术应用。应通过信息技术促进设计、生产、施工、运营维护等产业链 联动,支持项目多参与方协同工作,实现建造全过程统筹管理。
  6. 绿色交付

(1 )项目交付前应迸行绿色建造的效果评估。

  1. 按照绿色交付标准及成果要求提供实体交付及数字化交付成果。数字化交 付成果应保证与实体交付成果信息的一致性和准确性,建设单位可在交付前组织成果 验收。
  2. 数字化交付的内容及标准应执行工程所在地的相关规定。当所在地区未规定 时,可由建设单位牵头确定,各参建单位遵照执行。
  3. 数字化交付内容应包含数字化工程质量验收文件、施工影像资料、建筑信息 模型等。应编制说明书,详细说明交付的范围与内容。

15.1.2废水、废物、噪声、粉尘和废气、危险品控制

  1. 废水控制

废水控制包括工程废水控制、生活污水控制和地表降水防护等。施工组织设计应包 含工程废水、生活污水控制措施和地表降水防护等内容。工程废水宜处理后循环使用。 工程废水污染物排放应符合《污水综合排放标准》GB 8978-1996的规定。禁止利用渗 井、渗坑、裂隙和溶洞排放、倾倒含有毒污染物的废水和含病原体的污水。废水(污 水处理率应不低于工程所在地政府规定的要求当地政府无规定时不应低于80%。

1 )工程废水控制

工程废水包括砂石料加工废水、混凝土拌和冲洗废水、基坑废水(混凝土冲毛废 水、冲仓废水、养护废水)、水泥灌浆废水、基础造孔废水、机械修配系统及停车场冲 洗污水等由工程施工直接产生的废水。工程废水排放具有非连续性,主要污染物为悬浮 物SS少数有石油类和化学需氧量COD污染物。工程废水应根据废水特性分别 或综合采用拦污、沉砂、调节、沉淀、过滤、气浮、机械脱水、中和、混凝等工艺处理 后排放。

1 主要污染物为悬浮物时可分别采用自然沉淀法、絮凝沉淀法、水力旋流法、综 合法等。砂石加工厂生产废水处理宜结合石粉回收需求一并考虑回水再用。

2 主要污染物为碱性时宜采取中和措施。

3 )主要污染物为石油类污染物时宜设置隔油池或采用絮凝除油剂消除。 4 污染物为化学需氧量COD )时宜采用曝气处理。

5废水沉淀的泥浆宜干化处理后运至弃渣场填埋。泥浆干化可采用机械脱水方 式,场地条件允许的可采用泥浆干化场干化。

2 生活污水控制

生活污水包括食堂、澡堂、集体盥洗处、厕所排放的污水。生活污水主要污染物 为悬浮物、化学需氧量COD,生化需氧量BOD5、pH值、动植物油等。

1 食堂、澡堂、集体盥洗室废水宜设置拦截装置,通过隔油池或采用成套油水 分离装置排放。条件不具备时,可引至化粪池排放。

2 普通厕所污水和粪便应经化粪池发酵、分解后排放;移动环保型厕所污水和 粪便应集中回收进行无害化处置。

3 化粪池宜按照相应的建筑规范进行设计和施工,也可采用成套化粪池装置。

3 地表降水防护

生产和生活区的排水系统应保持畅通,排水主干渠应硬化。雨水不应汇人沉淀池、 隔油池、化粪池、垃圾堆存处、干化泥浆堆储等场所。工程中使用的可溶或遇水改变 性质的物品(如水泥、外加剂、降阻剂、电石等)不应露天储存;其储存场地四周排 水应畅通。生产和生活区域内存放油类、电解液等的场所,应采取防水、防渗、防流 失措施。存放含有汞、铬、镉、砷、铅、氰化物、黄磷等的可溶性物品(包括废弃物 品),必须防止其直接或被溶解后排人水体。禁止将含有这些元素的可溶性废弃物直 接埋人地下。对可能造成污染的废弃渣(液)等,应设置防止其排放污染水质的拦挡 设施。

  1. 废物控制

固体废弃物包括工程弃渣、工程废弃物、办公及生活垃圾、危险废弃物等,其处 置应做到资源化、减量化与无害化。固体废弃物应遵循分类处置的原则,宜设置专门的 弃置场所。危险废弃物应按规定进行掩埋、焚烧处理或上交有关部门。

  1. 工程弃渣控制。工程弃渣场应根据物料特性、堆存量、堆积高度、地基和挡 墙的承载能力进行设置。弃渣场应有稳定的边坡角度、通畅的包括渣场支沟小流域的排 水系统。工程弃渣应先拦后弃,合理利用工程渣料,减少弃渣量。废弃的混凝土拌合物 和砂石集料应清运至弃渣场。建筑垃圾应实行分类清理,可再生资源宜回收利用,不能 回收的可采用回填或填埋处理。
  2. 工程废弃物控制。包装材料、加工废料、废旧橡胶和塑料产品应分类存放,回 收处置。置于容器中的液态废物和气态废物应按固体废物进行有效处置。废旧的工器具 交由专业回收部门处置,不得随意弃置。
  3. 办公及生活垃圾处置。办公、生活垃圾宜按照可回收和不可回收进行分类收 集,统一处理。
  4. 噪声控制

施工噪声包括管道噪声、设备噪声、爆破噪声、筛分系统噪声、混凝土祥和系统 噪声、交通噪声等。噪声控制应根据噪声源类型、噪声强度及噪声影响对象采取噪声源 控制、噪声传播途径控制,必要时辅以个人防护措施。噪声控制应维护工程影η向区域声 环境功能要求,保护医院、学校、居民集中居住区等噪声敏感区。生活、办公营地应合 理选择,避开强噪声源。

1)场界噪声限值

根据环境功能特点和噪声控制质量要求,声环境功能区分为五类。根据施工场界 外的工程影响区内声环境功能区划分施工场界噪声限值见表15.1-lo

表15.1-1声环境功能区类别及施工场界噪声限值

声环境功能区类别 时段
昼间 夜间
0类声环境功能区

指有康复疗养院、敬老院等特别需要保持安静的区域
50 40
1类声环境功能区

指以居民集中居住区(村庄)、医院、学校等为主要功能,需要保持安静的区域
55 45
2类声环境功能区

指以商业贸易、集镇、养殖场为主要功能,或以居住、商业、工业混杂,需要维护住宅安静的 区域
60 50
3类声环境功能区

指有部分(分散)居民居住或工业生产企业的区域
65 55
4类声环境功能区 指仅有零星住户的区域 70 60

1.场界噪声限值为等效声级单位dB(A)。

  1. 施工场界。由法律文书界定的水电水利工程施工区域(生活区域)的边界。当没有明确界线时,以 施工方和外界最近建(构)筑物距离的1/2处为界且最远不超过50m。
  2. 在施工场界处夜间突发噪声的最大声级超过场界噪声限值的幅度不得大于15dB ( A )。
  3. 表摘自《水利水电工程施工环境保护技术规程》DL/T5260—2010o

2)噪声控制措施

  1. 对通风管道、排气管道等噪声源进行降噪处理时,可加装消声装置,降低噪 声源产生的噪声声级。
  2. 对施工机械噪声控制可以采取的措施有:优先选用噪声较小的设备,并合理 布置;对单个噪声设备(如柴油机、电动机、空气压缩机、球磨机等)可采用隔声罩将 噪声源封闭;当噪声源比较集中时,宜采用隔声间封闭噪声。
  3. 对砂石料生产系统、混凝土拌和系统等强噪声源应远离噪声敏感区或采取降 噪措施。
  4. 对交通噪声控制可以采取的措施有:合理选择交通运输路线,宜避开学校、医 院等噪声敏感区,当无法避开时可设置隔声屏障;噪声敏感区附近的交通路段应设置禁 鸣、限速标志,必要时实行交通时段管制。
  5. 对爆破噪声控制可以采取的措施有:应根据岩石特性进行爆破设计,合理控 制单响药量;宜采用台阶爆破施工,合理设计爆破抵抗线;适当增加堵塞长度,加强堵 塞质量;裸露的导爆索(管)、雷管宜采用压沙袋等措施加以防护,减小爆破噪声;禁 止使用裸露药包进行解炮作业;噪声敏感区附近的爆破作业,应选择昼间进行,爆破时 间应进行告示。非抢险作业不得在夜间实施爆破;进人噪声场所的作业人员,可采取必 要的个人防护措施。
  6. 粉尘和废气控制

工程施工应主要控制施工粉尘、燃油、燃煤等造成的大气污染。

  1. 施工粉尘控制

施工交通运输、钻孔、爆破、土石方挖填、骨料生产、混凝土拌和、金属防腐处 理等作业应制定粉尘污染防治措施。其中,

  1. 钻爆作业可采取的降低粉尘污染措施有:宜优先采用带捕尘装置的钻孔设备。 使用不具备捕尘装置的设备,应采用湿钻或孔口喷水雾的措施;露天爆破作业宜采用松 动爆破、喷水降尘等措施;地下工程应采用洒水喷雾等措施。
  2. 主要施工交通运输道路路面应硬化;运输车辆应采取措施,减少落土、落渣; 路面应及时清理泥渣,进行湿润,降低扬尘。
  3. 土石方挖填及装卸作业可采取降低粉尘污染的措施有:挖填和装卸作业应避免 随意甩渣,大风天气应抑尘施工;干燥区域作业,应洒水降尘;堆渣宜采取挡护措施; 永久开挖坡面宜及时封闭。
  4. 集料生产宜优先采用湿式或半干式生产工艺。
  5. 混凝土拌制可采取降低粉尘污染的措施有:散装水泥、粉煤灰应密闭输送;应 选用带有集尘装置的拌合楼;袋装水泥、粉煤灰、硅粉等转运应遮盖。
  6. 金属防腐除锈处理应采取封闭作业。
  7. 施工废气污染控制

燃煤设施应选择燃烧效率、热能转化效率高的环保锅炉;应使用符合废气排 放标准的施工设备,定时保养维修;宜选用低硫燃煤、型煤、优质燃油;禁止露天 焚烧生活垃圾、建筑垃圾;地下工程应采取加大通风流量等措施降低有害气体排放 浓度。

  1. 危险品控制

包括放射性物质污染控制、电磁污染控制、危险化学品控制等。

15.1.3节能减排与生态保护

  1. 节能减排

节能减排目标的考核项目一般包括电力、燃料、材料等消耗量(包括施工期内由施 工单位控制的永久设备、设施的消耗量)。

  1. 电力消耗方面采取的措施有应优先选用10kV施工电源和节能变压器0.4kV 供电系统输电距离宜控制在0.6km之内,并应尽可能均衡分配三相负载;应按无功补偿 的技术要求配置无功补偿设备。
  2. 燃料消耗方面采取的措施有:金属切割宜采用焊接切割用燃气替代乙缺气;燃 煤、燃油宜采用天然气、石油液化气、电力、太阳能等能源替代。
  3. 材料消耗方面采取的措施有:优先选用获得绿色建材评价认证标识的建筑材 料和产品;应加强各类材料的使用计划,宜适当备料,避免工程急用时的材料代换;材 料宜等强代换,避免以大代小、以强代弱;集料和混凝土拌合物输送应采取降温防晒技 术措施减少输送途中温升直径大于16mm的钢筋连接在满足工程结构安全和有关 规范要求下,宜采用螺纹连接或对接焊代替搭接焊、帮条焊。
  4. 生态保护

生态保护包括陆生植物保护与恢复、陆生动物保护、水生生态保护、湿地生态保 护等。

  1. 陆生植物保护与恢复。陆生植物保护与恢复对象包括工程影响区内的植被、 森林、草原、湿地等重要生态系统、自然保护区、森林公园、天然林保护程及珍 稀、濒危植物等。陆生植物宜采用避让、原地保护、迁地保护、种子保护、人工增殖 和基因遗传保护等进行保护;陆生植物恢复包括原址恢复、异地选址恢复和导卜偿性恢 复等。
  2. 陆生动物保护。陆生动物保护对象包括工程影响区的珍稀、濒危、有益和 有重要经济、科学研究价值的陆生野生动物,以及重点保护野生动物的生息繁衍场所 和生存条件、迁徙路线等;陆生动物保护宜按照项目环境影响评价文件要求采取就地 保护、迁地保护、施工避让、施工活动控制、迁徙路线通道保护等措施进行陆生动物 保护。
  3. 水生生态保护。水生生态保护对象包括工程影响区域珍稀、濒危和待有水生生 物及以水生生物为主要保护对象的自然保护区等;水生生态保护应包括环境保护措施、 物种保护措施。
  4. 湿地生态保护。湿地生态保护对象包括水源地、草甸、湿生、沼生、浅水性 植物,湿生、沼生、浅生性动物、珍稀水禽的繁殖地、越冬地等;湿地生态保护,根 据保护对象的影响程度,可采取水源地保护、控制生态流量、灌溉、围栏、轮牧等 措施。

15.2施工现场环境管理

15.2.1健康保护与环境监测

  1. 健康保护
  2. 应为员工发放必要的劳动防护用具、用品。
  3. 员工宿舍应保证适宜的通风、采光、照明。
  4. 生活、办公区的垃圾存放处、厕所、公共浴室等易滋生病菌、病原虫的处所 应定期进行卫生防疫消毒。
  5. 应按规定安排员工进行体检,并依体检结论安排必要的治疗和休息。
  6. 对人体健康有害区域的周边应设置警示标识或拦挡设施,并应防止无关人员 误人。
  7. 应协同当地卫生防疫部门实施疫情监控,避免人群聚集区域发生大规模疾病 流行。
  8. 处于地方性疾病区域的施工项目,应制订防疫措施,避免自然疫源性疾病、介 水传染病、虫媒传染病等疾病传播。
  9. 环境监测
  10. 应建立环境监测规章制度,编制环境保护监测实施方案。监测应包括人工巡 视、仪器采样、调查访问,监测结果应及时记录、分析、反馈、处理。对监测发现的未 达标项目应查找原因加以改进,对可能危及人身安全和引发重大环境影响的隐患,应按 程序上报并采取措施。应及时验证未达标项目的改进效果。
  11. 人群健康保护监测应包括施工场所和施工环境的职业健康卫生条件、劳动保 护设施与用品、卫生防疫、拦挡设施与警示标识、有关规章制度等与国家和地方政府的 相关规定的符合性。
  12. 监测项目、监测对象、监测点布置、监测参数和监测时机可参照表15.2-1。

表15.2-1监测项目、监测对象、监测点布置、监测参数和监测时机表

监测项目 监测对象 监测点布置 监测参数 监测时机 备注
生活饮用水 生活饮用水 水源地 供、配水管网末梢 《生活饮用水卫生 标准》

GB 5749—2022
《生活饮用水卫生 标准》 GB 5749—2022
工程废水 砂石料冲洗废水、 混凝土拌和废水、 混凝土养护废水、 灌浆废水、 机械保养维修废水、

冲洗废水
在排污口取样 pH值、 色度、 悬浮物、

石油类、 流量、 排放频率
生产试运行2次 生产高峰期1次 料源、工艺发生变 化1次
生活污水 食堂、厕所污水、盥 洗污水 在排污口取样 pH值、 色度、 悬浮物、 生化需氧量、 化学需氧堡、 粪大肠菌群、 细菌总数 初期2次、 高峰期1次

续表

监测项目 监测对象 监测点布置 监测参数 监测时仉 备注
/= 粉尘 金属处理粉尘、

砂石料加工粉尘、 拌和粉尘
施工厂界处 总悬浮颗粒物 (TSP)、

灰尘自然沉降量、 飘尘
扬尘废气 运输扬尘、 锅炉烟尘、 机械车辆废气、 爆破粉尘和毒气 露天爆破区下风处、 洞内爆破施工场面、 锅炉烟尘及机械废气 在厂界处 co so2

ΝΟχ 碳氢化合物
生产噪声 土石方施工设备、 砂石料加工设备、 混凝土施工设备、 基础处理设备、 其他设备 厂界处、 影晌严重区域 爆破噪声强度、 设备噪声强度
1: 工程弃渣、

固体废物
弃渣场、 固体废物堆存地 集中堆放区 渣堆稳定性、

对水环境影响
工程弃渣堆放处 每月1次、雨季每 周1次固体废物 露天堆放处每月1 次、雨季每月2次
生活垃圾、 办公垃圾 垃圾暂存场 堆放处 粒度、 生物可降解度 露天堆放处每月1 次雨季每月2次
辐射 放射性

物质、 放射性

污染物、 电磁辐射
具有放射性的弃渣、 具有放射源的设备、 电场强度彡4kV/m、 磁感应强度彡0.1mT 的设备及电力系统 影响处, 污染源存放处, 高压场、微波站附近 辐射强度, 放射性强度、空间, 照射量或电离辐射 剂量,

电场强度、磁感应,

强度
生产初期1次 设备放射源按规定 保管,逐日检查; 电磁辐射、电磁 噪声初期1次 放射性弃渣场初 期1次

新增污染源增加 1次
有污

染时

监测
氡气 含有氡气的地下工程 施工场所 产生氡气的工作环境、

污染源存放处
放射源和射线能量 的泄露强度

15.2.2绿色施工评价

  1. 绿色施工示范工地

根据《全国建筑业绿色施工示范工程申报与验收指南》,绿色施工示范工程主要是 对绿色施工管理、绿色施工技术和创新、绿色施工成效进行评价。

每项评价内容有若干评价要素构成,每个要素由若干项评价指标构成,评价指标 按其重要性和难易程度分为“控制项” “一般项” “优选项”。其中控制项为必须达到的 指标,有一项达不到要求,则该工程为非绿色施工项目。一般项指标为评价时的得分 项,优选项指标为加分项,是在一般情况下较难做到的指标。

绿色施工示范工程按绿色施工水平高低分为优良、合格和不合格三个等级。根据 综合得分原则上60分以下为不合格60〜80分为合格80分以上为优良。

绿色施工示范工程评分不仅是绿色施工水平高低评判的结论,也是施工企业自我 评价绿色施工的工具。

1)绿色施工管理评价(占评价分值的60% )

依据《建筑与市政工程绿色施工评价标准》GB/T 50640—2023,分为以下五大 要素:

(1 )环境保护。其中,控制项指标有:

  1. 现场施工标牌应包括环境保护内容。
  2. 施工现场在醒目位置设置环境保护标识。
  3. 施工现场的文物古迹和古树名木应实行有效保护措施。
  4. 现场食堂应有卫生许可证,炊事人员应持有效健康证明。
  5. 节材和材料资源利用。其中,控制项指标有:
  6. 应依据就地取材的原则进行材料的选择并有实施记录。
  7. 应有健全的机械保养、限额领材、建筑垃圾再生利用等制度。
  8. 节水和水资源利用。其中,控制项指标有:
  9. 签订标段分包或劳务合同时,应将节水指标纳人合同条款。
  10. 应有计量考核记录。
  11. 节能和能源利用。其中,控制项指标有:
  12. 对施工现场的生产、生活、办公和主要耗能施工设备应设有节能的限制措施。
  13. 对主要耗能施工设备应定期进行能耗计量考核。
  14. 国家、行业、地方政府命令淘汰的施工设备、机具和产品不应使用。
  15. 节地和土地资源爱护。其中,控制项指标有:
  16. 施工场地应布置合理并应实施动态管理。
  17. 施工临时用地应有审批手续。
  18. 施工单位应充分了解施工现场及毗邻区域人文景观保护要求、工程地质情况及 基础设施管线分布情况,制定相应保护措施,并应报请相关部门核准。
  19. )绿色施工技术和创新评价(占评价分值的20% )

无控制项和优选项。

  1. )绿色施工成效评价(占评价分值的20% )

无控制项和优选项。

  1. 电力建设绿色施工专项评价

根据《电力建设绿色施工专项评价办法》,绿色施工是指在保证质量、安全等基本 要求的前提下,通过科学管理和技术进步,最大限度地节约资源,减少对环境负面影 响,实现“四节一环保”(节能、节地、节材、节水和环境保护)的文明施工活动。绿 色施工专项评价是指对工程建设项目绿色施工管控水平、资源节约效果、环境保护效果 和量化限额控制指标等进行的评价。

1 )绿色施工管控水平

部分直接涉及施工单位(下同)的评价内容有:

(1 )绿色施工组织与管理符合《建筑工程绿色施工规范》GB/T 50905—2014 的规定。

(2)建设、设计、监理、施工单位各方履行的绿色施工职责符合《建筑工程绿色 施工规范》GB/T 50905—2014的规定。

  1. 施工单位应建立以项目经理为第一责任人的绿色施工管理体系制J订绿色施 工管理制度,负责绿色施工的组织实施,进行绿色施工的教育培训,定期开展自检、联 检和评价工作,并有实施记录。
  2. 绿色施工组织设计、绿色施工方案或绿色施工专项方案编制前,应进行绿色 施工影响因数分析,并据此制定实施对策和绿色施工评价方案。
  3. 施工单位应强化技术管理,施工组织设计、施工方案、专项技术措施、技 术交底中应有专门的绿色施工章节,内容充实,涵盖“四节一环保”措施,可操作 性强。
  4. 施工单位应建立不符合绿色施工要求的施工工艺、设备和材料的卩艮制、淘汰 等制度。不得使用国家、行业、地方政府明令淘汰的高耗能机电设备(产品)和禁止使 用技术及建筑材料。
  5. 施工单位应建立建筑材料数据库,应采用绿色性能相对优良的建筑材料。
  6. 施工单位应建立施工机械设备数据库。应根据现场和周边环境情况,对施工 机械和设备进行节能、减排和降耗指标分析和比较,采用高性能、低噪声和Ϊ氐能耗的机 械设备。
  7. 资源节约效果

(1 )节能与能源利用

  1. 充分利用当地气候和自然资源条件,尽量减少夜间作业和冬期施工。
  2. 充分利用有效资源合理安排临建设施,通风、供暖、综合节能效果显著。

(2)节地与土地资源利用

  1. 大型临时设施应利用荒地、荒坡、滩涂布置。
  2. 厂区临建设施、道路永临结合,节约占地。
  3. 采用预拌混凝土,节省现场搅拌站用地。

(3 )节水与水资源利用

  1. 采用雨水回收、基坑降水储存再利用等节水措施。
  2. 有条件的现场,充分利用中水或矿井疏干水,减少地表水、地下水用量。
  3. 现场机具、设备、车辆冲洗水处理后排放或循环再用。

(4 )节材与材料资源利用

  1. 积极采用符合设计要求的绿色环保新型材料。
  2. 计划备料、限额领料,合理下料、减少废料,有效减少材料损耗和浪费。
  3. 废材回收制度健全,现场实现无焊条头、无废弃防腐保温材料、无废弃填料和 油料、无废弃电缆和成型桥架,实现边角余料回收。
  4. 环境保护效果
  5. 强光源控制及光污染应采取有效防范措施。
  6. 各种水处理、废水处理的废液排放应符#•国家和地方的污染物排放标准;禁 止采用溢流、渗井、渗坑或稀释等手段排放。

(3 )禁止在现场燃烧废弃物。

  1. 实施成品保护应采取有效措施,防止对已完工的建筑工程、已进人或已安装 的设备盘柜等造成损坏、污染。

4"四节一环保"量化限额控制指标部分见表15.2-2

表15.2-2 “四节一环保"量化限额控制指标(部分)

序号 评价内容 控制指标
1 节能与能源利用
1) 节电设备(设施)配置率 ^80%
2 节地与土地资源利用
1) 临时设施占地面积有效利用率 彡90%
3 节水与水资源利用
4 节材与材料资源利用
1) 就地取材 彡500km以内的占建筑材料总量的95%
2) 模板平均周转次数 35次
3) 施工废弃物回收利用 > 85%
4) 施工垃圾再利用率和回收率 >30%
5) 临时围挡等周转设备(料)重复使用率 重复使用率达到70%
5 环境保护
1) 建筑垃圾 再利用率和回收率达到30%
2) 噪声控制 昼间彡70dB夜间彡55dB
3) 水污染控制 pH值达到6~9
4) 废水处理率 不允许向水域中排放废水废水处理率100%,回用率100%
5) 抑尘措施 结构施工扬尘高度0.5m,基础施工扬尘高度名1.5m
  1. 拦河水闸工程永久性水工建筑物

    拦河闸、挡潮闸挡水建筑物及其消能防冲建筑物设计洪(潮)水标准,应根据其建 筑物级别按表1.2-10确定。

  2. 临时性水工建筑物

    临时性水工建筑物的洪水标准应根据建筑物的结构类型和级别在表1.2-11的

  3. 施工机械使用费

    施工机械使用费由一类费用和二类费用组成。一类费用包括折旧费、修理及替换 设备费和安装拆卸费按2023年度价格水平计算并用金额表示二类费用包括施工机 械机上操作人员人工费、施工机械正常运转所需动力、燃料或消耗材料,以工时数量和 实物量消耗量表示,其费用按国家规定的人工工资计算办法和工程所在地的物价水平分 别计算,人工按中级工计算。施工机械使用费根据《水利工程施工机械台时费定额》 计算。

  4. 混凝土材料单价

    根据设计确定的不同工程部位的混凝土强度等级、抗冻抗渗等级、级配和龄期,